Добавить в корзинуПозвонить
Найти в Дзене
ООО КАТРИН-К

АЗС под керосин

АЗС под керосин объемом 10м3 состоящая из 3х резервуаров Обвязка резервуаров

АЗС под керосин объемом 10м3 состоящая из 3х резервуаров

-2
-3
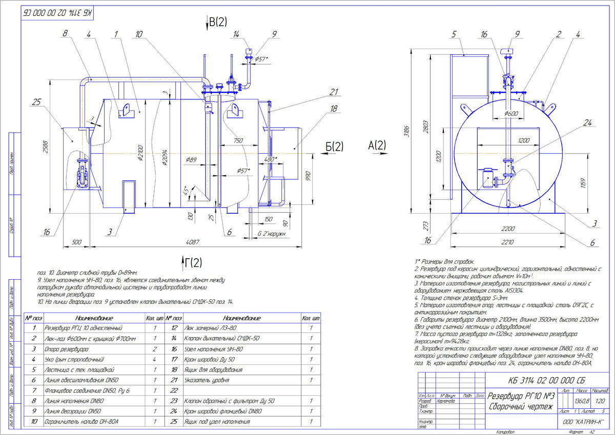
1* Размеры для справок.                                                                                                             2. Резервуар под керосин: цилиндрический, горизонтальный, одностенный с
коническими днищами, рабочим объемом V=10м 3.
3. Материал изготовления резервуара, магистральных линий и линий с
оборудованием: нержавеющая сталь AISI304.
4. Толщина стенок резервуара S=3мм.
5. Материал изготовления опор, лестницы с площадкой: сталь Ст3, с
антикоррозийным покрытием.
6. Габариты резервуара: диаметр 2100мм, длинна 3500мм, высота 2200мм
(без учета съемной лестницы и оборудования).
7. Масса пустого резервуара m=1328кг, заполненного резервуара
(керосином) m=9428кг.
1* Размеры для справок. 2. Резервуар под керосин: цилиндрический, горизонтальный, одностенный с коническими днищами, рабочим объемом V=10м 3. 3. Материал изготовления резервуара, магистральных линий и линий с оборудованием: нержавеющая сталь AISI304. 4. Толщина стенок резервуара S=3мм. 5. Материал изготовления опор, лестницы с площадкой: сталь Ст3, с антикоррозийным покрытием. 6. Габариты резервуара: диаметр 2100мм, длинна 3500мм, высота 2200мм (без учета съемной лестницы и оборудования). 7. Масса пустого резервуара m=1328кг, заполненного резервуара (керосином) m=9428кг.

Обвязка резервуаров

-5
-6
-7
1. Заправка емкости происходит через линию наполнения DN80, поз. 8, на которой установлено следующее оборудование: узел наполнения
УН-80, поз. 16, задвижка фланцевая поз. 23 и ограничитель налива
ОН-80, поз. 10. Диаметр сливной трубы D=89мм,
(чертеж КБ 3114 01 00 000СБ, чертеж КБ 3114 02 00 000СБ).
2. Узел наполнения УН-80, поз. 16, является соединительным звеном
между патрубком рукава автомобильной цистерны и трубопроводом
линии наполнения резервуара.
3. На линии деарации поз. 9 установлен клапан дыхательный
СМДК-50 поз. 14,
1. Заправка емкости происходит через линию наполнения DN80, поз. 8, на которой установлено следующее оборудование: узел наполнения УН-80, поз. 16, задвижка фланцевая поз. 23 и ограничитель налива ОН-80, поз. 10. Диаметр сливной трубы D=89мм, (чертеж КБ 3114 01 00 000СБ, чертеж КБ 3114 02 00 000СБ). 2. Узел наполнения УН-80, поз. 16, является соединительным звеном между патрубком рукава автомобильной цистерны и трубопроводом линии наполнения резервуара. 3. На линии деарации поз. 9 установлен клапан дыхательный СМДК-50 поз. 14,