Добавить в корзинуПозвонить
Найти в Дзене
МАКреатив

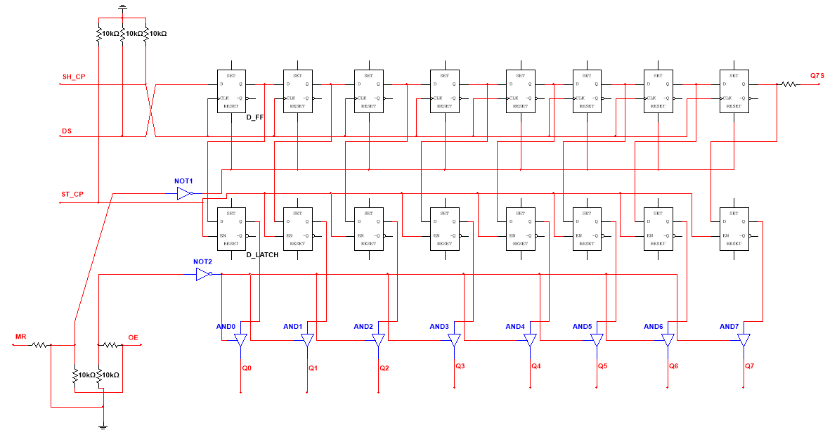
Сдвиговый регистр 74HC595

74HC595 — 8-разрядный сдвиговый регистр с последовательным вводом, с триггером-защёлкой и тремя состояниями на выходе. При этом несколько таких регистров можно объединять последовательно для масштабирования. Вот схема этого устройства: Работает регистр так: Кратковренный импульс на SH_CP записывает состояние DS в регистр. Чтобы обновить выходы Q0-Q7 нужно подать кратковременный импульс на ST_CP. Чтобы выключить выходы нужно подать высокий уровень (единицу) на OE. Чтобы обратно включить выходы нужно перестать подавать ток на OE (третье состояние выходов). Чтобы обнулить регистр нужно подать кратковременный импульс на MR. Q7S выдаёт вытесненный бит (регистр сдвиговый, поэтому каждый новый бит сдвигает существующие на один), можно соединить Q7S с DS следующего регистра, чтобы увеличить доступные разряды. Вот визуализация работы 74HC595: А здесь Вы можете скачать архив с этими двумя моделями для симуляции в NI Multisim 14 Вопрос: Кто может сделать из этой модели компонент для Multisim или

74HC595 — 8-разрядный сдвиговый регистр с последовательным вводом, с триггером-защёлкой и тремя состояниями на выходе. При этом несколько таких регистров можно объединять последовательно для масштабирования.

Вот схема этого устройства:

Нажмите для увеличения. Выходы VCC (Питание 5 Вольт постоянки) и GND (земля) не указаны
Нажмите для увеличения. Выходы VCC (Питание 5 Вольт постоянки) и GND (земля) не указаны

Работает регистр так: Кратковренный импульс на SH_CP записывает состояние DS в регистр. Чтобы обновить выходы Q0-Q7 нужно подать кратковременный импульс на ST_CP. Чтобы выключить выходы нужно подать высокий уровень (единицу) на OE. Чтобы обратно включить выходы нужно перестать подавать ток на OE (третье состояние выходов). Чтобы обнулить регистр нужно подать кратковременный импульс на MR. Q7S выдаёт вытесненный бит (регистр сдвиговый, поэтому каждый новый бит сдвигает существующие на один), можно соединить Q7S с DS следующего регистра, чтобы увеличить доступные разряды.

Вот визуализация работы 74HC595:

А здесь Вы можете скачать архив с этими двумя моделями для симуляции в NI Multisim 14

Вопрос: Кто может сделать из этой модели компонент для Multisim или в формате .cir или .dll?