Добавить в корзинуПозвонить
Найти в Дзене
yurinur

Проблемы с электрикой в машине OPEL ASTRA

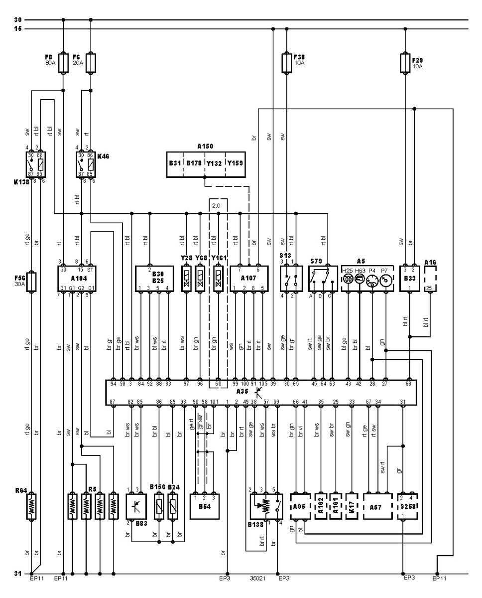
Всем доброго времени суток. Давно ничего не писал, не было времени заняться автомобилем. Сегодня поделюсь своими достижениями. Для начала могу похвастаться тем, что я наконец то смог найти хоть какую то информацию по электрике данного автомобиля, а именно, мне нужна была электро схема. Не знаю почему, но именно на данную модель Opel Astra G 2.0 дизель я не смог найти ничего толкового, на бензиновые двигатели схем хватает, на дизель почему то нет. В итоге скачал программу autodata и в ней нашел ту самую схему и еще кое какую полезную информацию, которой я с вами поделюсь, вдруг кому пригодится так же, как и мне. Ниже представлена схема. Далее идет расшифровка каждого обозначенного элемента на схеме, что очень облегчает работу. Продолжение... Ниже табличка с расшифровкой цвета проводов. Кстати, каждый провод на схеме подписан (указан цвет провода) Вот к примеру описание проверки реле и разъема на ТНВД. В моем случае в электрике машины кто-то хорошо покопался и сегодня я в этом убедился

Всем доброго времени суток. Давно ничего не писал, не было времени заняться автомобилем. Сегодня поделюсь своими достижениями. Для начала могу похвастаться тем, что я наконец то смог найти хоть какую то информацию по электрике данного автомобиля, а именно, мне нужна была электро схема. Не знаю почему, но именно на данную модель Opel Astra G 2.0 дизель я не смог найти ничего толкового, на бензиновые двигатели схем хватает, на дизель почему то нет. В итоге скачал программу autodata и в ней нашел ту самую схему и еще кое какую полезную информацию, которой я с вами поделюсь, вдруг кому пригодится так же, как и мне. Ниже представлена схема.

Далее идет расшифровка каждого обозначенного элемента на схеме, что очень облегчает работу.

-2

Продолжение...

-3

Ниже табличка с расшифровкой цвета проводов. Кстати, каждый провод на схеме подписан (указан цвет провода)

-4

Вот к примеру описание проверки реле и разъема на ТНВД.

-5
-6
-7
-8
-9
-10
-11

В моем случае в электрике машины кто-то хорошо покопался и сегодня я в этом убедился очередной раз. Очень много скрученных проводов между собой и все эти скрутки замотаны в синюю изоленту. При прозвонке мультиметром проводки стало ясно, что схема сильно изменена и мне придется ее восстанавливать к первоначальному виду. Хорошо хоть схема теперь есть. Но прежде, чем лезть в схему, я решил проверить работоспособность иммобилайзера, уж очень много информации в интернете о том, что он может быть виновником не запуска автомобиля и одна из причин - проблема антенны иммобилайзера, она не видит ключ. Вот с этого я и начал свои поиски неисправности. Для начала хочу вкратце описать принцип работы иммобилайзера. Когда вы вставляете ключ в замок зажигания, чип в ключе считывается антенной иммобилайзера, которая расположена вокруг замка зажигания. Обычно она скрыта под пластмассовым кожухом. Выглядит примерно так.

-12

Далее считанный код обрабатывается блоком иммобилайзера. Мой выглядит вот так.

-13

И находится под рулевой колонкой.

Если код есть в иммобилайзере, последний дает команду электронному блоку управления на запуск двигателя, в противном случае двигатель не запустится. Вот сегодня я и начал проверку - видит ли иммобилайзер ключ (чип в ключе). Для этого я разобрал ключ и вытащил чип. Чип очень маленький.

-14
-15
-16
-17
-18
-19
-20
-21

Вытащил чип и включил зажигание. На табло стал моргать значок Chek Engine. Подношу чип к антенне иммобилайзера и включаю зажигание, значок перестает моргать, значит связь между ключом и иммобилайзером есть. Собираю все обратно. Перехожу в блоку реле под капотом. Там полный бардак из проводов. Находя реле обозначенные на схеме, фотографирую их и подписываю.

-22
-23
-24
-25

Начинаю прозванивать проводку и тут полная несостыковка со схемой. Стоят не те реле, а значит контакты не совпадают и вся схема работает неправильно. Вытаскиваю реле и снова вставляю, оно сразу же переходит в режим замкнуто, причем на постоянную. Ставлю вместо него реле, которое обозначено на схеме, с ним пропадает связь с ЭБУ. Встречаются оторванные провода, от которых предстоит восстановить полную схему. Например один из них это 87 контакт реле, который идет на обогрев топлива, находящегося в топливном фильтре. Он должен идти через предохранитель к разъему питания подогревателя топлива, но вся эта цепь отсутствует. Так что сейчас занимаюсь восстановлением основных элементов цепи, связанных с работой двигателя. Как только разберусь, постараюсь накидать понятную схему, что и куда подключается, возможно кому-то данная информация пригодится.
На сегодня на этом все. Как появится новая информация обязательно поделюсь ей с вами.

ПРОДОЛЖЕНИЕ СЛЕДУЕТ...