Найти в Дзене
AutoFairyLand

Типы приводов автомобиля.

Приветствую всех читателей! Сегодня поговорим о типах приводов автомобиля, разберёмся в их действии, их конструкции, их плюсы и минусы и сделаем вывод. Передний привод — Front wheel drive (FWD) Передний привод устанавливается на абсолютное большинство современных автомобилей. Двигатель и КП расположены спереди, чаще - поперечно. Крутящий момент от мотора посредством ШРУСа передается на колеса передней оси. Двигатель в автомобилях с FWD может устанавливаться продольно или поперечно установлен находиться перед, за, или над передней осью. Главной отличительной чертой устройства переднего привода является то, что двигатель, КП, привод и дифференциал объединены в единый блок передачи крутящего момента на переднюю ось. Такое решение более выгодно в производстве, а отсутствие карданного вала позволяет максимально использовать пространство салона и снизить общий вес автомобиля. В то же время, конструкция самого узла усложняется, сложность ремонта возрастает. Преимущества переднего привода: Не
Оглавление

Приветствую всех читателей! Сегодня поговорим о типах приводов автомобиля, разберёмся в их действии, их конструкции, их плюсы и минусы и сделаем вывод.

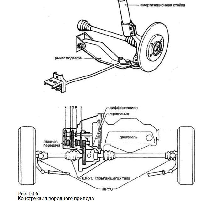
Передний привод — Front wheel drive (FWD)

Передний привод устанавливается на абсолютное большинство современных автомобилей. Двигатель и КП расположены спереди, чаще - поперечно. Крутящий момент от мотора посредством ШРУСа передается на колеса передней оси. Двигатель в автомобилях с FWD может устанавливаться продольно или поперечно установлен находиться перед, за, или над передней осью. Главной отличительной чертой устройства переднего привода является то, что двигатель, КП, привод и дифференциал объединены в единый блок передачи крутящего момента на переднюю ось. Такое решение более выгодно в производстве, а отсутствие карданного вала позволяет максимально использовать пространство салона и снизить общий вес автомобиля. В то же время, конструкция самого узла усложняется, сложность ремонта возрастает.

Привод переднего колеса
Привод переднего колеса
Конструкция переднего привода
Конструкция переднего привода

Преимущества переднего привода:

  • К преимуществам переднеприводных автомобилей относят легкость в управляемости, хорошую проходимость - прибавив «газу», на машине с FWD можно выбраться из снежной каши и подняться под горку, потому что вес передней части автомобиля не смещается назад и передние колеса гребут, тащат машину за собой.
  • Переднеприводные автомобили менее подвержены заносам на скользкой дороге и в поворотах, чем заднеприводные машины, а также имеют сравнительно лучшую проходимость на пересеченной местности. Плюсы этого типа привода — практичность, адекватная цена и простота в эксплуатации. Начинающим водителям будет проще привыкнуть к управлению автомобилем на переднем приводе.
  • Зимой из-за того, что вес двигателя нагружает ведущую переднюю ось, создается лучшее сцепление с дорогой. Поэтому автомобили с передним приводом рекомендованы новичкам.
  • Передний привод — сравнительно простая конструкция с небольшим количеством узлов, поэтому обслуживание и ремонт не должны стать проблемой.

Недостатки переднего привода:

  • Передние колеса на переднеприводных компоновках переживают чрезмерные нагрузки,поскольку они должны передавать крутящий момент двигателя, управлять автомобилем и одновременно гасить дорожные неровности.
  • Ускорение менее интенсивное, поскольку центр массы автомобиля при наборе скорости будет сдвигаться по направлению к задней оси, на которые мощность не передается. Поэтому очень часто можно наблюдать пробуксовку передних колес у этих автомобилей, попросту говоря, они теряют некоторой процент сцепление с дорогой.
  • Недостаточная поворачиваемость. Колеса выполняют сразу две функции: тяга и управление, что "не есть хорошо", задняя часть автомобиля абсолютно не задействована и просто катится вслед за передними колесами.
  • Из-за того, что шарнир равных угловых скоростей полностью совмещен с рулевым управлением, на машинах с FWD радиус поворота будет выше, чем в случае заднеприводного авто - и это надо учитывать, заранее тормозить перед тем, как входить в поворот.

Задний привод — Rear Wheel Drive (RWD)

Двигатель располагается спереди, крутящий момент передается через коробку передач, карданный вал и мост на заднюю ось колес. В заднем приводе все наоборот: ведущие колеса, которые вращаются за счет двигателя — задние. Крутящий момент передается на карданный вал, который связывает коробку передач и задний редуктор, в котором установлен дифференциал. Для карданного вала и части КПП в салоне автомобиля отведено специальное пространство — центральный туннель. Он гораздо больше, чем у автомобилей с передним приводом, у которых он либо только под выхлопную трубу, либо его вообще нет. Сегодня RWD встречается на старых авто и некоторых современных автомобилях премиум-класса (BMW, Toyota), а также устанавливается на спорткары. Особенно ценят задний привод любители дрифтинга.

Схема трансмиссии заднеприводного автомобиля
Схема трансмиссии заднеприводного автомобиля

Для чего нужен карданный вал. Карданный вал — это часть трансмиссии заднеприводных и полноприводных автомобилей. Он передает крутящий момент от КПП или раздаточной коробки к ведущей задней оси. Карданный вал сам по себе не требует какого-либо регулярного вмешательства, но расходники придется проверять и менять в любом случае. Чаще всего из строя выходят крестовины с подшипниками — они находятся с обеих сторон вала и отвечают за определенный угол его движения. Кардан может состоять из одной, двух и более секций — в зависимости от габаритов автомобиля.

Преимущества заднего привода:

  • Динамика, так как автомобили заднем приводе отличаются отличной динамикой разгона, потому что когда водитель нажимает на газ, вес машины передается на заднюю ось.
  • Кузов на заднеприводных автомобилях не вибрирует от работы двигателя вообще, что повышает комфорт пассажиров. (Если при движении чувствуется вибрация, а переключение передач сопровождается скрежетом, карданный вал придется балансировать).
  • Отсутствие ШРУСов на передних полуосях позволяет передним колесам поворачиваться на более значительный угол — отсюда хорошая маневренность и способность легко входить в повороты. Это происходит из-за того, что на авто с задним приводом передняя пара колес только задает траекторию поворота, уменьшается его радиус, что позволяет водителю удачно «вписываться» в изгибы дороги даже на большой скорости.

Недостатки заднего привода:

  • Прибавляется больше веса, так как вы получаете карданный вал и дополнительно трансмиссионный тоннель на всю длину автомобиля. Больший вес означает большую потерю мощности, снижение КПД, снижение расхода топлива.
  • Дополнительные компоненты увеличивают конечную стоимость автомобиля. Вы получите меньшего пассажирского и багажного пространства вследствие появления тоннеля и дифференциала на задней оси, над которым обычно располагается багажник.
  • Кроме того, поскольку вес, воздействующий на передние колеса уменьшается, они быстрее теряют сцепление на заснеженных дорогах, чем снижают безопасность поездок.
  • Дисбаланс распределения веса, часто приводит к тому, что заднеприводный автомобиль имеет избыточную поворачиваемость и при определенных условиях может легко пойти в занос.
  • Чрезмерная склонность к заносам, в особенности на скользком дорожном покрытии.
  • Проходимость, сравнительно с передним приводом немного ниже.
  • Несмотря на то что задний привод появился первым, его конструкцию нельзя назвать простой.

Полный привод

Полный привод (AWD)

All-Wheel Drive - современный этап эволюции подключаемого полного привода. Система полного привода AWD распределит мощность по всем колесам, но не всегда в равных пропорциях. Все четыре колеса начинают получать мощность, только в определенных ситуациях, которые требуются для этого. Такие как скользкая дорога или пересеченная местность. Плюсы и минусы системы AWD

Преимущества AWD:

  • Существует «полный привод по требованию», который активируется кнопкой в салоне или решением управляющей электроники.
  • Он более экономичен в плане топливного расхода, чем полноценный полный привод, при этом существенно помогает водителю в сложных ситуациях - крутой подъем, резкое ускорение и плохое покрытие дороги.
  • Особенностью автомобилей с AWD является «защита от дурака». То есть владелец может перед трудным участком дороги заблокировать муфту, чтобы полный привод остался включенным, но если электроника определит скорость как превышающую безопасную при данном режиме движения, муфта разблокируется.

Недостатки AWD:

  • Может произойти перегрев муфты из-за постоянного высокого трения. В этом случае муфта или перестает подавать крутящий момент, или вовсе выходит из строя.
  • Сложная конструкция.
  • Лишний вес.
  • Дороговизна обслуживания и ремонта.
  • По сравнению с классическим полным приводом, All-Wheel Drive менее долговечна и надежна.

Встречается два типа полного привода- постоянный (Full-Time) и подключаемый (Part-Time).


Постоянный полный привод (Full-Time) - пожалуй, самый технически сложный и дорогостоящий тип привода современных автомобилей. В данной конструкции присутствует и межосевой дифференциал, и межколесные дифференциалы для оптимального распределения передаваемой мощности на каждое колесо. А к межосевому дифференциалу прилагается и механизм его блокировки, который увеличивает проходимость автомобиля. В Full-Time крутящий момент перманентно передается на заднюю и переднюю ось, как правило, в соотношении 50/50.
Если крутящий момент постоянно передается на все четыре колеса, мы имеем дело с постоянным полным приводом —
Full Time 4WD. В машинах с таким приводом обе оси ведущие, а для распределения мощности между колесами и осями установлены межколесные и межосевой
дифференциалы.
Межосевой дифференциал — часть трансмиссии машин с двумя и более ведущими осями. За счет него происходит распределение крутящего момента между ними. Причем распределять мощность дифференциал может в сильно неравных долях, в зависимости от нагрузки на колеса. Устанавливают межосевой дифференциал в раздаточной коробке. Не обошлось без особенностей: через межосевой дифференциал тяга передается по пути наименьшего сопротивления, то есть туда, где наихудшее сцепление с покрытием.
Поэтому внедорожник 4WD может вполне может оказаться беспомощным, если у него увязнет всего одно колесо. Чтобы таких неловкостей не возникало, на автомобилях с постоянным полным приводом существует принудительная блокировка межосевого дифференциала. Один из вариантов этой конструкции — самоблокирующиеся дифференциалы типа Torsen.

В Part-Time по умолчанию задействуется одна ось, но при необходимости подключается и другая.
Подключаемый полный привод
(Part-Time) достаточно просто устроен: передний мост жестко подключен, задний подключается посредством простой механической муфты и никаких дифференциалов. Из-за такого жесткого зацепления, распределение крутящего момента по осям одинаковое. Такие автомобили обладают фантастической проходимостью, а вот на асфальте это заднеприводная техника, которая требует к себе особого отношения. В частности, такой тип подключаемого полного привода на дорогах с твердым покрытием оборачивается сниженной управляемостью. Высокая нагрузка на трансмиссию быстро выводит ее из строя. Покрышки стираются тоже достаточно быстро. Part-time, подключаемый полный привод. Она появилась раньше постоянного полного и отличается от него отсутствием межосевого дифференциала. По умолчанию ведет задняя ось, а передняя жестко подключается при необходимости: водитель выбирает, когда это сделать. Крутящий момент всегда распределяется по осям 50/50, поэтому автомобили с таким типом полного привода плохо подходят для движения по ровным дорогам, когда подключена передняя ось. На авто системы Part-time нельзя выезжать на ровную поверхность с подключенной передней осью: здесь нет дифференциала, и с включенным полным приводом все четыре колеса вращаются с одинаковой скоростью. Это провоцирует срыв в занос или снос, а еще убивает резину и трансмиссию.

Преимущество полноприводных автомобилей:

  • Их проходимость.
  • Машины с полным приводом практически не буксуют на старте.
  • Быстрая динамика.
  • Отсутствие пробуксовывания колес, малый риск заноса.
  • Оптимальное распределение крутящего момента по осям и колесам дает замечательную курсовую устойчивость автомобилю, особенно в поворотах.

Недостатки полноприводных автомобилей:

  • Сложность конструкции.
  • Обилие дополнительных устройств и управляющей электроники - все это сказывается и на стоимости автомобиля, и на стоимости его эксплуатации и ремонта.
  • Расход топлива на полноприводных автомобилях существенно выше за счет потери мощности в передаче крутящего момента сразу на две оси.
  • На льду могут уйти в занос ничуть не хуже моноприводных. В этом случае нужно учесть, что поведение полного привода при заносе похоже на поведение заднеприводного авто.
Конструкция полного привода
Конструкция полного привода

Итог

Каждый выбирает сам, какой привод ему больше подходит. По какому принципу водители выбирают, с каким приводом брать себе автомобиль?Для езды по городу лучше выбирать передний или задний привод. Сцепления с дорогой одной оси вполне хватит для уверенной езды по асфальту и трассе, а вы сэкономите не только на стоимости автомобиля, но и на его обслуживании и расходах на топливо. Для зимней эксплуатации купите хорошую зимнюю резину - этого хватит, чтобы чувствовать себя уверенно на дороге. Если снега в вашем регионе выпадает много, между задним и передним приводом выбирайте передний - за счет большого веса передней оси передние колеса имеют большее сцепление с дорогой, и шансов забуксовать и уйти в занос у вас будет меньше. Существуют, так называемые, "Паркетники",которые как компромиссный вариант между полным и передним приводом справятся с легким бездорожьем, вроде съезда с дороги на тропу и гравий, но не предназначены для того, чтобы «месить грязь».

Краткое заключение
Краткое заключение