Найти в Дзене
Меандр Радиолюбитель

Китайцы вон чо, а мы что? Мы тоже!

Всем доброго, вчера боролся с УВО самодельного осциллографа, подставлял костыли так сказать. В процессе сего интеллектуального соития плоти с железом пришла в бестолковку одна интересная мысль: а не скопировать ли - годами проверенную схему и не забабахать ли на её основе уже не пробник, а полноценный осциллоскоп?
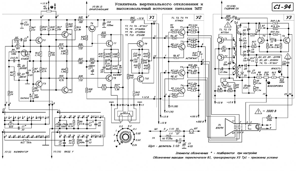
За основу хочу взять схему усилителя вертикального отклонения осциллографа С1-94, схема даже проще чем в предыдущем проекте, однако работала эта машинка чуть ли не в каждой теле-мастерской и "спасла" миллионы телеков и прочей техники времён СССР!
Схем этого не побоюсь слова - легендарного осциллоскопа в сети как блох на собаке, но главное! В кнопочной доступности имеются и чертежи печатных плат устройства - мне остаётся только переразвести печатку в "Спринте" и собрать УВО который со 100% вероятностью заработает без костылей! Вот так выглядит плата интересующего меня блока. Развести в Спринт-Лэйоут час делов, если кому интересно как это делается, то чуть позже это можно б

Всем доброго, вчера боролся с УВО самодельного осциллографа, подставлял костыли так сказать. В процессе сего интеллектуального соития плоти с железом пришла в бестолковку одна интересная мысль: а не скопировать ли - годами проверенную схему и не забабахать ли на её основе уже не пробник, а полноценный осциллоскоп?
За основу хочу взять схему усилителя вертикального отклонения осциллографа С1-94, схема даже проще чем в предыдущем проекте, однако работала эта машинка чуть ли не в каждой теле-мастерской и "спасла" миллионы телеков и прочей техники времён СССР!
Схем этого не побоюсь слова - легендарного осциллоскопа в сети как блох на собаке, но главное! В кнопочной доступности имеются и чертежи печатных плат устройства - мне остаётся только переразвести печатку в "Спринте" и собрать УВО который со 100% вероятностью заработает без костылей!

Вот так выглядит плата интересующего меня блока.

Развести в Спринт-Лэйоут час делов, если кому интересно как это делается, то чуть позже это можно будет почитать в "Дурдоме".
Схема прямо таки я скажу - будет по зубам даже новичку.

Изображение с сайта "Радиокот" https://m.radiokot.ru/forum/viewtopic.php?p=3884888
Изображение с сайта "Радиокот" https://m.radiokot.ru/forum/viewtopic.php?p=3884888

12 транзисторов, два из которых на отдельной плате.
Сами транзисторы без проблем заменяемы на дешевый импорт серий BC546 и 2N5401, как по частотам, так и по допустимым ВАХ озвученные транзисторы вполне подойдут. А вот с КП303 пока не понятно, отечественных полевиков в хозяйстве не имеется, а то, что есть - 2n7000 чуток не такие, применять буду в любом случае именно их, а это значит, что сперва вся схема отсимулируется в "Мультисиме", что я тоже обязательно опишу отдельной статьёй.
И вот мы подошли к самому вкусненькому!
Новый проект будет базироваться на новенькой трубке.... нет, на ТРУБИЩЕ просто титанических габаритов!

-3
-4
-5

Трубочку эту мне подарил подписчик и Автор канала "Шарапов", за что ему огромнейшее человеческое спасибо!!!
Аппарат в силу размеров ЭЛТ точно будет не портативным и даже не переносным, а еще он просто обязан быть двухканальным. Просто стыдно в таком огромном экране не иметь второго канала! Со схемой селектора еще не определился, вполне возможно, что её я тоже уворую и вполне возможно, что из Тектроникса 453А.
Так же для этого проекта есть вариант применения хороших галетных переключателей. Я как побирушка: автор канала "
Давайте разберём", пообещал выслать галетники по цене тех металлов, которые в оных присутствуют, это в любом случае должно быть дешевле чем брать на торговых площадках.

И еще: почему я выбрал в качестве образца С1-94? Всё по тому, что еще один подписчик хочет подарить мне пару КП305 и не за дорого продать именно этот осциллограф в рабочем состоянии но без трубки, а это значит, что у меня будет не только картинка с которой я скопирую некоторые узлы, но и реальный образец, в котором я смогу понюхать и измерить режимы интересующих меня узлов, ну то есть причесаться смотря не на тень, а в большое, в полный рост зеркало!
На этом пока всё, скоро увидимся, спасибо всем!