Найти в Дзене
ДКО Электронщик

Микросхемы MORNSUN: контроллеры источников питания и изоляторы

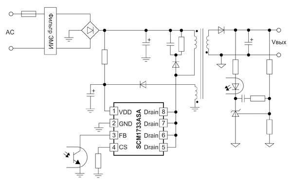
Компания MORNSUN больше известна как мировой лидер среди производителей источников питания. Однако она также проектирует и производит микросхемы для импульсных источников питания, гальванической изоляции сигналов, интерфейсов и другую продукцию. SCM17xx – контроллеры ШИМ для AC-DC преобразователей SCM1738ASA и SCM1733ASA (рис. 1) – контроллеры ШИМ для импульсных источников питания обратноходовой топологии. В обе микросхемы интегрирован силовой ключ, способный выдерживать напряжение 650 В. Коммутируемый ток ключа SCM1738ASA составляет 1 А, SCM1733ASA – 4 А.
Контроллеры работоспособны при температуре -40…125 °С, их питание составляет 10…26 В, имеется комплекс защит: OCP, OTP, OVP, UVLO и LEB.
SCM1738ASA выполнен в корпусе SOP7, обратная связь (ОС) осуществляется с дополнительной обмотки, являющейся и источником питающего напряжения. Мощность этого контроллера – 8 Вт, режимы работы – CV/СС. Внутренний алгоритм способен возместить падение напряжения по всей длине кабеля, чт

Компания MORNSUN больше известна как мировой лидер среди производителей источников питания. Однако она также проектирует и производит микросхемы для импульсных источников питания, гальванической изоляции сигналов, интерфейсов и другую продукцию.

SCM17xx – контроллеры ШИМ для AC-DC преобразователей

SCM1738ASA и SCM1733ASA (рис. 1) – контроллеры ШИМ для импульсных источников питания обратноходовой топологии. В обе микросхемы интегрирован силовой ключ, способный выдерживать напряжение 650 В. Коммутируемый ток ключа SCM1738ASA составляет 1 А, SCM1733ASA – 4 А.

Контроллеры работоспособны при температуре -40…125 °С, их питание составляет 10…26 В, имеется комплекс защит: OCP, OTP, OVP, UVLO и LEB.

SCM1738ASA выполнен в корпусе SOP7, обратная связь (ОС) осуществляется с дополнительной обмотки, являющейся и источником питающего напряжения. Мощность этого контроллера – 8 Вт, режимы работы – CV/СС. Внутренний алгоритм способен возместить падение напряжения по всей длине кабеля, что возможно в некоторых пределах регулировать резисторами делителя.

Контроллер SCM1733ASA в корпусе SOP8 позволяет обеспечить мощность источника питания до 20 Вт. Он нуждается в питании от дополнительной обмотки трансформатора ОС посредством оптопары со вторичной частью и работает в различных режимах:

  • штатном;
  • режиме со снижением частоты преобразования;
  • импульсном.
 
Рис. 1. Блок-схема SCM1733ASA
 
 SCM9603B – стартер ШИМ-контроллеров преобразователей AC-DC
Рис. 1. Блок-схема SCM1733ASA SCM9603B – стартер ШИМ-контроллеров преобразователей AC-DC

Назначение микросхемы SCM9603B – обеспечить питание преобразователя при первом включении источника питания. Она выполнена в корпусе SOT23-3 и работоспособна при температуре -40…125 °С.

Основные параметры SCM9603B:

  • Вход: 4… 85 В;
  • Выход: 7.52…10.6 В;
  • Ток: 2.3 мА на первом этапе, 20 мА на втором;
  • Защита от перегрева и КЗ;
  • Определение неисправного байпасного конденсатора

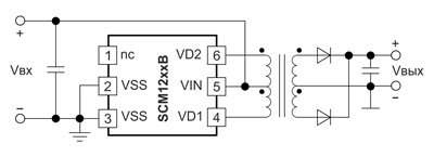
SCM12xx – контроллеры ШИМ для изолированных DC-DC преобразователей

 
Рис. 2. SCM12xxB
 
Параметры SCM12xx (рис. 2):
Рис. 2. SCM12xxB Параметры SCM12xx (рис. 2):
  • Двухтактный метод;
  • Интегрированный силовой ключ с максимальным током 600 мА;
  • Входное напряжение: 2.5…6 В;
  • Частота работы преобразователя: в пределах 0.195…0.245 МГц;
  • Температура эксплуатации: -40…150 °С;
  • Корпус: SOT23-6 у SCM1201AMA и SOT23-5 у SCM1212BTA (данные ШИМ-контроллеры различаются распиновкой);
  • Плавный запуск, защита от КЗ, OTP, UVLO;
  • Работа с большой емкостной нагрузкой;
  • AEC-Q100;
  • Малое магнитное смещение в сердечнике трансформатора

SCM13xx – контроллеры ШИМ для неизолированных DC-DC преобразователей

 
Рис. 3. SCM1301A
 
Параметры SCM1301A (рис. 3):
Рис. 3. SCM1301A Параметры SCM1301A (рис. 3):
  • Асинхронный метод;
  • Интегрированный силовой ключ с максимальным током 1 А;
  • Входное напряжение: в пределах 4.5…40 В;
  • Работа на частоте 0.7 МГц;
  • Температура эксплуатации: -40…125 °С;
  • Корпус: SOT23-6L
Важной особенностью данной интегральной микросхемы является малое потребление – всего 46 мкА.
 
  
Рис. 4. SCM1316AFA
 
Особенности SCM1316AFA (рис. 4):
Важной особенностью данной интегральной микросхемы является малое потребление – всего 46 мкА. Рис. 4. SCM1316AFA Особенности SCM1316AFA (рис. 4):
  • Синхронный метод;
  • Возможность работы в конфигурациях «1 выход» или «2 выхода»;
  • Интегрированный силовой ключ с максимальным током 6 А;
  • Входное напряжение: в пределах 7…38 В;
  • Частота преобразования, задающаяся внешним резистором в пределах 0.13…0.3 МГц;
  • Температура эксплуатации: -40…150 °С;
  • Корпус: QFN20

SCM372x, TD51 и TD541 – гальванические изоляторы цифровых сигналов

Изоляторы этих серий способны работать при температуре -40…125 °С, необходимое питание составляет 3…5.5 В.

 
Рис. 5. Блок-схемы SCM372x
Рис. 5. Блок-схемы SCM372x

Серия SCM372x (рис. 5) представлена 4 вариантами микросхем со следующими характеристиками:

  • Корпус: SOP8;
  • Изоляция: 3 кВ ;
  • Количество цифровых линий: 2 (у SCM3723ASA и SCM3728ASA направлены в одну сторону, у SCM3721ASA и SCM3725ASA – в разные);
  • Стойкость к синфазным переходным процессам (CMTI), кВ/мкс:SCM3721ASA, SCM3723ASA: ±150;
    SCM3725ASA, SCM3728ASA: ±75
  • Скорость передачи данных:SCM3721ASA, SCM3723ASA: 150 кбит/с;
    SCM3725ASA, SCM3728ASA: 10 Мбит/с

Выходы SCM3728ASA по умолчанию имеют низкий уровень сигнала, у остальных изоляторов – высокий.

Главное отличие серий
TD51S и TD541S от SCM372x – встроенный источник изолированного питания. 4 канала данных выполнены во всех сочетаниях направлений (рис. 6).

 
Рис. 6. Маркировка TD51S и TD541S, в зависимости от маршрутизации линий
Рис. 6. Маркировка TD51S и TD541S, в зависимости от маршрутизации линий

Характеристики серий TD51S и TD541S:

  • Отображение состояния выходов при включении логических 0 или 1 (маркировка «L» или «H»);
  • Напряжение питания, В DC: TD51xx – 3…5.5, TD541xx – 4.75…5.25;
  • Корпус: TD51S у SOIC16WB, TD541S у DFN16;
  • Изоляция: 5 кВ;
  • Выход DC-DC преобразователя TD541S составляет 5 В, TD51Sxx – 3.3/5 В (определяется входом SEL);
  • Передача данных со скоростью 150 Мбит/с

Неизолированные и изолированные интерфейсы RS485 и CAN

Компания MORNSUN предлагает решения по построению каналов связи RS485 и CAN, работающих при температуре -40…125 °C и обладающих защитными функциями от различных физических проблем на шинах.

SCM3406ASA – трансивер интерфейса RS485:

  • Питание: 3…5.5 В DC;
  • Корпус: SOP8;
  • Передача данных со скоростью 10 Мбит/с;
  • До 256 узлов;
  • Наличие входного фильтра и защиты от КЗ;
  • 15 кВ ESD

SCM3425ASA – трансивер интерфейса CAN:

  • Питание: 4.5…5.5 В;
  • Корпус: SOP8;
  • CAN FD, AEC-Q100;
  • Передача данных со скоростью 5 Мбит/с;
  • До 110 узлов;
  • Наличие температурной защиты и от перегрузки
 
Рис. 7. TDA51S485HC
 
Изолированный трансивер TDA51S485HC (рис. 7) интерфейса RS485:
Рис. 7. TDA51S485HC Изолированный трансивер TDA51S485HC (рис. 7) интерфейса RS485:
  • Питание: 3.5…5.5 В;
  • Корпус: SOIC16WB;
  • Изоляция: 5 кВ;
  • Передача данных со скоростью 500 кбит/с;
  • До 256 узлов

Изолированный трансивер TDA51SCANHC интерфейса CAN:

  • Питание: 4.5…5.5 В;
  • Корпус: SOIC16WB;
  • Изоляция: 5 кВ;
  • Передача данных со скоростью 1 Мбит/с;
  • До 110 узлов

Микросхемы производства компании MORNSUN позволяют расширить список альтернативных компонентов для отечественных разработчиков, а в ряде случаев улучшить характеристики устройств и/или уменьшить их стоимость. Все вышеперечисленные компоненты отвечают требованиям стандартов РФ.

-8

Производители: MORNSUN

Разделы: Цифровые изоляторы, Интерфейсы RS-485 RS-422, Интерфейсы CAN, Контроллеры для AC-DC, Контроллеры для DC-DC, DC-DC преобразователи, Дополнительные контроллеры питания