Найти в Дзене
Электромеханика

Двери шахты и кабины лифта

Двери шахты и кабины,автоматические и неавтоматические замки дверей шахты,блок-контакты контроля запирания дверей шахты автоматическими и неавтоматическими замками,блок-контакты дверей кабины, автоматические приводы дверей. Распашные двери шахты лифтов Двери на лифтах предназначаются для закрывания всех входных и погрузочных проемов в шахте.
Распашные двери шахты представляют собой каркасы, сваренные из стальных уголков 50X50 мм. Свободное пространство между уголками затягивается сеткой или заделывается стальным листом.При изготовлении двери используются следующие материалы: металлические листы толщиной не менее 1,4 мм, металлическая сетка из проволоки диаметром не менее 1,2 мм с отверстиями в сетке не более 20 мм. в стороне, причем при сетчатом ограждении дверь на высоту 1000 мм. от пола ограждается стальным листом толщиной не менее 1,4 мм. ;стекло толщиной не менее 8 мм, при этом должно быть выполнено то же условие, что и для сетчатого ограждения.
Высота дверей должна быть

Двери шахты и кабины,автоматические и неавтоматические замки дверей шахты,блок-контакты контроля запирания дверей шахты автоматическими и неавтоматическими замками,блок-контакты дверей кабины, автоматические приводы дверей.

Распашные двери шахты лифтов

Двери на лифтах предназначаются для закрывания всех входных и погрузочных проемов в шахте.
Распашные двери шахты представляют собой каркасы, сваренные из стальных уголков 50X50 мм. Свободное пространство между уголками затягивается сеткой или заделывается стальным листом.При изготовлении двери используются следующие материалы: металлические листы толщиной не менее 1,4 мм, металлическая сетка из проволоки диаметром не менее 1,2 мм с отверстиями в сетке не более 20 мм. в стороне, причем при сетчатом ограждении дверь на высоту 1000 мм. от пола ограждается стальным листом толщиной не менее 1,4 мм. ;стекло толщиной не менее 8 мм, при этом должно быть выполнено то же условие, что и для сетчатого ограждения.
Высота дверей должна быть: не менее 2000 мм. у лифтов, в кабину которых предусмотрен вход людей, не менее 2200 мм. у грузовых лифтов, загружаемых средствами напольного транспорта, не более 1000 мм. у лифтов грузовых малых.
Высота двери измеряется от уровня пола до верхней обвязки дверного проема, выступающие детали размером не более 50 мм в расчет не принимаются.Шахтные двери лифта должны иметь смотровые отверстия, за исключением дверей, которые открываются автоматически. Ширина смотрового отверстия должна быть не более 120 мм. Если площадь остекления не превышает 300 см2, применяют стекло толщиной не менее 4 мм, а при большей площади остекления — не менее 8 мм.
У лифтов, устанавливаемых в жилых зданиях, стекло со стороны шахты ограждают сеткой или решеткой.
На двери шахты этажа, на котором кабину останавливают на длительное время или ремонт (кроме лифтов с автоматическими дверями), устанавливают дополнительный замок.В пассажирских лифтах обвязку створок дверей шахты, обращенную внутрь шахты и образующую впадины, снабжают скосами, исключающими возможность пассажирам, находящимся внутри кабины, стать на обвязку двери шахты или на порог этаж ной площадки при закрытой двери шахты. Скосы должны быть выполнены под углом не менее 75° к горизонтали.

Автоматические и неавтоматические замки распашных дверей шахты лифтов, блок-контакты контроля запирания двери шахты неавтоматическими и автоматическими замками, блок-контакты контроля притвора дверей шахты

Автоматическими замками лифты оборудуются для того, чтобы запереть двери шахты, если кабина поднялась выше или опустилась ниже уровня посадочной (загрузочной) площадки на 150 мм. и более.
Неавтоматические замки удерживают двери шахты в закрытом положении Рассмотрим устройство и работу автоматических и неавтоматических замков лифта модели КМЗ 1958.
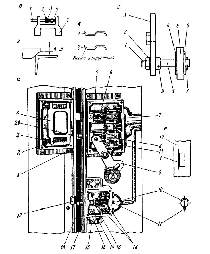
Автоматическими называются такие замки (рис. 1 справа), которые без участия пассажира автоматически запирают двери шахты при уходе кабины с этажа неавтоматические замки (рис. 1 слева) снабжены ручками, при помощи которых отпирают двери шахты вручную.Автоматический замок, состоящий из ригеля 14, внутреннего 16 и внешнего 21 рычагов, жестко укрепленных на оси, смонтирован в металлическом или капроновом корпусе. Устанавливается автоматический замок на площадке портала. В полке притворного стояка 25, а также в притворном уголке 24 двери шахты имеются отверстия для прохода ригеля.
Когда кабина находится на этаже дверь шахты не заперта, так как механической отводкой рычаг 21 повернут вокруг оси по часовой стрелке и ригель внутренним рычагом 16 отведен в правое положение Перекрывавший до этого полки притворного уголка двери шахты и притворного стояка конец ригеля теперь утоплен или находится заподлицо с этой полкой и дверь шахты можно открыть. При уходе кабины с этажа на 150 мм. и более ролик 20 сходит с лыжи механической отводки под действием пружины 18 (на рис. 1,а виден конец этой пружины, который находится в регулировочном отверстии корпуса замка), ригель входит в отверстие притворного уголка шахты и запирает ее. Теперь дверь отпереть снаружи шахты невозможно, так как при повороте ручки 2 с обратной стороны двери шахты рычаг 23 будет упираться в конец ригеля.

Рис. 1. Автоматический и неавтоматический замки дверей шахты лифтов модели КМЗ-1958.
а — конструкция, 1 — болт для крепления ручки, 2 — ручка внутренняя; 3 — пружина, 4 — ограничитель хода засова, 5 — болт для крепления неавтоматического замка, 6 — засов, 7 — упор, 8 — болт для крепления автоматического замка, 9 — упор, 10 — блок контакт контроля притвора двери шахты,11 — блок контакт контроля запирания двери шахты автоматическим замком, 12 — держатель упора, 13 — упор, 14 — ригель, 15 — блок-контакт контроля запирания двери шахты неавтоматическим замком, 16— внутренний рычаг автоматического замка, 17 — корпус замка, 18— пружина 19— гайка для фиксирования положения стяжного болта, 20 — резиновый ролик, 21 — внешний рычаг автоматического замка, 22 — стяжной болт, 23 — рычаг неавтоматического замка, 24 — полка притворного уголка двери шахты, 25 — полка уголка притворного стояка,б — отверстия в уголке притворного стояка, 1 — засов неавтоматического замка; 2 — полка уголка притворного стояка, 3 — ригель,в — отверстия в полке притворного уголка двери шахты, 1 — засов неавтоматического замка, 2—полка притворного уголка, 3 —ригель, г — силы, действующие на засов неавтоматического замка при закрывании двери, д — силы, действующие на упор и шток блок контакта контроля притвора двери шахты.
Рис. 1. Автоматический и неавтоматический замки дверей шахты лифтов модели КМЗ-1958. а — конструкция, 1 — болт для крепления ручки, 2 — ручка внутренняя; 3 — пружина, 4 — ограничитель хода засова, 5 — болт для крепления неавтоматического замка, 6 — засов, 7 — упор, 8 — болт для крепления автоматического замка, 9 — упор, 10 — блок контакт контроля притвора двери шахты,11 — блок контакт контроля запирания двери шахты автоматическим замком, 12 — держатель упора, 13 — упор, 14 — ригель, 15 — блок-контакт контроля запирания двери шахты неавтоматическим замком, 16— внутренний рычаг автоматического замка, 17 — корпус замка, 18— пружина 19— гайка для фиксирования положения стяжного болта, 20 — резиновый ролик, 21 — внешний рычаг автоматического замка, 22 — стяжной болт, 23 — рычаг неавтоматического замка, 24 — полка притворного уголка двери шахты, 25 — полка уголка притворного стояка,б — отверстия в уголке притворного стояка, 1 — засов неавтоматического замка; 2 — полка уголка притворного стояка, 3 — ригель,в — отверстия в полке притворного уголка двери шахты, 1 — засов неавтоматического замка, 2—полка притворного уголка, 3 —ригель, г — силы, действующие на засов неавтоматического замка при закрывании двери, д — силы, действующие на упор и шток блок контакта контроля притвора двери шахты.

Неавтоматический замок, состоящий из засова 6, наружной и внутренней ручек 2 с рычагом 23, смонтированных в металлическом или капроновом корпусе, установлен на площадке двери шахты. В притворном уголке 24 двери шахты и в притворном стояке 25 устроены отверстия для прохода засова. Конец засова имеет скос, выполненный под углом 45°, обращенный к притворному стояку (рис. 1,г).
При открытой двери шахты (кабина находится на данном этаже) засов выступает за пределы притворного уголка двери шахты и перекрывает притворный стояк. Дальнейшее перемещение засова под действием пружины ограничивается ограничителем 4 хода засова, укрепленным на конце хвостовика засова.
При закрывании двери шахты засов (рис. 1, г) сначала касается скошенной частью угла притворного стояка. Далее под действием приложенного к двери шахты усилия засов перемещается в сторону сжатия пружины (влево, в сторону действия силы F2). При дальнейшем закрывании двери шахты торец засова сравнивается с поверхностью торцовой полки притворного стояка, скользит по этой поверхности и, остановившись напротив отверстия, под действием сжатой пружины входит в это отверстие. Таким образом, дверь шахты будет удерживаться в закрытом положении и может быть открыта только после поворота ручки 2 с этажной площадки или из кабины.
В процессе эксплуатации в результате осадки дверей шахты или по какой-либо другой причине засов неавтоматического замка или ригель могут не войти в соответствующие им отверстия и дверь окажется после ухода кабины с этажа незапертой, а при нахождении кабины на этаже она после прикрытия откроется. Чтобы этого не случилось, каждый замок контролируется блокировочным контактом (блок-контактом), включенными в цепь управления лифтом. Если какой-либо контакт находится в разомкнутом положении, при нажатии кнопок приказа или вызова кабина в ход не пойдет.
Исправность действия автоматического замка контролирует блок-контакт 11 (на электрических схемах лифтов ДЗ). Его размыкающий контакт (P-контакт) включен в цепь управления лифтом. Когда ригель входит в отверстие притворного уголка двери шахты (дверь шахты заперта), упор 13 (см. рис. 1,а) и шток блок-контакта находятся в опущенном положении в выемке ригеля, его размыкающий контакт 1, I замкнут. Если по какой-либо причине (поломка пружины, затирание, осадка двери шахты) после освобождения рычага 21 ригель не войдет в отверстие притворного уголка двери шахты или войдет не полностью, контакт останется в разомкнутом положении и кабина в ход не пойдет, так как выемка ригеля будет находиться в стороне и упор 13 будет находиться на цилиндрической поверхности ригеля, т. е. в поднятом положении.
При отпирании двери шахты (ригель выходит из отверстия в притворном стояке двери шахты) упор 13 перемещается по скосу в выемке ригеля вверх, действует на шток блок-контакта и последний размыкает электрическую цепь управления лифтом.
Исправность неавтоматического замка контролирует блок-контакт 15 (на электрических схемах лифтов ДШ), который исключает возможность пуска кабины лифта в ход при открытой двери шахты. Его замыкающий контакт (з-контакт) включен в цепь управления лифтом. Если он не замкнут, то при нажатии кнопки вызова или приказа аппараты, подающие напряжение на электродвигатель, не срабатывают. При закрывании двери шахты, входящий под действием пружины в окно притворного стояка 25, засов давит на упор 7, который вместе со штоком блок-кон-такта 15 перемещается вправо, и контакт II замыкается.
Блок-контакт 10 (на электрических схемах лифтов ДДШ) контролирует притвор двери шахты и включен также в электрическую цепь управления лифтом. При закрывании двери шахты торцовая полка уголка сначала касается скошенной части упора (см, рис. 1, д), далее под действием приложенного к двери шахты усилия на закрывание упор перемещается в сторону сжатия пружины блок-контакта (вправо). При дальнейшем закрывании двери, когда засов входит в отверстие притворного стояка, упор не перемещается, под действием пружины блок-контакта он прижат к полке притворного уголка двери шахты, контакт // блок-контакта 10 замкнут и лифт готов к работе.
Автоматическими и неавтоматическими замками оборудуют все двери шахты лифтов с наружным вызовом порожней кабины, через которые осуществляются вход и выход пассажиров в кабину, а также погрузка или выгрузка грузов. Все автоматические и неавтоматические замки снабжены блок-контактами, причем все контакты ДШ и ДДШ включены последовательно. Отдельную электрическую цепь образуют последовательно соединенные контакты ДЗ. Иногда их включают последовательно с контактами ДШ и ДДШ. Таким образом, при размыкании любого из этих контактов кабину в ход пустить невозможно.
На рисунках 1, б и 1, в даны установочные зазоры, которые необходимо соблюдать при установке новых и регулировке старых замков, чтобы исключить возможность заедания засова или ригеля при входе в соответствующие им отверстия в притворном стояке 25 или в притворном уголке 24 двери шахты, так как она в процессе эксплуатации лифта осаживается. Указанные неисправности обычно приводят к перебоям в работе лифта, так как засовы неавтоматических или ригели автоматических замков не будут взаимодействовать с блок-контактами. На рис. 1, б видно, что зазоры между засовом неавтоматического замка и кромками отверстия в притворном стояке должны быть: 2—4 мм снизу, не менее 1 мм сверху.
Зазоры между ригелем и кромками отверстия в притворном уголке двери шахты (рис. 1, в) должны быть: 2—4 мм. сверху, не менее 1 мм. снизу. Зазор между притворной планкой двери шахты и притворным стояком должен быть не более 2 мм.
Принципиальной разницы в работе автоматических и неавтоматических замков лифтов ЭМИЗ (рис. 2, а) по сравнению с рассмотренными замками нет. Имеется лишь некоторая разница в устройстве деталей и в расположении блок-контактов. Так, блокировочный контакт ДДШ 15 установлен отдельно. Шток 10 скоса не имеет, а головка его имеет сферическую форму. Роль скоса выполняет площадка 19 на торцевой полке притворного уголка двери шахты под углом к этой полке не более 30°—45° Угол загиба регулируется при установке блок-контакта.

Рис. 2 Автоматический и неавтоматический замки дверей шахты лифта модели ЭМИЗ а — конструкция, 1 — болт для крепления корпуса неавтоматического замка, 2 —пружины, 3— направляющие шпильки, 4 — щеколда, 5 — контргайка, 6 — регулировочный болт, 7 — блок контакт контроля запирания двери шахты неавтоматическим замком, 8 — блок контакт контроля запирания двери шахты автоматическим замком, 9 — рычаг автоматического замка, 10 — шток блок контакта, 11 — шплинт, 12— контактные стойки, 13— кольцо барабанчика, 14 — винт для крепления изолирующей платы блок контакта, 15 — корпус блок контакта, 16 — болт для крепления корпуса блок-контакта^ 17 — полка притворного стояка, 18 — полка притворного уголка двери шахты, 19 — нажимная площадка, 20 — ригель, б — рычаг автоматического замка, 1 — гайка, 2 — плоская шайба, 3 — рычаг автоматического замка, 4 — плоские шайбы, 5 — резиновый ролик: 7 — шплинт, 8 — штифт, 9 — гайка, в — контактные лапки блок контакта контроля притвора двери шахты; 1— контактная лапка до обработки, 2 — контактная лапка после обработки, г — засов и уголок притворного стояка двери шахты, д — узел возврата щеколды в исходное положение, 1 — направляющая шпилька 2 — шплинт, 3 — шайба, 4 — пружина, 5 — щеколда, е — отверстие в полке уголка.
Рис. 2 Автоматический и неавтоматический замки дверей шахты лифта модели ЭМИЗ а — конструкция, 1 — болт для крепления корпуса неавтоматического замка, 2 —пружины, 3— направляющие шпильки, 4 — щеколда, 5 — контргайка, 6 — регулировочный болт, 7 — блок контакт контроля запирания двери шахты неавтоматическим замком, 8 — блок контакт контроля запирания двери шахты автоматическим замком, 9 — рычаг автоматического замка, 10 — шток блок контакта, 11 — шплинт, 12— контактные стойки, 13— кольцо барабанчика, 14 — винт для крепления изолирующей платы блок контакта, 15 — корпус блок контакта, 16 — болт для крепления корпуса блок-контакта^ 17 — полка притворного стояка, 18 — полка притворного уголка двери шахты, 19 — нажимная площадка, 20 — ригель, б — рычаг автоматического замка, 1 — гайка, 2 — плоская шайба, 3 — рычаг автоматического замка, 4 — плоские шайбы, 5 — резиновый ролик: 7 — шплинт, 8 — штифт, 9 — гайка, в — контактные лапки блок контакта контроля притвора двери шахты; 1— контактная лапка до обработки, 2 — контактная лапка после обработки, г — засов и уголок притворного стояка двери шахты, д — узел возврата щеколды в исходное положение, 1 — направляющая шпилька 2 — шплинт, 3 — шайба, 4 — пружина, 5 — щеколда, е — отверстие в полке уголка.

Несколько иначе устроен автоматический замок и сблокированный с ним блок-контакт ДЗ. Здесь между ригелем 20 и штоком блок-контакта 8 установлена компенсирующая пружина. Дело в том, что часть ригеля, выступающая за пределы торцовой полки притворного стояка длиннее, чем ход штока блок-контакта. При непосредственном воздействии ригеля на шток блок-контакта при отпирании двери шахты ригель не станет заподлицо с полкой притворного стояка и дверь шахты не откроется Наличие компенсирующей пружины дает возможность ригелю установиться заподлицо с полкой притворного стояка, так как после прекращения движения штока блок-контакта ригель продолжает перемещаться за счет зазоров между витками пружины. Ригель связан с рычагом 9 при помощи винта или выступа 21.
Иначе устроен и неавтоматический замок Здесь засов состав ляет одно целое с щеколдой 4, которая перемещается по двум направляющим шпилькам 3 и под действием пружин 2 при закрытой или открытой двери прижимается к корпусу замка. При закрывании двери шахты засов действует на упор, который перемещается вместе со штоком вправо и контакт ДШ замыкается. При открытой двери шахты контакт разомкнут.
Блок-контакты ЛКБ-31, используемые в качестве контактов ДШ, ДДШ и ДЗ, имеют один замыкающий (з-контакт) и один размыкающий (p-контакт) 3-контакт разомкнут при отсутствии взаимодействия на шток.
В рассматриваемых моделях лифтов в качестве контактов ДШ и ДДШ использованы з-контакты, в качестве контакта ДЗ — р-контакты.

Электромагнитная отводка

Электромагнитная отводка состоит из электромагнита и механической отводки (рис. 3)
Электромагнит отводки предназначен для создания тягового усилия, достаточного для того, чтобы поднять груз механической отводки, отвести лыжу 5 от ролика рычага автоматического замка при уходе кабины с этажа и удерживать ее таким образом, чтобы лыжа отводки не задевала по пути движения кабины ролики автоматических замков на других этажах Механическая отводка служит для отпирания двери шахты.
Электромагнит отводки состоит из цилиндрического корпуса 11 (рис. 4), укрепленного на кронштейне 8. При помощи кронштейна электромагнит крепится на крыше кабины. Внутри стального корпуса 11 расположена катушка 4, два выводных конца 5 от которой выведены на клеммный щит 7. Внутри катушки укреплена латунная гильза, в которой перемещается стальной якорь 10 Сверху электромагнит закрыт крышкой 1, снизу—круглой гайкой 9 Стальной якорь и корпус являются магнитопроводом электромагнита (В последних моделях электромагниты отводок крышкой 1 не снабжаются). Механическая отводка состоит из груза 10 (рис. 3), лыжи 5, кронштейна 6, соединительных планок 8, 9. При помощи кронштейна 6 механическая отводка крепится к передней стороне купе кабины 4. Механическая отводка связана с якорем электромагнита тягой 12. Груз создает необходимое усилие на рычаг автоматического замка.

Рис. 3. Механическая отводка и электромагнит отводки: 1 — верхняя крышка; 2 — корпус электромагнита; 3 — кронштейн электромагнита; 4 — купе кабины; 5—лыжа отводки; 6 — кронштейн отводки; 7 — соединительный палец, 8, 9 — соединительные планки; 10 — груз; 11 — контргайка; 12 — тяга, 13—соединительный палец;14— круглая гайка.
Рис. 3. Механическая отводка и электромагнит отводки: 1 — верхняя крышка; 2 — корпус электромагнита; 3 — кронштейн электромагнита; 4 — купе кабины; 5—лыжа отводки; 6 — кронштейн отводки; 7 — соединительный палец, 8, 9 — соединительные планки; 10 — груз; 11 — контргайка; 12 — тяга, 13—соединительный палец;14— круглая гайка.
Рис. 4. Электромагнит отводки ЭМО-602: 1 — верхняя крышка; 2 — амортизационная прокладка; 3 — крышка; 4— катушка; 5 — выводные провода; 6 — крышка клеммного щитка, 7 — клеммный щит; 8 — кронштейн, 9 — нижняя гайка; 10 -- якорь; 11 — корпус.
Рис. 4. Электромагнит отводки ЭМО-602: 1 — верхняя крышка; 2 — амортизационная прокладка; 3 — крышка; 4— катушка; 5 — выводные провода; 6 — крышка клеммного щитка, 7 — клеммный щит; 8 — кронштейн, 9 — нижняя гайка; 10 -- якорь; 11 — корпус.

Принцип работы электромагнита отводки заключается в том, что при подаче напряжения на катушку по ее виткам начинает протекать электрический ток, который создает в магнитопроводе магнитный поток. Этот поток усиливается магнитопроводом и создает тяговое усилие, под действием которого якорь перемещается по направлению к верхней крышке электромагнита.
При снятии напряжения с катушки и исчезновении магнитного потока якорь возвращается в исходное положение. Так как якорь механически связан с грузом механической отводки, то при втягивании якоря, груз поднимается, пластины 8, 9 перемещаются и лыжа 5 приближается к грузу, освобождая рычаг автоматического замка. На рис. 3 якорь втянут, а лыжа прижата к грузу. При исчезновении питания якорь электромагнита занимает первоначальное положение, и лыжа отводки действует на рычаг автоматического замка. В облегченных отводках, устанавливаемых на лифтах ЭМИЗ, отсутствие груза частично компенсируется пружиной.

Раздвижные двери шахты

Назначение раздвижных дверей шахты такое же, как и распашных. К ним предъявляются аналогичные требования Правил. Устройство смотровых отверстий в этих дверях необязательно. Двери шахты имеют по две створки и состоят из верхней балки, створок и порога. На рис. 5 показана верхняя балка двери шахты. На верхней балке установлены следующие узлы; правая и левая линейки 29; каретки 16 и 25; автоматические замки; блок-контакты ДЗ (3) для левой и правой створки; блок-контакт ДШ (9). Снизу к кареткам жестко крепятся на шпильках 22 створки 19 и 21 двери шахты. Внизу у кромки этажной площадки установлен порог 3 (рис. 6, а) двери шахты, который крепится к вертикальным стоякам стальными уголками. Эти стояки скрепляют верхнюю балку с порогом и служат опорными частями для портала. К нижним торцевым частям створок двери шахты прикреплены по два башмачка 1 на каждую створку.
Верхняя балка 27 (см. рис. 5) двери шахты используется в качестве несущей части для дверей шахты и предназначена для установки и крепления на ней указанных узлов.
Верхняя балка двери шахты выполнена из стального листа толщиной 3 мм и четырьмя болтами крепится над дверным проемом к стене шахты (на рис. 5 в углах балки видны крепежные отверстия). Направляющие линейки 29 (левая и правая) используются в качестве опор для кареток двери шахты. Они выполнены из стали. Верхние кромки их имеют полукруглый профиль. По этим линейкам свободно перемещаются каретки 16 и 25. Линейки крепятся: по краям — болтами (на шпильках — гайками) 30, в середине — болтом 18. Направляющие линейки расположены наклонно к центру, поэтому створки закрываются самопроизвольно.

Рис. 5. Верхняя балка двери шахты лифтов с раздвижными дверями и с автоматическим приводом: 1— болт для крепления кронштейна блок-контакта; 2— винт для крепления корпуса блок-контакта; 3 — блок-контакт контроля запирания створки двери шахты автоматическим замком; 4— винты для крепления крышки блок-контакта; 5 — болт для крепления кронштейна; 6 — фиксирующая пластина; 7 — кронштейн защелки; 8 — болт для крепления кронштейна блок-контакта; 9 — блок-контакт контроля притвора створок; 10— винт для крепления крышки блок-контакта; 11, 14 — ролики кареток; 12, 33 — рычаги; 13 — ролик; 15, 20, 26—контрролики; 16— каретка правая; 17, 30 — боковые болты для крепления линеек; 18 — центральный болт для крепления линеек; 19 — правая створка двери шахты; 21 — левая створка двери шахты; 22—шпилька; 23, 24 — гайки для крепления створок двери шахты к кареткам; 25 — левая каретка; 27 — верхняя балка двери шахты; 28 — ролик рычага механизма открывания створки; 29 — линейка левая; 31 — ролик; 32 — палец; 34 — защелка; 35 — ролик защелки; 36 — площадка.
Рис. 5. Верхняя балка двери шахты лифтов с раздвижными дверями и с автоматическим приводом: 1— болт для крепления кронштейна блок-контакта; 2— винт для крепления корпуса блок-контакта; 3 — блок-контакт контроля запирания створки двери шахты автоматическим замком; 4— винты для крепления крышки блок-контакта; 5 — болт для крепления кронштейна; 6 — фиксирующая пластина; 7 — кронштейн защелки; 8 — болт для крепления кронштейна блок-контакта; 9 — блок-контакт контроля притвора створок; 10— винт для крепления крышки блок-контакта; 11, 14 — ролики кареток; 12, 33 — рычаги; 13 — ролик; 15, 20, 26—контрролики; 16— каретка правая; 17, 30 — боковые болты для крепления линеек; 18 — центральный болт для крепления линеек; 19 — правая створка двери шахты; 21 — левая створка двери шахты; 22—шпилька; 23, 24 — гайки для крепления створок двери шахты к кареткам; 25 — левая каретка; 27 — верхняя балка двери шахты; 28 — ролик рычага механизма открывания створки; 29 — линейка левая; 31 — ролик; 32 — палец; 34 — защелка; 35 — ролик защелки; 36 — площадка.
Рис. 6. Установочные зазоры в оборудовании дверей шахты и кабины: а — порог двери шахты: 1 — башмачок;2 — камуфляж; 3 — порог двери шахты; 4 — гайка для крепления башмачка;
б — обрамление портала и створа двери шахты- 1 — обрамление портала; 2 — створка; 3 — камуфляж; 4 — амортизационная резина;
в — оборудование верхней балки двери шахты и порог двери кабины 1 — шпилька; 2 - гайка для крепления створки; 3 — контрролик; 4 — линейка; 5 — ролик каретки; 6 — ролик рычага; 7 — порог двери кабины; 8 — створка двери шахты;
г — автоматический замок двери шахты и механизм открывания створок 1 — ролик защелки; 2— защелка; 3 — фиксирующая пластина; 4 — ролик рычага; 5 — рычаг; 6 — гайка и контргайка для крепления пальца; 7 — палец.
Рис. 6. Установочные зазоры в оборудовании дверей шахты и кабины: а — порог двери шахты: 1 — башмачок;2 — камуфляж; 3 — порог двери шахты; 4 — гайка для крепления башмачка; б — обрамление портала и створа двери шахты- 1 — обрамление портала; 2 — створка; 3 — камуфляж; 4 — амортизационная резина; в — оборудование верхней балки двери шахты и порог двери кабины 1 — шпилька; 2 - гайка для крепления створки; 3 — контрролик; 4 — линейка; 5 — ролик каретки; 6 — ролик рычага; 7 — порог двери кабины; 8 — створка двери шахты; г — автоматический замок двери шахты и механизм открывания створок 1 — ролик защелки; 2— защелка; 3 — фиксирующая пластина; 4 — ролик рычага; 5 — рычаг; 6 — гайка и контргайка для крепления пальца; 7 — палец.

Каретки двери шахты служат для крепления к ним створок двери шахты и перемещения их по направляющим линейкам. Каждая каретка опирается на линейки 29 при помощи двух роликов 11 (левого и правого). Ролики выполнены из капрона и имеют канавки полукруглого сечения, которые охватывают верхнюю полукруглую кромку линейки.
Устройство роликов показано на рис. 7, 8. Ролики легко вращаются на шарикоподшипниках 2 (рис. 8). Ось каждого ролика жестко прикреплена к каретке гайкой 6.
Чтобы исключить осевое смещение ролика, после установки подшипника последний стопорят кольцом 2 (см. рис. 7), которое устанавливается в кольцевую выточку ролика, расположенную по наружной кромке подшипника. Втулка 5 устанавливается на оси 1 между кареткой и шарикоподшипником и обеспечивает необходимый зазор между кареткой и роликом; это исключает затирание при движении каретки.

Рис. 7. Ролик и упор каретки: 1 — ось; 2 — стопорное кольцо; 3 — шариковый подшипник; 4 — ролик; 5 — втулка; 6 — каретка; 7 — плоская шайба; 8 — пружинная шайба; 9 — гайка для крепления оси; 10—гайка для крепления упора каретки; 11 — плоская шайба; 12 — упор каретки; 13 — болт.
Рис. 7. Ролик и упор каретки: 1 — ось; 2 — стопорное кольцо; 3 — шариковый подшипник; 4 — ролик; 5 — втулка; 6 — каретка; 7 — плоская шайба; 8 — пружинная шайба; 9 — гайка для крепления оси; 10—гайка для крепления упора каретки; 11 — плоская шайба; 12 — упор каретки; 13 — болт.

Контрролики 15, 20, 26 (см. рис. 5) служат для исключения возможности спадания кареток с направляющих линеек и для ограничения величины зазора между створками при разжатии их внизу. Контрролик отдельно показан на рис. 9. Он состоит из эксцентриковой втулки 3, шарикоподшипника 4. К каретке контрролик крепится болтом 7, который является одновременно осью контрролика. Контрролики будут выполнять свое назначение в том случае, если зазоры между ними и линейками не будут превышать 0,2 мм (рис. 10, в).

Рис. 8. Рычаг механизма отпирания створок двери шахты и ролик каретки: 1 — ось; 2 — шариковый подшипник; 3 — ролик; 4 — каретка; 5 — пружинная шайба; 6 — гайка; 7 — палец; 3 — контргайка; 9— гайка; 10 — рычаг; 11 — замковая шайба; 12 — ось ролика; 13— ролик; 14 — фиксирующая пластина.
Рис. 8. Рычаг механизма отпирания створок двери шахты и ролик каретки: 1 — ось; 2 — шариковый подшипник; 3 — ролик; 4 — каретка; 5 — пружинная шайба; 6 — гайка; 7 — палец; 3 — контргайка; 9— гайка; 10 — рычаг; 11 — замковая шайба; 12 — ось ролика; 13— ролик; 14 — фиксирующая пластина.
Рис. 9. Контрролик: 1 — гайка; 2 —пружинная шайба; 3 — эксцентриковая втулка; 4 — шарикоподшипник; ,5 — плоская шайба; 6 — каретка; 7 — болт.
Рис. 9. Контрролик: 1 — гайка; 2 —пружинная шайба; 3 — эксцентриковая втулка; 4 — шарикоподшипник; ,5 — плоская шайба; 6 — каретка; 7 — болт.
Рис. 10. Установочные зазоры в оборудовании дверей шахты и кабины: а — узел отпирания и открывания створки двери шахты; 1 — отводка, 2 — ролик; 3—гайка для крепления штифта; 4— штифт;б — узел ограничения хода створок 1 — контргайки; 2— резиновый амортизатор; 3 — регулировочные болты; в — Узел ограничения хода запертых створок при раздвижении их у порога;1—линейка; 2—болт для крепления контрролика; 3 — контрролик; 4— эксцентриковая втулка; 5 — гайка;
г — автоматический замок створки,1 — фиксирующая пластина; 2 — кронштейн; 3 — защелка; 4 — упор каретки; 5 — каретка.
Рис. 10. Установочные зазоры в оборудовании дверей шахты и кабины: а — узел отпирания и открывания створки двери шахты; 1 — отводка, 2 — ролик; 3—гайка для крепления штифта; 4— штифт;б — узел ограничения хода створок 1 — контргайки; 2— резиновый амортизатор; 3 — регулировочные болты; в — Узел ограничения хода запертых створок при раздвижении их у порога;1—линейка; 2—болт для крепления контрролика; 3 — контрролик; 4— эксцентриковая втулка; 5 — гайка; г — автоматический замок створки,1 — фиксирующая пластина; 2 — кронштейн; 3 — защелка; 4 — упор каретки; 5 — каретка.

Упор каретки 12 (см. рис. 7) служит для обеспечения надежного перекрытия кареток защелками при их запирании, так как каретки выполнены из стального листа недостаточной толщины и запирание было бы ненадежным. Крепится упор болтом 13 с гайкой 10 и осью 1 с гайкой 9, которая одновременно служит для крепления ролика к каретке.
Защелка 34 (см. рис. 5) автоматического замка служит для запирания закрытой створки двери шахты. Вместе с упором каретки защелка образует автоматический замок двери шахты, который отдельно изображен на рис. 10, г. Защелка шарнирно крепится на кронштейне 7, а последний двумя болтами 5 крепится к верхней балке двери шахты. Чтобы кронштейн не смещался в случае ослабления крепления, его положение зафиксировано планкой 6. На защелке установлен ролик 35 (см. рис 6, г, 1), который служит для фиксирования защелки в поднятом положении после отпирания створки. До конца открывания створки этот ролик находится на верхней кромке каретки. При закрытых створках двери шахты зазор между упором 4 и защелкой 3 (см рис. 10, г) должен находиться в пределах 1—2 мм.
Рычаг механизма отпирания и открывания створок двери шахты (рис. 11) служит для отпирания и открывания створки двери шахты. Его устройство показано на рис. 8. На рычаге 10 укреплен ролик 13 и палец 7. Положение пальца после регулировки фиксируется пластиной 14, она загибается за пределы верхней и нижней кромок верхнего плеча рычага (в районе щелевидного отверстия). Это хорошо видно на рис. 6, г, 3. Палец 7 служит для того, чтобы поднять защелку в момент отпирания створки двери шахты. Совместная работа автоматического замка и рычага отпирания и открывания створки двери шахты заключается в следующем. При наличии или отсутствии кабины на этаже и неработающем приводе дверей защелки находятся в опущенном положении и перекрывают упоры кареток, поэтому створки двери шахты заперты. При наличии кабины на данном этаже ролики 28 (см. рис. 5) рычагов обеих створок находятся в пазах левой и правой отводок 22 (рис. 12), укрепленных на створках двери кабины При включении электродвигателя привода дверей створки двери кабины начинают открываться и одновременно поворачивают рычаги вокруг осей.

Рис. 11. Рычаг механизма отпирания и открывания створок двери шахты (детали): 1 — палец; 2 — фиксирующая пластина; 3 — пружинное кольцо; 4 — рычаг;
5 — плоская шайба; 6,7— гайка и контргайка; 8 — гайка; 9 — втулка; 10 — шплинт; 11 — плоская шайба, 12 — ролик; 13 — ось.
Рис. 11. Рычаг механизма отпирания и открывания створок двери шахты (детали): 1 — палец; 2 — фиксирующая пластина; 3 — пружинное кольцо; 4 — рычаг; 5 — плоская шайба; 6,7— гайка и контргайка; 8 — гайка; 9 — втулка; 10 — шплинт; 11 — плоская шайба, 12 — ролик; 13 — ось.

Левый рычаг поворачивается влево, правый — вправо. Пальцы 32 (см. рис. 5), укрепленные на рычагах, соприкасаются с защелками, поднимают их и выводят из зацепления с упорами. При открывании створок двери шахты ролики 35, укрепленные на защелках, набегают на верхние кромки кареток, поэтому до окончания открывания и при открытых створках защелки находятся в приподнятом положении.Блок-контакты 3 (левый и правый) предназначены для контроля запирания створок двери шахты автоматическими замками. В качестве таких контактов использованы блок-контакты ВПК-2010. Они крепятся на стальных площадках двумя винтами 2 каждый, а к верхней балке двери шахты болтами 1. Когда створки двери шахты заперты, защелки 34 опущены, штоки блок-контактов под действием пружин также опущены; контакты замкнуты и лифт готов к работе. При открытых створках защелки подняты, под действием площадок 36 штоки блок контактов перемещены вверх, контакты разомкнуты и кабина не может прийти в движение от кнопок приказа или вызова. В блок-контактах 6Z7K-2010 использованы нижние р-контакты.
Блок-контакт контроля притвора створок двери шахты (блок-контакт ДШ) 9 служит для контроля притвора створок двери шахты. В качестве такого блок-контакта использован блок-контакт ВПК-2011. В отличие от блок-контакта ВПК-2010 он имеет на конце штока ролик. В качестве нажимного устройства, воздействующего на шток блок-контакта при закрытых створках, служит рычаг 12, который шарнирно укреплен на оси. Если раздвигать отпертые створки, то рычаг сходит с ролика 13 и шток блок-контакта, опускается, контакт размыкается. При закрывании створок рычаг набегает на ролик /3, поднимается вместе со штоком и контакт замыкается. Контакты ДЗ и ДШ включены в одну последовательную цепь, при размыкании которой хотя бы одним контактом исключается возможность пуска и движения кабины. В качестве контакта ДШ в блок-контакте ВПК-1011 использован з-контакт.
Створки двери шахты предназначены для закрывания шахтных проемов при уходе кабины с данного этажа, а также при нахождении кабины на этаже.Раздвижные створки представляют собой сварную конструкцию, облицованную со стороны, прилегающей к этажной площадке, пластиком. Для закрывания щелей между створками дверей шахты и кабины, примыкающих друг к другу, прикрепляется камуфляж — фигурное металлическое обрамление. Створки двери шахты крепятся к кареткам снизу, для чего к верхним торцовым частям створок приварены шпильки — по две на каждой створке. При помощи гаек створки крепятся к кареткам. Створки двери шахты не касаются порога, что исключает возможность заедания при их движении. Зазор между порогом и створкой должен быть 3—5 мм. Такие зазоры необходимы между обрамлением портала и створками. Чтобы низ створок не перемещался в поперечном направлении, внизу на них установлено по два башмачка на каждую створку. Эти башмачки входят в паз порога и задают направление движения створок при их открывании и закрывании.

Рис. 12. Верхняя балка двери кабины и механизм открывания створок: 1—ролик, 2 — канат связи створок, 3 и 5 — крепежные гайки; 4 — держатель; 6 — возвратная пружина, 7 и 8 — крепежные гайки; 9 — левая каретка двери кабины, 10 — рычаг; 11— корпус блок-контакта контроля притвора створок, 12 — крышка блок-контакта; 13 — упор; 14— регулировочный болт замка; 15 — контргайка; 16 — ролик водила; 17— конечный выключатель на закрывание створок; 18 — упор; 19 — конечный выключатель на открывание створок; 20 — водило; 21 — гайки для крепления всего механизма, 22 — отводка; 23 — контрролики; 24 — винт для крепления отводки; 25 — правая створка двери кабины, 26 — зажим каната связи, 27—рычаг замка; 28 — линейка; 29 — держатель каната связи, 30 — левая створка двери кабины; 31 — шпилька; 32 — отводка.
Рис. 12. Верхняя балка двери кабины и механизм открывания створок: 1—ролик, 2 — канат связи створок, 3 и 5 — крепежные гайки; 4 — держатель; 6 — возвратная пружина, 7 и 8 — крепежные гайки; 9 — левая каретка двери кабины, 10 — рычаг; 11— корпус блок-контакта контроля притвора створок, 12 — крышка блок-контакта; 13 — упор; 14— регулировочный болт замка; 15 — контргайка; 16 — ролик водила; 17— конечный выключатель на закрывание створок; 18 — упор; 19 — конечный выключатель на открывание створок; 20 — водило; 21 — гайки для крепления всего механизма, 22 — отводка; 23 — контрролики; 24 — винт для крепления отводки; 25 — правая створка двери кабины, 26 — зажим каната связи, 27—рычаг замка; 28 — линейка; 29 — держатель каната связи, 30 — левая створка двери кабины; 31 — шпилька; 32 — отводка.

Распашные двери кабины и блок-контакты притвора створок

Двери кабины служат для закрывания проема во время движения кабины с пассажирами. Распашная дверь кабины состоит из двух створок, открывающихся внутрь кабины. Каждая створка оборудована смотровым окном. Над створками укрепляется так называемый фартук 2 (рис. 13), который исключает возможность замыкания пассажиром блок-контакта контроля закрытия створок и пуска кабины в ход с открытыми створками.

Рис. 13 Фартучное устройство (установочный комплект): 1, 5 — створки двери кабины; 2— фартук, 3 — блок контакт контроля притвора створок двери кабины, 4 — нажимная пластина; 6 — рояльная петля,7 — ограждение кабины.
Рис. 13 Фартучное устройство (установочный комплект): 1, 5 — створки двери кабины; 2— фартук, 3 — блок контакт контроля притвора створок двери кабины, 4 — нажимная пластина; 6 — рояльная петля,7 — ограждение кабины.

Фартук изготавливается из твердых пород дерева и с помощью рояльной петли шарнирно крепится над створками. На фартуке укрепляется нажимная пластина 4, а над фартуком установлен блок-контакт контроля притвора створок (на электросхеме рис. 19 он называется ДЛ). Когда створки двери кабины закрыты, фартук и шток блок-контакта опущены, его p-контакт замкнут и нажатием кнопки приказа можно (при закрытой двери шахты) пустить кабину в ход. Этот контакт включен последовательно с другими предохранительными контактами и исключает возможность движения кабины с открытыми створками. Когда створки двери кабины открыты, фартук и шток блок-контакта подняты, контакт разомкнут и исключена возможность пуска кабины. Нельзя также пустить кабину нажатием на шток блок-контакта вручную при открытых створках, так как здесь использован p-контакт. Чтобы его замкнуть, нужно шток потянуть вниз, а этому препятствует поднятый фартук. Блок-контакт должен быть установлен так, чтобы кабину можно было пустить в ход при зазоре между открытыми створками не более 10 мм. На рис. 13 показаны установочные размеры фартука. Чтобы исключить возможность снятия створок, их подвешивают на неразъемных петлях или применяют устройства, предотвращающие их снятие.

Раздвижные двери кабины и блок-контакты контроля притвора створок

Раздвижные двери кабины состоят из верхней балки с установленным на ней оборудованием, створок и порога.
Несущая балка укреплена на кабине и служит для крепления на ней всего оборудования двери кабины. В частности, к этой балке крепятся направляющая линейка 28 (см. рис. 12), ролики 1 (справа и слева от линейки), а также привод дверей. Несущая балка изготовлена из стального уголка.
Направляющая линейка служит опорой для кареток двери кабины. Она изготовлена из стального проката и имеет полукруглую верхнюю кромку. Линейка крепится на несущей балке.
Назначение кареток, роликов, контрроликов, порога ничем не отличается от назначения аналогичных узлов двери шахты.
Канат 2 связи створок предназначен для связи обеих створок между собой. В качестве такого каната используется стальной канат диаметром 3,3 мм. Одним концом канат связи жестко крепится к правой каретке двери кабины, проходит через правый блок, закрепляется зажимом (или другим способом) на второй каретке, проходит через второй блок и при помощи держателя каната крепится к левой каретке. Держатель каната 29 имеет винтовую нарезку, гайками 7 и 8 можно регулировать натяжение каната
Возвратная пружина 6 предназначена для закрывания открытых створок двери кабины. Шахтные створки скатываются самопроизвольно по наклонным линейкам, а кабинные закрываются под действием возвратной пружины.
Пружина крепится при помощи ушкового болта к кронштейну с левой стороны, с правой стороны она цепляется за держатель, укрепленный на упоре 18 правой каретки.
Отводки 22 и 32 служат для сцепления с рычагами 33 (см. рис. 5), посредством которых открывают створки двери шахты. Отводки крепятся к створкам двери кабины либо непосредственно винтами 24 (см. рис. 12), либо укреплены на кронштейнах.
Блок-контакт контроля притвора створок двери кабины (ДЛ) 11 (см. рис. 12) контролирует закрывание створок двери кабины. В качестве такого блок-контакта использован блок-контакт типа ВПК-2011. Действие его аналогично блок-контакту контроля притвора створок двери шахты.
Автоматический замок служит для запирания створок двери кабины как при неподвижной, а также при движущейся кабине. Автоматический замок состоит из рычага 27 (см. рис. 12), на конце которого ввинчен регулировочный болт 14. Положение болта фиксируется контргайкой 15. Рычаг укреплен на оси посередине как коромысло. При закрытых створках правый конец рычага с роликом находится в выемке водила 20, левый конец вместе с регулировочным болтом опущен и перекрывает упор 13. Таким образом, правую створку открыть нельзя. Но так как она связана канатом с левой створкой, ее открыть тоже нельзя. Когда привод дверей начинает работать, водило 20 поворачивается, правый конец рычага выходит из выемки и опускается, а левая часть рычага поднимается и выходит из зацепления с упором 13, створки открываются.

Модернизация замка двери кабины лифта с раздвижными дверями

Замок двери кабины (рис. 14) состоит из рычага 4, шарнирно укрепленного на оси, регулировочного болта 2 с контргайкой 3 и упора 1.

Рис. 14. Автоматический замок двери кабины: а — существующий вариант; б — предлагаемый вариант.
Рис. 14. Автоматический замок двери кабины: а — существующий вариант; б — предлагаемый вариант.

Конструкция регулировочного болта обыкновенная с шестигранной головкой так как контакт контроля притвора створок двери кабины находится в замкнутом положении при зазоре между створками 8 мм. и менее (это позволяет скос упора 13 на левой створке, см рис. 12), то имеется возможность не полностью при крыться створкам при попадании между закрывающимися створками предмета толщиной или диаметром 3—8 мм. При этом оказывается, что контакт ДК уже находится в замкнутом положении, а головка регулировочного болта располагается над упором 13, есть возможность нажатием кнопки приказа пустить кабину в ход и, остановив между этажами, открыть створки. В результате посторонние лица таким способом могут перемещать кабину, открывать створки двери кабины и створки двери шахты для входа на кабину. Конструкция регулировочного болта (рис. 14,6) исключает возможность открывания створок двери шахты указанным способом. Головка этого болта имеет шестигранную часть под ключ и круглую выточку на конце диаметром 8—10 мм.
При раздвигании створок упор правой каретки упирается в торец головки большого размера, а контакт ДК при этом размыкается, что исключает пуск кабины. После опускания створок они плотно смыкаются и регулировочный болт перекрывает упор каретки. Раздвинуть створки без автоматического привода не представляется возможным. При установке регулировочного болта новой конструкции ослабляют крепление контргайки и вывинчивают регулировочный болт старой конструкции. Устанавливают новый болт и ввинчиванием или вывинчиванием регулируют зазор между упором 13 каретки и торцом головки малого размера регулировочного болта. Этот зазор должен находиться в пределах 1—2 мм. После этого проверяют правильность установки нового регулировочного болта. Отвинчивают винты и снимают крышку 12 (рис 12) блок-контакта ДК 11. При отключенном автоматическом выключателе привода дверей поднимают рычаг 27, вручную раздвигают створки двери кабины и отпускают рычаг так, чтобы головка большого размера регулировочного болта перекрыла упор /3 каретки, а головка малого размера находилась на упоре, при этом между упором каретки и торцом головки большого размера не должно быть зазора, а з контакт ДК должен иметь видимый разрыв. Далее устанавливают регулировочный болт так, чтобы был перекрыт упор каретки головкой малого размера. При этом з контакт ДК должен быть замкнут и иметь провал контакта не менее 2 мм.
После окончания регулировки болта фиксируют его положение контргайкой 15. Устанавливают на место крышку блок-контакта, крепят ее винтами, включают автоматический выключатель привода дверей и проверяют действие нового регулировочного болта. Для этого нажатием кнопки приказа пускают кабину в ход и ограничивают ход закрывающихся створок пластиной толщиной 4 мм., установив ее вверху между створками. При движущейся кабине створки не должны открываться при попытке открыть их вручную. После остановки кабины на этаже, на который она была послана, повторным нажатием кнопки приказа пускают кабину в ход и ограничивают закрывание створок двери кабины пластиной толщиной 8 мм. Кабина не должна прийти в движение.На лифтах с раздвижными дверями и с неподвижным полом устанавливается специальная скоба с линейкой, в паз которой входит ролик водила это исключает возможность отпирания створок двери кабины и открывания их при нахождении кабины на этаже, а также при нахождении ее между этажами.

Автоматический привод дверей лифтов

Автоматический привод дверей лифтов предназначен для автоматического открывания дверей после остановки кабины на этаже, а также для автоматического изменения направления хода створок в случае встречи их с каким-либо препятствием при закрывании.Автоматический привод состоит из электродвигателя 4 (рис. 15), редуктора 3, узла открывания створок дверей, автоматического отключения электродвигателя привода при полностью открытых или закрытых створках и механизма реверсирования привода.Для приведения в действие привода дверей кабины и шахты используются малогабаритные односкоростные маломощные асинхронные электродвигатели. На валу ротора при помощи шпоночного соединения крепится шкив 5.Приводной электродвигатель устанавливается на шарнирно укрепленной площадке (для регулировки натяжения ремня) четырьмя болтами. Краткие технические характеристики применяемых в автоматических приводах электродвигателей приведены в табл. 1.

Таблица 1 Краткие технические характеристики электродвигателей приводов дверей.
Таблица 1 Краткие технические характеристики электродвигателей приводов дверей.
Рис 15. Общий вид крыши с приводом: 1 — блок контакт контроля притвора створок; 2 — верхняя балка каркаса кабины, 3 — редуктор привода; 4 — электродвигатель, 5 — шкив на валу электродвигателя, 6 — канат ограничителя скорости, 7 — ремень; 8 — шкив на валу редуктора, 9— блок контакт ВКЗ, 10 — блок контакт ВКО, 11— водило, 12— отводка, 13 — амортизатор.
Рис 15. Общий вид крыши с приводом: 1 — блок контакт контроля притвора створок; 2 — верхняя балка каркаса кабины, 3 — редуктор привода; 4 — электродвигатель, 5 — шкив на валу электродвигателя, 6 — канат ограничителя скорости, 7 — ремень; 8 — шкив на валу редуктора, 9— блок контакт ВКЗ, 10 — блок контакт ВКО, 11— водило, 12— отводка, 13 — амортизатор.

Назначение редуктора привода дверей такое же, как и редуктора главного привода устройство принципиально также мало отличается от устройства редукторов главного привода. Редуктор крепится болтами 19 (рис. 16) к стальному кронштейну, прикрепленному к каркасу кабины. Для уменьшения вибрации, возникающей при работе привода, лапы редуктора изолированы от кронштейна резиновыми амортизаторами 16 и 18. На червячном валу редуктора укрепляется шкив, способ крепления его аналогичен способу крепления шкива на валу ротора электродвигателя.
Вращательное усилие передается от электродвигателя к редуктору при помощи клинового ремня 7 (см. рис. 15). В процессе эксплуатации выработке подвергается только половина зубьев червячного колеса, так как оно поворачивается только на 180°. Эксплуатационные возможности редуктора можно продлить, повернув червячное колесо вокруг вала на 180°. Для смазки подшипников, зубьев червячного колеса и червячного вала в картер редуктора заливают масло до уровня, определяемого масломерной иглой Уровень масла должен находиться между нижней и верхней рисками.

Рис. 16 Привод дверей лифтов с раздвижными дверями: 1 — скоба; 2—шток; 3— линейка, 4 — рычаг микропереключателя; 5 — водило; 6 — ролик; 7, 21 — кулачки; 8 — ВКЗ (выключатель конечный на закрывание створок), 9 — кронштейн; 10 — микропереключатель; 11 — кронштейн микропереключателя: 12 — блок-контакт ВКО (выключатель конечный на открывание створок); 13 — редуктор; 14— гайка; 15 — плоска» шайба; 16. 18 — амортизаторы; 17 — фасонная шайба; 19, 22— болты; 20— стопорная шайба; 23—плоская шайба с отверстием для стопоренного болта, 24 — микропереключатель.
Рис. 16 Привод дверей лифтов с раздвижными дверями: 1 — скоба; 2—шток; 3— линейка, 4 — рычаг микропереключателя; 5 — водило; 6 — ролик; 7, 21 — кулачки; 8 — ВКЗ (выключатель конечный на закрывание створок), 9 — кронштейн; 10 — микропереключатель; 11 — кронштейн микропереключателя: 12 — блок-контакт ВКО (выключатель конечный на открывание створок); 13 — редуктор; 14— гайка; 15 — плоска» шайба; 16. 18 — амортизаторы; 17 — фасонная шайба; 19, 22— болты; 20— стопорная шайба; 23—плоская шайба с отверстием для стопоренного болта, 24 — микропереключатель.
Таблица 2 Редукторы приводов дверей.
Таблица 2 Редукторы приводов дверей.

Краткие технические характеристики редукторов, применяемых в автоматических приводах, приведены в табл. 2.
Узел открывания створок дверей и автоматического отключения электродвигателя после полного открывания и закрывания створок дверей состоит из водила 5 (см рис 16), кулачков 7, 21 и блок контактов 8, 12. Водило крепится на тихоходном валу редуктора тем же способом, что и шкивы на валах ротора электродвигателя и редуктора На втулке, жестко прикрепленной к водилу 5, крепятся кулачки 7 и 21. Кулачки 9, 13 (рис 17), они же кулачки 7, 21 (см рис 16), плоская шайба 10, многолапчатая шайба 12 и круглая гайка 11 устанавливаются в последовательности, указанной на рис. 17. После завинчивания положение круглой гайки застопоривается многолапчатой шайбой 12. Эта шайба не может поворачиваться вокруг втулки. После окончания регулировки положения кулачков круглую гайку при окончательном завинчивании подгоняют одним из пазов к какой-либо лапке шайбы, после чего ее загибают в паз. На конце водила 8 жестко укреплена втулка 1, на которой установлен и свободно вращается ролик 3. Положение ролика фиксируется замковой шайбой 2. На рис. 18 показаны конечные выключатели 13 (ВКЗ — выключатель конечный на закрывание створок) и 4 (ВКО — выключатель конечный на открывание створок). Эти конечные выключатели состоят из корпусов и укрепленных в них блок-контактов, которые включены в цепь исполнительных реле, замыкающих цепь статорной обмотки электродвигателя. При помощи ВКО и ВКЗ (блок-контакты типа ВК-211) включаются и отключаются электродвигатели после окончания открывания или закрывания створок дверей. Корпуса конечных выключателей крепятся к кронштейну 2, а он, в свою очередь, прикреплен к корпусу редуктора.

Рис 17 Водило с кулачками 1 — втулка, 2— замковая шайба, 3— ролик; 4— ось; 5—болт, 6 — стопорная шайба 7 — плоская шайба с отверстием 8 — водило, 9, 13 — кулачки; 10 — плоская шайба 11 — гайка, 12 — стопорная шайба, 14— пружина; 15 — рычаг механизма микропереключателя, 16 — шток.
Рис 17 Водило с кулачками 1 — втулка, 2— замковая шайба, 3— ролик; 4— ось; 5—болт, 6 — стопорная шайба 7 — плоская шайба с отверстием 8 — водило, 9, 13 — кулачки; 10 — плоская шайба 11 — гайка, 12 — стопорная шайба, 14— пружина; 15 — рычаг механизма микропереключателя, 16 — шток.
Рис. 18. Конечные выключатели привода дверей: 1 — гайка, 2 — кронштейн выключателей, 3 — кронштейн микропереключателя, 4 — конечный выключатель ВКО, 5 — болт, 6 — контргайка; 7 — регулировочный болт, 8 — микропереключатель, 9— крышка, 10—рычаг; 11 — ось, 12 — замковая шайба, 13 — конечный выключатель ВКЗ.
Рис. 18. Конечные выключатели привода дверей: 1 — гайка, 2 — кронштейн выключателей, 3 — кронштейн микропереключателя, 4 — конечный выключатель ВКО, 5 — болт, 6 — контргайка; 7 — регулировочный болт, 8 — микропереключатель, 9— крышка, 10—рычаг; 11 — ось, 12 — замковая шайба, 13 — конечный выключатель ВКЗ.

Для осуществления взаимодействия водила 5 (см. рис. 16) со створками дверей к каретке кабинной створки двери, ближней к приводу, прикреплена скоба /, к которой точечной сваркой прикреплена линейка 3 со скосом.
Механизм реверсирования привода предназначен для изменения направления хода створок, если при их закрывании они встретят на своем пути какое-либо препятствие. Он состоит из промежуточного рычага/5 (см. рис. 17), шарнирно укрепленного в пазу водила 8 осью 4, и штока 16. Между упором на конце промежуточного рычага и упором на водиле установлена пружина 14, под действием которой противоположный конец рычага прижимает шток 16 головкой к водилу. Для воздействия на микропереключатель 8 служит рычаг 10 с рамкой (см. рис. 18), который крепится шарнирно при помощи оси 11 к промежуточному кронштейну 3. Замковые шайбы 12 предотвращают шпильку от выпадения.
В конце рычага 10 ввинчен болт 7. Зазор между головкой болта и штоком микропереключателя регулируется ввинчиванием или вывинчиванием болта. Его положение фиксируется контргайкой 6. Под действием пружины 14 левый конец рычага 15 (см рис. 17) прижат к головке штока 16 Рычаг 10 микропереключателя освобожден и пружина 14 удерживает его в таком положении, когда под действием регулировочного болта 7 (см. рис. 18) Р контакт микропереключателя разомкнут, а з-контакт замкнут. Первый контакт включен в цепь катушки реле РЗД (реле закрывания дверей, см. электросхему, рис. 19 ), второй — в цепь катушки реле РОД (реле открывания дверей).
Работа автоматического привода дверей заключается в следующем. В момент входа кабины в зону точной остановки теряет питание реле точной остановки (РТО), p-контакт его в цепи реле открывания дверей замыкается и оно получает питание. Реле замыкает свои контакты в цепи статорной обмотки электродвигателя привода дверей, его ротор приходит во вращение, одновременно с этим приходит во вращение водило 11 (см. рис. 15). Правая створка под действием его открывается, а так как обе створки кабинной двери связаны между собой канатом связи, открывается и левая створка. Когда кабина находится на этаже, ролики рычагов открывания створок двери шахты находятся в пазах отводок, укрепленных на створках двери кабины, поэтому створки двери шахты также открываются.
Открывание створок прекращается, когда кулачок 21 (см. рис. 16), укрепленный на водиле, нажмет на шток конечного выключателя 12, он разомкнет свой контакт в цепи РОД и электродвигатель привода потеряет питание. Электродвигатель вновь получит питание и створки дверей пойдут на закрывание по истечении нескольких секунд после выхода пассажира из кабины.

Таблица 3 Технические характеристики ремней приводов дверей.
Таблица 3 Технические характеристики ремней приводов дверей.

Если между закрывающимися створками дверей шахты и кабины попадет какой-либо предмет, закрывание их должно прекратиться, после чего должен произойти реверс, т. е. створки должны открываться. Это достигается следующим образом. При встрече с препятствием створки приостанавливают свое движение, а водило 5 (см. рис. 16) продолжает вращаться. Шток 2 набегает на скос линейки 3. Под действием этого шток перемещается вдоль оси и заставляет перемещаться вокруг оси рычаг 4. Так как длинное плечо (правое) этого рычага связано рычагом 10 (см. рис. 18) головка регулировочного болта 7 давит на шток микропереключателя 8. Его p-контакт в цепи реле закрывания створок размыкается, а в цепи реле открывания створок замыкается. Реле получает питание и замыкает свои контакты в цепи электродвигателя привода. Двери открываются.
Краткие технические характеристики редукторов, применяемых в приводах дверей, приведены в табл. 2.
Краткие технические характеристики приводных ремней, применяемых в приводах дверей, приведены в табл. 3.

Рис.19 Лифт модели 1964г. (электросхема).
Рис.19 Лифт модели 1964г. (электросхема).