Добавить в корзинуПозвонить
Найти в Дзене

Мой выбор фундамента под двух этажный дом. Как выбрать тип фундамента?

Когда предстоял выбор типа фундамента передо мной встал серьёзный вопрос: какой тип фундамента нужен под двух этажный дом из газобетона обложенного кирпичем? Чтобы ответить на этот вопрос мне нужно было знать геологию или по другому "выполнить геологические изыскания" на своём участке. Или можно было этого не делать, а запланировать фундамент с многократным запасом, который смог бы и пятиэтажку удержать. Естественно зарывать, а точнее-заливать, деньги просто так в землю не хотелось, нужен был рациональный, оптимальный вариант, да и сорить деньгами так же не хотелось. Поговорив с соседями, осмотрев погреб на своём участке, а после пообщавшись с бригадой строителей на стройке в 100 метрах от меня, которые строили дом от фундамента до крыши, я понял, что глина/суглинок начинается с глубины 80-100см, глубже возможно появление камня, местность не заболоченная, погреба сухие, верховодки нет. Решил остановится на свайно-ростверковом типе фундамента. Мне он показался самым экономичном в пл

Когда предстоял выбор типа фундамента передо мной встал серьёзный вопрос: какой тип фундамента нужен под двух этажный дом из газобетона обложенного кирпичем? Чтобы ответить на этот вопрос мне нужно было знать геологию или по другому "выполнить геологические изыскания" на своём участке. Или можно было этого не делать, а запланировать фундамент с многократным запасом, который смог бы и пятиэтажку удержать. Естественно зарывать, а точнее-заливать, деньги просто так в землю не хотелось, нужен был рациональный, оптимальный вариант, да и сорить деньгами так же не хотелось. Поговорив с соседями, осмотрев погреб на своём участке, а после пообщавшись с бригадой строителей на стройке в 100 метрах от меня, которые строили дом от фундамента до крыши, я понял, что глина/суглинок начинается с глубины 80-100см, глубже возможно появление камня, местность не заболоченная, погреба сухие, верховодки нет.

Решил остановится на свайно-ростверковом типе фундамента. Мне он показался самым экономичном в плане объема бетона. Если бы я взял простой ленточный фундамент, то по подсчётам даже при идеальных условиях (идельно ровные стенки опалубки и т. д), где длина всей ленты 54м, мощность ленты 1.7м, а ширина 0.5м, мне бы потребовалось бы 46м³ или даже более (зависит от мощности ленты). Заглубление фундамента менее 1.5м делать в моём случае было бы очень опасно, да и к тому же нужно поднимать бетон выше уровня земли. С такими условиями объем требуемого бетона превысил бы 50м³. Ленточный фундамент мне не подходил.

Плиту (УШП) рассматривать я сразу не стал. Я не говорю, что он плохой, всё гораздо проще - он на порядок дороже, к тому же нужно иметь на руках план всех коммуникаций и инженерных систем в доме, а это дополнительные расходы в самом начале строительства (лишних денег сразу на это у многих просто нет, поставить бы коробку и крышу, а на следующий год всё остальное), в моём случае не было знакомых спецов, кто заливал бы УШП.

Фундамент из блоков ФБС меня не устраивал по следующим причинам: заказывать блоки на заводе и ждать, их доставка транспортом, разгрузка, а так же работа автомобильного крана при его возведении. Стоимость 1 часа работы манипулятора или автокрана составляет от 2500р. Поэтому трата на аренду техники с доставкой, разгрузкой и установкой вышла бы в среднем бы в 100.000 рублей. Ещё не забываем про головную боль, потому что в строительный сезон найти спец технику в нужное время не так то просто. Да и сама конструкция фундамента не получается монолитной.

В моём случае свайно-ростверковый фундамент удовлетворял мои потребности: объем бетона 38-40м³, небольшое время работы спец техники (10ч ямобур и 2 часа экскаватор), хорошая несущая способность.

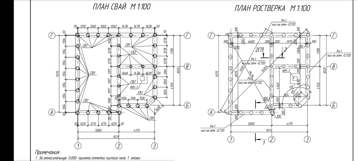
Краткая характеристика моего фундамента: мощность ростверка - 1м, ширина ростверка - 0,5/0,4м, длина ленты ростверка 54м пробурено 39 шт свай D-350мм на глубину - 2.5 м от "подошвы" ростверка.

-2

Знаю, что после прочтения статьи мне будут писать о том, что ростверк заглублять в грунт нельзя, что он должен быть висячим, и я спорить не буду, потому что, никому не хочу ничего доказывать. Я знаю что я делал, никаких рисков я в этом не вижу.