Найти в Дзене
Хайтек

Губка из люфы помогла ученым очистить воду быстро и безопасно

Ученые создали новый гидрогель с особой структурой, похожей на люфу. Он использует солнечный свет для обработки большого количества воды за раз. Его достаточно, чтобы удовлетворить ежедневные потребности человека. Материалы, известные как чувствительные к температуре гидрогели, впитывают грязную воду при низких температурах, а затем выделяют ее в очищенной форме при нагревании. Однако, по словам ученых из Принстонского университета, закрытые поры большинства таких материалов не позволяют обрабатывать воду достаточно быстро для нужд большинства людей. Изображение под микроскопом структуры гидрогеля, похожей на люфу, с открытыми порами.Сяохуэй Сюй/Принстонский университет Учитывая это, авторы новой разработки воспроизвели структуру натуральной губки из люфы с очень открытыми порами. Они использовали смесь воды и гликоля в качестве полимеризационной среды для получения гидрогеля PNIPAm (поли(N-изопропилакриламид)) с большими открытыми порами. Это термочувствительный полимер, впервые синте

Ученые создали новый гидрогель с особой структурой, похожей на люфу. Он использует солнечный свет для обработки большого количества воды за раз. Его достаточно, чтобы удовлетворить ежедневные потребности человека.

Материалы, известные как чувствительные к температуре гидрогели, впитывают грязную воду при низких температурах, а затем выделяют ее в очищенной форме при нагревании. Однако, по словам ученых из Принстонского университета, закрытые поры большинства таких материалов не позволяют обрабатывать воду достаточно быстро для нужд большинства людей.

-2

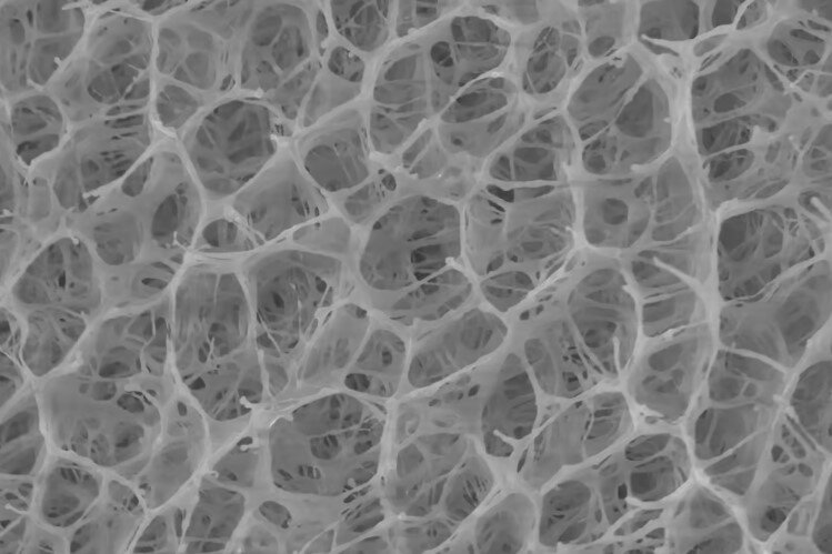
Изображение под микроскопом структуры гидрогеля, похожей на люфу, с открытыми порами.Сяохуэй Сюй/Принстонский университет

Учитывая это, авторы новой разработки воспроизвели структуру натуральной губки из люфы с очень открытыми порами. Они использовали смесь воды и гликоля в качестве полимеризационной среды для получения гидрогеля PNIPAm (поли(N-изопропилакриламид)) с большими открытыми порами. Это термочувствительный полимер, впервые синтезированный в 1950-х годах. Его можно синтезировать из коммерчески доступного N-изопропилакриламида. Затем ученые покрыли внутренние поры геля двумя другими полимерами — PDA (полидофамином) и PSMBA (poly(sulfobetaine methacrylate)).

-3

Гидрогель со структурой люфы можно использовать для очистки воды в бедных регионах или в местах стихийных бедствий.Сяохуэй Сюй/Принстонский университет

Эксперимент показал, что полученный материал впитывает грязную воду при комнатной температуре, а затем выделяет 70% в течение 10 минут при нагревании искусственным солнечным светом. Это было в четыре раза быстрее, чем ранее испытанный гидрогель с закрытыми порами. Кроме того, даже в условиях освещения, имитирующих переменную облачность, гель из люфы выделял такое же количество воды в течение 15–20 минут.

Люффа или люфа — род травянистых лиан семейства Тыквенные. Ареал рода — тропические и субтропические регионы Азии и Африки. Общее число видов — более пятидесяти. Их засушивают и используют в качестве натуральной губки для душа.

Читать далее:

Ученые пересадили крысам «мозг» человека и рассказали, что получилось в итоге

Два фото Земли с разницей в 50 лет сравнили в НАСА: что нашли ученые

Найдена редкая планета, очень похожая на Землю. Она недалеко от нас

На обложке: мочалка из люфы, Qurren, CC BY-SA 3.0, via Wikimedia Commons