Добавить в корзинуПозвонить
Найти в Дзене
MAXinventoR

Тормоз для картинга!

Знакомая всем автомобилистам картина: по трассе гонок, рыча мощными двигателями, проносятся гоночные автомобили. Высокие скорости на прямых участках и интенсивное торможение перед поворотами предъявляют высокие требования к тормозам автомобиля. Первый, второй... десятый круг проходят гонщики. И вот от частых и длительных торможений тормозные барабаны раскаляются, а с повышением температуры падает коэффициент трения фрикционных накладок. Гонщикам приходится увеличивать тормозной путь, при этом неизбежно теряются драгоценные секунды. Кроме температуры, у тормозов есть еще один враг — вода. Если во время гонок пойдет дождь и вода попадет внутрь барабанов, то тормоза перестают действовать. Последствия этого ясны каждому. Мы предлагаем один из вариантов конструкции дискового тормоза (см. рис.). Тормоз был изготовлен в 1966 году и все время работал эффективно и надежно. При наличии токарно-винторезного станка он может быть сделан в любом кружке или секции. Тормозной диск 3 вырезается из лист

Знакомая всем автомобилистам картина: по трассе гонок, рыча мощными двигателями, проносятся гоночные автомобили. Высокие скорости на прямых участках и интенсивное торможение перед поворотами предъявляют высокие требования к тормозам автомобиля.

Первый, второй... десятый круг проходят гонщики. И вот от частых и длительных торможений тормозные барабаны раскаляются, а с повышением температуры падает коэффициент трения фрикционных накладок. Гонщикам приходится увеличивать тормозной путь, при этом неизбежно теряются драгоценные секунды.

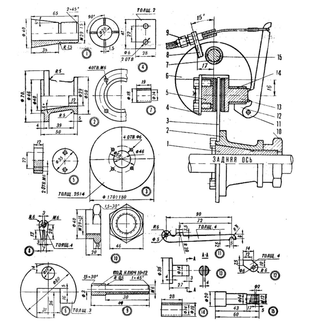
Кроме температуры, у тормозов есть еще один враг — вода. Если во время гонок пойдет дождь и вода попадет внутрь барабанов, то тормоза перестают действовать. Последствия этого ясны каждому.

Мы предлагаем один из вариантов конструкции дискового тормоза (см. рис.). Тормоз был изготовлен в 1966 году и все время работал эффективно и надежно. При наличии токарно-винторезного станка он может быть сделан в любом кружке или секции.

Тормозной диск 3 вырезается из листовой стали на токарном станке. Сначала диск обрезается по наружному диаметру, затем растачивается посадочное отверстие. Диск крепится на втулке 2 четырьмя болтами М6, болты контруются проволокой или шайбами гровера.

Две скобы 6 соединяются сваркой со втулкой 7, после этого приваривается пластина 4 и перпендикулярно ей втулка 14, к которой приваривается кронштейн 12; упор 8 приваривается к скобе в последнюю очередь.

Фрикционные накладки, приклеиваются к колодкам клеем БФ-4 или эпоксидным клеем на смоле ЭД-6. Соединяемые поверхности зачищаются, обезжириваются ацетоном, смазываются тонким слоем клея и зажатыми в струбцине или тисках помещаются в сушильный шкаф. Сушка длится 40 — 50 мин. при температуре 100-120° С.

Сборка тормоза ведется в следующем порядке:

1) вставляется подвижная колодка 13 во втулку 14;

2) приворачивается неподвижная колодка 5 к пластине 4 двумя болтами М6, которые контруются;

3) соединяется болтом М5 с кронштейном 12 рычаг 11, который вставляется в прорезь подвижной колодки 13, и на свободный его конец набрасывается петля тормозного тросика;

4) собранный тормозной механизм надевается на палец 15, который приваривается к поперечному лонжерону рамы или специальному кронштейну. Цанговый зажим позволяет производить установку тормозного диска в любом положении.

Тормозное устройство в сборе и детали: 1 — цанга, 2 — втулка, 3 — тормозной диск, 4 — пластина, 5 — неподвижная колодка, 6 — скоба, 7 — втулка, 8 — упор троса, 9 — наконечник, 10 — гайка, 11 — рычаг, 12 — кронштейн. 13 — подвижная колодка, 14 — втулка, 15 — палец.

-2