Добавить в корзинуПозвонить
Найти в Дзене

Эмулятор клапана ЕГР системы General Motors. Opel, Chevrolet, Daewoo и др. Обманка ЕГР.

В статье речь пойдет об изготовлении эмулятора сигналов работы клапана ЕГР с пятиконтактным разъемом. Корректно он называется ЕЕГР (Электронный ЕГР). Вот он на фото: Существует множество вариантов исполнения этого клапана в зависимости от условий его монтажа на двигатель, однако принцип управления ими одинаков. В статье приведена схема, примененная мной на бензиновом двигателе Opel Fronterra 2,2 SE, всё получилось. Уверен, что на других похожих клапанах она сработает. Схема, взятая из открытых источников: Если с первого раза выдаст ошибку – проверьте подключение и, если все верно, контакты D и B поменяйте местами. Резисторы применил на 2 Вт керамические, возможно подойдут менее мощные, при желании рассчитайте сами. !!! Помните. Вмешательство в системы автомобиля может привести к поломке и другим непредсказуемым последствиям. Всё вышеописанное вы делаете на свой страх и риск. Автор статьи за последствия ответственности не несет.

В статье речь пойдет об изготовлении эмулятора сигналов работы клапана ЕГР с пятиконтактным разъемом. Корректно он называется ЕЕГР (Электронный ЕГР). Вот он на фото:

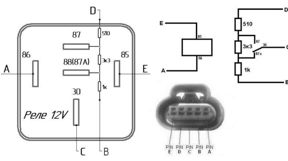
Существует множество вариантов исполнения этого клапана в зависимости от условий его монтажа на двигатель, однако принцип управления ими одинаков.

В статье приведена схема, примененная мной на бензиновом двигателе Opel Fronterra 2,2 SE, всё получилось. Уверен, что на других похожих клапанах она сработает.

Схема, взятая из открытых источников:

-2

Если с первого раза выдаст ошибку – проверьте подключение и, если все верно, контакты D и B поменяйте местами.

Резисторы применил на 2 Вт керамические, возможно подойдут менее мощные, при желании рассчитайте сами.

!!! Помните. Вмешательство в системы автомобиля может привести к поломке и другим непредсказуемым последствиям. Всё вышеописанное вы делаете на свой страх и риск. Автор статьи за последствия ответственности не несет.

Демидов Иван Олегович.