Найти в Дзене

Подключение датчиков температуры DS18B20 к WiFi-модулю SC120

DS18B20 цифровой термометр с программируемым разрешением, от 9 до 12–bit, которое может сохраняться в EEPROM памяти прибора. DS18B20 обменивается данными по 1-Wire шине. При использовании WiFi-модулем SC120 все процессы на шине управляются самим контроллером. Датчик температуры DS18B20 Характеристики: Выпускается датчик DS18B20 в двух вариантах: в корпусе TO-92 и в герметичном исполнении. Последний имеет длину кабеля 1 метр и используется для измерения температуры в сложных условиях - под водой, в земле, и т.д. Схема подключения к WiFi-модулю SC120 К WiFi-контроллеру SC120 можно подключить до 6-ти датчиков температуры DS18B20. В данном примере рассмотрим подключение четырех датчиков к модулю - два датчика в корпусе TO-92 (DA1, DA2) и два датчика в герметичном исполнении (DA3, DA4). Контроллер SC120 и датчики установлены на макетной плате для проектирования (Breadboard), позволяющей собирать проекты без пайки. В качестве внешнего источника используется адаптер питания для зарядки
Оглавление

DS18B20 цифровой термометр с программируемым разрешением, от 9 до 12–bit, которое может сохраняться в EEPROM памяти прибора. DS18B20 обменивается данными по 1-Wire шине. При использовании WiFi-модулем SC120 все процессы на шине управляются самим контроллером.

Смаконт. Датчики температуры DS18B20
Смаконт. Датчики температуры DS18B20

Датчик температуры DS18B20

Характеристики:

  • Питание: 3 - 5.5В;
  • Температурный диапазон: от -55 до +125˚С;
  • Погрешность измерения: ±0,5˚С;
  • Разрешение измерения составляет 0,1°С;
  • Максимальный потребляемый ток: 1мА;
  • Потребляемый ток в режиме ожидания: 750нА;
  • Время отклика: менее 1с.

Выпускается датчик DS18B20 в двух вариантах: в корпусе TO-92 и в герметичном исполнении. Последний имеет длину кабеля 1 метр и используется для измерения температуры в сложных условиях - под водой, в земле, и т.д.

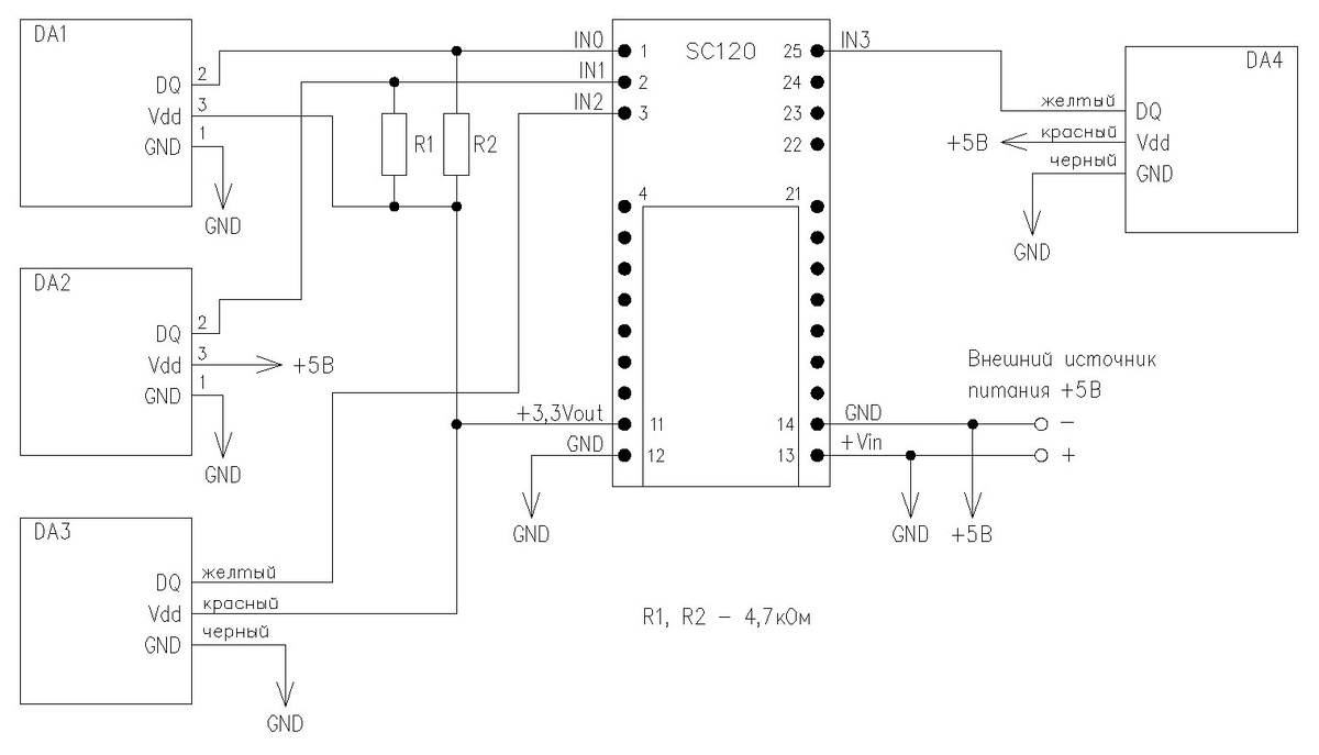
Схема подключения к WiFi-модулю SC120

К WiFi-контроллеру SC120 можно подключить до 6-ти датчиков температуры DS18B20. В данном примере рассмотрим подключение четырех датчиков к модулю - два датчика в корпусе TO-92 (DA1, DA2) и два датчика в герметичном исполнении (DA3, DA4).

Смаконт. Схема подключения к WiFi-модулю SC120
Смаконт. Схема подключения к WiFi-модулю SC120

Контроллер SC120 и датчики установлены на макетной плате для проектирования (Breadboard), позволяющей собирать проекты без пайки.

Смаконт. Внешний вид макетной платы с WiFi-модулем SC120 и подключенными датчиками
Смаконт. Внешний вид макетной платы с WiFi-модулем SC120 и подключенными датчиками

В качестве внешнего источника используется адаптер питания для зарядки сотовых телефонов, смартфонов, планшетов, с выходным током не менее 500мА.

Конфигурирование модуля SC120 и контролирование значений температуры

Конфигурирование модуля осуществляется при помощи "Программы Конфигурирования", где необходимо задать тип входов, к которым подключены датчики.

Контролирование значений температуры производится при помощи приложения "Smacont RC03".

Смаконт. Отображение значения температуры в приложении "Smacont RC03"
Смаконт. Отображение значения температуры в приложении "Smacont RC03"

Приложение "Smacont RC03" может функционировать в двух режимах:
1. "Мастер": опрос и управление модулями в локальной сети и при необходимости информация о их состоянии передается по Internet-сети (MQTT) и/или GSM-сеть (SMS, MQTT ) на другой смартфон или планшет, на котором также должно быть установлено приложение "Smacont RC03", но работающее в режиме "Клиент".
2. "Клиент": прием информации о состоянии модулей по Internet-сети (MQTT) и/или GSM-сеть (SMS, MQTT ) от "Мастер". Также имеется возможность управления модулями, опрашиваемых "Мастером" (если это разрешено на стороне "Мастер").

Смаконт. Интерфейс приложения "Smacont RC03"
Смаконт. Интерфейс приложения "Smacont RC03"

Основные функции приложения "Smacont RC03"

  • опрос до трех WiFi-контроллеров SC120;
  • контроль значений входов, переменных;
  • контроль и редактирование значений переменных;
  • автоматически пересчитывать значения входов/переменных модулей по заданным формулам или корректировать значения входов/переменных модулей для более точного отображения;
  • контроль и управление состоянием флагов, выходов;
  • подача предупреждающего звукового сигнала при включении заданного флага (режим контроль);
  • автоматическая передача команды на модуль для включения зарядного устройства, при разряде аккумуляторной батареи на "Мастер";
  • автоматический контроль состояния работоспособности с регулируемым периодом передачи.

При помощи приложения "Smacont RC03" и сервиса "Dealgate" можно реализовать работу модулей под управлением голосового помощника "Алиса", т.е. управлять модулями при помощи голосовых команд. Сервис "Dealgate" не только предоставляет работу в виде брокера, но и реализует навык, который позволяет управлять виртуальными устройствами, которые создаются на сайте dealgate.ru и впоследствии могут быть сопряжены с реальными по протоколу MQTT.