Добавить в корзинуПозвонить
Найти в Дзене

Изготавливаем универсальный адаптер galletto 1260\K-line

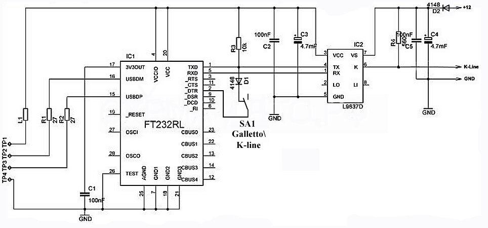
Изготавливаем универсальный адаптер galletto 1260\K-line из подручных материалов. Понадобился мне адаптер для прошивки ЭБУ galletto 1260, у меня уже давно есть MPPS, всем устраивает и работать приятно с ним, но вот для некоторых экспериментов потребовался galletto. Так как он мне нужен для разовой вещи то заказывать и ждать пока привезут из китая смысла нет, решил сам сделать из подручных материалов. Так же поставлю на него переключатель galletto\K-line, что б его как простой диагностический шнур его можно было использовать. Вот показываю как сее можно сделать быстро и не принужденно из подручных материалов. Потребуется эмулятор СОМ порта на FT232RL и микросхема интерфейса L9637D, эти детальки есть всегда под рукой у всех кто занимается мелким ремонтом и экспериментами. Так как все предельно просто то подробно расписывать не буду, просто делюсь идеей как можно галетку по быстрому сотворить. Начнем со схемы. Схема самая простая. Даже и комментировать нечего. Я только добавил в нее п

Изготавливаем универсальный адаптер galletto 1260\K-line из подручных материалов.

Понадобился мне адаптер для прошивки ЭБУ galletto 1260, у меня уже давно есть MPPS, всем устраивает и работать приятно с ним, но вот для некоторых экспериментов потребовался galletto. Так как он мне нужен для разовой вещи то заказывать и ждать пока привезут из китая смысла нет, решил сам сделать из подручных материалов. Так же поставлю на него переключатель galletto\K-line, что б его как простой диагностический шнур его можно было использовать. Вот показываю как сее можно сделать быстро и не принужденно из подручных материалов. Потребуется эмулятор СОМ порта на FT232RL и микросхема интерфейса L9637D, эти детальки есть всегда под рукой у всех кто занимается мелким ремонтом и экспериментами. Так как все предельно просто то подробно расписывать не буду, просто делюсь идеей как можно галетку по быстрому сотворить.

Начнем со схемы.

Схема самая простая. Даже и комментировать нечего. Я только добавил в нее переключатель galletto\K-line, на мой взгляд нужная вещь.

Приступаем непосредственно к изготовлению.

Отдельно микрухи FT232RL или СН340 я не покупаю. Я их покупаю в виде годовых модулей, так выходит почему то дешевле. Китайцы, что с них возьмешь :-) Еще эти модули очень удобны тем что вся обвязки уже разведена и не надо ее разводить.

Беру модуль и микросхему интерфейса.

-2

Прикидываю что и как. Монтаж буду делать навесной.

-3

Подготавливаю модуль. Удаляю не нужное и запаиваю перемычку выбора напряжения питания.

-4

Распаиваю, навесным монтажом, выходную обвязку интерфейса. Всего 3 детальки :-)

-5

Устанавливаю микросхему интерфейса.

-6

Беру разъем.

-7

И припаиваю его.

Вот и все, адаптер готов. Перед тем как загнездить его в корпус его надо его предварительно проверить. На тесты адаптер пойдет вот в таком виде.

-8

Перед тем как тестировать адаптер в режиме galletto его надо подружить с его родной прогой. Она опознает адаптер по серийному номеру. По сему надо запрограммировать нужный номер в FT232RL с помощью MProg или «вписать» в программу номер который уже прописан в FT232RL. По мне быстрей изменить номер в самой программе(1 минута). Как сее делается написано везде и не по одному разу, не буду на этом внимание заострять.

-9

Тесты прошли успешно, можно собрать в корпус.

Ставлю в корпус переключатель galletto\K-line. Потом еще красивую наклейку напечатаю :-)

-10

Устанавливаю сам адаптер в корпус.

-11

И закрываю.

-12

Финально тестирую по всякому.

И в режиме обычного К-лайн адаптера…

-13

И в режиме «программатора» ЭБУ…

Тоже все ок.

-14

Вот так можно быстро и не принужденно собрать galletto\K-line адаптер из подручных материалов :-)

На этом все, ни гвоздя вам ни жезла :-)

-15