Добавить в корзинуПозвонить
Найти в Дзене
Старый радиолюбитель

Kenwood TS-570

Ну вот добрались и до Кенвуда. Я выбрал TS-570, так как, с одной стороны, это не древний аппарат, а с другой стороны, там традиционная схемотехника. Этот трансивер построен по схеме супергетеродина с двумя преобразованиями частоты (70,05 МГц и 8830 кГц). В трансивере имеется DSP, синтезатор, а, соответственно, и все удобства. Сигнал из антенны проходит через отключаемый аттенюатор и фильтр нижних частот с частотой среза 30 МГц. Оттуда он проходит через один из девяти полосовых фильтров, коммутация которых осуществляется PIN-диодами. После фильтров сигнал поступает или прямо на первый смеситель или попадает туда через один из предусилителей. Я впервые встречаю схему, где для оптимизации усиления по частоте один усилитель усиливает полосу частот 1,7 - 21,5 МГц (на полевых транзисторах 2SK520), а другой- полосу выше 21,5 МГц (на двухзатворном полевом транзисторе 3SK131). Смеситель собран по схеме двойного балансного смесителя на четырех полевых транзисторах 2SK520. С выхода первого с

Ну вот добрались и до Кенвуда. Я выбрал TS-570, так как, с одной стороны, это не древний аппарат, а с другой стороны, там традиционная схемотехника.

Этот трансивер построен по схеме супергетеродина с двумя преобразованиями частоты (70,05 МГц и 8830 кГц). В трансивере имеется DSP, синтезатор, а, соответственно, и все удобства.

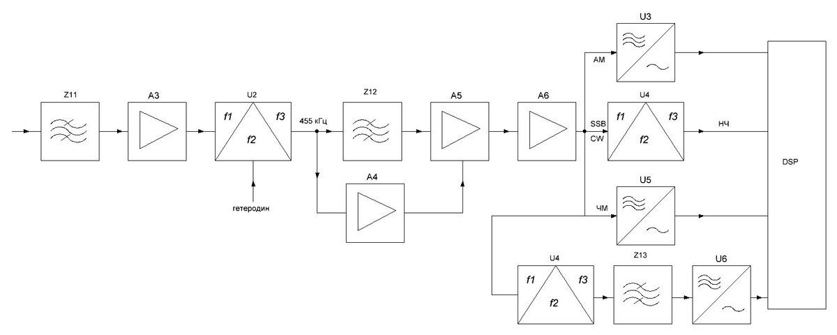
Рис. 1. Блок-схема трансивера. Часть 1.
Рис. 1. Блок-схема трансивера. Часть 1.

Сигнал из антенны проходит через отключаемый аттенюатор и фильтр нижних частот с частотой среза 30 МГц. Оттуда он проходит через один из девяти полосовых фильтров, коммутация которых осуществляется PIN-диодами. После фильтров сигнал поступает или прямо на первый смеситель или попадает туда через один из предусилителей. Я впервые встречаю схему, где для оптимизации усиления по частоте один усилитель усиливает полосу частот 1,7 - 21,5 МГц (на полевых транзисторах 2SK520), а другой- полосу выше 21,5 МГц (на двухзатворном полевом транзисторе 3SK131). Смеситель собран по схеме двойного балансного смесителя на четырех полевых транзисторах 2SK520.

Рис. 2.  Блок-схема трансивера. Часть 2.
Рис. 2. Блок-схема трансивера. Часть 2.

С выхода первого смесителя сигнал первой ПЧ 70,05 МГц попадает на фильтр L71-0401-05 с полосой 15 кГц по уровню -3дБ (60 кГц по уровню - 40дБ). Выделенный фильтром сигнал подается на УПЧ-1 (А3), выполненный на транзисторе 3SK131. Усиленный сигнал попадает на вход второго смесителя, выполненного по балансной схеме на двух полевых транзисторах 2SK520 , таких же, как и первый смеситель. После смесителя сигнал второй ПЧ 8830 кГц частично поступает на усилитель А4 системы шумоподавления. Другая часть сигнала второй ПЧ проходит через один из фильтров с полосами пропускания 6 или 2,4 кГц (опционально 1,8 кГц, 500 Гц или 270 Гц) и поступает на усилители А5 и А6. После усилителей сигнал поступает на один из детекторов U3, U4, U5, декодирующих сигналы АМ, CW или SSB и ЧМ. Полученные на их выходах сигнал НЧ обрабатывается системой DSP. В случае с сигналом FM, он проходит еще одно преобразование на частоту 455 кГц, фильтруется и декодируется, а затем обрабатывается системой DSP.

Теперь о характеристиках. Подробное описание можно посмотреть здесь: https://r4f.su/transivers/kenwood_570.html. Вот часть таблицы оттуда.

Рис. 3. Основные характеристики трансивера TS-570.
Рис. 3. Основные характеристики трансивера TS-570.

Стоимость этого трансивера (б/у) - порядка 30 000 руб.

Сравнивать схемотехнику трансиверов буду позднее.

Всем удачи и здоровья.