Найти в Дзене
АмперКО

Arduino Pro Mini – распиновка и подключение

Оглавление

Контроллер Arduino Pro Mini – самое миниатюрное и дешевое устройство в линейке. Плата соизмерима по размерам с флешкой. Базой контроллера является ATmega 168 с частотой 8 МГц или 16 МГц. Используется ардуино для установки в небольшие по габаритам проекты. Платформа совместима с большинством датчиков и модулей для Ардуино. 

Описание платы

Свойства arduino pro mini аналогичны, как и у платы Ардуино Уно и Нано. Их отличие заключается в невозможности прошить Pro Mini по USB-UART. Вместо этого для создания связи с компьютером используется проводник FTDI с преобразователем интерфейса или дополнительная плата Sparkfun. Также есть отличия по скорости, с которой работает чип. У arduino про мини скорость ниже, чем у Ардуино уно, но это практически не сказывается на проектах. 

Работать с Ардуино про мини нужно аккуратно. Если пользователь сожжет чип, подав на него чрезмерное напряжение, его будет невозможно вытащить и заменить. 

Разъемы не припаяны к платформе. Произвести подключение можно как через разъемы, так и навесным монтажом. Ножки можно припаять.

Существует 2 модели микроконтроллера arduino pro mini – на 3,3 В и 5 В. В первой используется тактовая частота 8 МГц, вторая работает на 16 МГц. Какая именно это модель, должно быть указано на корпусе. 

Скетч в микроконтроллер традиционно записывается через среду разработки Arduino IDE. Для загрузки кода потребуются специальные переходники. Изначально продается с уже установленной прошивкой. 

Технические характеристики микроконтроллера arduino pro mini:

  • Рабочее напряжение 3,3 В и 5 В (в зависимости от модели);
  • 14 пинов, 6 из которых используются как выводы ШИМ;
  • Постоянный ток для входа и выхода 40 мА;
  • Суммарный ток выводов – не более 200 мА;
  • 16 Кб флэш памяти, 2 Кб используются для загрузчика;
  • 1 Кб оперативной памяти;
  • 512 байт eeprom;
  • Тактовая частота – 8 МГц или 16 МГц в зависимости от модели;
  • I2c интерфейс;
  • Размеры платы 18х33 мм.

Питание можно подавать тремя способами:

  • Через переходник FTDI;
  • При подаче стабилизированного напряжения на контакт Vcc;
  • При подаче напряжения на контакт RAW.

Какие проекты можно реализовать на базе Ардуино Про Мини:

  • Управляемые конструкции для квадрокоптера;
  • Таймер;
  • Устройство для анализа влажности почвы;
  • Автоматический полив растений;
  • Устройство для измерения осадков и скорости ветра;
  • Автоматизация аквариума.

И многие другие проекты для дома и дачи. 

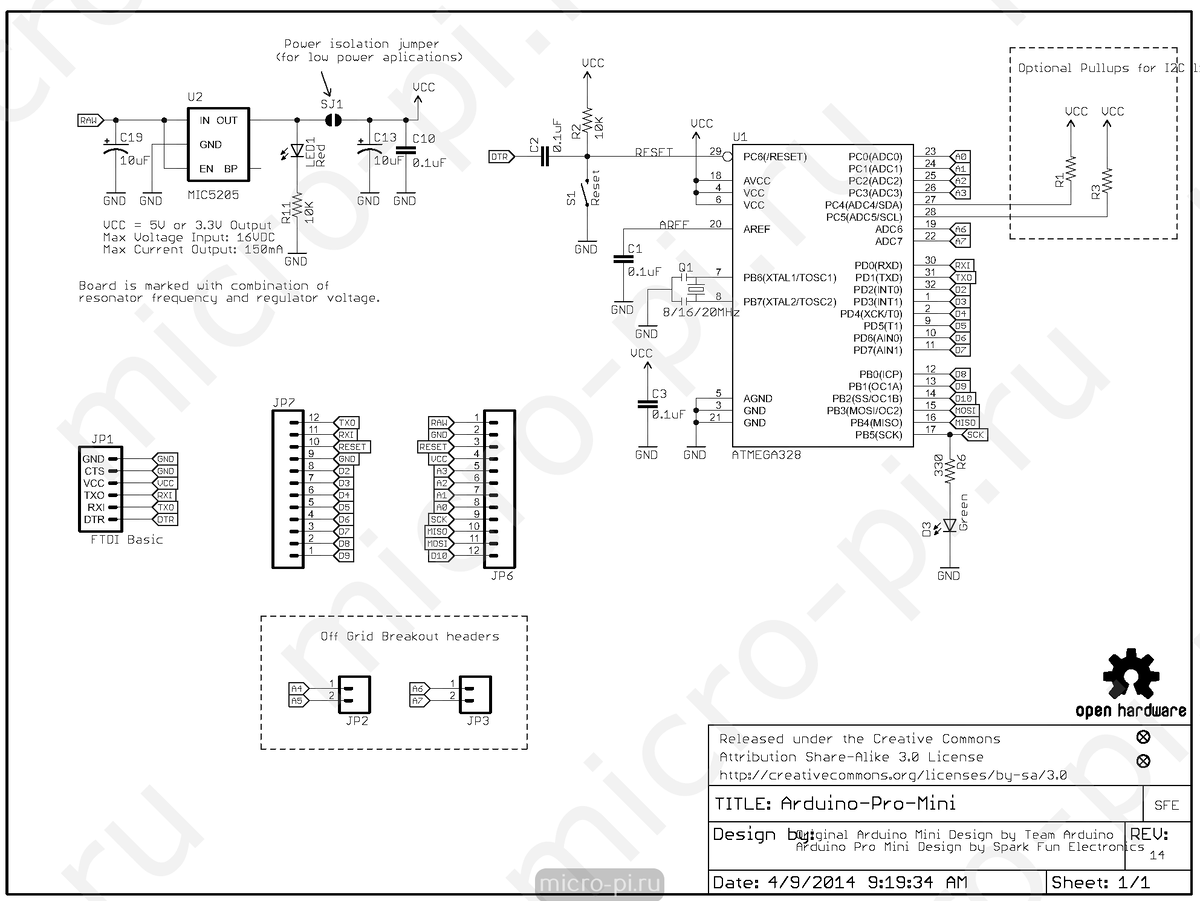
Схема и распиновка Pro Mini

Принципиальная схема платы Ардуино изображена ниже.

Пинов у микроконтроллера 14, каждый из которых может настраиваться как вход или выход. Выводы помечены цифровым номером, аналоговые имеют маркировку А. Рабочее напряжение – 3,3 В или 5 В.

Назначение пинов:

  • Последовательная шина – 0 и 1 (RX, TX). Предназначены для приема и передачи данных. 
  • Внешнее прерывание – 2 и 3. Могут использоваться для вызова прерывания.
  • ШИМ выводы – 3, 5, 6, 9, 10, 11. 
  • SPI – 10 (SS), 11 (MOSI), 12 (MISO), 13 (SCK). 
  • Светодиодный индикатор – 13. 

6 аналоговых контактов имеют разрешение 10 бит. Некоторые выводы имеют дополнительный функционал:

  • I2C – A4 (SDA), A5 (SCL). 

Также плата оснащена дополнительным выводом Reset. При низком уровне перезагружает микроконтроллер.  

Прошивка arduino pro mini

-2

Миниатюрные размеры платы не позволяют прошить ее без внешней помощи. Есть несколько способов заливки скетча в микроконтроллер:

  • Через адаптер USB в TTL;
  • Через Ардуино Уно;
  • Через SPI интерфейс с помощью любой платы ардуино с разъемом для подключения к компьютеру. 

Самым простым методом является первый.

Прошивка через адаптер USB в TTL

В продаже можно найти специальный адаптер – UART переходник. Видов таких переходников много, стоимость каждого изделия невысокая. Советуется приобретать переходники с контактами RST или DTR, они упрощают процесс прошивки. 

Для прошивки нужно подключить адаптер в Ардуино: нужно соединить земли с одного и другого устройства, Vcc – на +5В или +3,3 В (в зависимости от модели), RX – TX, TX – RX. Затем конструкцию нужно подключить к компьютеру, установить драйвер и начать прошивку. Компьютер определит, к какому порту подключена плата. Драйвер можно скачать с официального сайта. Скачанный архив нужно распаковать и установить.

Затем нужно запустить среду разработки Adruino IDE, выбрать нужную плату и номер порта и загрузить микропрограмму. Это делается следующим образом:

  • Нажать «Загрузить»;
  • Затем начнется компиляция  – появится надпись «Компиляция скетча»;
  • После появление надписи «Загружаем» нужно нажать на плате кнопку Reset (в переходниках с RST или DTR нажимать кнопку не нужно).

Важно! Нажатие на Reset должно быть кратковременным. 

Скетч будет загружен в микроконтроллер. Об успешном окончании процедуры можно понять по мигающему светодиоду. 

Прошивка через Ардуино Уно

Для прошивки потребуется классическая плата Ардуино Уно в DIP корпусе. На ней должен быть специальный разъем, из которого нужно вытащить аккуратно микроконтроллер. Важно делать все действия внимательно, чтобы не погнуть ножки процессора.

Проводами нужно подключить arduino pro mini к разъему. Как подключить контакты – RX-RX, TX-TX, GND-GND, 5V-VCC, RST-RST. 

После подключения можно начать стандартную загрузку скетча через Arduino IDE.

Прошивка через SPI интерфейс

Этот способ является самым неудобным и трудоемким. Прошивание платы производится в 2 этапа:

  • Прошивка микроконтроллера Ардуино Уно как ISP программатора;
  • Настройка среды разработки и загрузка кода в Arduino Pro Mini. 

Алгоритм проведения первого этапа:

  • Запуск среды разработки Arduino IDE;
  • Открытие «Файл» – «Примеры» – «11. ArduinoISP» – «ArduinoISP»;
  • Далее «Инструменты» – «Плата» – «Ардуино уно»;
  • «Инструменты» – «Порт», и выбирается нужный номер COM порта;
  • Далее нужно произвести компиляцию и загрузить код в Ардуино Уно.

Затем обе платы нужно соединить проводниками по приведенной схеме: 5V – VCC, GND – GND, MOSI (11) – MOSI (11), MISO (12) – MISO (12), SCK (13) – SCK (13).

Теперь нужно настроить Arduino IDE для Arduino Pro Mini. Это делается следующим образом:

  • «Инструменты» – «Плата» – выбор нужной платы Arduino Pro Mini;
  • В том же меню выбирается «Процессор» – выбор соответствующего процессора с нужной тактовой частотой;
  • Затем нужно установить порт, к которому подключена плата;
  • «Инструменты» – «Программатор» – Arduino as ISP;
  • Затем нужно загрузить скетч через программатор.

Важно отметить, что загрузка кода должна происходить через специальное меню «загрузить через программатор». Здесь можно запутаться, потому такой способ и неудобен. Загрузка обычным способом приведет  тому, что код зальется в Ардуино Уно. 

После проведенной загрузки перепрошить микроконтроллер через переходник больше не получится. Придется заливать новый bootloader через «записать загрузчик». 

Если при каком-либо виде загрузки прошивки возникают проблемы, нужно проверить подключение платы. 

Программирование на Ардуино про мини

-3

Используется стандартная среда разработки Arduino IDE. После того как устройство подключено к компьютеру, нужно правильно выбрать плату в списке. Главное не перепутать Ардуино на 3,3 В и на 5 В. Какая именно используется, должно быть написано на корпусе. 

В пункте Serial Port выбирается нужный порт, к которому подключена плата. Затем можно загружать на плату программу, путем нажатия на кнопку Upload. 

Загрузка может длиться долго и в итоге выдать ошибку. Чтобы ее избежать, во время заливки скетча нужно нажать кнопку reset, когда появится надпись Binary sketch size: xxx bytes. Во время загрузки на плате будут загораться светодиодные индикаторы. После заливки скетча нужно отсоединить микроконтроллер и подать на него напряжение. 

Сравнение характеристик разных плат Ардуино

Основная характеристика, по которой Ардуино про мини отличается от остальных плат – это размеры. Габариты Arduino Pro Mini составляют всего 1,8 см х 3,3 см. Немного большую длину имеет плата Ардуино Нано – 1,9 см х 4,3 см. Плата Ардуино Уно больше примерно в 2 раза, ее габариты составляют 6,9 см х 5,3 см. Arduino Mega имеет самые крупные габариты – 10,2 см на 5,4 см. 

Количество пинов также различно. Ардуино про мини, как Ардуино Нано и Ардуино Уно, имеет 14 цифровых пинов. Ардуино Мега оснащена 54 цифровыми входами/выходами, из которых 15 поддерживают ШИМ. 

Важное отличие Arduino Pro Mini от остальных плат – отсутствие прошивки по USB-UART. Остальные микроконтроллеры можно прошить таким способом, кроме Ардуино Нано. Она прошивается с помощью преобразователя rt232.