Добавить в корзинуПозвонить
Найти в Дзене
Золото и технологии

Использование преобразователей частоты Веспер в золотодобывающей отрасли

Н.Е. Лапушкин —    директор проектов ООО «Компания Веспер»
В.В. Порываев —    главный инженер ООО «ГМТ Сервис»
Компания «Веспер» уже 22 года производит преобразователи частоты (ПЧ) и является одним из лидеров российского рынка ПЧ. Сотни тысяч наших изделий на протяжении многих лет безотказно работают на предприятиях всех отраслей промышленности России и стран СНГ, в том числе и на предприятиях золотодобывающей отрасли. В этой статье мы расскажем читателям о реализованных проектах для АО «Хэргу». В начале 2000-х годов парк агрегатов и электроприводов постоянного тока выпуска 70–х годов прошлого века полностью был изношен и выработал свой ресурс. Отечественная промышленность на тот момент свела к минимуму выпуск тяговых двигателей постоянного тока, а ремонт ресурсных агрегатов по экономическим соображениям и логистике стал не целесообразен. Так же современные АСУ требовали новых принципов организации технологического процесса и управления, а также диспетчеризации с применением серийно

Н.Е. Лапушкин —    директор проектов ООО «Компания Веспер»
В.В. Порываев —    главный инженер ООО «ГМТ Сервис»

Компания «Веспер» уже 22 года производит преобразователи частоты (ПЧ) и является одним из лидеров российского рынка ПЧ. Сотни тысяч наших изделий на протяжении многих лет безотказно работают на предприятиях всех отраслей промышленности России и стран СНГ, в том числе и на предприятиях золотодобывающей отрасли. В этой статье мы расскажем читателям о реализованных проектах для АО «Хэргу».

В начале 2000-х годов парк агрегатов и электроприводов постоянного тока выпуска 70–х годов прошлого века полностью был изношен и выработал свой ресурс. Отечественная промышленность на тот момент свела к минимуму выпуск тяговых двигателей постоянного тока, а ремонт ресурсных агрегатов по экономическим соображениям и логистике стал не целесообразен. Так же современные АСУ требовали новых принципов организации технологического процесса и управления, а также диспетчеризации с применением серийного оборудования. 

С учетом этого, выбор главного энергетика АО «Хэргу» Иванова Евгения Олеговича был сделан в пользу модернизации одного из дражных комплексов — модернизации с использованием асинхронных электродвигателей с частотным регулированием. Первый проект по модернизации драги с использованием преобразователей частоты Веспер был реализован в 2002 году. 

Рис. 1. Стационарный пульт на мостике для управления всеми агрегатами драги
Рис. 1. Стационарный пульт на мостике для управления всеми агрегатами драги

Применение частотно-регулируемого электропривода, в общем случае, обеспечивает следующий экономический эффект: 
- экономию электроэнергии, энерго­носителей, топлива; 
 - продление ресурса оборудования;   
 - повышение производительности машин и механизмов;
 - увеличение количества выпускае­мой продукции.

Все перечисленные достоинства достигаются благодаря возможности плавного регулирования скорости вращения асинхронного электропривода с помощью ПЧ. 

Применительно к золотодобыче экономический эффект от внедрения ПЧ может быть получен как при промывке золотоносного песка, так и при использовании технологии добычи золота из скальных пород. 

Основными объектами для оснащения частотно-регулируемым электроприводом являются драги, насосные агрегаты, буровые станки, горнопроходческие комплексы, транспортно-обогатительные комплексы, гидроциклоны, питатели, дробилки, мельницы, конвейеры и прочее оборудование. 

За 19 лет сотрудничества проведена модернизация на 5 дражных комплексах: № 85, 86, 93, 108 и 112.                                                                   
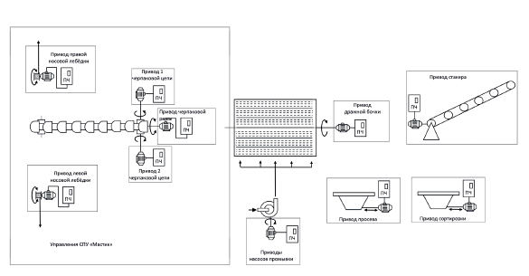
На рисунке 2 приведена функциональная схема драги после модернизации.


Рис. 2. Функциональная схема грунточерпающего плавкомплекса (драги)
Рис. 2. Функциональная схема грунточерпающего плавкомплекса (драги)

Для управления электроприводом агрегатов драги (носовых и рамоподъемных лебедок, бочек-грохота, стакеров, агрегатов отсева и промывки, главного привода черпаковой цепи) используются преобразователи частоты Веспер мощностью от 45 до 315 кВт.

Эффект, зафиксированный от внедрения ПЧ на дражных комплексах АО «Хэргу»:

  • на 30 % снижены энергозатраты;   
  • на 25 % увеличена производи­тельность; 
  • увеличен ресурс подвижных частей комплексов;
  • увеличен интервал контроля и тех. обслуживания подвижных агрегатов.

 Благодаря программно-аппаратным возможностям ПЧ Веспер, каждый электропривод, участвующий в технологическом процессе, имеет возможность самонастраиваться (подстраиваться) под работу смежных агрегатов по прямым и косвенным технологическим параметрам. Автонастройка отдельных агрегатов комплекса на необходимую производительность позволяет не использовать внешние связующие цепи и оборудование АСУ.

Итак, частотно-регулируемый электропривод позволил:

  • исключить обрывы тросов носовых и рамочных лебедок, транспортер­ных лент и черпаковой цепи при ударных нагрузках за счет функции контроля и ограничения момента;   
  • обеспечить плавное регулирование и поддержание необходимой ско­рости движения и производитель­ности агрегатов черпаковой цепи, бочки­грохота, транспортера стаке­ра, агрегатов отсева и промывки в зависимости от твердости и коли­чества выбираемого грунта;   
  • исключить перегрузку и перегрев электродвигателей;
  • обеспечить плавный управляемый разгон и остановку агрегатов;
  • обеспечить сглаживание пусковых токов и исключение ударных меха­нических и токовых нагрузок на всех режимах работы (пуск, оста­новка, номинал);   
  • синхронизировать производитель­ность электроприводов и агрегатов всей технологической цепочки;   
  • производить монтаж/демонтаж оснастки и замену в течение 20 минут отдельных черпаков с удержанием натяжения на нулевой скорости;
  • синхронизировать по скорости работу 2­х жесткозакрепленных на один вал электроприводов черпаковой цепи мощностью от 220 до 315 кВт (по частоте — до 2­ го порядка; по скорости, моменту/нагрузке — с расхожде­нием менее 20 А);
  • обеспечить возможность пропор­ционального управления всеми агрегатами плавкомплекса, вклю­чая свайный ход, со стационарного пульта­кресла оператора (драгера) с джойстиками, а также органами оперативного управления и при­борного контроля на мостике или с помощью дистанционного мобильного радиопульта (по выбо­ру драгера).
-3

При запуске приводов с помощью ПЧ пусковой ток электродвигателя не превышает номинального значения. Поэтому удалось исключить пиковые нагрузки на питающую электрическую сеть и просадки напряжения в момент запуска главного привода. Это особенно актуально для подвижных объектов с автономными системами энергоснабжения и протяженными кабелями. 

Полный эффект от внедрения ПЧ довольно многогранен и не всегда поддается прямому подсчету. Электроэнергию и топливо можно подсчитать по ходу работы, а увеличение ресурса оборудования — только в отдаленной перспективе. Повышение добычи золота за счет сокращения простоев оборудования на ремонты и обслуживание, повышение качества переработки руд и песков за счет оптимизации работы оборудования также стоит отметить в этом ряду.

Указанная модернизация управления взаимозависимыми агрегатами и системами драг реализована в тесном взаимодействии производителя ПЧ (компания «Веспер»), разработчика проектов и производителя работ (гл. инженер ООО «ГМТ Сервис» — В.В. Порываев), инициатора и куратора проектов (гл. энергетик АО «Хэргу» — Е.О. Иванов).

Имея многолетний опыт использования частотно регулируемого электро-привода во всех отраслях промышленности, Компания «Веспер» готова предложить ПЧ для различных электрифицированных машин и механизмов, использующихся при добыче золота, алмазов, руд черных и цветных металлов и других полезных ископаемых. 

Компанией налажено тесное сотрудничество со следующими предприятиями: АО «Золото Селигдара» (Алдан), АО «Хэргу» (Благовещенск), ООО «УК Полюс», прииск ОАО «Высочайший» 
(Бодайбо), ООО «Артель старателей «Западная» (Бурятия), ООО «Мангазея Майнинг» (Забайкальский край), Прииск ЗАО «Удерейский» (Красноярский край), ГК «Петропавловск» и др. 

По вопросам взаимодействия и сотрудничества:
Тел./факс +7 (495) 776-95-28,
+7 (909) 155-04-21.
E-mail:
nel@vesper.ru,
www.vesper.ru

Опубликовано в журнале "Золото и технологии" № 1/март 2020 г.