Добавить в корзинуПозвонить
Найти в Дзене
Сервис для ремонта

Самостоятельная замена электрической проводки и работы по электромонтажу

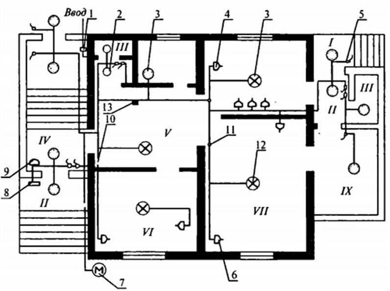
Как своими силами поменять, или починить электропроводку в своем жилище - простейшие рекомендации для новичков. Если начались появляться неисправности электросети в доме, то заменить ее следует целиком. Начать необходимо с разработки чертежа, в котором будет обозначаться новое расположение электропроводки, кабель нужного сечения, клеммные коробки, огнеупорный гофрированным кабельный канал, выключатели, розетки. Также требуется подготовить инструменты: дрель с перфорацией (с необходимыми сверлами и насадками), болгарка, индикатор фаз, лампочка для контроля наличия напряжения, паяльник, инструмент замера уровня, шпатлевка и шпатель. Схема новой электропроводки разрабатывается для каждого помещения и полностью для всей квартиры. В чертеже необходимо отметить расположение проводки относительно потолка либо пола. Чертежи проекта электропроводки желательно не терять, чтобы в будущем исключить повреждение кабелей при тех или иных работах по дому. С помощью закона Ома нужно сделать необходимые
Оглавление

Как своими силами поменять, или починить электропроводку в своем жилище - простейшие рекомендации для новичков.

Если начались появляться неисправности электросети в доме, то заменить ее следует целиком.

Начать необходимо с разработки чертежа, в котором будет обозначаться новое расположение электропроводки, кабель нужного сечения, клеммные коробки, огнеупорный гофрированным кабельный канал, выключатели, розетки. Также требуется подготовить инструменты: дрель с перфорацией (с необходимыми сверлами и насадками), болгарка, индикатор фаз, лампочка для контроля наличия напряжения, паяльник, инструмент замера уровня, шпатлевка и шпатель.

-2

Схема новой электропроводки разрабатывается для каждого помещения и полностью для всей квартиры. В чертеже необходимо отметить расположение проводки относительно потолка либо пола. Чертежи проекта электропроводки желательно не терять, чтобы в будущем исключить повреждение кабелей при тех или иных работах по дому. С помощью закона Ома нужно сделать необходимые расчеты для требуемого сечения провода. Для этой процедуры следует суммировать потребляемую мощность электроэнергии всех бытовых приборов в жилом помещении и к этому добавить нагрузку, используемую на освещение.

Для того чтобы не произошел несчастный случай в процессе пользования электропроводкой, рекомендуется прибавить к мощности каждого из приборов примерно по 100 Ватт. В конечном итоге, ту сумму, которая получится, нужно разделить на 220. В среднем эта цифра, получается, от 12 до 16 Ампер, что вполне позволяет использовать медный провод, сечение которого составляет 1,6 миллиметра квадратных.

-3

В случае, когда итоговое число получается больше, рекомендуется не использовать провод с большим сечением, а прокинуть несколько веток кабелей, параллельно другим. Каждая из них должна быть снабжена персональным механизмом безопасного отключения. Так же крайне необходимо заострить внимание на типе провода - применять не алюминиевый, а именно медный. Существует две разновидности медного кабеля: двухжильный и трехжильный - ВВГнг, ВВГ, NYM. Для приборов, относящихся к освещению, рекомендуется 2x1.5 кв. мм, для розеток - 3x2.5 кв.мм.

-4

Если подготовка к смене электрических сетей прошла успешно, следует в обязательном порядке отключить автоматы, относящиеся к вашей квартире, в электрощите, тем самым обесточив помещение. При этом нужно быть предельно аккуратным, так как нельзя прикасаться к проводке внутри щитка частями тела.

Начало работ нужно производить с прихожей. После того, как щиток установлен, можно прокладывать провода параллельно устаревшим линиям электросети или же заранее их снять, далее новые провода соединяются с выключатели и электрическими розетками.

У каждого в доме имеется довольно много выключателей и розеток, и без них никак не обойтись в сейчас, так как почти все имеющиеся дома приборы работают от электросети. Так же нужно знать, что качество этих незначительных на взгляд приборов, влияет на безопасность жилища и большую часть действий человека.

-5

В современных постройках есть конструкция заземления электросети, соответственно каждая розетка, которая там монтируется, должна иметь трех проводную систему подключения к электросети. Заземляющий проводник существенно обезопасит пользование розеткой. Вместе с тем, у нынешних розеток есть типовые защитные перегородки, которые дают доступ к подключению именно при нажатии вилкой прибора на них. Это исключает то, что маленькие дети, к примеру, смогут всунуть в розетку металлические или иные токопроводящие предметы. При этом вилки приборов должны соответствовать европейским стандартам и контакты должны быть диаметром 4,5 миллиметра, вилки старого образца диаметром 3,5 мм не подходят.

Шторки у таких розеток бывают двух видов, они либо поднимаются, либо поворачиваются. В недорогих вариантах с поворачивающимися шторками после недолгого использования может заклинить механизм. Для монтажа в ванных комнатах, кухнях, бассейнах, (помещениях с влажными стенами) производятся специальные розетки, защищенные от влаги. Они имеют герметизирующую защитную крышку с прорезиненными уплотнителями на корпусе, специально разработанными для того, чтоб исключить попадание влаги со стен внутрь розетки. Помимо них, есть розетки с украшающими панельками, которые никак не защищают от попадания воды. В комнатах с высокой влажностью такие устройства крайне не желательно монтировать.

Подписывайтесь на канал и ставьте лайки

Сервис для Ремонта: Звонок бесплатный 8 (800) 333-02-83
Всем подписчикам даем Скидку на услуги ремонта 10%!
Другие статьи о ремонте https://dzen.ru/remasterr

Заказать консультацию специалиста