Найти в Дзене
Дотошный Инженер

Обратноходовый преобразователь. Физика работы

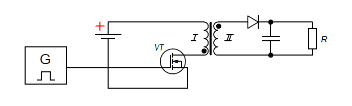
Обратноходовый преобразователь – импульсный преобразователь постоянного напряжения и тока. Работает на принципах катушки индуктивности и трансформатора, т. е. на принципах электромагнитной индукции. Как было показано в статье «Как работает катушка индуктивности в импульсном режиме», катушка индуктивности способна накапливать энергию в магнитном поле, а затем, при соответствующем переключении, отдавать эту энергию в нагрузку. Если на том же магнитопроводе сделать ещё обмотку, как в трансформаторе, то можно снять энергию магнитного поля через неё. Причём в зависимости от числа витков этой обмотки можно обеспечить соответствующий ток и напряжение на выходе преобразователя. Также обеспечивается гальваническая развязка цепей источника и нагрузки. На схеме транзистор VT выполняет роль ключа, управляемого от генератора импульсов. I и II – первичная и вторичная обмотки индуктивности-трансформатора. Точками обозначено начало обмоток. За начало обмоток принимаются концы, от которых обмотка «уход
Оглавление

Обратноходовый преобразователь – импульсный преобразователь постоянного напряжения и тока. Работает на принципах катушки индуктивности и трансформатора, т. е. на принципах электромагнитной индукции.

обратноходовый преобразователь на основе тороидального сердечника с зазором
обратноходовый преобразователь на основе тороидального сердечника с зазором

Как было показано в статье «Как работает катушка индуктивности в импульсном режиме», катушка индуктивности способна накапливать энергию в магнитном поле, а затем, при соответствующем переключении, отдавать эту энергию в нагрузку.

Если на том же магнитопроводе сделать ещё обмотку, как в трансформаторе, то можно снять энергию магнитного поля через неё. Причём в зависимости от числа витков этой обмотки можно обеспечить соответствующий ток и напряжение на выходе преобразователя. Также обеспечивается гальваническая развязка цепей источника и нагрузки.

Рис.1. схема обратноходового преобразователя
Рис.1. схема обратноходового преобразователя

На схеме транзистор VT выполняет роль ключа, управляемого от генератора импульсов. I и II – первичная и вторичная обмотки индуктивности-трансформатора. Точками обозначено начало обмоток. За начало обмоток принимаются концы, от которых обмотка «уходит» в одну сторону относительно магнитопровода (либо по часовой, либо против часовой стрелки).

Работа схемы состоит из двух фаз: первой фазы – когда транзистор открыт и к первичной обмотке подведено напряжение питания; и второй фазы – когда транзистор закрыт и посредством индукции во вторичной обмотке течёт ток, пополняющий конденсатор и питающий нагрузку.

Осциллограмма 1. Напряжение (синий) и ток (красный) в первичной обмотке
Осциллограмма 1. Напряжение (синий) и ток (красный) в первичной обмотке
Осциллограмма 2. Напряжение (синий) и ток (красный) во вторичной обмотке
Осциллограмма 2. Напряжение (синий) и ток (красный) во вторичной обмотке

Соотношение обмоток используемой индуктивности-трансформатора 1:2, таким образом напряжение на вторичной обмотке в два раза больше, а ток в два раза меньше. Первая фаза – до середины осциллограмм, вторая – после.

В первой фазе, когда транзистор открыт, к первичной обмотке приложено напряжение источника тока (батарейки). И ток в ней начинает расти согласно формуле:

ток индуктивности от напряжения
ток индуктивности от напряжения

, которая следует из закона индукции, обсуждаемого в статье «Как работает катушка индуктивности». Энергия накапливается в магнитном поле. Во вторичной обмотке также присутствует напряжение э.д.с. индукции, как и при работе трансформатора. При обратном включении вторичной обмотки это напряжение будет обратно напряжению первичной обмотки. Ток вторичной обмотки будет заблокирован диодом.

Рис. 2. Полярности напряжений и направление тока в первой фазе
Рис. 2. Полярности напряжений и направление тока в первой фазе

Во второй фазе транзистор закрывается, и ток через первичную обмотку не может больше течь. Магнитное поле стремится сохраниться и наводит э.д.с. индукции в обратную сторону, как при торможении некоторой массы. Напряжение в обеих обмотках меняет знак. Из-за этого в цепи вторичной обмотки открывается диод и в ней течёт ток, который питает нагрузку и пополняет конденсатор.

Рис. 3. Полярности напряжений и направление тока во второй фазе
Рис. 3. Полярности напряжений и направление тока во второй фазе

С учётом обратного подключения вторичной обмотки в ней индуцируется такой ток, который поддерживает магнитное поле такого же направления. Но изменение этого магнитного поля во второй фазе идёт в другую сторону относительно первой фазы, что приводит к появлению напряжений обратной полярности на обмотках.

Для лучшего понимания осциллограмм приведу схему измерения:

Рис. 4. Схема измерения
Рис. 4. Схема измерения

Резисторы R1 и R2 служат для измерения силы тока в первичной и вторичной обмотках. В качестве нагрузки вместо резистора и конденсатора применяется стабилитрон, позволяющий течь току вторичной обмотке начиная с некоторого порогового напряжения (в данном случае 7.5 В). Это позволяет провести измерение на одиночном импульсе с большими токами.

1 — точка измерения напряжения на первичной обмотке. 2 – точка замера тока первичной обмотки. 3 – точка измерения напряжения на вторичной обмотке. 4 – точка замера тока вторичной обмотки.

Так как точки 1 и 3 находятся на начале обмоток, то и осциллограммы у них одинаковые по форме, так как трансформатор преобразует напряжение без изменения формы и полярности. Измерения в точках 1 и 3 производятся относительно общего провода.

Так же можно обратить внимание на знак напряжения в точке 4 – оно отрицательное. Это показывает направление тока во вторичной обмотке.

В качестве дополнительного примера приведу осциллограммы работы от источника тока напряжением 5 вольт:

Осциллограмма 3. Напряжение (синий) и ток (красный) в первичной обмотке при напряжении питания 5 вольт
Осциллограмма 3. Напряжение (синий) и ток (красный) в первичной обмотке при напряжении питания 5 вольт
Осциллограмма 4. Напряжение (синий) и ток (красный) во вторичной обмотке при напряжении питания 5 вольт
Осциллограмма 4. Напряжение (синий) и ток (красный) во вторичной обмотке при напряжении питания 5 вольт

В осциллограммах 3 и 4 видно увеличение времени работы первой фазы относительно осциллограмм 1 и 2, так как ток и магнитное поле растёт более медленно. Этот рост пропорционален напряжению на первичной обмотке, как и следует из закона индукции.

Плюсы и минусы обратноходовых преобразователей на практике:

  1. «+» Возможность управления выходным током и напряжением в широких пределах.
  2. «+» Нечувствительность к короткому замыканию и возможность использования как источника стабилизированного тока.
  3. «+» Может обеспечивать гальваническую развязку.
  4. «–» Так как преобразователь работает через накачку энергии в магнитное поле, то для увеличения мощности требуется либо увеличивать частоту преобразования, либо увеличивать габариты индуктивности-трансформатора.

Выводы относительно физики магнитного поля:

  1. Подтверждается что, «при всяком изменении потока магнитной индукции через замкнутый проводящий контур в нём индуцируются токи в таком направлении, что магнитное поле этих токов стремится компенсировать изменение потока магнитной индукции, т. е. стремится удержать постоянным поток.» [Тамм, §77]
  2. Физической основой магнитного поля служит электрический ток.
  3. Стремление удержать магнитный поток может порождать электрический ток.
  4. Если электрический ток исчезает в одном проводнике, то магнитное поле порождает ток в другом, что говорит о том, что магнитное поле может накапливать энергию – это самостоятельная среда.
  5. Отсутствует механизм передачи через материальный носитель – ток.
  6. Сложно представить и материальную среду типа эфира, так как индуцируемый ток может быть и обратного направления как в случае трансформатора (см. «как работает трансформатор»).
  7. Таким образом, магнитное поле – нематериальная среда, существующая как следствие тока, способная накапливать энергию, и воплощать, материализовать ток в другом параллельном проводнике.
Статью можно прочитать и скачать (pdf) на моём сайте.