Найти в Дзене
ООО "КоСПА"

Учет характеристик охлаждающей жидкости в ПИД-регуляторе

Многие полезные функции приборов, которые упрощают настройку и обслуживание, повышают точность и стабильность процесса, остаются вне поля зрения инженеров и наладчиков из-за обилия информации. Серия универсальных контроллеров-регуляторов GammaDue предоставляет пользователям большие возможности в управлении различными сложными процессами. Одной из функций позволяющей обеспечивать высокое качество регулирования, является возможность учитывать нелинейность характеристики теплоносителя в контуре охлаждения. Данная функция доступна в контроллерах-регуляторах 48х96 (X1, X3, X5) и 96х96 (Q1, Q3, Q5) при выборе режима ПИД регулирование Нагрев\Охлаждение. В этом случае в параметре C.n.t.Y (Режим управления) можно выбрать: При выборе характеристики водяного охлаждения пересчет выходного сигнала происходит по формуле OPH2=100*((OP_С/100)^2), а для масляного охлаждения по формуле OPOL=100*((OP_С/100)^1,5). OP_C – это расчетная мощность охлаждения на выходе ПИД, OPH2 и OPOL – это мощность с учетом

Многие полезные функции приборов, которые упрощают настройку и обслуживание, повышают точность и стабильность процесса, остаются вне поля зрения инженеров и наладчиков из-за обилия информации.

Универсальные контроллеры-регуляторы GammaDue X (48х96) и Q (96х96)
Универсальные контроллеры-регуляторы GammaDue X (48х96) и Q (96х96)

Серия универсальных контроллеров-регуляторов GammaDue предоставляет пользователям большие возможности в управлении различными сложными процессами. Одной из функций позволяющей обеспечивать высокое качество регулирования, является возможность учитывать нелинейность характеристики теплоносителя в контуре охлаждения.

Данная функция доступна в контроллерах-регуляторах 48х96 (X1, X3, X5) и 96х96 (Q1, Q3, Q5) при выборе режима ПИД регулирование Нагрев\Охлаждение.

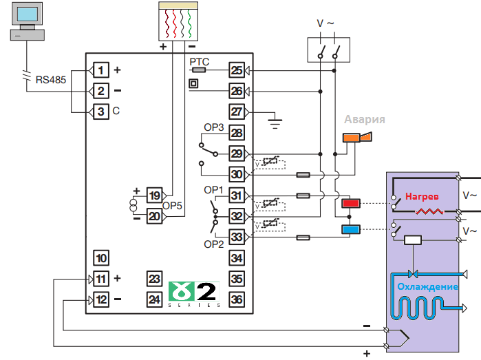
Пример подключения контуров нагрева и охлаждения к контроллерам моделей X и Q
Пример подключения контуров нагрева и охлаждения к контроллерам моделей X и Q

В этом случае в параметре C.n.t.Y (Режим управления) можно выбрать:

  • линейная характеристика (H.C.Ln).
  • характеристика масляного охлаждение (H.C.OL).
  • характеристика водяного охлаждения (H.C.H2).

При выборе характеристики водяного охлаждения пересчет выходного сигнала происходит по формуле OPH2=100*((OP_С/100)^2), а для масляного охлаждения по формуле OPOL=100*((OP_С/100)^1,5). OP_C – это расчетная мощность охлаждения на выходе ПИД, OPH2 и OPOL – это мощность с учетом характеристик теплоносителя.

Пересчет получаемых характеристик управляющих сигналов для воды и масла
Пересчет получаемых характеристик управляющих сигналов для воды и масла

Важно, чтобы характеристика была выбрана до проведения автоматической настройки коэффициентов ПИД регулятора.