Добавить в корзинуПозвонить
Найти в Дзене
Виктор Кислицын

Теплотехника

Консультации и помощь по гидравлике, термодинамике , теплотехнике теплотехнических расчётх ТЕРМОДИНАМИКА И ТЕПЛОТЕХНИКА КОНСУЛЬТАЦИИ И РЕШЕНИЕ ЗАДАЧ Задача 1 Двигатель Стирлинга (работает по регенеративному циклу Карно и имеет такой же КПД, т.е. такое же выражение для КПД). В двигателе Стирлинга совершаемая за цикл удельная работа равна l = 225 кДж, нижнему источнику теплоты (охладителю) с температурой t2 = 27oС отводится q2 = 120 кДж. Определить КПД, η и температуру t1, верхнего источника теплоты (нагревателя). Решение: Коэффициент полезного действия тепловой машины Карно в общем виде равен[1, стр.7]: η = L/Q_н = (Q_н-Q_к)/Q_н = (Т_н-Т_к)/Т_н , причём КПД любого теплового двигателя всегда меньше единицы. Исходя из приведенной формулы определим, КПД :q η = 1 - q_(2 )/q_1 , где q1 – теплота переданная рабочему телу от верхнего источника, кДж; q2 – теплота передаваемая от рабочего тела холодильнику, кДж. Теплоту q2 определим из выражения для работы: l
Оглавление

Консультации и помощь по гидравлике, термодинамике , теплотехнике теплотехнических расчётх

ТЕРМОДИНАМИКА И ТЕПЛОТЕХНИКА

КОНСУЛЬТАЦИИ И РЕШЕНИЕ ЗАДАЧ

Задача 1

Двигатель Стирлинга (работает по регенеративному циклу Карно и имеет такой же КПД, т.е. такое же выражение для КПД). В двигателе Стирлинга совершаемая за цикл удельная работа равна l = 225 кДж, нижнему источнику теплоты (охладителю) с температурой t2 = 27oС отводится q2 = 120 кДж. Определить КПД, η и температуру t1, верхнего источника теплоты (нагревателя).

Решение:

Коэффициент полезного действия тепловой машины Карно в общем виде равен[1, стр.7]:

η = L/Q_н = (Q_н-Q_к)/Q_н = (Т_н-Т_к)/Т_н ,

причём КПД любого теплового двигателя всегда меньше единицы. Исходя из приведенной формулы определим, КПД :q

η = 1 - q_(2 )/q_1 ,

где q1 – теплота переданная рабочему телу от верхнего источника, кДж; q2 – теплота передаваемая от рабочего тела холодильнику, кДж.

Теплоту q2 определим из выражения для работы:

l = q1 - q2,

откуда q1 = l + q2, q1 = 225 + 120 = 345 кДж.

Т2 = 273 + t2 = 273 + 27 =300К.

Тогда КПД равен:

η = 1 - 120/345 = 0,65.

Температура верхнего источника:

Т1 = Т2q_(1 )/q_2 = 300345/120 =862,5К, или t1 = 589,5 oС.

Задача 2

В топке котла сжигается уголь состава: Cp= 68,6%; Hp = 2,5%;Sр =1,3% ;

Np = 3,3%; Оp = 1,7%; Ap =5,8%; WP =16,8% . Определить низшую рабочую теплоту сгорания топлива. Сколько тонн этого натурального топлива соответствуют 1000 т условного топлива?

Решение:

Низшая теплота сгорания твёрдого и жидкого топлива с достаточной для технических расчётов точностью подсчитывается по формуле Д. И. Менделеева [1, стр.12]:

Q_н^р= 338 • Сp + 1025 • Нp – 108,5 • (Оp –Sр ) – 25 • WP, кДж/кг,

где Сp – содержание углерода в рабочей массе топлива, %; Нp - содержание водорода в рабочей массе топлива, %; Оp - содержание кислорода в рабочей массе топлива, %; Sр - содержание серы в рабочей массе топлива, %; Wр - содержание влаги в рабочей массе топлива, %.

Q_н^р= 338 • 68.6 + 1025 • 2.5 – 108,5 • (1.7 –1.3 ) – 25 • 16.8 = 25285.9 кДж/кг

Для сравнения между собой, различных видов топлива вводится понятие условного топлива. Это такое топливо, при сгорании 1 кг которого, выделилось бы 29,3 МДж, теплоты, т.е. Q усл = 29,3 МДж/кг.

Количество М натурального топлива с Q_н^р = 25,3МДж/кг соответствующего

1000 т условного топлива определим из соотношения:

М = 1000 Q_усл/(Q_н^р ) = 100029,3/25,3 = 1185,1 тн.

Задача 3

Паротурбинная установка (рис.1) работает по циклу Ренкина. Давление пара перед турбиной р1 = 12 МПа, температура t1 = 400°С, давление пара в конденсаторе

р2 = 0,0035 МПа. Определитьтермический кпд цикла.

Решение:

Термический КПД цикла Ренкина определяется по формуле [2,3]

ηt = (i_1-i_2)/(i_1-i_3 ) ,

где: i1 и i2 – начальное и конечное значения энтальпии пара в процессе адиабатного расширения его в турбине; i3 - энтальпия кипящей жидкости (конденсата) при давлении р2.

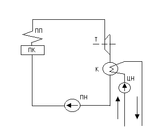
Рис.1

Основным циклом паросиловых установок (ПСУ) является цикл Ренкина. Схема ПСУ приведена на рис.1. Пар из парового котла (ПК) поступает в пароперегреватель (ПП), откуда он направляется в турбину (Т), где совершает полезную работу, и далее в конденсатор К. В конденсаторе с помощью охлаждающей воды, подаваемой циркуляционным насосом (ЦН), от пара отводится теплота и он конденсируется. Образовавшийся конденсат питательным насосом (ПН) подается в котел, и весь цикл повторяется вновь.

Цикл Ренкина на T-s диаграмме представлен на рис. 2.

Точка 1 характеризует состояние пара, поступившего в турбину; 1-2 – адиабатное расширение пара в турбине; точка 2 характеризует состояние отработавшего пара; 2-3 – процесс в конденсаторе; точка 3 характеризует состояние воды на выходе из конденсатора; 3-4 – процесс повышения давления в питательном насосе; 4-5 – подогрев воды в паровом котле до температуры кипения; точка 5 характеризует состояние воды при температуре насыщения; 5-6 – процесс парообразования в котле; 6-1 – перегрев пара.

-2

Рис.2

По таблиц насыщенного пара и воды [5] по величинам р1 = МПа и t1= 400°С находим параметры состояния перегретого пара в точке 1: i1=3053,3 кДж/кг;

s1= 6,0787 кДж/кг; в точке 2 при р2 = 0,0035 МПа: i3= 111,84 кДж/кг; i'' = 2549,9 кДж/кг; r =2438,1 кДж/кг; s'=0,3907 кДж/кг; s''= 8,5224 кДж/кг; t2= 26,7°С

Определим степень сухости пара в точке 2

x2= (s_1-s^')/(s^''-s^' ) = (6,0787-0,3907)/(8,5224-0,3907) = 0,7

Энтальпия в точке 2 равна

i2= i3(1+x2) + i''• x2= 111,84(1 – 0,7) + 2549,9•0,7 = 1818,4 кДж/кг.

Термический КПД цикла Ренкина равен

ηt = (i_1-i_2)/(i_1-i_3 ) = ηt = (3053,3-1818,4)/(3053,3-111,84) = 0,42

Список использованной литературы

1. Сливной В. Н. Введение в специальность. Методические указания к практическим занятиям и контрольной работе для студентов направления подготовки 140100.62 – Кемерово: КузГТУ, 2013. 21 с.

2. Основы современной энергетики: учебник для вузов : в 2 т. / под общ. ред. чл.-корр. РАН Е. В. Аметистова. – 4-е изд., перераб. и доп. – М.: Издательский дом МЭИ, 2008. Том 1. Современная теплоэнергетика / А. Д. Трухний, М. А.

Изюмов, О. А. Поваров, С. П. Малышенко; под ред. А. Д. Трух-

ния. 2008. – 472 с., ил. (т. 1)

3. Нащокин В. В. Техническая термодинамика и теплопередача: учеб. пособие для вузов. 4-е изд., стереот. – М.: Аз-book, 2009. – 469 с.

4. Тихомиров, К.В. Теплотехника, теплогазоснабжение и вентиляция: учебник для студентов вузов, обучающихся по специальности "Пром. и гражд. стр-во"

- М.: БАСТЕТ, 2009. – 480 с.

5. Ривкин С.Л., Александров А.А. Термодинамические свойства воды и пара. – М: Энергия, 1975, 80 с.

Товарищи (господа) студенты если у кого то возникли вопросы по решению или ответу на вопрос, пишите на почту: khb6804@mail.ru