Добавить в корзинуПозвонить
Найти в Дзене
Виктор Кислицын

«ГИДРАВЛИЧЕСКИЙ РАСЧЁТ СИСТЕМЫ С ОТВЕТВЛЕНИЯМИ»

Нефтегазовая отрасль одна из крупнейших отраслей Российской Федерации, в ней задействовано большое количество людей, которые не только занимаются непосредственной добычей нефти и газа, но и оказывают услуги по реализации её продукции, планированию развития деятельности отрасли, подготовкой высококлассных специалистов для реализации этих планов развития. Немаловажной частью нефтегазовой отрасли является трубопроводный транспорт. Трубопроводный транспорт - вид транспорта, осуществляющий передачу на расстояние жидких, газообразных или твёрдых продуктов по трубопроводам. Трубопроводы - узкоспециализированный вид транспорта. По назначению магистральные трубопроводы разделяются на нефтепроводы, газопроводы и продуктопроводы. В настоящее время в России действует крупная сеть нефте- и газопроводов, снабжающих экономику страны, а также ведущих в Западную Европу, Турцию, Юго-Восточную Азию. В России преобладают трубопроводы большого диаметра и большой протяженности в широтном направлении
Оглавление

Нефтегазовая отрасль одна из крупнейших отраслей Российской Федерации, в ней задействовано большое количество людей, которые не только занимаются непосредственной добычей нефти и газа, но и оказывают услуги по реализации её продукции, планированию развития деятельности отрасли, подготовкой высококлассных специалистов для реализации этих планов развития.

Немаловажной частью нефтегазовой отрасли является трубопроводный транспорт. Трубопроводный транспорт - вид транспорта, осуществляющий передачу на расстояние жидких, газообразных или твёрдых продуктов по трубопроводам. Трубопроводы - узкоспециализированный вид транспорта. По назначению магистральные трубопроводы разделяются на нефтепроводы, газопроводы и продуктопроводы. В настоящее время в России действует крупная сеть нефте- и газопроводов, снабжающих экономику страны, а также ведущих в Западную Европу, Турцию, Юго-Восточную Азию. В России преобладают трубопроводы большого диаметра и большой протяженности в широтном направлении [1].

Трубопроводы надежны в эксплуатации, процесс транспортировки по ним грузов полностью автоматизирован, высокая герметизация сохраняет продукты. Это сокращает потери нефти по сравнению с железнодорожным транспортом в 1,5 раза, водным - в 2,5 раза. Эксплуатация трубопроводов не зависит от климатических условий. Современный трубопровод имеет высокую пропускную способность, которая зависит от диаметра труб. По себестоимости перевозок это самый дешевый вид транспорта.

Данная курсовая работа посвящена частным прикладным вопросам расчёта системы трубопроводного транспорта и построения его характеристик.

В курсовой работе необходимо произвести расчет системы трубопроводов , которая имеет как последовательное, так и параллельную схемы подключения. Расчеты позволят определить необходимую мощность перекачивающего оборудования (мощность насоса). Таким образом, грамотный расчёт позволяет оптимизировать экономную работу системы трубопроводов в плане энергетических затрат, а также надёжной и безопасной её эксплуатации.

1.ТЕОРЕТИЧЕСКАЯ ЧАСТЬ

Расчёт трубопроводов данной системы основан на важнейших уравнениях гидравлики, уравнении Бернулли и уравнении неразрывности потока. Уравнение Бернулли устанавливает зависимость между положением точки, давлением и средней скоростью в каком-либо сечением потока и аналогичными характеристиками в любом другом сечении этого же потока [2,стр.118] и имеет следующий вид:

Z1 + Р_1/ρg + α1(v_1^2)/2g = Z2 + Р_2/ρg + α2(v_2^2)/2g + h_пот^(1-2) (1.1)

Где Z1 и Z2 – нивелирные высоты расположения сечений трубопровода (относительно условной плоскости сравнения), м;

Р1 и Р2 – давление жидкости в рассматриваемых сечениях трубопровода, Па;

α1 и α2 –кинематические коэффициенты Кориолиса учитывающие неравномерность распределения скоростей жидкости по сечению потока принимаем равными 1;

v1 и v2 – скорости движения жидкости в рассматриваемых сечениях, м/с;

ρ - плотность жидкости, кг/м3; g – ускорение свободного падения, м/с2

h_пот^(1-2) – потери напора по длине и на преодоление местных сопротивлений на участка между рассматриваемыми сечениями, м.

Уравнение неразрывности (сплошности), выражающем закон сохранения массы имеющего вид:

v1•ω1 = v2•ω2 (1.2)

где ω - площадь живого сечения трубы, м2 ω= d 2•0,785;

v1 и v2 - тоже что и в формуле (1.1).

Определение потерь напора h_пот^(1-2) производится по формуле Дарси – Вейсбаха:

h_пот^(1-2) = λ(l/d +Σξ) (v_^2)/2g (1.3),

где v- средняя скорость в рассматриваемом сечении, м/с;

Σξ – сумма коэффициентов местных сопротивлений на рассматриваемом участке между сечениями 1и 2, величина безразмерная;

λ – коэффициент гидравлического трения.

Коэффициент гидравлического трения в общем виде зависит от числа Рейнольдса и относительной шероховатости трубы, т.е.

λ = f( Re,Δ_экв/d),

и определяется в зависимости от режима движения жидкости по таблице [3,стр.10]

Режим движения жидкости определяется безразмерным числом Рейнольдса [3,стр.10]:

Re = (v_кр d)/ν (1.4)

где vкр – критическая скорость движения жидкости в трубе, м/с;

ν – коэффициент кинематической вязкости жидкости, м2/с;

d – диаметр трубы, м.

Зная гидравлические характеристики системы трубопроводов, определим параметры насоса, его мощность N, расход Q и высоту всасывания hвсас

N = γQН (1.5)

2.РАСЧЁТНАЯ ЧАСТЬ

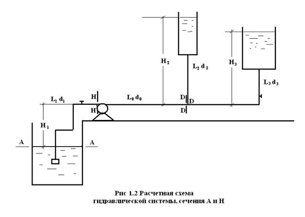
Насос подаёт жидкость из ёмкости А в резервуары В и С с общим расходом

Q = 0,05 м/с. Заданы высоты Н1= 1 м, Н2= 7м, Н3=5 м, а также длины и диаметры участков [3,стр.9]:

всасывающей линии L1 = 8 м и d1 = 100 мм;

напорной линии L0 = 4 м и d0 = 150 мм до разветвления;

линий ведущих к резервуарам L2 = 13м, d2 = 180 мм и L3 = 8 м, d0 = 150 мм;

плотность жидкости ρ = 800 кг/м3;

коэффициент кинематической вязкости ν = 0,5•105 м2/с.

Все трубы стальные, бесшовные несколько лет бывшие в эксплуатации. На рисунке 1 показаны местные сопротивления: проёмный клапан с сеткой, повороты, (прямое колено) задвижки. В расчёте учесть сопротивление при входе в резервуары.

Необходимо определить:

-давление в точке D;

-при заданном расходе Q наибольшую высоту всасывания Н1 max, если вакуумметрический напор на входе в насос не должен быть более 4 метров;

-напор и полезную мощность насоса;

-определить расходы жидкости Q2 и Q3 поступающие в резервуар В и С ( расчёты выполнить аналитический и графоаналитический). Результаты расчётов сравнить между собой.

2.1.Для определения давления в точке D рассмотрим два сечения (Рис.1.1):

- сечение А-А поверхность жидкости а нижнем резервуаре А (начало отсчёта);

- сечение D-D в нагнетательной линии насосной установки;

- кинематический коэффициент Кариолиса α примем равным 1 [3, стр.10];

- скорость vА = 0, т.к. уровень в нижнем резервуаре установившийся, тогда

РА= Ратм , zА= 0, zD = H1

Для определения давления в точке D запишем уравнение Бернулли для сечений

А и D (рис.1.2):

Р_А/ρg = Н1 + P_D/ρg + (v_D^2)/2g + hА-D,

Откуда после соответствующих преобразований найдём искомую величину давления в точке D.

PD = ρg(Р_атм/ρg - H1 - (v_0^2)/2g – hА- hА-D)

Неизвестную величину hА-D потери напора от приёмного клапана в резервуаре А до точки D равную:

hА-D = h0пот + h1пот, м

где h0пот – потери напора от насоса до точки D, м:

h1пот- потери напора от приёмного клапана до насоса, м

Определим неизвестные величины потерь напора.

Используя уравнение неразрывности (1.2) запишем для нагнетательного участка от насоса до точки D (рис.1.1)

v0•ω0 = Q,

откуда скорость на участке «насос точка D»

v_0= Q/ω_(0 )

Тогда число Рейнольдса по формуле (1.4) будет равно:

Re0 = (v_0 d_0)/ν

В соответствии с таблицей [3, стр 10] режим движения жидкости на участке насос– точка D является турбулентным и находися находится в диапазоне

84750< 700000 , следовательно коэффициент гидравлического трения λ вычисляем оп формуле Альтшуля:

λ = 0,11( Δ_э/d )0,23

Потери напора на участке «насос-точка D» вычислим по формуле Дарси-Вейсбаха [2.стр.231],

h_(0 пот) = λ0(l_0/d_0 +Σξ0) (v_0^2)/2g,

где λ0 – коэффициент гидравлического трения на участке «насос-точка D»;

l0– длина участка, м;

d0– диаметр труб на участке, м;

Σξ0 – сумма коэффициентов местных сопротивлений на участке;

v0 – скорость потока на участке, м/с.

Коэффициенты местных сопротивлений на участке отсутствуют

Подставив значения величин в формулу Дарси-Вейсбаха, найдём величину потерь напора в нагнетательной линии насоса,

Подставив значения величин в формулу Дарси-Вейсбаха, найдём величину потерь напора в нагнетательной линии насоса,

h_(0 пот) = λ0(l_0/d_0 +Σξ0) (v_0^2)/2g

-2

Для всасывающего участка трубопровода от приёмного клапана до насоса (сечения А и Н, рис.1.2) уравнение неразрывности запишется:

v1•ω1 = Q,

где v1 – скорость движения жидкости, м/с;

ω1 – площадь живого сечения трубопровода, м2.

Откуда найдём скорость движения жидкости на всасывающем участке, которая равна:

v1 = Q/ω_1

Соответственно число Рейнольдса по формуле (1.4) будет равно:

Re1 = (v_1 d_1)/ν

Число Рейнольдса показывает, что режим движения жидкости находится в 3-й области турбулентного режима [3, стр 10] , 127380 < 700000 поэтому для вычисления коэффициента λ будем использовать формулу Альтштуля

λ = 0,11( Δ_э/d )0,23,

где Δ_э эквивалентная шероховатость, мм [2, табл.П7] Δэ = 0,12 мм.

Тогда коэффициент гидравлического трения λ будет равен

λ1 = 0,11 (0,12/0,100)0,23= 0,0234

.Потери напора на участке «входной клапан - насос» вычислим по формуле Дарси-Вейсбаха [2.стр.231],

h_(1 пот) = λ1(l_1/d_1 +Σξ1) (v_1^2)/2g,

где λ1 – коэффициент гидравлического трения на участке «входной клапан - насос»;

l1 – длина участка, м;

d1 – диаметр труб на участке, м;

Σξ1 – сумма коэффициентов местных сопротивлений на участке;

v1– скорость потока на участке, м/с.

Определим неизвестную величину суммы коэффициентов местных

сопротивлений Σξ1 используя таблицу [4,стр.86]

1. вход а трубу Ø 100 мм ζ = 7 – 1 шт;

2.угольник с плавным углом поворота 90° ζ = 1,32 – 3 шт ζ = 3,96;

3.задвижка полностью открытая ζ = 0,12 – 1 шт.

Σξ1 = 7 +1,32 + 0,12 = 11,08

h_(1 пот) = λ1(l_1/d_1 +Σξ1) (v_1^2)/2g

hА-D= h_(0 пот) + h_(1 пот)

Подставив полученные величины в формулу для определения РD найдём:

PD = (Р_А/ρg - H1 - (v_1^2)/2g –hA-D) ρg

2.2.Для определения наибольшей высоты всасывания насоса запишем уравнение Бернулли для сечений А и Н (рис.1.2),

Р_атм/ρg = Нвсас + P_В/ρg + (v_всас^2)/2g + λ1(l_1 v_всас^2)/(d_1 2g) + (v_всас^2)/2g Σζ,

откуда после соответствующих преобразований найдём искомую величину

Нвсас = P_вак/ρg -( 1 + λ1l_1/d_1 + Σζ1) (v_всас^2)/2g, (м)

где hвак = (Р_атм-Р_С)/ρg = P_вак/ρg вакуумметрическая высота всасывания, м;

РD = РВ

РD = Рабс, где абсолютное давление на входе в насос (сечение В) Рабс = Ратм – Рвак;

vА = 0, т.к. уровень в резервуаре А установившейся.

Нвсас = hвак - ( 1 + λ1l_1/d_1 + Σζ1) (v_всас^2)/2g

2.3. Для определения эффективного напора необходимо вычислить разность напоров в нагнетательной и всасывающей линиях. Для чего запишем уравнение Бернулли для двух сечений А и В (рис.1.3):

-сечения А-А в начале всасывающей линии;

-сечения В-В в конце нагнетающей линии в резервуар В;

РА = РВ = Ратм, т.к. рассматриваем сечения на свободных поверхностях уровней жидкости;

- zВ = Н1 + Н2.

Тогда уравнение Бернулли будет иметь следующий вид:

Ннаг = zВ + (v_В^2)/2g + ΣhА-В, м,

где vВ – скорость потока в сечении В-В, м/с;

ΣhА-В – сумма потерь на местные сопротивлений во всасывающем и нагнетательных участках, м.

-3

2.4.Из уравнения неразрывности выразим скорость потока в трубопроводе на участке от точки D до сечения В-В (на входе в резервуар В)

vВ•ω2 = Q2,

расход Q2 неизвестен, поэтому выразим его через Q3 и используя удельные сопротивления S (4,стр.264) и [5, табл.2], запишим:

Q2 = Q3√((S_3 L_3)/(S_2 L_32 )) ,

Q2 + Q3 = Q

решаем систему уравнений

Q2 = Q3√((S_3 L_3)/(S_2 L_32 ))

0,952•Q3 + Q3 = Q, откуда Q3 = Q/0,952

Q2 = 0,05- 0,0256 = 0,0244 л\с

Зная расход на учаcтке D-B определим скорость

v2 = Q/ω_2

Соответственно коэффициент гидравлического трения на участке от тчки D до В-В

при Re2 = (v_В d_2)/ν

вычислим по формуле Альтшуля , т.к 15000 < 34596<750000:

λ2 = 0.11 (Δ_э/d_2 + 68/〖Re〗_2 )0,23

Величина потерь напора системы от входного патрубка до входа в резервуар В равны:

ΣhА-B= hА-D + hD-B,

где hА-D – потери напора на участке « входной патрубок – точка D, м;

hD-B - потери напора на участке «точка D – резервуар В», м,

hА-D = hА-С + hD

Потери напора на участке «точка D - резервуар В» вычислим по формуле Дарси-Вейсбаха [2.стр.231],

15

hD-B = λ2(l_2/d_2 +Σξ2) (v_2^2)/2g,

Сумма коэффициентов местных сопротивлений равна Σξ2 [4,стр.86]:

1. тройник ζ = 0,32 – 1 шт ζ = 0,32

2.вход трубы в резервуар В – резкое расширение ζ = 1,0;

Σξ2 = 0,32 + 1 = 1,32.

Потери напора на участке равны:

hD-B = λ2(l_2/d_2 +Σξ2) (v_2^2)/2g

Общие потери напора системы от входного патрубка до входа в резервуар В

равны:

ΣhА-В= hА-D + hD-B.

Подставив полученные величины найдём эффективный напор насоса:

Ннаг = zВ + (v_2^2)/2g + ΣhА-В .

Полезная мощность насоса определим по формуле [3, стр.12]

Nнасоса = γQ Ннсоса .

2.5.Для определения расходов жидкости Q 2 и Q3Запишим уравнение Бернулли для сечений D-D и сечения, которое совпадает с уровнем жидкости в резервуаре В.

Принимая z2 = Н2 а zD=0, hD-B – потери напора между сечениями. Давление на свободной поверхности в резервуаре В – атмосферное давление, в сечении D-D принимаем за абсолютное.

ZD+ Р_абс/(γ ) + (v_D^2)/2g = Z2 + Р_атм/(γ ) + (v_2^2)/2g + hD-B.

Обозначив разницу между абсолютным и атмосферным давлениями как НD-2:

(Р_абс-Р_атм)/γ =Р_избD2/γ = НD2, то получим НD2 = Н2 + hD-B,

где Н2 – геодезическая высота уровня жидкости в резервуаре В.

НD2 = Н2 + hD-B

НD-B = Q2•АL,

16

где А – удельное сопротивление трубопровода[2, стр.265], определяемое по справочникам в соответствии с заданным диаметром d2 (с2/м6) [5, табл.2], А = 20,79 с2/м6.

Выразив Q2 из полученных формул, определим его значение:

Q2 = √((〖Н _D〗_2-H_2)/(A_2 l_2 )) (м3/с).

Подставив имеющиеся значения напоров и удельное сопротивление определим Q2

Q2 = √((〖Н D〗_2-H_2)/(A_2 l_2 )) =

невязка с расходом, найденном в п. 2.4 составляет

(0,0244 – 0,0237)/100 менее 1%, поэтому примем расход Q2 = 0,0244 м3/с

При общем расход Q и расходе в первой ветке Q2 найдём расход во второй ветке Q3. Q3 = 0,0256 м3/с.

Расчёт вносим в таблицу для ряда значений Q.

Таблица 1

№ п/п Q,(м3/с) v, (м/с) Re λ H, (м)

1 0.01 1,274 25480 0,0307 0,246

0.02 2,548 50960 0,0278 0.222

0.03 3,822 76440 0,0266 0,219

0.04 5,096 101920 0,0259 0,207

0,05 6,37 127400 0,0255 0,204

0 0.01 0,566 16980 0,0322 0,129

0.02 1,13 33900 0,0285 0,114

0.03 1,695 50850 0,0267 0,107

0.04 2,26 67800 0,0257 0,103

0,05 2,826 84780 0,025 0,10

2 0.01 0,394 14184 0,0351 0,456

0.02 0,787 28332 0,0291 0,378

0,0244 0,961 34596 0,0281 0,356

3 0,01 0,565 16950 0.0322 0.258

0,02 1,13 33900 0.0274 0.219

0,0256 1,446 43380 0.0273 0.0219

На основании полученных данных построим характеристики трубопровода Н(Q) и отдельных его ветвей рис 1.3. При построении графиков для трубопроводов работающих последовательно (участки 1 и 0) суммируются напоры, а при работе параллельно (участки 2 и 3) суммируются расходы.

-4

Рисунок 1.4. Характеристика трубопроводов

Вывод

Как видно из графика для последовательно соединенных трубопроводов складываются потери напоров Н1 + Н0 этих участков и полученная кривая(1+0) есть суммарная характеристика при постоянном расходе. При построении характеристики параллельно соединенных трубопроводов соответственно складываются расходы этих участков Q2 + Q3.

Товарищи (господа) студенты если у кого то возникли вопросы по решению или ответу на вопрос, пишите на почту: khb6804@mail.ru