Добавить в корзинуПозвонить
Найти в Дзене

Как определить максимальный рабочий ток светодиода

Чтобы не сжечь светодиод, но при этом получить яркость, заявленную производителем, необходимо знать максимальный прямой ток светодиода. В datasheet он указан в строке Forward Current, символ IF. Рассматривается случай, когда о светодиоде нет никакой информации. Максимальный ток некоторых светодиодов можно узнать по корпусу: большая часть новых индикаторных светодиодов рассчитана на ток 20 мА; для питания филаметных светодиодов используют ток не более 12 мА. В таблице упоминаются 3 старых светодиода с максимальным током 6 мА: КИПД05А-К, КИПД05Б-Л, КИПД05В-Ж. Для определения максимального тока более мощных светодиодов необходимо выполнить несколько шагов, описанных далее. 1. Подключаем светодиод к источнику стабильного тока 20 мА. Такой источник легко собирается на микросхеме LM317 и одном резисторе. Сопротивление резистора определяем по формуле: R=1,25/I, или с помощью калькулятора. Чтобы получить ток 20 мА, нужен резистор: 1,25/0,02=62,5 Ом. Микросхема на

Чтобы не сжечь светодиод, но при этом получить яркость, заявленную производителем, необходимо знать максимальный прямой ток светодиода. В datasheet он указан в строке Forward Current, символ IF. Рассматривается случай, когда о светодиоде нет никакой информации.

Максимальный ток некоторых светодиодов можно узнать по корпусу:

большая часть новых индикаторных светодиодов рассчитана на ток 20 мА;

для питания филаметных светодиодов используют ток не более 12 мА.

В таблице упоминаются 3 старых светодиода с максимальным током 6 мА: КИПД05А-К, КИПД05Б-Л, КИПД05В-Ж.

Для определения максимального тока более мощных светодиодов необходимо выполнить несколько шагов, описанных далее.

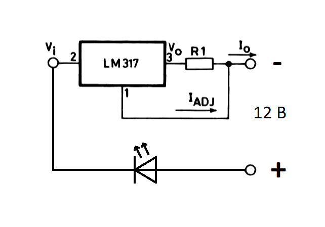
1. Подключаем светодиод к источнику стабильного тока 20 мА.

Такой источник легко собирается на микросхеме LM317 и одном резисторе. Сопротивление резистора определяем по формуле: R=1,25/I, или с помощью калькулятора.

Чтобы получить ток 20 мА, нужен резистор: 1,25/0,02=62,5 Ом. Микросхема на фото имеет 8 выводов, но это сути не меняет.

Ссылки на другие текстовые публикации: По темам; Все статьи.

2. Оцениваем цвет свечения и измеряем падение напряжения на светодиоде. Разным спектрам соответствует свой примерный диапазон падений напряжений. Если светодиод не даёт света, и на мультиметре 12 В, то следует поменять полярность. Если не светится/светится очень слабым красным цветом, на мультиметре менее 2 В, а на экране камеры светится ярче, то это инфракрасный светодиод.

Примерные падения напряжений разных светодиодов.

Инфракрасные (845-875 нм): 1,34-1,6 В; (890-940 нм): 1,19-1,27 В

Красные: 1,61-2,42 В. Мощные (3 Вт) до 3 В.

Оранжевые: 2-2,1 В.

Жёлтые: 2,07-2,21 В.

Зелёные (жёлто-зелёные, 570 нм): 2,06-2,46 В; (яркие, 525 нм) 3,19-3,35 В. Мощные (3 Вт, 525 нм) до 3,75 В.

Синие, люминофорные на основе кристалла, излучающего синий свет (белые, разноцветные, фито): около 3 В. Мощные (3 Вт) до 4 В.

Фиолетовые: 2,76-4 В.

Ультрафиолетовые (365-400 нм): 3,1-3,9 В; (265-355 нм): 4,5-10 В

3. Сопоставляем данные: цвет, количество кристаллов, падение напряжения, тип корпуса, и при необходимости поднимаем ток.

На фотографии выше представлен мощный фито светодиод с одним кристаллом. Падение напряжения 2,654 В говорит о том, что ток светодиода сильно занижен. Тип корпуса указывает на это же. В этих корпусах выпускают светодиоды на ток 350 мА (один кристалл, 1 Вт), 700 мА (один или два кристалла последовательно, 3 Вт и 5 Вт соответственно) и 1400 мА (два кристалла параллельно, 5 Вт). Нужно поднимать ток, чтобы падение напряжения достигло хотя бы 3 В (ток 295 мА), а можно сразу до 350 мА. Теоретически светодиод на 350 мА должен иметь меньший размер кристалла, чем светодиод на 700 мА. А также, если при повышении тока яркость не увеличивается, а снижается эффективность, то, очевидно, что максимальный ток уже достигнут.

Далее о многокристальных светодиодах.

В галерее на первой фотографии трёхкристальный SMD светодиод. При токе 20 мА его падение напряжения 8,14 В, т.е. 3 кристалла по 2,71 В. Кстати, 12-ти вольт на входе микросхемы будет недостаточно, чтобы запустить 4-х кристальный светодиод на указанном токе.

На второй фотографии двухкристальный белый светодиод. 5,48/3=1,83 или 2 кристалла с падением напряжения 5,48/2=2,74 В на каждом. Нужно поднимать ток, чтобы напряжение стало 6 В, что соответствует току 78 мА.

Ориентируясь на 3 Вольта на кристалл, можно приблизительно узнать, не перегружены ли светодиоды в лампе. Если больше 3-х вольт на одном кристалле (бывают до 18-ти кристаллов в одном светодиоде), то для продления срока службы лампы, лучше снизить до трёх, либо ещё ниже.

Кратко добавлю, что определённый размер кристалла примерно должен соответствовать конкретной мощности. Чем больше размер, тем больший максимальный ток будет выдерживать светодиод. Три видео: 1, 2, 3.

Предлагаю ознакомиться с тематическим списком и всеми статьями!

Спасибо за то, что дочитали мою статью!
Если информация понравилась - ставьте лайк и делитесь на других сайтах. Также буду рад комментариям и долгому времени прочтения!