Добавить в корзинуПозвонить
Найти в Дзене
Radio-любитель

Регулировка двигателя в простых самоделках

Всем здравствуйте. Регуляторы скорости достаточно популярны. Отчасти из-за их простоты и из-за широкого спектра применений, в любительской и профессиональной практике. Среди любителей особенно популярны регуляторы двигателей постоянного тока, которые широко используются, например, в моделировании, авиации, а также в повседневной практике для контроля скорости различных самодельных малогабаритных любительских дрелей. Управление скоростью двигателей постоянного тока может быть выполнено де-факто только двумя способами — импульсным или линейным управлением. Линейное управление очень простое и может быть реализовано, например, с помощью простого последовательного резистора, то есть потенциометром. Однако этот способ не подходит для управления двигателями с более высокой мощностью, поскольку потери мощности, возникающие на этом резисторе, могут превышать мощность двигателя. Конечно, можно было бы регулировать не последовательным резистором, а, например, линейным источником, но проблема

Вот на фото приведу как пример двигатели
Вот на фото приведу как пример двигатели

Всем здравствуйте. Регуляторы скорости достаточно популярны. Отчасти из-за их простоты и из-за широкого спектра применений, в любительской и профессиональной практике. Среди любителей особенно популярны регуляторы двигателей постоянного тока, которые широко используются, например, в моделировании, авиации, а также в повседневной практике для контроля скорости различных самодельных малогабаритных любительских дрелей.

Управление скоростью двигателей постоянного тока может быть выполнено де-факто только двумя способами — импульсным или линейным управлением. Линейное управление очень простое и может быть реализовано, например, с помощью простого последовательного резистора, то есть потенциометром. Однако этот способ не подходит для управления двигателями с более высокой мощностью, поскольку потери мощности, возникающие на этом резисторе, могут превышать мощность двигателя.

Конечно, можно было бы регулировать не последовательным резистором, а, например, линейным источником, но проблема потери мощности остается той же. Кроме того, этот линейный контроль сопровождается еще одним негативным явлением, проявляющимся на очень низких скоростях это напряжение, при котором двигатели не запускаются плавно.

Принципиальная схема регулятора
Принципиальная схема регулятора

Поэтому импульсное управление используется гораздо чаще. Его принцип относительно прост и заключается в подаче на двигатели номинального напряжения питания, которое, подключается на короткое время. Таким образом, напряжение на двигателе появляется только в течение определенного периода времени, который чередуется с интервалом.

Импульсные регуляторы определяет скорость вращения двигателей, при этом напряжение питания может составлять от 0 до 100%. Большим преимуществом является малая потеря мощности на переключающем элементе, которая определяется только его потерями и скоростью переключения. Кроме того, благодаря номинальному току, двигатель сохраняет крутящий момент, что позволяет использовать его мощность даже на низких оборотах.

Конечно, при простом импульсном управлении это зависит от нагрузки двигателя, то есть скорость при полной нагрузке различна, когда двигатель работает на холостом ходу. Поэтому используются двигатели с так называемой обратной связью, где электромагнитная сила обмотки измеряется в момент подачи питания на двигатель, и результирующее напряжение сравнивается с требуемой скоростью.

Вот такие в два, а то и три раза мощнее чем фото выше
Вот такие в два, а то и три раза мощнее чем фото выше

Здесь используется одно из основных свойств вращающихся машин постоянного тока, а именно обратимость работы. В случаях требуемое или полученное напряжение прямо пропорционально скорости, но при условии постоянной механической или электрической нагрузки.

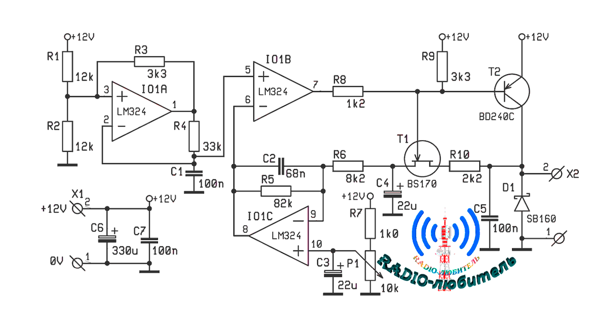
Операционный усилитель IO1A включен в качестве генератора опорного напряжения. Частота со значениями компонентов R4 и C1 на схеме составляет около 100 Гц, что обычно является приемлемым компромиссом. Для нужд измерения напряжения более подходящей будет более низкая частота, а для эффективного контроля скорости, более высокая.

Полученный таким образом сигнал подается на не инвертирующий вход простого компаратора на элементе IO1B. Выход компаратора управляет силовым транзистором T2, который переключает напряжение питания двигателя. Следовательно, чтобы поддерживать постоянную скорость, это напряжение должно быть обратно пропорционально скорости, получаемое на инвертирующем усилителе IO1C.

Напряжение с двигателя снимается через резистор R10 и простейший фильтр C5. Если выход IO1B на низком уровне (T2 закрыт), T1 открывается и напряжение, «вырабатываемое» двигателем, подается на конденсатор C4, который заряжается. Затем следует инвертирующий усилитель IO1C с небольшим интегрирующим конденсатором C2, который устраняет остаточную пульсацию. Опорное напряжение регулируется потенциометром. Он определяет базовый уровень выхода IO1C и, следовательно, напряжение на инвертирующем входе IO1B.

Печатная плата сторона проводников
Печатная плата сторона проводников

Если скорость двигателя уменьшается из-за высокой механической нагрузки, создаваемое напряжение также уменьшается. Согласно описанию, это увеличивает выходной сигнал IO1C и напряжение питания увеличивается. Это также увеличивает скорость, и входы IO1C возвращаются в равновесие. Когда на двигателе нагрузка уменьшается, этот процесс меняется на противоположный.

Подключение двигателя дополняется защитным диодом D1, который предназначен для устранения любых скачков напряжения, они могут возникнуть во время коммутации двигателя. Вся схема рассчитана на питание 12В, но можно без проблем использовать до 18В. Единственное ограничение — это максимальный ток двигателя, который не должен превышать 2А.

Расположение компонентов на печатной плате
Расположение компонентов на печатной плате

Если требуется больший ток, необходимо заменить транзистор Т2 другим более мощным. Вся конструкция выполнена на небольшой односторонней печатной плате. Проверка работоспособности, при заведомо исправных компонентах и монтаже без ошибок схема работает с первого включения. Всем спасибо.

-6