Найти в Дзене
МЕГАВОЛЬТ

Цифровой тахометр, сделай сам.

К сожалению, во многих отечественных и импортных автомобилях отсутствует один очень важный прибор — тахометр.
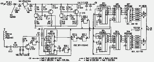
Прибор имеет двухразрядный цифровой индикатор, показывающий число тысяч и сотен оборотов в минуту. Питается электронный тахометр от бортовой сети автомобиля и потребляет ток 0,45А. Принципиальная электрическая схема прибора изображена на рисунке. Цифровой тахометр состоит из узла управления на ИМС DD1 и элементов DD2.1, DD2.3, DD2.4; двух генераторов на транзисторах VT1…VT4; входного формирователя импульсов — триггера Шмитта VT5, DD2.2; счетчика импульсов на ИМС DD3, DD4; промежуточной памяти на ИМС DD5, DD6; дешифратора на ИМС DD7, DD8 и индикатора HI. Работа узла управления подробно описана в [1]. Мультивибратор на VT1, VT2 задает время измерения, а мультивибратор на VT3, VT4 определяет рабочий цикл прибора. Входной формирователь и счетчик собраны по типовой схеме и особенностей не имеют, поэтому сразу же начинают работать. В схему цифрового тахометра введена промежуточная

К сожалению, во многих отечественных и импортных автомобилях отсутствует один очень важный прибор — тахометр.
Прибор имеет двухразрядный цифровой индикатор, показывающий число тысяч и сотен оборотов в минуту.

Питается электронный тахометр от бортовой сети автомобиля и потребляет ток 0,45А. Принципиальная электрическая схема прибора изображена на рисунке.

-2

Цифровой тахометр состоит из узла управления на ИМС DD1 и элементов DD2.1, DD2.3, DD2.4; двух генераторов на транзисторах VT1…VT4; входного формирователя импульсов — триггера Шмитта VT5, DD2.2; счетчика импульсов на ИМС DD3, DD4; промежуточной памяти на ИМС DD5, DD6; дешифратора на ИМС DD7, DD8 и индикатора HI.

Работа узла управления подробно описана в [1]. Мультивибратор на VT1, VT2 задает время измерения, а мультивибратор на VT3, VT4 определяет рабочий цикл прибора. Входной формирователь и счетчик собраны по типовой схеме и особенностей не имеют, поэтому сразу же начинают работать. В схему цифрового тахометра введена промежуточная память на триггерах для исключения мерцания цифр индикатора во время счета. Синхронизируются триггеры К155ТМ5 сигналом с вывода 8 DD1, проходящим через конденсатор С4 и DD9.1 для получения нужной длительности и фазы. Время рабочего цикла устанавливается подбором резистора R11, а время измерения — подбором резистора R7.

Для обычного автомобильного четырехтактного четырехцилиндрового двигателя применяется индуктивный датчик. Он представляет собой 50…70 витков провода ПЭЛ 1.0, намотанных виток к витку на высоковольтном проводе, соединяющем распределитель зажигания с катушкой зажигания.

Один конец катушки датчика обязательно надо изолировать, а второй — соединить со входом тахометра.

Частота импульсов зажигания и число оборотов двигателя связаны между собой формулой: f = 2n/60, где f — частота импульсов зажигания; n — число оборотов в минуту вала двигателя.

Так, значению числа оборотов 3000 соответствует частота импульсов 100 Гц. Но так как индикатор тахометра должен показывать в это время 3.0, на счетчик должно пройти только 30 импульсов из 100 в секунду. Поэтому время измерения в этом случае устанавливается 0,3 с. Время рабочего цикла должно быть в 10…20 раз больше (3…6 с).

Конструкция и детали. Двухразрядный цифровой индикатор болгарского производства VQE24 можно заменить двумя отечественными — АЛС324Б или АЛС342Б. Если заменить дешифраторы КР514ИД2 на К514ИД1, можно исключить из схемы резисторы R13…R19, R21…R27 и применить индикаторы АЛС324А с общим катодом. Все микросхемы серии 155 можно заменить на соответствующие серий 133, 555, 1533. Транзисторы КТ315 можно заменить на КТЗ 12, а КТ361 на КТ326. Диоды VD2, VD3 — — любые кремниевые: КД510, КД521, КД509. Конденсаторы С1, С2, С6 — К53-1, К53-14; СЗ, С5 — К73-17; остальные — КМ5, КМ6. ИМС стабилизатора напряжения DA1 —типа КР142ЕН5А, можно заменить на КР142ЕН5В.

Все детали электронного тахометра, кроме R1 и цифрового индикатора, размещены на двусторонней печатной плате размерами 60х115 мм. Плата помещена в корпус из полистирола размером 65х145х35мм. DA1 устанавливается на небольшом ребристом радиаторе. На резисторе R1 падает около 5 В, что существенно облегчает тепловой режим стабилизатора. Если все детали исправны, то прибор сразу же начинает работать. Налаживание заключается в следующем: на базу VT5 подается сигнал частотой 100 Гц, и подбором R7 устанавливаются показания индикатора 3.0, что соответствует 3000 об/мин.

В заключение хочу отметить, что по этой схеме моими знакомыми собраны несколько электронных тахометров, отличающихся только конструктивно, и все они уже несколько лет отлично работают на различных автомобилях.