Найти в Дзене
МЕГАВОЛЬТ

Самые распростронённые неисправности усилителей, и методы их поиска.

1 Введение Закончив свой шедевр, с некоторым расстройством Вы обнаруживаете, что он не работает. Неработоспособность может вариировать от мгновенного сгорания при включении питания (помните, какие предохранительные резисторы я всегда предлагаю? Теперь Вы знаете, зачем!), до странных звуков, прерывистого поведения и т.д. и т.п. Невозможно написать статью, которая охватывала бы все возможные случаи неполадок, но, надеюсь, представленный здесь материал поможет устранять их с минимальными затратами. Одно из положений, на котором я многократно акцентировал внимание на своем сайте, заключается в том, что если проект не работает, то почти наверняка допущена ошибка. Хотя я, как правило, делаю все возможное, чтобы помочь получить работоспособный проект, но это и всё, что я могу сделать, поэтому выяснение, что же сделано неправильно, является именно Вашей задачей (а не моей). Поскольку основные методы устранения неполадок широко не известны, или же так кажется, поскольку я получаю огромное коли
Оглавление

1 Введение

Закончив свой шедевр, с некоторым расстройством Вы обнаруживаете, что он не работает. Неработоспособность может вариировать от мгновенного сгорания при включении питания (помните, какие предохранительные резисторы я всегда предлагаю? Теперь Вы знаете, зачем!), до странных звуков, прерывистого поведения и т.д. и т.п.

Невозможно написать статью, которая охватывала бы все возможные случаи неполадок, но, надеюсь, представленный здесь материал поможет устранять их с минимальными затратами.

Одно из положений, на котором я многократно акцентировал внимание на своем сайте, заключается в том, что если проект не работает, то почти наверняка допущена ошибка. Хотя я, как правило, делаю все возможное, чтобы помочь получить работоспособный проект, но это и всё, что я могу сделать, поэтому выяснение, что же сделано неправильно, является именно Вашей задачей (а не моей).

Поскольку основные методы устранения неполадок широко не известны, или же так кажется, поскольку я получаю огромное количество запросов о помощи и должен пытаться диагностировать из получаемых описаний проблем, что же пошло не так. Само собой разумеется, что многие из этих описаний оставляют меня в недоумении о чем же меня спрашивают. Это не обвиняет человека, задающего вопрос, но показывает, что в заблуждение может вводить даже терминология. Существует огромная разница между «гулом» ('hum') и «гудением» ('buzz'), но если Вы этого не понимаете, то мне нужно либо выяснить наиболее вероятный (правильный) термин из представленного описания, либо переспросить.

Кроме того, понадобится также копия принципиальной схемы усилителя в качестве эталонной. В этой статье я коснусь только очень общих моментов, т.к. на моем сайте и в других местах есть множество конструкций усилителей и, если их описания характерны только для одной конкретной конструкции, то Вы можете столкнуться с большими трудностями при работе над чем-то другим.

Чтобы грамотно диагностировать неисправности, Вам нужно хорошо понимать, как именно работает схема — это позволяет принимать обоснованные решения, знать, что искать (и где) и мгновенно распознавать правильные или неправильные значения измеренных напряжений. Я никогда не утверждал, что это просто!

В данной статье я сделал одно важное допущение: прямое падение напряжения на диоде (или транзисторном переходе) номинально составляет 650 мВ (0,65 В), но оно может изменяться в значительных пределах. В большинстве описаний, которые будут приведены ниже, я предполагаю величину 650 мВ, но вполне ожидаемо увидеть его где-то между 0,55 и 0,75 В, в зависимости от типа, протекающего тока и т.д.

2 Общие проблемы

Существует довольно много распространенных проблем, с которыми время от времени придется сталкиваться. Поиск неисправностей упрощается, если один канал стереоаппарата работает, а другой нет, т.к. есть база, которую можно использовать для сравнения. Это относится к показаниям напряжения, измерениям сопротивления и т.д., а кроме того, исключает некоторые из наиболее распространенных ошибок, как, например, неподключенный возвратный провод нулевого напряжения (заземление), когда усилитель включен в сеть (если Вы так сделаете, то не будет работать ни один канал).

Из сказанного следует, что если не работает любой из проектов, выполненный на печатных платах с «Audio Pages», значит, Вы совершили ошибку. Бывают случаи, что неисправны или неправильно маркированы новые компоненты, но, за исключением контрафактных силовых транзисторов, они очень редки. Следует знать, что хотя новые компоненты и могут быть неисправными, но сначала нужно заподозрить свою собственную работу.

Приведенные ниже основные замечания демонстрируют некоторые из наиболее распространенных причин неудач в реализации проектов.

2.1 Плохие паяные соединения

Выполненное паяное соединение должно быть чистым, блестящим и демонстрировать идеальную адгезию как к выводу компонента, так и к печатной плате. Паяное соединение выполнено неправильно, если имеются какие-либо признаки того, что припой покрыт «изморозью», сидит на печатной плате в виде «капли» или не поднимается вверх по выводу компонента в виде плавной дуги. Оно может даже быть работающим, но контакт является/может быть основанным на давлении, а не на сплаве, каким он должен быть (припой образует «сплав» или молекулярную связь металлов между припоем, выводом компонента и печатной платой).

Самая важная вещь в создании отличного паяного соединения (в отличие от отвратительного или едва приемлемого) — это чистота! Выводы компонентов, печатная плата и жало паяльника должны быть абсолютно свободны от какого-либо загрязнения — необходимо удалить сожженный флюс, расплавленный пластик, окислы, старый припой и т.д. Убедитесь, что Ваш паяльник (или паяльная станция) может обеспечить нужное количество тепла, а во время охлаждения припоя компонент остается неподвижным. При большом количестве тепла будет гореть флюс (и даже сам припой!) и может повредиться компонент. Слишком мало тепла создаст «холодное» («сухое») паяное соединение, где припой просто находится в виде капли, но не образует металлической связи.

2.2 Неправильные компоненты

Все компоненты должны быть размещены на правильных местах, как показано на шелкографии печатной платы и/или в инструкции по монтажу. Хотя может показаться очевидным, но это наиболее распространенная форма «отказа компонента» — компонент сам по себе не является неисправным, но если находится в неправильном месте, то нарушает работу схемы. Ситуация усугубляется и тем фактом, что многие компоненты используют «странные» маркировки и не всегда легко понять, какое значение должно быть.

С резисторами, кодированными цветными полосками, если вы уверенно не знаете цветового кода, хорошей идеей является перемерить их все перед установкой. Особенно это касается 1% пятиполосных кодов, поскольку они могут быть очень запутанными даже для профессионалов!

Всегда, всегда, убедитесь, что вы скачали спецификации производителей на транзисторы, микросхемы и т.д. Нередко случается так, что поставщики заменяют оригинальные (брендовые) компоненты «эквивалентами». Кроме того, что они могут (или не могут) быть такими же хорошими, как и оригиналы, у них также могут быть отличия в цоколевке. Единственный способ узнать наверняка — получить джаташит от компании, фактически изготовившей данный компонент. Это, в основном, относится к полупроводникам, но может касаться также и реле, некоторых электролитических конденсаторов (особенно конденсаторов фильтра питания) и других компонентов. Что касается полупроводников — большинство из них будут прекрасного качества, но дорогостоящие выходные транзисторы большой мощности регулярно подделываются!

Иногда вы можете получить совершенно новый фирменный компонент, который оказывается неисправным. Раздражает? Конечно, но это и неизбежно. В таком случае Вам действительно нужно оттачивать свои навыки поиска неисправностей, поскольку это явно не результат ошибки с Вашей стороны. Эти ошибки могут быть сложными для поиска и требуют дисциплинированного подхода к устранению неполадок при ремонте.

2.3 Самовозбуждение

Резистор цепи Цобеля в большинстве усилителей расположен на выходе последовательно с конденсатором, обычно емкостью 100 nF, однако, возможны варианты. Если резистор начинает дымиться и он или усилитель быстро нагревается, это значит, что либо усилитель самовозбуждается, либо Вы пытаетесь усилить слишком высокую частоту.

Самовозбуждение вызвано неправильным номиналом конденсатора частотной коррекции (обычно между 47 и 220 пФ) или (что более вероятно), расположением входных кабелей слишком близко к проводникам, идущим к динамикам. Входные кабели к усилителям мощности всегда должны экранироваться и располагаться как можно дальше от проводов от источника питания постоянного тока, сетевых трансформаторов и сетевого шнура, проводов и разъемов к громкоговорителям и т.д. В некоторых случаях может потребоваться обеспечить экранирование соединения между входным предусилителем и усилителем мощности.

Во время тестирования радиатор может не быть заземлен на общий провод источника питания. В некоторых случаях это может вызвать самовозбуждение, поскольку радиатор действует как антенна, аналогично входному кабелю, если он не экранирован. Всегда заземляйте радиатор, даже для быстрого тестирования.

К слову о радиаторах: никогда не используйте усилитель мощности без радиатора. Устройства могут очень быстро перегреться и легко повредиться при превышении температуры. Если Вы спешите, то для крепления временного радиатора можете использовать маленький зажим, но при этом тщательно контролируйте температуру.

2.4. Ошибки схемы/печатной платы

Я рад возможности сказать, что на страницах Audio Pages мало схемных ошибок (если таковые вообще есть). Однако, это не всегда так и в схемах из Интернета можно найти немало ошибок (некоторые опубликованные схемы не будут работать вообще или будут подвергать перегрузке все компоненты за переделами их номиналов). Даже солидные и обычно надежные журналы могут делать (и делают) ошибки. Иногда эти ошибки будут вообще препятствовать работе схемы, так что будьте осторожны.

Хотя в некоторых проектных печатных платах могут быть случайные ошибки, но на них четко указывается в примечаниях к их изготовлению и они будут, как правило, незначительными — серьезные ошибки требуют переделки платы (что дорого), однако, некоторые печатные платы ESP всё же требуют какой-либо модификации, при которой ошибки трассировки обычно исправляются при выполнении следующей ревизии ПП. Там, где существует какая-либо ошибка, средство ее устранения будет указано в статье по изготовлению.

Само собой разумеется, что если Вы обнаружите ошибку в любом из проектов ESP (ПП, схематические или конструктивные детали), то, пожалуйста, дайте мне знать — это основная причина, по которой их так мало: люди сообщают о них и я ценю отзывы. Однако, если Вы обнаружили ошибку в каком-либо чужом проекте — я даже не хочу об этом знать. Сообщайте о ней автору, а не мне.

3 Инструментарий для устранения неполадок

3.1 Мультиметр

Чтобы иметь возможность выполнять даже самую базовую диагностику, Вам понадобится, как минимум, мультиметр, а желательно два. Большинство людей предпочитают их с цифровой индикацией, но если Вы знаете, как использовать аналоговый тестер, то сможете найти то, что пропустят цифровые мультиметры.

Вы должны иметь возможность измерять:

  • напряжение как переменного, так и постоянного тока, от нескольких милливольт до 100 В (или более);
  • ток, достаточно постоянный, но предпочтительно, по крайней мере, до 2 А;
  • сопротивление, от менее 1 Ом до 10 МОм;
  • другие функции (тестирование транзисторов, емкость, частота) полезны, но не являются обязательными.

3.2 Генератор сигнала

Вам нужен также источник сигнала. Хотя может быть полезен и приемник (к примеру), но он не является хорошим источником правильных тестовых сигналов и поэтому применение его ограничено. Существует несколько неплохих генераторов звуковой частоты на базе ПК, доступных в Интернете (разве что немного неудобных в использовании). В идеале следует использовать генератор звуковой частоты.

3.3 Осциллограф

Для некоторых тестов осциллограф почти незаменим. Хотя немногие любители могут оправдать покупку такого дорогостоящего инструмента для тестирования, для многих профессионалов CRO (осциллограф с катодной трубкой) или «осциллоскоп» является первым инструментом, подключаемым к чему-либо не работающему. Опять же, существует много программ для ПК, которые позволяют использовать компьютер в качестве простого осциллографа. По своей природе большинство звуковых карт ограничены частотой 20 кГц, поэтому такие инструменты на базе ПК не смогут разрешить все проблемы.

Предупреждение: осциллограф нельзя использовать так же, как и мультиметр (если это не портативный изолированный блок), поскольку один разъем щупа подключен к шасси, а оттуда — к заземлению сети. Никогда, ни в коем случае не отсоединяйте защитное заземление от осциллографа — это приглашение к катастрофе, смерти и/или уничтожению чего-то или кого-то, в какой-то момент. Это чрезвычайно опасная практика.

3.4 Эквивалент нагрузки

«Эквивалент нагрузки» — обычно резистор большой мощности или набор резисторов, в идеале переключаемый на 4 или 8 Ом. Он позволит бесшумно выполнять тестирование полной мощности. Если есть неисправность, то нагрузка просто нагревается, но громкоговорители при этом не поджариваются. При желании, для контроля выходного сигнала, от каждого вывода нагрузки ко внешнему громкоговорителю можно подключить резистор сопротивлением 47 Ом, мощностью 10 Вт.

Если нужно рассеять много тепла, набор нагрузочных резисторов можно погрузить в масло (прекрасное решение — легкое моторное масло) или воду. Для удаления тепла лучше всего подходит вода, но при работе с постоянным током она может вызвать коррозию. Не используйте хладагент на основе гликоля (охлаждающая жидкость для автомобильного двигателя). Он довольно проводящий и образует очень неприятную коррозию, особенно при протекании постоянного тока. Ваш эквивалент нагрузки должен иметь возможность использования для тестирования источников питания, а постоянный ток приведет к выходу из строя резистивных проводников вследствие коррозии и электролиза. Я действительно не ожидал проблем с гликолем, но он бесполезен для эквивалентов нагрузок и никогда не должен использоваться. Мой личный фаворит — легкое моторное масло (чистое). Это то, что я использую, чтобы охладить нагрузку, которая время от времени подвергалась воздействию мощности до 1 кВт. Я использую один и тот же эквивалент нагрузки уже более 30 лет и он никогда не выходил из строя.

3.5 Источник питания

Электропитание стенда очень полезная вещь, но, возможно, еще более полезным является трансформатор переменного напряжения («ЛАТР»; «Variac™»). Он обеспечит любое регулируемое напряжение, а напряжение питания усилителя можно медленно увеличивать, контролируя его выходное напряжение (и ток потребления вторым мультиметром). Еще один полезный тестовый инструмент для тех, кто не в состоянии оправдать расходы (опять же, ЛАТР — это недешево) — это «ламповый провод» — стандартная лампа накаливания (обычно достаточно примерно 100 Вт), включенная в разрыв сетевого шнура (и правильно изолированная!). Усилитель с коротким замыканием вызовет свечение лампы с полной яркостью, тогда, как нормальная нагрузка заставит лампу мгновенно вспыхнуть, а затем притухнуть до постоянного тусклого свечения.

Одним из наиболее важных инструментов электропитания является пара резисторов мощностью 10 Вт, сопротивлением от 10 до 22 Ом (или с номиналом, предложенным в статье о конкретном проекте). Они должны включаться последовательно в разрыв проводов, подводящих питание и ограничивать ток до приемлемых значений, особенно в сочетании с варистором или лампой.

Теперь, когда у Вас есть инструменты для диагностики, мы можем продолжить некоторые фактические измерения.

4 Наиболее распространенные неисправности

В этом разделе собрано все вместе. Первое, что нужно сделать, когда Вы знаете, что усилитель неисправен, — это определить точный характер неисправности. Коротится ли питание (защитные резисторы становятся горячими), или же сигнал на выходе принимает значение, равное одному из питающих напряжений и отказывается изменяться? Возможно, всё выглядит неплохо, но наблюдаются сильные искажения. Удостоверьтесь, что неисправность достаточно четко идентифицирована — нет никакого смысла искать ошибку, которая была неправильно диагностирована!

4.1 Короткие замыкания по питанию

Во-первых, давайте рассмотрим «закороченное питание». Чаще всего оно вызывается короткозамкнутым (-и) (пробитым (-и)) выходным (-и) или драйверным (-и) транзистором (-ами), но также может быть результатом любой из следующих неисправностей:

  • неправильно установленные транзисторы — PNP вместо NPN (или наоборот) в выходном либо в драйверном каскаде;
  • короткие замыкания между корпусом транзистора и радиатором из-за пробитой изолирующей прокладки;
  • разомкнута цепь формирования тока покоя. Она состоит из транзистора и подстроечного резистора и формирует напряжение смещения, необходимое для поддержания тока через выходные транзисторы на уровне, позволяющем избежать искажений («ступеньки»). Неправильно установленный транзистор, неисправный (оборванный, с неправильным значением или неправильно настроенный) переменный резистор, «холодное» паяное соединение или оборванная дорожка могут привести к полному открытию выходных транзисторов при подаче питания. В некоторых конструкциях цепь смещения представляет собой просто два диода (или более), последовательно с которыми может быть также включен резистор;
  • перемычки из припоя между дорожками или компонентами.

Первое, что нужно определить — является ли это короткое замыкание (К.З.) «грубым» или же «мягким». Грубое К.З. будет проявляться, как очень низкое сопротивление между шинами питания (менее 1 Ом) при измерении с помощью мультиметра без подачи напряжения питания. Грубые К.З. всегда указывают либо на пробитые транзисторы, мостики из припоя, либо на проколотые изолирующие прокладки. Если очень повезет, то это будет одна из двух последних причин, но надеяться на это не следует. В только что собранном усилителе, который тестируется в первый раз (с использованием резисторов безопасности!), грубые К.З. обычно не проявляются.

Мягкое К.З. определяется по тому факту, что сопротивление, измеренное между шинами питания одна по отношению к другой, выходом и землей (нулем, общей шиной) не показывают очень низкого значения (меньше, чем (скажем) 650 Ом или около того). Значение сопротивления около 600-700 Ом может быть только в одном направлении (в действительности, это напряжение, которое падает либо на P-N переходах реальных диодов, либо на переходах транзисторов). Сопротивление может быть либо одинаковым в обоих направлениях либо же намного выше в другом направлении — при всех таких испытаниях нужно менять полярность подключения щупов мультиметра, чтобы измерить оба направления. Если находится мягкое К.З., то почти наверняка есть компонент (силовой или драйверный транзистор), установленный неправильно. Однако, такой же эффект создаст и неисправная цепь установки тока покоя.

Если Вы можете изменять напряжение питания, то определите напряжение, при котором развивается мягкое К.З.. Очень редко мягкие К.З. имеют место при чрезвычайно низком напряжении (менее ± 1 или 2 В), но если это так, то что-то точно неправильно установлено.

См. ниже раздел «Тестирование компонентов». Описанные в нем методы идентифицируют 99 % всех проблем с мягкими К.З.

4.2 «Прилипание» выходного сигнала к напряжению питания

Когда выходное напряжение «прилипает» к одному или другому напряжению питания, существует (как всегда) несколько причин этого. В порядке вероятности, они следующие:

  • неверно установленные компоненты;
  • перемычки из припоя между дорожками или компонентами;
  • «сухие» (или «холодные») паяные соединения;
  • нет контакта с общей шиной (землей) между усилителем и источником питания;
  • оборванные дорожки;
  • неисправный (-е) транзистор (-ы).

Если закорочен один из выходных или драйверных транзисторов, то это не вызывает прилипания выходного сигнала к напряжению питания. Это ведет к мягкому К.З. Прилипание выхода к напряжению питания может быть следствием обрыва транзистора, возможно, в сочетании с К.З. в противоположном плече. Эти неисправности можно найти с помощью мультиметра (как описано выше). Важно устранить дефектные компоненты в первую очередь, иначе Вы потратите много времени, пытаясь найти проблему в неподходящем месте. Обычной ошибкой является оставленная неподключенной (или забытая) шина возвратного заземления к источнику питания — это дает аналогичный эффект прилипания выхода к напряжению питания, но обычно он развивается медленно (от нескольких сотен миллисекунд до нескольких минут).

Прилипший к напряжению питания выход может быть вызван любой из следующих неисправностей ближе ко входу:

  • обрыв резистора обратной связи (или дорожки обратной связи);
  • обрыв (или просто отсутствие проводимости) в цепи драйверного транзистора усилителя напряжения;
  • обрыв (или просто отсутствие проводимости) в цепи транзистора источника/приемника тока;
  • обрыв в цепи бутстрепного резистора;
  • перемычки из припоя между дорожками или компонентами;
  • неправильно установленные транзисторы, диоды, светодиоды и т.д. (как всегда и везде);
  • нефункционирующие дифференциальная входная цепь/усилитель ошибки.

Опять же, найти ошибку — задача сложная и здесь будет полезен следующий раздел. Самой распространенной проблемой на сегодняшний день все еще являются некорректные компоненты, но если проблема не находится визуальной проверкой — следует измерить напряжения.

4.3 Искажения

Искажения бывают самыми разными, но в первом приближении их можно разделить на категории «грубые» и «тонкие». Оба вида на самом деле грубые, но с точки зрения тестирования их важно как-то разграничивать. Я рассматривал бы грубые искажения, как состояние, при котором воспроизводится только половина сигнала. С точки зрения прослушивания это не просто «грязь» — это совершенно невозможно слушать! «Тонкие» искажения также слушать невозможно, но некоторые люди их не замечают (это правда!).

Если воспроизводится только половина сигнала (или небольшая его часть одной полярности и полная часть другой), то Вы почти наверняка имеете обрыв где-то в драйверном или выходном каскаде. Это может быть оборванный транзистор (редко), но, скорее всего, будет:

  • плохое паяное соединение, оставляющее часть выходного каскада неработоспособным;
  • неверно установленные компоненты (как обычно);
  • неисправность в цепи усилителя напряжения, из-за чего недостаточен ток управления одним или другим выходным плечом.

Именно здесь осциллограф почти необходим — если не видно сигнала, то ошибки такого рода очень трудно диагностировать. Указанный выше список неисправностей относительно легко поможет разобраться с большинством проблем с искажениями.

Тонкие искажения более коварны, поскольку могут вызываться различными причинами. Опять же, очень трудно определить их без осциллографа, однако, измерения напряжения позволят изолировать некоторые из наиболее вероятных проблем. Все, что нужно найти:

  • неверно установленный ток покоя (смещения);
  • неисправная или закороченная цепь смещения;
  • перемычки из припоя между дорожками или компонентами;
  • паразитное самовозбуждение.

Первые три причины достаточно просты для выявления, требуя только наличия мультиметра. Несколько измерений достаточно быстро определят проблему.

Паразитное самовозбуждение выявить намного сложнее и для этого обычно требуется осциллограф. Я могу с уверенностью сказать, что проекты на веб-сайте ESP будут свободны от паразитного самовозбуждения при условии, что будут предприняты все обычные меры защиты против них — заземленный радиатор, экранированные входные кабели (удаленные от выходных проводов или шнура питания), а входные разъемы расположены на разумном расстоянии от выходных (или экранированы заземленной металлической крышкой).

Кроме того, убедитесь, что по мере необходимости установлены блокирующие конденсаторы, а провода питания постоянного тока имеют минимальную длину. Тестирование на искажения почти всегда требует нагрузки. Хотя небольшие искажения могут быть видимыми и без нагрузки, но большинство из них обнаруживается полностью или частично на минимальной нагрузке, равной 20 Ом или более, подключенной к выходу на динамик.

4.4 Спонтанные отказы

Усилитель работает некоторое время (от нескольких минут до нескольких недель), а затем работать перестает. Вы устранили почти все потенциальные ошибки конструкции, поскольку усилитель показал свою работоспособность. К сожалению, ситуацию это не спасает.

Одной из наиболее распространенных проблем в случае спонтанных отказов являются поддельные силовые транзисторы. Другие причины, которые следует искать:

  • «младенческая смертность» — термин, обычно используемый для описания компонентов, которые выходят из строя через короткое время с момента первого использования устройства. Наиболее часто отказывают полупроводники, в частности, транзисторы или интегральные микросхемы, но могут отказывать также и другие компоненты (электролитические конденсаторы — редко, но случается, диоды, стабилитроны и т.д.). Отказы вследствие «младенческой смертности» не так редки, как хотелось бы, но все же относительно редки. Это совершенно нормально (хотя и сильно раздражает);
  • «сухие» («холодные») паяные соединения — при первом тестировании, казалось, всё было в порядке, однако, после использования возникают отказы (отнюдь не редкость!);
  • чрезмерное напряжение питания, вызывающее повреждение компонентов;
  • неадекватный по площади радиатор, вызывающий перегрев компонентов;
  • неправильно установлен ток покоя (слишком высокий), что вызывает перегрев;
  • неправильно смонтированные силовые транзисторы с неадекватным тепловым контактом с радиатором;
  • короткозамкнутые выходы, как правило, являются результатом недостаточной (или отсутствующей) изоляции, либо переподключения громкоговорителей ко включенному усилителю с наличием выходного сигнала — такого делать крайне не рекомендуется, даже если усилитель имеет защиту от короткого замыкания.

Поскольку большинство случаев спонтанных отказов приводят к короткому замыканию силовых транзисторов, их обычно легко найти с помощью мультиметра. Предохранитель(-и) усилителя могут перегореть, но транзисторы (подобно 3-футовым предохранителям) перегорят намного быстрее, чем любой обычный предохранитель. Если перегорел плавкий предохранитель, примените надлежащие процедуры тестирования (ищите К.З. и т.п.), а не просто замените предохранители с надеждой, что все будет хорошо. Это случается редко, но обычно сопровождается дополнительными повреждениями (и для большего количества компонентов).

Для всех проектов на сайте «The Audio Pages» существуют довольно конкретные абсолютные максимальные напряжения питания и минимально допустимые сопротивления нагрузки (которые могут изменяться при подаче напряжения). Крайне важно придерживаться этой информации, в противном случае могут быть превышены характеристики отдельных устройств, что приведет к преждевременному отказу. Ни один из проектных усилителей не предназначен для работы с нагрузкой 2 Ома и простое добавление параллельных выходных транзисторов (например) просто заставляет выйти из строя транзистор драйвера, а такой сбой почти всегда ведет к отказу выходного каскада.

Примечание. Следует отметить, что основным режимом отказа биполярных транзисторов является К.З.. Могут быть также транзисторы с обрывом, но такое происходит, когда замыкается накоротко транзистор в другом плече, после чего перегорают внутренние соединительные провода. В результате транзистор определяется, как находящийся в обрыве, однако кристалл кремния внутри транзистора поврежден коротким замыканием. Внешние предохранители для защиты транзисторов не предназначены — они предназначены для предотвращения катастрофических следствий поломок (в том числе пожара), если выходит из строя выходной каскад.

Когда нерабочими оказываются один или несколько выходных транзисторов, хорошей идеей является совет заменить их все, плюс драйверы, хотя может показаться, что они в порядке. Они почти наверняка были перегружены и могут быть более склонны к выходу из строя в более поздние сроки. В некоторых случаях неисправность выходного каскада может также повредить транзистор каскада усилителя напряжения (и/или приемник/источник тока, если он имеется). При этом редко повреждается входной каскад, который обычно выдерживает даже самые разрушительные аварии. Обратите внимание, что в некоторых случаях аварийный ток может быть настолько высоким, что в состоянии создать обрыв эмиттерных резисторов (как правило, не всех, но один или два могут выйти из строя). Если усилитель неисправен, всегда их проверяйте, желательно, после того, как выпаяны силовые и драйверные транзисторы.

Если причина неисправности не может быть точно отнесена к поддельным транзисторам (которые выйдут из строя при намного более низких уровнях мощности, чем подлинные), прежде чем перезапустить усилитель, попытайтесь точно определить, что же пошло не так. Проверьте провода к колонкам, напряжение питания и импеданс громкоговорителя — что-то же заставило усилитель выйти из строя и эту причину лучше найти, чем позволить ей повториться.

5 Измерения напряжения

Измерения напряжения должны выполняться с максимальной осторожностью. Простая и дешевая неисправность после простого промаха щупом может легко превратиться в сложную и дорогостоящую!

В соответствии с общим характером этой статьи я не буду ссылаться на какие-либо конкретные напряжения (вернемся к этому немного позже), скорее дам обзор того, что именно нужно искать. На этом этапе ожидается хорошее понимание основ работы транзистора, в противном случае Вы не сможете понять, что же именно видите на Вашем мультиметре или осциллографе.

Всегда в первую очередь измеряйте напряжения питания!

Бесчисленные человеко-часы были потрачены впустую в попытках найти «причудливые» ошибки, когда все, что произошло — это то, что напряжение (-я) питания либо отсутствует (-ют), либо неверно (-ы). Это всегда должно быть самым первым измерением напряжения, которое нужно произвести!

5.1 Общие принципы

В наиболее общих терминах в любых биполярных транзисторах (полевые транзисторы с изолированным каналом — MOSFETs и полевые транзисторы с P-N переходом — FETs — это совершенно разные полупроводниковые приборы!) напряжение, измеренное между базой и эмиттером должно составлять около 600-700 мВ, а в линейных схемах (таких, как обычные усилители) напряжение той же полярности между эмиттером и коллектором будет несколько выше, чем между базой и эмиттером. Например, на транзисторе PNP с подключенным к эмиттеру красным щупом (положительной полярности), между базой и эмиттером будет около минус 650 мВ, а между эмиттером и коллектором — сколько угодно отрицательного, от нескольких вольт до нескольких десятков вольт.

Осциллограф может практически не показывать напряжения переменного тока на базе, но большой сигнал переменного тока на коллекторе — обычно нормальная картина. Показания постоянного напряжения скажут Вам, правильно ли работает транзистор и, следовательно, способен ли он выполнять свою работу. Хотя напряжение между базой и эмиттером составляет 650 мВ, но полное напряжение питания на коллекторе не обязательно неверно — его правильность следует определить с учетом схемы.

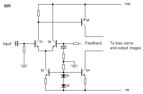
Рис.1 Входной канал усилителя.
Рис.1 Входной канал усилителя.

5.2 Пример

Предположим на мгновение, что входной каскад выполнен по обычной дифференциальной схеме на паре NPN транзисторов (Q1 и Q2, рис. 1). Эмиттеры соединены вместе, возможно, с сопротивлениями небольшого значениями последовательно с каждым из них в некоторых конструкциях. Напряжение на базах будет, вероятно, на несколько милливольт отрицательнее, а напряжение между базами и эмиттерами должно составлять около 650 мВ. В большинстве схем на коллекторах будет почти полное напряжение питания (хотя бывают и исключения). Если Вы увидите, что выходное напряжение «прилипло» к одному из напряжений питания, то это будет означать, что работа дифференциальной схемы нарушена и все напряжения неверны. Это может значить, что один из транзисторов данного каскада неисправен, хотя не исключено, что и нет!

Здесь Вам следует сыграть в детектива, чтобы выяснить, почему выход прилип к питанию (исключив все предыдущие типы неисправностей — неправильные компоненты, плохие паяные соединения и т.д.).

Следующим каскадом для тестирования является усилитель напряжения (Q5). Проверьте напряжение между базой и эмиттером и убедитесь, что оно составляет около 650 мВ. Если это так, то напряжение на коллекторе должно быть около нуля, но этого может и не быть. Вместо этого Вы можете обнаружить, что напряжение на коллекторе равно (или близкое к) одному из напряжений питания. Посмотрите на схему предыдущего примера — усилитель напряжения на транзисторе PNP проводимости и на его коллекторе присутствует полное положительное напряжение питания. Это значит, что транзистор полностью включен ... почему? И так ли это?

Следующий шаг — посмотреть на источники тока (Q3 и Q4). Между эмиттером и базой каждого из них должно быть 650 мВ или около того и ток через каждый легко определяется. Измерьте напряжение на каждом эмиттерном резисторе — оно должно быть примерно ... 650 мВ (вы можете понять, почему это так? Ответ немного ниже — раздел 5.3). Ток равен V / R, поэтому, если номинал эмиттерного резистора составляет (к примеру) 100 Ом, то ток должен составлять 0,65 / 100 = 6,5 мА (достаточно близко).

На коллекторе Q3 должно быть около минус 700 мВ, а Q4 — около 0 В. Если это так, то усилитель должен работать. Если предположить, что на коллекторе Q5, а также Q4 присутствует почти полное напряжение питания, тому есть одна из двух причин: либо Q5 пробит (или полностью открыт), либо нет коллекторного тока. Работа Q5 заключается в том, чтобы выходной сигнал имел плюсовое значение, когда он открыт и минусовое, когда закрыт. Однако, если с коллектора Q4 ток не поступает, то выходной сигнал будет оставаться близким к напряжению плюсового питания. Входной каскад попытается выключить Q5, но будет несбалансирован напряжением на входе обратной связи. Это приведет к неработоспособности каскада до тех пор, пока не будет обнаружена неисправность — это Ваша миссия, если Вы ее, конечно, решите взять на себя.

Таким образом, на коллекторе Q5 присутствует полное положительное напряжение питания, с отклонением в ту или иную сторону на вольт или около того (на данном этапе неважно). Напряжение на коллекторе Q4 должно быть примерно таким же, а ток должен составлять около 6,5 мА. Но погодите! Если бы все работало так, как должно, усилитель был бы функционирующим, поэтому происходит что-то неладное — но мы это уже и так знали. Каково напряжение на коллекторе Q4? Является ли напряжение на резисторе эмиттера Q4 равным 0,65 В, как и должно было бы быть?

Если напряжение на коллекторе Q4 приближается к отрицательному напряжению питания или напряжение на его эмиттере намного ниже 0,65 В, то это значит, что коллекторная цепь Q4 оборвана — такое не является обычным отказом для биполярного транзистора, поэтому вполне вероятно, что имеется плохое паяное соединение в цепи коллектора Q4 (или, возможно, трещина на печатной плате). Если напряжение коллектора близко к положительному источнику питания, то эмиттерный резистор мог бы быть оборван — возможно, из-за плохого паяного соединения, поскольку резисторы редко обрываются без большого количества дыма и обугливания. Внимательно проверьте его значение — не был ли по ошибке поставлен резистор на 100 кОм?

Рис.2 Пример усилителя Р101.
Рис.2 Пример усилителя Р101.

На рисунке 2 показан пример, в данном случае на основе P101. Единственная разница между этим и любым другим усилителем — это выходные полевые МОП-транзисторы, но основные принципы работы идентичны. Вам нужен, в основном, мультиметр и закон Ома и совсем немного другого, чтобы проконтролировать и проверять напряжения и токи, которые должны существовать практически в любой конструкции усилителя, независимо от топологии.

Давайте посмотрим на схему выше. Напряжения показаны для каждой существенной точки схемы и из этих напряжений мы можем рассчитать ток через резисторы и многие транзисторы. В качестве примера R5 составляет 47 кОм, а R6 — 560 Ом. Падение напряжения на R6 составляет 0,65 В, потому:

  • ток через R6 = V / R = 0,65 / 560 = 1,16 мА
  • ток через Q1 = ток R6 / 2 (ток через каждый из транзисторов должен составлять 1/2 суммарного тока) = 0,58 мА
  • ток через R5 = V / R5 = 56 / 47 кОм = 1,2 мА

Почему я не вычитал 1,3 В из напряжения питания? Ошибка очевидна, но в данном случае важно понимать, что точное значение несущественно. Важно то, что напряжения, токи и сопротивления имеют смысл. Это применимо ко всем частям схемы и есть одна вещь, в которой Вы должны быть уверены:

Если выходное напряжение не близко к нулю, то все другие напряжения, вероятно, будут неправильными!

Если выходное напряжение близко к нулю, то усилитель должен работать, если есть питающие напряжения.

По этой причине я вообще никогда не стремлюсь показывать напряжения в различных частях любой цепи, потому что напряжения будут корректными только в случае, если цепь работает правильно. Мне было бы глупо пытаться показывать значения напряжений для каждого сценария возможных сбоев и вся информация была бы абсолютно бесполезна.

В большинстве случаев можно проанализировать схему и вычислить вероятные напряжения, которые должны появляться в разных точках. Они не должны быть точными, но они должны иметь смысл. Не имеет смысла, если напряжение между базой и эмиттером транзистора составляет 15 В — это сразу указывает на то, что транзистор не того типа проводимости, неправильно установлен или неисправен. Дважды проверьте техническое описание, затем замените его на новый правильного типа проводимости! Если Вы считаете, что транзистор установлен неправильно, то он, вероятно, уже повредился, как только было подано питание. Не используйте повторно поврежденные транзисторы — для них есть соответствующее место — мусорный ящик.

Анализ схемы для поиска неисправностей — непростая задача, но применяя логику и зная основные принципы, есть хороший шанс, что Вы эту проблему найдете. Отправлять мне сообщение: «Это не работает» бессмысленно — я не знаю, почему это не работает и один и тот же симптом может иметь множество возможных причин. В большинстве случаев показания напряжений также не помогают, потому что их часто понимают неправильно. Посмотрите, как напряжения показаны выше.

Напряжение на R6 составляет 0,65 В, а не 55,35 В. Последнее значение бессмысленно, потому что значение напряжения питания будет меняться по мере его считывания, а показания, вероятно, будут сильно ошибочными, из-за чего непригодны для использования. Аналогично считываются и многие другие значения. Излишне говорить, что следует проявлять большую осторожность, когда показания относятся к шинам (линиям) питания, потому что проскальзывание щупа может легко вызвать гораздо бо́льшие проблемы, чем они были в самом начале.

5.3 Резюме

Цель этого упражнения заключалась в том, чтобы продемонстрировать общие процессы метода исключения, которые должны использоваться для определения типа и характера дефекта, дабы его можно было затем легко исправить. В одной статье невозможно охватить все возможности, даже с помощью простых примерных схем, но, тщательно измерив напряжения, сможете отслеживать наиболее вероятную причину без необходимости «перепахивания» всей схемы!

Ответ на маленькую загадку для рисунка 1 выше: на эмиттерном резисторе поглотителя (источника) тока должно быть около 650 мВ, потому что в базовую цепь включены два последовательно соединенных диода. D1 уравновешивает (или «отменяет») база-эмиттерное напряжение обоих транзисторов — как Q3, так и Q4 — также 650 мВ. Независимо от того, какое напряжение падает на D2 (и мы знаем, что оно должно быть 650 мВ), такое же напряжение должно падать на эмиттерных резисторах. Это действительно просто, но Вам может понадобиться немного больше опыта, прежде чем это увидите.

Полезная вещь, которую нужно помнить в отношении транзисторов: если транзистор греется — значит, он работает (или пытается работать). Снова вернемся к рис. 1. Если Q4 становится горячим, а Q5 холодный, то из строя вышел, вероятно, Q5, а не Q4, как предполагалось первоначально.

Все эти рекомендации применительны к основной статье. Важна способность мыслить логично и методично и прокладывать себе путь через схему. Слепое измерение напряжений без понимания того, что они означают в контексте, ответа не даст, но если Вы сможете решить задачу, описанную здесь, то узнаете гораздо больше, чем могли бы ожидать.

6 Тестирование компонентов

Основные свойства транзисторов могут быть протестированы с помощью мультиметра. Если используете аналоговый тестер, имейте в виду, что в режиме измерения сопротивлений красный щуп имеет отрицательную полярность! В цифровых тестерах сохраняется «правильная» полярность. Биполярный транзистор (Bipolar Junction Transistor — BJT) можно рассматривать, как два диода, соединенных, как показано на рис. 2. Как и любые другие диоды, они должны проводить только в одном направлении. Таким образом могут быть протестированы любые биполярные транзисторы с выявлением оборванных, короткозамкнутых либо имеющих утечку переходов. Такая проверка не дает никакой информации об усилении, напряжении пробоя или чем-либо ином, но лишь о том, что транзистор, возможно, работоспособен.

Рис. 3 Базовая модель проверки транзистора.
Рис. 3 Базовая модель проверки транзистора.

6.1 Быстрое тестирование транзисторов

С помощью мультиметра проверьте в обоих направлениях переходы между базой и эмиттером/коллектором каждого мощного выходного и драйверного транзисторов. У NPN транзисторов с положительным (красным) щупом цифрового мультиметра, подключенным к базе, а черным — к эмиттеру или коллектору, будет измеряться «сопротивление» около 600-700 мВ (индицируемое, как Ом, но на самом деле в 99% цифровых мультиметров это напряжение). Поменяйте местами красный и черный щупы и снова измерьте — в некоторых случаях для одного из переходов может по-прежнему показываться 600-700 мВ из-за подключенного питания или драйверного транзистора — это нормально.

Используя этот метод, можно проверить правильную проводимость каждого диода — как и с любым диодом, падение напряжения на прямо смещенном переходе составляет около 650 мВ (что, как объяснялось выше, в большинстве цифровых мультиметров индицируется, как 0,65 кОм), а на обратно смещенном переходе должна индицироваться бесконечность (не держитесь за контакты щупов своими пальцами). Так же можно тестировать транзисторы и непосредственно в схеме, но результаты могут вводить в заблуждение из-за наличия в цепи других компонентов.

Если Вам интересно (и Вы отнюдь не первый, кто такое учудил), знайте, что в качестве транзистора нельзя использовать два обычных диода, подключенных, как показано выше. Работа транзистора основана на соединении между «диодами» (отсюда и название «транзистор с биполярными переходами» — BJT или «биполярный транзистор»).

6.2 Другие компоненты

Резисторы должны показывать свое правильное значение, но, опять же, внутрисхемное тестирование может вводить в заблуждение. Все диоды должны показывать надлежащую проводимость и бесконечность при смене полярности подключения щупов. Такое тестирование не является полезным для светодиодов или стабилитронов, но, по крайней мере, Вы узнаете, оборван ли он или короткозамкнут.

Для правильной проверки конденсаторов в действительности нужен измеритель емкости (а также ЭПС — Эквивалентного Последовательного Сопротивления [ESR — Equivalent Series Resistance]), но достаточно достоверную информацию все равно можно получить с помощью мультиметра. Для пленочных конденсаторов К.З. необычны, хотя и могут случаться, хотя для большинства проектов это крайне маловероятно. Электролиты должны сначала демонстрировать низкое сопротивление, которое повышается по мере их заряда. Смените полярность подключения щупов и убедитесь, что конденсатор разряжается (вначале ожидайте увидеть бессмысленные значения сопротивления) и снова заряжается. Низкое напряжение обратной полярности электролитам не повредит.

Большинство других компонентов (трансформаторы, разъемы, провода) необходимо проверять только на предмет их целостности, а также что всё подключено к надлежащим местам. Убедитесь, что напряжение на самом деле присутствует по всей длине дорожки — её обрыв или «сухое» («холодное») паяное соединение будут отображаться, как наличие напряжения, в одной точке дорожки, и отсутствие его в другой. Это может быть особенно верно в отношении повреждений печатной платы. Обрыв дорожки может быть невидимым («волосяным»), но для напряжений, которые должны быть на этой дорожке, он все равно будет обрывом.

7 Схемы на операционных усилителях

В схемах на операционных усилителях (ОУ) существует не так много вариантов нарушений их работы. Большинство линейных схем (используемых в предусилителях) имеют одну общую черту — на обоих входах должны быть примерно одинаковые напряжения, а также должно быть напряжение на выходе. Наиболее распространенной проблемой является самовозбуждение, особенно для очень быстрых ОУ. Платы ESP спроектированы таким образом, чтобы конденсаторы, шунтирующие питание, располагались как можно ближе к выводам ОУ, а шины питания имели также дополнительную фильтрацию небольшими электролитами.

Тем не менее, возможно, что ОУ в схеме самовозбуждается, поэтому следует принять разумные меры предосторожности — применять экранировку ко входным и выходным разъемам и всегда использовать резистор 100 Ом последовательно с выходом любого ОУ, подключаемого к кабелю, независимо от длины последнего.

Могут возникнуть и другие проблемы, но обычно они будут результатом плохих паяных соединений (как обычно), повреждения печатных плат или неправильно установленных компонентов. Все платы ESP будут всегда работать с первого включения, если они собраны в соответствии с инструкциями, но если этого нет — значит, имеется ошибка в размещении компонентов или неисправность ОУ. Да, новые ОУ могут быть неисправными — такое происходит не очень часто, но всё же бывает.

Как и в случае усилителей мощности, довольно распространенной «ошибкой» является неподключенная (случайно или по иной причине) шина заземления к источнику питания (нулевая шина). Питание ± означает, что необходим провод заземления (или зануления) — он отнюдь не является необязательным!

8 Заземление (зануление)

Это та область, где все разваливается вдребезги. Жужжание или гул — обычный симптом, но, к сожалению, для лечения этой проблемы нет никаких общепринятых правил, которые могли бы применяться во всех случаях.

Различие между «гулом» и «жужжанием» чрезвычайно важно! Если Вы описываете шум как гул, то кто-либо, компетентный в этой области, скорее всего, будет воспринимать его как «низкочастотные колебания без гармоник (или с их малым количеством)». Эта фраза описывает шум, создаваемый «земляной петлей», когда два или более элемента схемы соединены защитным заземляющим проводом и экраном межблочного соединения (к примеру), с образованием петли, на которой может наводиться очень низкое напряжение (но иногда удивительно большие токи) и этот сигнал воспринимается входами. Вы слышите гул — один низкочастотный тон.

«Жужжание» имеет в своем составе высокочастотные компоненты — обычно есть низкочастотный компонент, но он имеет жесткий призвук, который время от времени может быть даже слышим в ВЧ-динамиках (твитерах). Жужжание вызывается разнообразными причинами: из-за близкого расположения входных проводов к шнуру питания, силовому трансформатору или выпрямительному мосту (и соответствующим проводам), плохим или отсутствующим заземлением, земляными петлями (они могут вызывать как гул, так и жужжание). Список почти бесконечен.

В некоторых случаях спорадические колебания в усилителе также могут создавать гул или жужжание — следуйте приведенным выше рекомендациям, чтобы гарантировать, что усилитель стабилен при любых условиях. Обычно низкоуровневые колебания могут быть обнаружено только с помощью осциллографа, но их можно обнаружить также с использованием радиочастотного детектора — см. страницу проектов для подходящего примера.

Стандартное «лечение» почти невозможно порекомендовать при наличии любой из этих проблем. Решения различаются почти в каждом случае и иногда наилучший результат получается с устройством, которое не должно работать вообще. Мой обычный подход заключается в том, чтобы входные кабели держать на максимальном расстоянии от чего-либо еще, а для определения оптимального местоположения заземления я использую следующие методы:

  • создайте «мягкое» заземление с помощью резистора на 10 Ом, обычно между входом усилителя и подходящим местом на шасси;
  • подключите провод с зажимом «крокодил» на конце к точке заземления усилителя и проверьте им точки с наиболее низким уровнем шума — «звездная» точка заземления для фильтрующих конденсаторов, рядом с входными разъемами и т.д., пока не будет найдено самое тихое место. Просто надеюсь, что это не закончится нахождением какой-либо части Вашего собственного тела или тела кошки ;
  • найденную «сладкую точку» подключите постоянным соединением и проведите дополнительное тестирование, чтобы определить, нет ли какого-либо иного возможного способа улучшить ситуацию.

Этот метод обычно работает достаточно хорошо и, если Вы действительно найдете оптимальное местоположение, то чтобы услышать шум, Вам понадобится еще один усилитель. Нужно иметь возможность заземления конца входного шнура на любое другое Ваше оборудование без добавления шума, но всегда существует такая точка, что не имеет дальше смысла искать лучшую.

Если для того, чтобы что-то услышать, нужно приложить ухо прямо к громкоговорителю, то с точки обычного прослушивания будет фактически полная тишина. Дальнейшие улучшения не дадут никакой слышимой выгоды.

Примечание. Общей ошибкой (и отличным источником нежелательных шумов) является подключение проводов питания непосредственно к выпрямителю. Питание всегда следует снимать с фильтрующих конденсаторов, но никогда не с выпрямителя. Эти короткие провода будут вызывать серьезные шумы при потреблении тока усилителем и могут создать фоновую «дымку», которая слышится, как фоновый шум, но только тогда, когда усилитель играет! Это очень коварная ситуация, поскольку без сигнала усилитель кажется молчащим. Для поиска проблем подобного типа важное значение имеют осциллограф и/или измеритель искажений.

9 Удаление дефектных компонентов

Как только Вы определили, что компонент неисправен (или возможно неисправен), его нужно удалить с печатной платы. Никогда не пытайтесь просто прогреть место пайки и убрать его с платы, а также не поддавайтесь искушению использовать отсос (или оплетку), чтобы удалить припой перед удалением компонента. Это почти всегда приведет к повреждению контактных площадок и дорожек на печатной плате. Гораздо лучше использовать очень тонкий резак и сначала отрезать выводы деталей. Отрежьте их как можно ближе к поверхности печатной платы (для деталей как на стороне компонентов, так и на стороне меди — будьте осторожны, чтобы резак не повредил «пятачки» или дорожку!), а затем используйте отсос или оплетку для удаления оставшегося припоя и остатков запаянного компонента.

Чистота жала паяльника при выпаивании столь же важна, как и при пайке. Чистое (и правильно облуженное) жало требует меньшего нагрева и времени, чем загрязненное и, следовательно, уменьшает вероятность повреждения. В некоторых случаях для облегчения выпаивания может потребоваться добавить небольшое количество свежего припоя к существующему паяному соединению — важно поддерживать как можно более низкую температуру и максимально уменьшать количество операций отпаивания, чтобы предотвратить повреждение печатной платы.

Ничто из написанного выше не гарантирует, что плата не будет всё-таки повреждена, но вероятность такого повреждение гораздо меньшая. Если при выпаивании будет повреждена контактная площадка, то после выпаивания сменяемого компонента на нее больше не стоит полагаться. Вместо этого подогните вывод компонента вплотную к печатной плате, непосредственно вдоль соответствующей дорожки (рекомендуется длина порядка 5 мм). Осторожно подпаяйте вывод к дорожке до получения прочного соединения. Теперь почти неважно наличие контактной площадки, главное — чтобы компонент был правильно подключен.

В случае, если от контактной площадки отходят несколько дорожек, убедитесь, что оставшаяся часть дорожки не повреждена — используйте для этого мультиметр!

Волосяные трещины

Трещины медных дорожек (волосяные трещины), вызванные повреждением печатной платы, довольно распространены и их очень трудно (иногда почти невозможно) увидеть. Гораздо легче сделать быстрое измерение во время ремонта, чем попытаться найти ошибку позже.

Наиболее распространенная причина дефектов печатной платы (отслоившиеся контактные площадки и дорожки, волосяные трещины и т.д.) — это чрезмерный нагрев и/или приложенное к ней усилие. Медь удерживается на подложке печатной платы клеем и их, способных выдерживать температуру пайки в течение любого периода времени, очень мало. Поврежденную печатную плату всегда можно отремонтировать, используя луженую медную проволоку, подпаянную по длине неисправного участка дорожки и к компоненту (-ам), но будущий ремонт будет сложнее, а результат может быть очень неопрятным.

10 Тестирование

После того, как ремонт выполнен или, по крайней мере, считается выполненным, следующий шаг — проверить усилитель (или предусилитель и т.п.), чтобы удостовериться, что все работает правильно. Естественно, хочется немедленно услышать, как он работает, но важно сопротивляться этому искушению, чтобы не оказаться осыпанным огнем, пеплом и конденсаторными кишками.

Убедитесь, что у Вас под руками есть все необходимое — мультиметры, источник сигнала, эквивалент нагрузки (для усилителей мощности) и т.п. Во всех случаях первое включение питания должно выполняться с низким напряжением, ограничением тока (если возможно), или использованием предохранительных резисторов последовательно с проводами питания. Смысл этого заключается в том, что, поскольку Вы, скорее всего, заменили, возможно, дорогие компоненты, желательно предотвратить их разрушение из-за вторичной ошибки, не найденной в первый раз.

Такие вторичные неисправности очень распространены и их разрушительные способности никогда не следует недооценивать. Используя ограничительные резисторы и ЛАТР (или 100-ваттную лампу накаливания, подключенную последовательно с сетевым кабелем), энергия подводимого питания значительно уменьшается, а вероятность дополнительного повреждения компонента минимизируется.

Для оставшейся части этого раздела в качестве примера я использовал усилитель мощности, поскольку он вызывают гораздо больше проблем, чем что-либо еще. Перед проведением испытаний убедитесь, что все винты, крепящие силовые транзисторы, надежно затянуты — без пережатия, но с достаточным давлением, дабы гарантировать, что вокруг всех транзисторов вытеснено небольшое количество теплопроводной пасты.

10.1 Включение питания

Вначале не подключайте свой эквивалент нагрузки. Подключите провода с зажимами «крокодил» от мультиметра к шинам питания (положительной и отрицательной). Любой подстроечный резистор цепи регулировки тока покоя следует установить на минимальное значение тока (см. оригинальную проектную статью). Если используется ЛАТР, медленно повышайте напряжение и наблюдайте за напряжениями с блока питания. Проверьте защитные резисторы на нагрев — они должны оставаться прохладными! Любой нагрев (чего-либо) по мере повышения напряжения является признаком того, что что-то идет не так. Если Вы выявите повышенное тепловыделение, напряжение дальше не повышайте. Измерьте напряжения до и после предохранительных резисторов, чтобы определить характер неисправности.

Если используется метод последовательной лампы накаливания, то сначала включите питание на короткое время — лампа должна ярко вспыхнуть, а затем пригаснуть до тусклого свечения. При выключении напряжение должно медленно спадать (как правило, в течение нескольких секунд) — если яркость лампы остается полной, и напряжение быстро падает — значит, имеется ошибка. Защитные резисторы будут при этом, вероятно, также в диапазоне от теплых до горячих.

Если все в порядке, оставьте усилитель на несколько минут и проверьте все на наличие тепловыделения. Ожидается, что некоторые компоненты нагреваются, но все, что заставляет воскликнуть «непечатными словами!». является показателем того, что что-то идет не так. Обратитесь к разделам диагностики этой статьи и найдите неисправность. Любая ошибка, остающаяся не выявленной, должна вызывать немедленное прекращение процесса тестирования.

10.2 Проверка напряжения

Успешно достигнув этой части, следует убедиться, что все напряжения в норме. Падение напряжения на каждом из защитных резисторов должно составлять всего от несколько милливольт до вольта или около того, в зависимости от конструкции усилителя. Выходное напряжение должно быть близким к нулю — как правило, любое смещение, превышающее 100 мВ или около того, является чрезмерным, однако, имейте в виду, что в некоторых усилителях его не удастся снизить, пока все еще стоят защитные резисторы (такое необычно, но возможно).

Если выходное напряжение близко к нулю вольт, а напряжения на шинах питания близки к нормальным значениям, то имеется хороший шанс, что усилитель будет работать. Правда, я пока что не предлагаю начать кричать «Ура!» (извините).

10.3 Первое тестирование выходной мощности

Убедившись, что эквивалент нагрузки установлен ​​на 8 Ом (или больше), подключите его к выходу усилителя (не отсоединяйте защитные резисторы!). Подключите источник сигнала (вначале с установленным на ноль уровнем выходного сигнала!), а затем медленно повышайте его, контролируя напряжение на выходе усилителя. Повышайте уровень сигнала до тех пор, пока на каждом защитном резисторе не будет падать около 5 В. На каждом из резисторов напряжение должно быть одинаковым. Наличие падения напряжения только на одном из них указывает на обрыв цепи в выходном каскаде. Можно также использовать динамик с последовательно включенным с ним резистором номиналом от 22 до 47 Ом. Сильно искаженный звук свидетельствует, что что-то не в порядке. Еще немного повысьте уровень входного сигнала, чтобы определить, слышите ли Вы «ступеньку» или «детектирование». Если искажение уменьшается по мере увеличения уровня сигнала, то это «ступенька» и беспокоиться не о чем (вспомните, что ток покоя установлен на минимум!).

10.4 Заключительные испытания

Выполнив проверку основных функций, по крайней мере, в меру своих возможностей, просто сделайте быструю повторную проверку:

  • напряжение питания на клеммах усилителя (с защитными резисторами) находится в пределах 1 В по сравнению с напряжениями на конденсаторах фильтра;
  • ничто не греется, в том числе защитные резисторы (слегка теплые);
  • выходное напряжение находится в пределах 100 мВ или около того относительно нулевого напряжения (предпочтительно менее 50 мВ);
  • базовое тестирование мощности показывает, что оба плеча усилителя потребляют ток, и в динамике слышен адекватный сигнал.

Теперь Вы готовы протестировать усилитель на полную мощность (но для обеспечения безопасности используйте все же варистор или лампочку). Отсоедините предохранительные резисторы и верните на место все предохранители с правильными значениями, которые были ранее удалены. На всякий случай можно оставить громкоговоритель с последовательно подключенным резистором. Включите питание (или поднимите выходное напряжение ЛАТРа) — все напряжения должны быть в норме, хотя они могут быть и немного сниженными, если используется «ламповый шнур питания». Внимательно проследите за тем, что может греться (или быть горячим).

Если все в порядке, отрегулируйте ток покоя примерно на 1/2 рекомендуемого значения, подайте входной сигнал и убедитесь, что усилитель воспроизводит звук без искажений. Не пытайтесь получить полную выходную мощность, если все еще используется ламповый шнур питания. Оставьте все в течение как минимум 10 минут, проверяя, что ток потребления (покоя) остается стабильным и что никакие компоненты излишне не нагреваются. Имейте в виду, что некоторые компоненты во многих усилителях при работе нагреваются довольно сильно, но Вы должны иметь возможность держаться за все малые/средние транзисторы без опасности ожога пальцев.

Когда Вы удовлетворены тем, что все работает правильно, выключите аппарат, отключите ЛАТР или ламповый шнур питания и включите его снова. Дважды проверьте напряжения питания и выходного напряжения и подайте сигнал — если последовательно с Вашим динамиком все еще остается последовательный резистор, Вы можете повышать уровень входного сигнала до тех пор, пока звук не будет искажен (ограничение выходного сигнала).

Проверьте все температуры (снова! Я знаю, что это утомительно, но это стоит затраченных усилий). Установите ток покоя на рекомендуемое значение, используя метод, предложенный в статье проекта (он может значительно варьировать). Оставьте усилитель работать в таком режиме, контролируя температуры — транзисторы, резисторы, радиатор. После того, как температура стабилизируется (обычно около 15 минут), проверьте ток покоя и, при необходимости, отрегулируйте его.

Примечание. Если температура радиатора (а также ток покоя) продолжает увеличиваться, у Вас есть проблема! Немедленно выключите усилитель и уменьшите ток покоя. Не включайте питание до тех пор, пока радиатор не остынет (вентилятор поможет это сделать намного быстрее). Усилитель может иметь проблему с термостабильностью — убедитесь, что транзистор стабилизации тока покоя (если он используется) установлен в соответствии с инструкциями. Потеря термостабильности (как эта проблема называется) обычно является результатом недостаточной тепловой обратной связи. Обратитесь к проектировщику за информацией о том, как решить проблему.

Никогда не используйте усилитель, пока эта проблема не устранена — он перегреется и выйдет из строя.

11 Тестирование предусилителя

Это очень короткий раздел, т.к. возможных тестов для предусилителей немного, особенно для конструкций на операционных усилителях (ОУ). Как всегда, крайне полезен осциллограф, но не у всех есть роскошь его иметь. В результате необходимо найти другие методы, позволяющие отслеживать сигнал через предусилитель до тех пор, пока не будет найдена точка, в которой он исчезает. Это сужает область поиска и облегчает поиск проблемы.

Во-первых, убедитесь, что на выходах операционных усилителей имеется нулевое (или около нуля) напряжение и что на шинах питания присутствует напряжение ± 15 В (или иное, в зависимости от того, каким оно должно быть). Это довольно очевидно, но когда Вы в отчаянии, такое часто упускается из виду. Кроме того, убедитесь, что общая шина 0 В (нулевая или заземление) подключена к источника питания — это обычная ошибка.

Затем подайте сигнал со звуковой платы ПК, тюнера или проигрывателя компакт-дисков и в качестве звукового щупа используйте старый активный динамик ПК (он должен быть активным с собственным внутренним усилителем). Таким образом, Вы можете проверить уровень сигнала на входе, выход первого ОУ и т.д. Нужно найти, где сигнал прекращается и это легко сделать, просто следуя по пути сигнала и контролируя его наличие. Проверьте уровень, искажения или что-нибудь еще, что может быть неправильным.

Помните, что экран входного сигнального шнура ПК-динамика должен быть подключен к заземлению (обычно) предусилителя, а для проверки тестируемой цепи используется центральная жила. Эти громкоговорители имеют низкую мощность, но я рекомендую отрегулировать уровень так, чтобы динамик воспроизводил неискаженный сигнал. Никогда не подключайте вход ПК-динамика к напряжению питания, т.к. это может повредить внутренний усилитель. Хорошей идеей является резистор на 1 кОм, включенный последовательно с сигнальным проводом.

Поскольку все печатные платы ESP тщательно проверены и обязательно работоспособны при условии правильного подключения, то почти во всех случаях их неработоспособности где-то имеется ошибка. Неисправные операционные усилители возможны, но очень редки. Из-за наличия полигона заземления в некоторых конструкциях есть много очень близко расположенных дорожек, из-за чего легко сделать перемычки из припоя.

Этот метод можно использовать практически для любой схемы, основанной на ОУ, будь то предусилитель, эквалайзер или что-то еще, однако, по очевидным причинам, он ограничен только звуковыми частотами.

12 Терминология

Существует множество видов странных звуков, которые электроника может воспроизводить через громкоговорители и лишь некоторые из них — преднамеренно. Щелчки, хлопки, пукания, гул, гудение, шипение, стуки — все имеют смысл, но значения иногда путаются (например, «гул» и «шум» — «hum» и «buzz»). Я не могу (и не буду) пытаться их охватить, но рассмотрю некоторые из наиболее важных (и общих).

Шипение (Hiss): Звук FM-тюнера, не настроенного на станцию или звук воздуха между зубами. Звук «sss» в письме ess. Это все шипение — однако, все, что не похоже ни на одно из описанного, шипением не является. Некоторое шипение неизбежно — все компоненты создают шум — даже кабели, а использование малошумящих компонентов (особенно ОУ и резисторов) шипение уменьшит, но никогда не устранит.

Гул (Hum): Как описано выше — ровный низкочастотный сигнал 50/60 Гц, без каких-либо призвуков или высочастотных гармоник.

Жужжание (Buzz): Любая частота, но обычно 100 или 120 Гц, в зависимости от частоты Вашей сети. Жужжание имеет жесткую тональность и типично для шума выпрямителя, шума синхронизации телевизионной кадровой развертки (чтобы услышать его, разместите сигнальный провод позади телевизора) и общего сетевого шума. Наверное, самое сложное для определения.

Потрескивание (Crackle): Иногда потрескивания могут быть вызваны неисправным компонентом (транзистором, операционным усилителем и т.д.). «Сухие» («холодные») паяные соединения также являются хорошим источником потрескиваний, хлопков, пуканий и других шумов подобного типа. Иногда (особенно в ламповых устройствах) потрескивания могут быть вызваны самими лампами или неисправным конденсатором. Обычно достаточно легко находятся, кроме потрескиваний и хлопков (и т.д.), которые почти никогда не возникают, если поблизости есть испытательное оборудование — такой у них подлый характер. Попробуйте слегка постукивать по печатной плате и компонентам с помощью какого-либо изолированного предмета (хорошо работает пластиковая рукоятка отвертки), так как многие такие шумы чувствительны к вибрации.

Искажения (Distortion): Чрезвычайно переменный вид шумов. Несколько наиболее распространенных типов:

  • звук малого тока покоя (или «ступенька») похож на разрываемую бумагу и присутствует только при наличии сигнала. Усиливается по мере снижения уровня. Серьезное искажение каскада стабилизации тока покоя не дает усилителю воспроизводить что угодно, кроме пиков сигнала при его малой амплитуде;
  • существует также много других форм искажений — искажение «детектирования» может произойти, если воспроизводится только половина сигнала, и характерно для силовых транзисторов с обрывом, неисправных драйверов или источников тока. Иногда бывает трудно услышать некоторые формы искажений (например, вызванные самовозбуждением усилителя).

Для обнаружения искажений, вызванных самовозбуждением необходим осциллограф — другого способа увидеть, что именно происходит с сигналом, нет.

Стук (Thump): Низкочастотный шум, часто при включении или выключении усилителя мощности (в частности). Обычно это проблема конструкции и большинство стук не вызывает беспокойства, если не используется усилитель, забивающий твитеры (ВЧ-динамики) в двух- или трехполосных колонках! Чтобы избавиться от стуков, почти всегда потребуется реле задержки включения динамиков, поскольку единственной реальной альтернативой является переделка конструкции усилителя. Некоторые схемы на ОУ также постукивают (или потрескивают!) по мере нарастания или спадания напряжения питания. Ярким примером являются высокоскоростные ОУ в электронном кроссовере P09. Опять же, наилучшим решением являются реле и схема задержки.

Чириканье (Chirps): Некоторые усилители мощности (в частности, в некоторых случаях превосходные УМЗЧ) выдают «чириканье» или «птичий шум» при выключении. Подобно стукам и потрескиваниям, это проблема конструкции, которую очень трудно предотвратить. Если это действительно раздражает, то единственным реальным решением является реле отключения динамиков.

13 Выводы

Как уже говорилось вначале, есть слишком много возможностей, чтобы попытаться их все охватить. Тем не менее, я надеюсь, что эта статья поможет Вам отладить свой проект и позволит сосредоточиться на прослушивании музыки. Я сомневаюсь, что есть много вещей, более удручающих, чем отложенный проект, который Вы просто не смогли заставить нормально работать.

По мере того, как я узна́ю больше о проблемах, встающих перед людьми, я расширю эту статью и постараюсь обеспечить ее актуальность в соответствии с последними и наибольшими ошибками. Надеюсь, что в ней собрано их подавляющее большинство, но всегда есть новые или те, о которых я не думал на момент написания.

Если для Вашей конкретной проблемы Вы прошли изложенные здесь шаги и до сих пор не нашли решения — дайте мне знать, я помогу решить эту проблему, если получится.

Обратите внимание, что это относится только к проектам ESP — если Вы нашли схему или проект в другом месте, то должны обсудить это с разработчиком или издателем, но не со мной. У меня не только нет времени обсуждать проекты других людей, но и явно отсутствует склонность к этому.

Из всех проблем, которые я обсуждал здесь, наиболее распространенной является отказ следовать инструкциям и/или неспособность разместить все компоненты там, где они должны быть. Я бы оценил, что более 90% всех ошибок вызваны неправильным размещением компонентов. «Я проверил и дважды проверял» — фраза, которую я видел в сообщениях по электронной почте бесчисленное множество раз, но проблема по-прежнему оказывалась обусловленной неправильно установленными компонентами. Это должно Вам о чем-то сказать ;-)

Сказанное ни в коей мере не должно восприниматься, как оскорбление Вашего интеллекта — такое может произойти у каждого. Когда один из моих прототипов не работает должным образом, есть две возможности:

  • я допустил ошибку в печатной плате;
  • я что-то неправильно установил.

До сих пор неправильные компоненты составляли, возможно, 60% или более исходных сбоев — в некоторых случаях потому, что я работал на этапе проектирования, но в основном я просто делал то, что делают все остальные — помещал что-то не в то место.

Если это вообще может Вам чем-то помочь, просто помните: «Человек, не совершающий ошибок, вообще ничего не делает!»