Найти в Дзене
Золотые руки мастера

Как сделать наждак своими руками? Наждак своими руками (чертежи)

Доступ к дому опытных мастеров должен появиться у новорожденных. Они могут предлагаться, когда тканые ножи или ножницы, любые другие режущие инструменты, которые могут время от времени закрываться, могут прилипнуть. Мы настоятельно рекомендуем вам не покупать это оборудование, поэтому оно очень дорогое. Не нужно говорить о частных пользователях, которые экипированы и не нужны, а о профессиональных мастерах. Самодельный продукт можно изготовить своими руками, если у вас есть двигатель от старой бытовой техники, которую можно найти в бизнесе. Для начала нужно выбрать то, что наиболее подходит для данного оборудования. Достаточно двигателей от старых стиральных машин, таких как Вятка, Волга или Сибирь, предназначены для проектирования. У этой техники достаточно мощный двигатель. Помимо прочего, вы можете позаимствовать выключатель у стиральной машины, в которой есть стартер. Вы действительно имеете в виду, что можете работать над тем, что может быть довольно простым, что нужно сделать,

Доступ к дому опытных мастеров должен появиться у новорожденных. Они могут предлагаться, когда тканые ножи или ножницы, любые другие режущие инструменты, которые могут время от времени закрываться, могут прилипнуть. Мы настоятельно рекомендуем вам не покупать это оборудование, поэтому оно очень дорогое. Не нужно говорить о частных пользователях, которые экипированы и не нужны, а о профессиональных мастерах. Самодельный продукт можно изготовить своими руками, если у вас есть двигатель от старой бытовой техники, которую можно найти в бизнесе. Для начала нужно выбрать то, что наиболее подходит для данного оборудования. Достаточно двигателей от старых стиральных машин, таких как Вятка, Волга или Сибирь, предназначены для проектирования. У этой техники достаточно мощный двигатель. Помимо прочего, вы можете позаимствовать выключатель у стиральной машины, в которой есть стартер. Вы действительно имеете в виду, что можете работать над тем, что может быть довольно простым, что нужно сделать, чтобы справиться своими руками. Например, одна из отдельных проблем состоит в том, как разместить его на валу двигателя. Это связано с тем, что не всегда существует поток. Кроме того, диаметр отверстия для камня можно комбинировать с диаметром вала. Имейте в виду, что вам нужно разработать специальную безопасную часть.

-2
-3

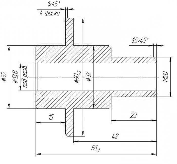
Определение параметров Чтобы иметь электронное письмо своими руками, вы должны сначала определить его параметры. Асинхронных двигателей, используемых для установки этой установки дома, достаточно. Потому что вы можете использовать максимальную скорость, которая равна 3000 об / мин. Если вы используете более впечатляющую скорость, у вас могут возникнуть проблемы с разрушением измельчителя. В домашних условиях желательно использовать двигатель с оборотами от 1000 до 1500. Если вы используете электродвигатель при 3000 об / мин, вы должны использовать достаточно сильный камень. Помимо прочего вам понадобится качественный фланец. Наиболее предпочтительны обороты двигателя, которые используются не для закрытия, а для полировки деталей. Для продолжения работы своими руками вам не нужно использовать электродвигатель. Для домашней кухни более приемлемой мощностью является ограничение в 100-200 Вт. Могут использоваться трехфазные и однофазные электродвигатели. Подготовка фланца Прежде чем вы будете наслаждаться своими руками, вы должны знать, как обеспечить соединение двигателя с камнем. Для этого подготовлен фланец. Посмотрите этот вид работ, предпочтительнее воспользоваться услугами токаря. Вопрос о технологии и вопрос о наличии подручных материалов остаются. Необходимо использовать фланец, который установлен на валу, а также усилен шайбой. Обратите внимание, проверьте гайку и фланец, которые вам нужны, чтобы подготовить резьбу в направлении вращения вала двигателя.

-4

Если вы хотите изменить свой выбор своими руками, чистые черные колеса должны быть проверены заранее на работе, используйте систему, которая должна быть направлена ​​по часовой стрелке, следуя тому, что необходимо сделать, и вернуться. Если этот фактор не будет принят во внимание, он будет работать, чтобы развиваться. Несомненно, можно доказать, что камень может улететь. Если нет подходящего оборудования для работы с определенным диаметром, вы можете использовать куски трубы, и полученный зазор между валом и встроенным двигателем должен компенсировать необходимое использование изоленты. Вам нужно выбрать тот, который имеет платформу. Надо ставить втулки друг на друга. Со временем, перемещаясь по изоленте, вы должны соблюдать равномерность. Советы мастера Сделайте насадку своими руками из стиральной машины, руки должны быть сделаны с головкой трубы, диаметр которой составляет 32 миллиметра. Это должно быть надето. Такая система втулок будет надежно закреплена на валу. Рекомендовать специалистам. Если вы работаете дома, вы можете создать нить ногой, и вам придется затягивать движение мотора в тисках. Прежде чем вы это знаете, вам необходимо определить направление его работы. Это очень важно.

-5

В нажуме, сделав это самостоятельно, вы можете отрегулировать направление вращения ротора. Вам нужно будет опробовать катушку с помощью тестера. Уровень сопротивления обмотки вполне равен 12 кОм, но начальная обмотка близка к 30. Чтобы дотронуться до второго выхода обмотки, а затем вынуть его. Особенно вы должны делать инструмент своими руками, а вы должны быть дома, не реагируя на пусковую катушку. В этом случае следуйте, как подключить домашнюю сеть к сети, вам нужно запустить абразивный камень в определенном направлении, положить руки, тогда машина будет работать самостоятельно. Завершение установки наждачной бумаги Некоторым нужно смотреть, как держится одежда от перевода своими руками. Сначала вам нужно будет точно определить, как установить его на рабочий стол. Это можно найти на кронштейне, который был снят со стиральной машины. Крепление можно понять с помощью болтов. Мотор, напротив, опирается на угол, который удерживается в горизонтальном положении. Среди прочего, это вырез, который повторяет контуры тела велосипеда.

-6

Чтобы применить силу вибрации, контур резинового куска шланга должен быть размещен в углу. Чтобы избежать телесных повреждений в результате эксплуатации пилы и летящих осколков абразивного круга при использовании станка, вы можете использовать метод изготовления корпуса. Предпочтительно использовать сталь. Для этого выберите холст толщиной 2,5 миллиметра. Это может быть полоса металла, которую нужно сложить в форме полукольца. Под рабочую поверхность шлифовального круга необходимо будет установить оцинкованный металлический лист, который защитит стол от воздействия летящих искр, возникающих во время работы. Все действия для вашей собственной безопасности следует рекомендовать с помощью специальных защитных очков. Наконец, вы можете использовать оргстекло, толщина которого должна быть равна 5 миллиметрам. Это фиксированная крышка двигателя, которая должна соответствовать брюкам. Закрепите непрерывно для использования таким образом, что элементы могут быть наклонены на 180 градусов. Вам нужно держаться, что необходимо для большой и надежной остановки детали. Эту работу можно понять самостоятельно, не прибегая к волшебной таблице. Чтобы иметь это, вам нужно будет сохранить с правильными инструментами и материалом. Другой человек не может обойтись без рекомендаций, которые были представлены в статье.