Добавить в корзинуПозвонить
Найти в Дзене
Виктор Кислицын

Консультации и помощь по гидравлтке, теомодинамике, теплотехнике и теплотехнических расчётах.

Гидростатика. Запишем уравнение Эйлера равновесия жидкости и дайте его объяснение. - ∂p/∂x +ρX = 0 - ∂p/∂y +ρY = 0 (1) - ∂p/∂z +ρZ = 0 где X, Y, Z – проекции ускорения массовых сил (например, силы тяжести, центробежной, инерции или комбинации некоторых из них) на соответствующие оси. Выражение (1) это дифференциальные уравнения равновесия как для сжимаемой (ρ – плотность жидкости не является величиной постоянной, ρ ≠const) так и для несжимаемой жидкости. Совместное решение этих уравнений даёт формулу: dp = ρ(Xdx + Ydy + Zdz), (2) являющейся основным дифференциальным уравнением гидростатики. Выражение в скобках правой части этого уравнения можно определить как полный дифференциал некоторой потенциальной функции U. После инт
Оглавление

Гидростатика.

Запишем уравнение Эйлера равновесия жидкости и дайте его объяснение.

- ∂p/∂x +ρX = 0

- ∂p/∂y +ρY = 0 (1)

- ∂p/∂z +ρZ = 0

где X, Y, Z – проекции ускорения массовых сил (например, силы тяжести, центробежной, инерции или комбинации некоторых из них) на соответствующие оси. Выражение (1) это дифференциальные уравнения равновесия как для сжимаемой (ρ – плотность жидкости не является величиной постоянной, ρ ≠const) так и для несжимаемой жидкости. Совместное решение этих уравнений даёт формулу:

dp = ρ(Xdx + Ydy + Zdz), (2)

являющейся основным дифференциальным уравнением гидростатики. Выражение в скобках правой части этого уравнения можно определить как полный дифференциал некоторой потенциальной функции U. После интегрирования получим:

p = ρU + С.

В частных случаях в зависимости от конкретных значений проекций ускорений массовых сил X, Y, Z определяется соответствующие значения потенциальной функции U, постоянной интегрирования С и давления p. Например, для несжимаемой жидкости, находящейся в поле силы тяжести получим:

p = p0 + ρ•g(z0 - z) = p0 + γ(z0 - z) = p0 + γh.

Уравнение :

p = p0 + γh,

называется основным уравнением гидростатики для несжимаемой жидкости,

где p- полное (абсолютное) давление; p0 – внешнее давление; γh - избыточное (манометрическое) давление в данной точке. Следовательно, полное гидростатическое давление равно сумме внешнего и избыточного давления.

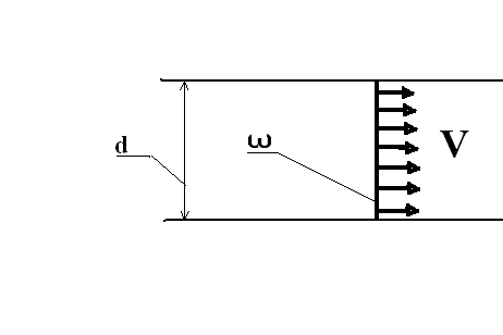
Что такое живое сечение потока, смоченный периметр, гидравлический радиус?

Живым сечением потока ω называют поверхность, в каждой точке которой нормаль совпадает с направлением вектора скорости

При равномерном потоке поверхность вырождается в плоскость.

Смоченным периметром χ называется линия пересечения живого сечения потока с твердыми стенками.

-2

Гидравлическим радиусом называется отношение площади живого потока ω к длине смоченного периметра χ

R = ω/χ .

-3

Критерии подобия

Запишем критерии Рейнольдса, Эйлера, Фруда, Архимеда и объясним их физический смысл.

Критерий Рейнольдса, это безразмерный комплекс, представляющий собой среднюю меру отношения сил инерции к силам трения:

Re = ρvd/μ = vd/ν , (1)

где ρ- плотность, кг/м3; v- скорость потока, м/сек; d- линейный размер (диаметр). м; μ- динамическая вязкость, Па•сек; ν- кинематическая вязкость, м2/ сек.

Критерий Эйлера имеет смысл безразмерной неизвестной переменной давления Δp. Распределение давления в исследуемом потоке является следствием физической обстановки , которая сложилась при движении жидкости, поэтому перепад давления Δp является величиной искомой, а не заданной.

Eu = Δp/(ρv^2 ) , (2)

Критерий Фруда, это безразмерный комплекс, представляющий собой среднюю меру отношения сил инерции к силам тяжести:

Fr = v^2/ρd , (3)

Критерий Архимеда, безразмерный комплекс, характеризующий неоднородное поле плотности Δρ/ρ сложившееся при движении жидкости.

Ar = g d^3/v^2 Δρ/ρ , (4)

где g - ускорение силы тяжести, м/сек2.

Некоторые вопросы гидродинамики

Как определяется величина коэффициента гидравлического сопротивления при турбулентном течении в трубах?

Коэффициент гидравлического трения (коэффициент Дарси) λ при турбулентном течении в напорных трубопроводах рекомендуется определять по формуле Альтшуля:

λ =0,11 〖(k_э/D+ 68/Re)〗^0,25 ,

где k_э- абсолютная эквивалентная шероховатость, мм; D - диаметр трубопровода, м; Re - критерий Рейнольдса.

Гидростатика

Пример 1

Построить эпюры избыточного о давления воды на стенки ломаного очертания (Рис.1). Определить силы давления на 1м ширины вертикальной и наклонной части стены и точки их приложения, если глубина воды h, длина вертикальной части стены АВ – hАВ, угол наклона стены ВС к горизонту 30.

                                                                                      Рис.1
Рис.1

Решение.

Дано: h= 7,0 м; hАВ= 5,0 м.

1.Эпюра давления, это график показывающий распределение гидростатического давления по смоченной поверхности.

Для построения эпюр гидростатического давления на стенки АВ и ВС необходимо найти величины гидростатического давления в точках А, В и С по формуле:

Pизб= γh,

где γ- удельный вес воды, принимаем 10 кН/м3; h- глубина погружения данной точки.

РА= 0; РВ= 10•5 = 50 кПа; РС= 10•7 = 70 кПа.

2.Определение силы гидростатического давления на вертикальную и наклонную части стены вычисляем по формуле

Ризб= рЦТ•ω,

где рЦТ- давление в центре тяжести смоченной поверхности, Па (Н/м2);

ω – площадь смоченной

Участок АВ: Ризб= 2,5•10•1•5 = 125 к Па.

Точка приложения суммарной силы избыточного гидростатического давления, называется центром давления. Положение центра давления определим по формуле:

где lЦД - расстояние в плоскости стенки от центра давления до свободного уровня жидкости, м; lЦТ - расстояние в плоскости стенки от центра тяжести стенки до свободного уровня жидкости, м; ω – площадь смоченной поверхности, м2; J - момент инерции смоченной плоской площадки относительно горизонтальной оси, проходящей через центр тяжести, который определяется по формуле :

где b – ширина стенки, м; l – длина стенки, м. Центр давления на участке ВА:

Участок ВС: Ризб= 6•10•1•2 = 120 к Па.

Пример 2

Определить давление воды в узком сечении трубопровода, если давление в широкой его части . Расход воды, протекающей по трубопроводу Q (л/с), диаметры труб соответственно узкого и широкого сечения d1 и d2.

Режим движения воды в трубопроводе - турбулентный.

Решение.

Дано: p2= 30 кПа; Q = 9 л/с; d1 = 40 мм; d2 = 150 мм.

Для определения давления воды p1 нужно составить уравнение

Д. Бернулли для двух сечений 1-1 и 2-2 потока воды (рис.2) (индексы при членах уравнения соответствуют номерам выбранных сечений) Плоскость сравнения О-О проведем по оси трубопровода.

Рис.2

Для данной задачи уравнение Д.Бернулли имеет вид6

где z1 и z2 - удельная энергия положения, или расстояние от центра тяжести сечений 1-1 и 2-2 до плоскости сравнения 0-0, м, в нашем примере z1 = z2 = 0, т.к. плоскость сравнения 0-0 проходит через центр тяжести сечения трубы;

и - удельная энергия давления или высота поднятия воды в пьезометрах, установленных соответственно в сечениях 1-1 и 2-2, м;

и – давление воды в соответствующих сечениях, кН/м2;

-удельная кинетическая энергия или скоростная высота в сечениях 1-1 и 2-2,м;

-средняя скорость соответственно в сечениях 1-1 и 2-2, м/с;

α1 и α2 – коэффициент, учитывающий неравномерность распределения скоростей в живом сечении потока, безразмерная величина, для турбулентного движения можно принять равным единице;

- потеря напора при внезапном расширении сечения, определяется по формуле Борда, м:

Преобразовав уравнение Д.Бернулли относительно p1 получим:

.

В полученном уравнении помимо неизвестны скорости и . Их вычислим, при заданном расходе и диаметрах труб, и используя уравнение неразрывности струи:

где и - площади живых сечений трубопроводав сечениях1-1 и 2-2, которые вычисляются по формулам:

и

Произведя вычисления площадей ω1 и ω2, скоростей v1 и v2 определим неизвестную величину давления p1:

v2= v1=

Пример 3

Определить потери напора (H) в трубопроводе диаметром d и длиной L, по которому перекачивают нефть с υ= 2,5*10-4м2/с. Разность отметок начала и конца трубопровода – hОТМ. Объёмный расход – Q м3/с. Данные для своего варианта возьмите из таблицы 4.

Решение.

Дано: d = 0,18 м; L = 900 м; hотм=15 м; Q = 0,0020 м/с; υ = 2,5•10-4м/с.

Общие потери напора можно вычислить как сумму разности отметок трубопровода и потерь напора на трение. Потери напора на трение вычисляют по формуле Дарси-Вейсбаха:

де λ- коэффициент гидравлического трения;

v – средняя линейная скорость, которая находится как частное от деления объёмного расхода на площадь живого сечения потока, м/с.

Значение коэффициента гидравлического трения λ для ламинарного режима течения можно определить по формуле Пуазейля:

Re –число Рейнольдса, которое можно вычислить по формуле:

Подставив данные в задании величины в критерий Рейнольдса и формулу Пуайзеля, определим потери напора на трение h.

Общие потери напора в трубопровод диаметром d = 0,18 м и длиной L = 900 м составят: H = hотм+ h = 15 + 1,77 = 16,77 м

Товарищи (господа) студенты если у кого то возникли вопросы по решению или ответу на вопрос, пишите на почт: khb6804@mail.ru