Найти в Дзене
ELOther

Устройство и принцип работы полупроводниковых диодов

Всем привет мои дорогие друзья, подписчики и коллеги. Сегодня я хочу рассказать про то как устроены и работают полупроводниковые диоды. Полупроводниковый диод, это электронный прибор, который способен пропускать электрический ток, только в одном направлении. Такие приборы как правило применяются в выпрямительных устройствах, а также в электрических и электронных схемах, где нужно конкретное направление тока. Основным элементом диода, являются полупроводники, как правило это кремний или германий. Но сами полупроводники обладают высокими сопротивлениями и низкой проводимостью, из-за того, что эти элименты являются четырехвалентными, и каждый его электрон на внешней орбите атома имеет связь с другим электроном другого атома. Для того, чтобы полупроводники могли проводить электрический ток, в них добавляют примеси, в виде доноров и акцепторов. Диод имеет две зоны проводимости это р - зона и n - зона. В зону p - типа добавляют акцепторы, в виде трехвалентных химических элементов, кото

Всем привет мои дорогие друзья, подписчики и коллеги.

Сегодня я хочу рассказать про то как устроены и работают полупроводниковые диоды.

Полупроводниковый диод, это электронный прибор, который способен пропускать электрический ток, только в одном направлении. Такие приборы как правило применяются в выпрямительных устройствах, а также в электрических и электронных схемах, где нужно конкретное направление тока.

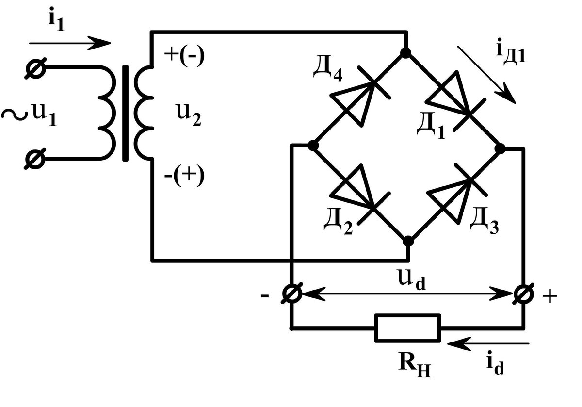
Схема однофазного мостового выпрямителя
Схема однофазного мостового выпрямителя

Основным элементом диода, являются полупроводники, как правило это кремний или германий. Но сами полупроводники обладают высокими сопротивлениями и низкой проводимостью, из-за того, что эти элименты являются четырехвалентными, и каждый его электрон на внешней орбите атома имеет связь с другим электроном другого атома. Для того, чтобы полупроводники могли проводить электрический ток, в них добавляют примеси, в виде доноров и акцепторов.

-3
Кристаллическое строение атома кремния
Кристаллическое строение атома кремния

Диод имеет две зоны проводимости это р - зона и n - зона. В зону p - типа добавляют акцепторы, в виде трехвалентных химических элементов, которые образуют дырки, а в зону n - типа - доноры - пятивалентные химические элементы, которые образуют свободные электроны.

Пример примесей доноров и акцепторов
Пример примесей доноров и акцепторов

Две эти зоны соединены на кристаллическом уровне. Сам диод имеет два вывода, анод и катод.

-6

При подачи на диод прямое напряжение, (к аноду - плюс, к катоду - минус) свободные электроны начнут переходить из области - n, в область - p, а дырки начнут перемещаться из области - p в область - n. При этом его сопротивление уменьшится и диод будет проводить электрический ток.

При подачи на диод обратного напряжения, (к аноду - минус, к катоду - плюс) свободные электроны сместиться к выводу катода, а дырки к выводу анода, в зоне p-n перехода образуется запирающий слой, который увеличит сопротивление диода, который не позволит диоду пропускать электрический ток. А точнее ток будет протекать очень слабый, который называется обратным током.

Вольт-Амперная характеристика полупроводникового диода и прямая - обратная подача напряжения на диод
Вольт-Амперная характеристика полупроводникового диода и прямая - обратная подача напряжения на диод
-8

Если вам понравился это материал, то поставьте ему лайк, а также не забудьте подписаться на наш канал и нажать на колокольчик, чтобы не пропускать новые выпуски. Всем пока.