Найти в Дзене
Радиолюбитель

Простые схемы для начинающих радиолюбителей

Подборка схем для начинающих радиолюбителей. Вот такая небольшая подборка схем у меня получилась. Ставьте лайк и подписывайтесь на канал!

Подборка схем для начинающих радиолюбителей.

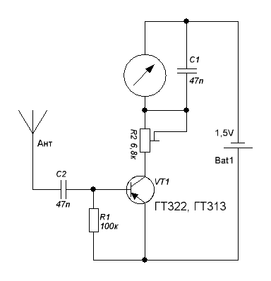
Радиоприёмник
Радиоприёмник
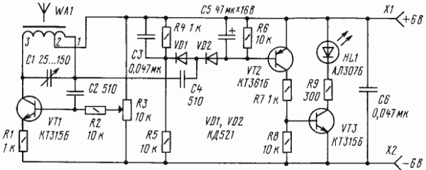
Еще один радиоприемник.
Еще один радиоприемник.
Мигалка
Мигалка
Мигалка на тиристорах
Мигалка на тиристорах
Пищалка
Пищалка
Беспроводной передатчик электричества.
Беспроводной передатчик электричества.
Катушка тесла.
Катушка тесла.
Детектор вч
Детектор вч
Детектор поля.
Детектор поля.
Детектор поля.
Детектор поля.
Волномер .
Волномер .
Ещё один волномер.
Ещё один волномер.
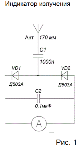
Индикатор поля.
Индикатор поля.
Детектор свч.
Детектор свч.

Вот такая небольшая подборка схем у меня получилась. Ставьте лайк и подписывайтесь на канал!