Найти в Дзене
Всё про АвТо!!!

Стук в рулевой рейке. Почему стучит рейка?

Как часто приходится слышать от хондаводов грустную фразу: «у меня застучала рейка рулевая, придется менять, наверное… она же дорогая?». На такие вопросы всегда хочется с радостью ответить: «Очень дорогая!» при этом, нисколько не обманув человека. Действительно, рулевая рейка, или рулевой редуктор, является очень-очень дорогостоящим узлом автомобиля. Бывало так, что цена, выставляемая поставщиком за эту деталь, достигала четверти реальной стоимости автомобиля на рынке. После оглашения ее клиенту, нередко в его глазах возникало острое желание заняться «самодепиляцией» разных точек тела, и немудрено, — например для Honda H-RV стоимость рулевого редуктора в сборе составляет более 50 000 рублей при сроке доставки более месяца! А в чем же тогда наша радость, при возникновении такого вопроса? Думаете в жажде наживы? Ошибаетесь, уважаемые! Сейчас мы расскажем вам, как избавиться от стука в рулевой рейке Honda как минимум своими силами, а как максимум, вернувшись на сервис, диагностировавший

Как часто приходится слышать от хондаводов грустную фразу: «у меня застучала рейка рулевая, придется менять, наверное… она же дорогая?». На такие вопросы всегда хочется с радостью ответить: «Очень дорогая!» при этом, нисколько не обманув человека. Действительно, рулевая рейка, или рулевой редуктор, является очень-очень дорогостоящим узлом автомобиля. Бывало так, что цена, выставляемая поставщиком за эту деталь, достигала четверти реальной стоимости автомобиля на рынке. После оглашения ее клиенту, нередко в его глазах возникало острое желание заняться «самодепиляцией» разных точек тела, и немудрено, — например для Honda H-RV стоимость рулевого редуктора в сборе составляет более 50 000 рублей при сроке доставки более месяца!

А в чем же тогда наша радость, при возникновении такого вопроса? Думаете в жажде наживы? Ошибаетесь, уважаемые! Сейчас мы расскажем вам, как избавиться от стука в рулевой рейке Honda как минимум своими силами, а как максимум, вернувшись на сервис, диагностировавший вам замену рейки, и победоносно ткнув их в эту статью, укажете правильный путь действий. :) Заинтриговали? Уже хорошо. Давайте тогда разбираться. Начнем мы, как это у нас водится, с самого начала, то есть с того, что у нас есть рулевая рейка и откуда берется стук в рулевой рейке.

Итак, рулевая рейка, или по правильному «редуктор гидроусилителя руля», это важнейшая составляющая часть системы ГУР, той самой, которая помогает вращать рулевой колесо, прикладывая минимальные усилия. Те, кто учился в автошколах на российских автомобилях, не оборудованных системой ГУР, прекрасно должны помнить, как туго поворачивается руль в них. Гидроусилитель призван облегчить эту операцию. А ключевой частью гидроусилителя и является сама рулевая рейка. Фактически, рейка это и есть гидроусилитель. Давайте посмотрим сначала на эту конструкцию в сборе.

Итак, Вы видите картинку из официального каталога. Давайте разберем, что на ней нарисовано. Наиболее интересные для нас элементы выделены красными кружками. Итак, начнем с конца. Под номером "14" мы видим собственно редуктор гидроусилителя, он же рулевая рейка в сборе. С каждой стороны к нему крепятся рулевые тяги (на рисунке под номером "1"). К рулевым тягам крепятся рулевые наконечники ("12"), которые в итоге крепятся к колесу. Вся эта простая, но очень эффективная конструкция позволяет вам управлять поворотом колес своего автомобиля.

Диагностику стука следует начинать именно с этой картинки, поскольку первое, что может стучать в этой схеме, Вы уже знаете, — это рулевые наконечники и рулевые тяги. Если наконечники диагностировать крайне просто, — как правило, вышедший из строя наконечник имеет порванный пыльник, отчего шаровое соединение пальца пришло в негодность, то с тягой все чуть-чуть сложнее.

Как правило, тяга выходит из строя также из-за порванного пыльника (на рисунке они изображены под номерами "9" и "10"), но бывает и так, что предыдущий владелец тягу «убил», но пыльник поменял, набив в нее новой смазки. В результате, тяга какое-то время поработала и окончательно вышла из строя, начав стучать. Диагностировать ее в таком случае чуть сложнее, чем рулевой наконечник, необходимо снять пыльник тяги и проверить саму тягу на люфт в горизонтальной плоскости. Если люфт присутствует, — ура, источник стука найден, можно менять и собирать все обратно.

Во всей этой схеме есть один существенный минус, — пропустить стук в рулевой тяге, или наконечнике, и рекомендовать заменить рулевую рейку могут только неспециалисты. Как правило, хороший мастер «ловит» подобную поломку сразу же, указывая на необходимость замены детали. Другое дело стук внутри самой рейки. Давайте вместе посмотрим на ее конструкцию, и разберемся, что же там может стучать.

Почему стучит рулевая рейка?

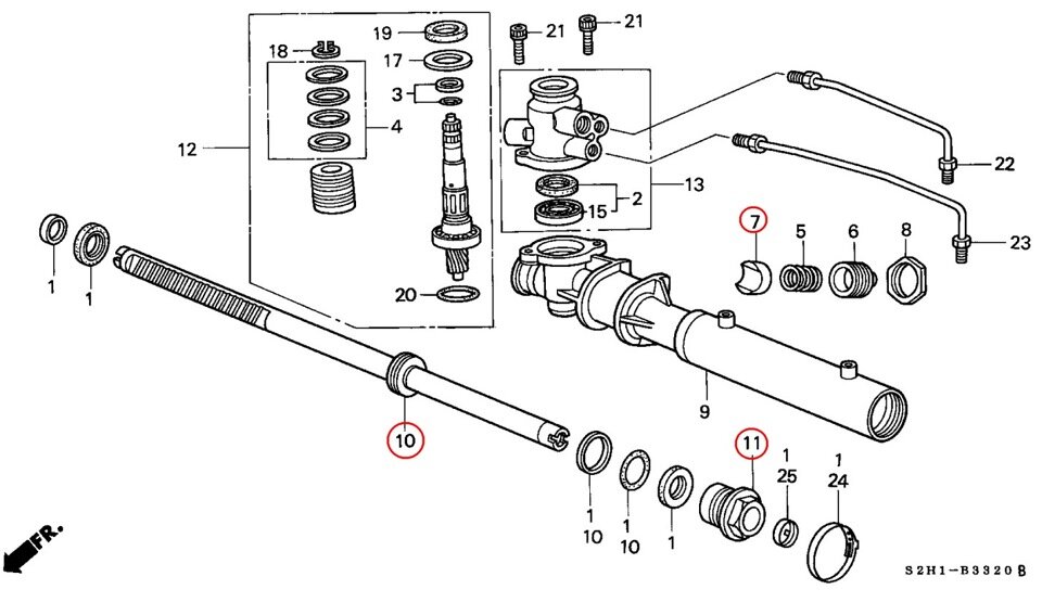
Вы видите скриншот из официального каталога Honda, на нем изображена рулевая рейка в разборе. Среди всех деталей на этой картинке нас интересуют больше всего под номером "7", "10", и "11". Давайте вместе разберемся, что же в них особенного.

Начать следует с детали под номером "10", это вал рулевой рейки, — ключевой элемент всей конструкции. Именно движением вала внутри корпуса рейки осуществляется поворот колес, — рабочая жидкость давит на вал в горизонтальной плоскости, а он уже передает силу на колеса автомобиля, посредством тяг и наконечников. Источником стука внутри рейки является он же. Но сам по себе, он стучать не может (на новой машине, же не стучит!), соответственно должны быть другие детали, провоцирующие этот звук. И они действительно есть.

Посмотрим на деталь номер "7". В разных каталогах из-за разницы переводов эта деталь может называться «втулка рулевой рейки», «направляющая рулевой рейки», «направляющая втулка рулевой рейки», «прижимная втулка рулевой рейки». Однако, как бы она ни называлась, смысл и рабочее предназначение у нее одно, — обеспечивать фиксированное рабочее положение вала в определенной плоскости, не давая ему отклоняться от нее. Втулка как бы на половину охватывает сам вал, а внутренняя сторона, отвечающая за соприкосновение с валом, покрыта специальным материалом на основе фторопласта, обеспечивающее минимальное трение при контакте.

Обратите внимание, сама втулка не зафиксирована, а напротив, является подвижной деталью (при жесткой фиксации она бы быстро деформировала вал), подталкиваемой вперед мощной пружиной, регулируемой специальным болтом с контргайкой (на рисунке детали № "5", "6", "8"). Как правило, в большинстве случаев, именно эта втулка и является причиной стука в рулевой рейке, после диагностики которой, многие «мастера» в том числе и официальные дилеры Honda в некоторых городах, выдают вердикт о необходимости замены всего узла. И вот тут надо остановиться и подумать.

Дело в том, что среди оригинальных запчастей Honda действительно встречаются детали, которые меняются только в сборе, например ступичные подшипники с магнитным кольцом, но это, — не тот случай. Данная втулка спокойно продается отдельно и часто в специализированных магазинах их может быть достаточно широкий выбор для большинства моделей! Поэтому не торопитесь менять рейку! Поищите сначала втулку!

Хотя, на самом деле, есть и еще более простой вариант решения проблемы, правда требующий предварительной диагностики на сервисе, специализирующимся на Honda. Часто, для полного устранения стука требуется выполнение очень простой операции, — отвинчивание болта, зафиксированного контргайкой, и… Правильно! Чистка пружины, за годы покрывшейся ржавчиной и отложениями. Пружина просто перестает выполнять свои «поджимные» свойства из-за накопившейся грязи, а сама втулка бывает заблокирована этими же отложениями.

Для восстановления рабочих свойств всего этого элемента (и, как следствие, устранения стука) потребуются следующие действия:

Отвинтить контргайку "8" и болт "6". Иногда до них непросто добраться, но это уже технические вопросы. Успокаивайте себя тем, что менять рейку дороже.

Вытащить пружину и втулку из места посадки.

Очистить пружину при помощи щетки и химических очистителей типа «очиститель карбюратора» или Profoam 1000, или при помощи обычной солярки. После чистки смажьте пружину любой смазкой, для предохранения от попадания воды.

Внимательно осмотрите рабочую (покрытую фторопластом) поверхность втулки. На ней не должно быть глубоких царапин, выбоин, или вытертых до металла мест. В случае, если таковые имеются, — замените втулку.

Аккуратно протрите посадочное место втулки от грязи.

Смажьте втулку густой смазкой и установите ее на место.

Соберите в обратном порядке узел. Желательно смазать еще и болт с контргайкой.

Отрегулируйте момент затяжки. Данная операция осуществляется при помощи напарника, который должен сесть за руль автомобиля и короткими движениями качать руль влево-вправо. Находящийся внизу человек регулирует болтом натяжение пружины до пропадания стука в руле, затем фиксирует положение болта контргайкой.

Внимание! Исполняя данную операцию необходимо не переусердствовать, чтобы не сделать натяжение слишком сильным. Это приведет к выходу из строя всего узла! Если все смазано и почищено хорошо, — большого усилия при регулировке не потребуется!

Вуаля! В итоге Вы получаете практически идеально работающую рейку (износ все равно есть, но он устранен разумным подтягиванием), практически даром!

Следует остановиться на «усовершенствовании» процесса, которое иногда предлагают «мастера». Долгое время мы не могли понять, почему клиенты, ссылаясь на форумы, избегают этой процедуры. Как оказалось, причина в следующем.

Многие мастера понимают процедуру «подтяжки» буквально. Они ослабляют контргайку и закручивают винт до упора, пока не пропадает стук, после этого фиксируют результат контргайкой. Получается, что вся грязь и ржавчина, которую надо было вычищать из-под болта не только остаются на месте, но и загоняются дальше в узел, а сама втулка, которая, в общем-то, должна быть подвижной, упирается в вал с такой силой, что иногда даже выгибает его. Естественно, что эксплуатация рейки с такой «фиксацией» быстро выводит из строя уже весь механизм, а выгнутый вал разбивает все уплотнения на своем пути, отчего узел начинает еще и протекать. Ремонт после такой «подтяжки» уже невозможен, поэтому, пожалуйста, будьте аккуратны при выборе сервиса. Стоять над душой и следить за работой мастера, — некорректно. Но спросить о том, как будет делаться эта процедура, — лишним не будет.

Возвращаемся к рисунку с разобранным узлом. Если Вы еще не забыли, у нас осталась еще одна деталь, обведенная кружком, — № "11", — выходная втулка рулевой рейки. О ней также стоит поговорить. Случается, что при диагностике рейки, замечается очевидный люфт самого вала на выходе из корпуса. Это происходит при износе самой выходной втулки, центральная часть которой (вкладыш) сделана из более мягкого металла, нежели сам вал. Образовавшийся внутри люфт также может приводить к эффекту стука в рейке. Заменить эту втулку, обычно, еще проще, чем прижимную, — выкручиваете старую, закручиваете новую, и все. Ремонт без замены, в данном случае, невозможен, поскольку люфт появляется в результате естественного износа.

В любом случае, пока в рейку не попала грязь, и не разрушила сам вал и уплотнения, рейка вполне ремонтопригодна.

Кстати, стук в системе электроусилителя руля (ЭУР) устраняется точно также как и в гидроусилителе, за одним исключением, — в ЭУР нет возможности поменять выходную втулку. Производитель считает, что проблем с ней быть не может. На самом деле, к сожалению, это не так. Нередко, владельцам электрореек предлагают менять рейку в сборе, хотя существуют технологии восстановления, или замены рулевых втулок.* Прижимная же втулка регулируется обычным образом.

Итак, теперь Вы владеете знаниями по ремонту рулевых реек. Как видите, никакого волшебства в том вопросе нет, — стук в рейке убирается просто и без проблем, если знать, где его искать.

* Выход из положения, когда требуется замена выходной втулки электрорейки, на самом деле есть. Саму втулку можно выкрутить при помощи специального инструмента, и не смотря на все ее протесты, в большинстве случаев это удается. А вот далее можно действовать в двух направлениях.

Первое — изготовление фторопластовых вкладышей в старую, изношенную втулку. Вполне себе надежный способ, если у изготовителя есть опыт работы в этом направлении.

Второе, — восстановление оригинальной выходной втулки. Этим "джедайским" искусством владеют очень немногие сервисы, и как правило, хранят его в секрете, поскольку конечное качество продукта получается очень близким к оригинальному исполнению, и служит достаточно долго, при условии целостности вала рейки. К сожалению (для проекта, разумеется) мы связаны обещанием хранить молчание о тонкостях этой технологии. Но, мы можем помочь читателям из Новосибирска, подсказав при личном запросе сервис, в который можно обратиться по поводу процедуры восстановления.

-2