Добавить в корзинуПозвонить
Найти в Дзене
Дмитрий Маленда

Мощный Светодиодный Драйвер для беспилотников

Ребята из topodrone.ru обратились с просьбой разработать для них компактный светодиодный драйвер, мощностью в 140Вт и размерами со спичечный коробок!
Разработка началась с подбора элементной базы и моделирования основной схемотехники.
Рис.1. Моделирование силовой части
Особое требование к устройству - возможность регулировать яркость выходного светодиода без стробоскопических эффектов. Обычно

Ребята из idrone.ru обратились с просьбой разработать для них компактный светодиодный драйвер, мощностью в 140Вт и размерами со спичечный коробок!

Разработка началась с подбора элементной базы и моделирования основной схемотехники.

Рис.1. Моделирование силовой части
Рис.1. Моделирование силовой части

Особое требование к устройству - возможность регулировать яркость выходного светодиода без стробоскопических эффектов. Обычно такие "эффекты" получаются когда используется ШИМ димминг. Для реализации этой возможности пришлось реализовать алгоритм аналогового управления через врезание в цепь ОС микросхемы драйвера.

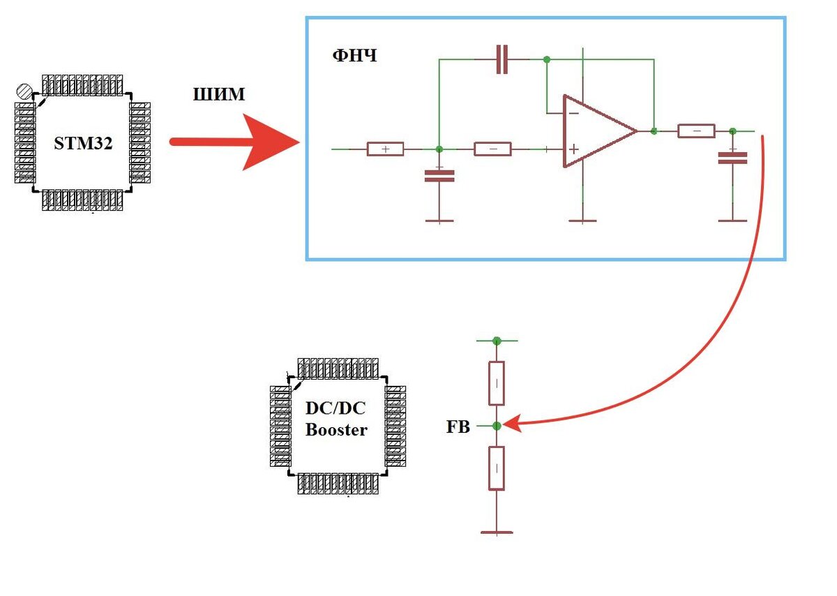
Логика такого "аналогового" управления показана ниже.

Рис.2. Аналоговый регулятор на базе STM32
Рис.2. Аналоговый регулятор на базе STM32

После успешной отладки будущего устройства в симуляторе, можно приступать к проектированию плат. Конечное устройство расположилось на двух четырехслойных платах собранных в блин.

Рис.3. Платы - верхняя сторона
Рис.3. Платы - верхняя сторона

Рис.4. Платы - нижняя сторона
Рис.4. Платы - нижняя сторона

Самым горячим элементом в силовой части оказался транзистор, и согласно моделированию в самом тяжелом режиме при максимальной нагрузке на нем выделяется ~ 4Вт тепла. Было решено отводить тепло через нижню сторону силовой печатной платы. Пяточки с множеством переходных отверстий можно наблюдать на рис.4. Плата будет прижимать к радиатору через изолирующую термопрокладку.

После сборки тестовый стенд имел следующий вид:

Рис.5. Тестовый стенд, отладка
Рис.5. Тестовый стенд, отладка

Устройство завелось сразу. Тесты показали что по мощности еще остался запас - хороший задел на будущее!

В результате получился драйвер, который умеет:

1. Работать в широком диапазоне входных напряжений: 4S - 8S

2. При габаритах 57мм х 32мм выдает мощность до 140Вт!

3. Имеет цифровое управление по RS232 и развитую систему настроек

4. Умеет объединяться в группы и работать в режиме ведущий / ведомый

5. Защита от перегрева, от пониженного входного напряжения, по выходному току, от переполюсовки входной батареи

Финальные испытания:

На этом пока все, До связи!