Добавить в корзинуПозвонить
Найти в Дзене
Sergey S.

Мультивибраторы. Что это такое и для чего они нужны

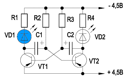
Соединив соответствующим образом транзисторы (рисунок 1), получим устройство, в котором транзисторы пропускают ток через коллекторную нагрузку не непрерывно, а по очереди, с определенной частотой. Эти устройства начинают генерировать непрерывно с момента их включения. Это и есть мультивибраторы. Мультивибраторы можно собрать не только на транзисторах, но и на электромагнитных реле. Применение. Всякого вида устройства мигающего света (елочные, игрушечные, сигнализационные, например в реле указателей поворота автомобилей) и т.д. В изображённой на рисунке 1 схеме резистор R1 позволяет регулировать частоту импульсов (17…50 Гц), R2 регулирует скважность - отношение периода повторения к длительности импульса (20:80 … 80:20%), R3 облегчает запуск мультивибратора. Транзистор как переключатель  Ценным для нас свойством транзистора является то, что при работе в переключающихся схемах они могут пропускать очень большие токи. Если коллекторный ток во время переключения имеет прямоугольную форму, т

Соединив соответствующим образом транзисторы (рисунок 1), получим устройство, в котором транзисторы пропускают ток через коллекторную нагрузку не непрерывно, а по очереди, с определенной частотой. Эти устройства начинают генерировать непрерывно с момента их включения. Это и есть мультивибраторы.

Рисунок 1. Прошу прощения за кривизну 🙄
Рисунок 1. Прошу прощения за кривизну 🙄

Мультивибраторы можно собрать не только на транзисторах, но и на электромагнитных реле.

Применение.

Всякого вида устройства мигающего света (елочные, игрушечные, сигнализационные, например в реле указателей поворота автомобилей) и т.д.

Наглядный пример 😊
Наглядный пример 😊

В изображённой на рисунке 1 схеме резистор R1 позволяет регулировать частоту импульсов (17…50 Гц), R2 регулирует скважность - отношение периода повторения к длительности импульса (20:80 … 80:20%), R3 облегчает запуск мультивибратора.

Транзистор как переключатель 

Ценным для нас свойством транзистора является то, что при работе в переключающихся схемах они могут пропускать очень большие токи. Если коллекторный ток во время переключения имеет прямоугольную форму, то мощность, рассеиваемая коллектором этого транзистора, может превышать максимально допустимую в несколько раз. Этим пользуются в схемах мультивибраторных источниках питания, переключателях и транзисторных реле.

-3

Спасибо, кто прочёл. Надеюсь, что я вам помог!