Добавить в корзинуПозвонить
Найти в Дзене
qq

Таймер для обогрева зеркал заднего вида

В настоящее время многие современные автомобили оснащаются такой полезной опцией, как подогрев зеркал заднего вида. При желании подобное устройство можно установить практически на любой автомобиль самостоятельно, благо в продаже подобные нагреватели встречаются. К сожалению, какой-либо информации об устройствах управления такими нагревателями производители не дают. Подключать нагревательные элементы параллельно обогревателю заднего стекла непрактично, ведь, как правило, запотевание зеркал заднего вида происходит в сырую дождливую погоду, а для очистки заднего стекла существуют «дворники». После приобретения пары необходимых нагревателей, мной был разработан, собран и установлен в автомобиль таймер для их включения. Предлагаемое ниже устройство выполняет следующие функции: - включение/выключение обогревателя одной кнопкой (включенное состояние дублируется свечением светодиода); - программирование пользователем времени работы таймера (1-20 мин); - возможность программного включения об

В настоящее время многие современные автомобили оснащаются такой полезной опцией, как подогрев зеркал заднего вида. При желании подобное устройство можно установить практически на любой автомобиль самостоятельно, благо в продаже подобные нагреватели встречаются. К сожалению, какой-либо информации об устройствах управления такими нагревателями производители не дают. Подключать нагревательные элементы параллельно обогревателю заднего стекла непрактично, ведь, как правило, запотевание зеркал заднего вида происходит в сырую дождливую погоду, а для очистки заднего стекла существуют «дворники».

После приобретения пары необходимых нагревателей, мной был разработан, собран и установлен в автомобиль таймер для их включения.

Предлагаемое ниже устройство выполняет следующие функции:

- включение/выключение обогревателя одной кнопкой (включенное состояние дублируется свечением светодиода);

- программирование пользователем времени работы таймера (1-20 мин);

- возможность программного включения обогревателя при дистанционном запуске автомобиля;

- блокировка работы обогревателя при снижении напряжения в бортовой сети автомобиля ниже 12,5 в (сигнализируется миганием светодиода).

-2

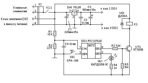
Обогреватель (см. рис.1) выполнен на базе недорогого 8-ми выводного микроконтроллера PIC12F629 фирмы «Microchip Technology Inc». В своём составе указанный МК имеет встроенный компаратор, который используется в нашем случае для контроля за пороговой (12,5в) величиной напряжения бортовой сети. Управление таймером осуществляется одной кнопкой SB1. Режимы работы устройства дублируются свечением светодиода HL1. Питание таймера и самих нагревательных элементов берётся с контакта (30) замка зажигания и корпуса автомобиля (выв. 3,4 разъёма Х1). Напряжение питания микроконтроллера стабилизируется микросхемой DA1. Микроконтроллер настроен на работу с внутренним RC генератором частотой 4МГц. С учётом занесённых в программу констант в два восьмиразрядных регистра TMR1H и TMR1L для шестнадцатиразрядного таймера/счётчика TMR1 с предделителем, а также величины калибровочной константы для внутреннего RC генератора, временная погрешность, при отсчёте таймером обогревателя двадцати минут, при комнатной температуре составляла менее одной секунды.

Рассмотрим работу таймера. После поворота ключа зажигания в положение «Зажигание» на устройство подаётся питание. Микроконтроллер сравнивает напряжение, поступающее с делителя напряжения R1R2 с программно заданной величиной источника опорного напряжения 1,875В. Если напряжение на АКБ ниже 12,5 В, работа таймера будет заблокирована (светодиод HL1 мигает с частотой 1 Гц). Если напряжение бортовой сети выше 12,5 В, то устройство готово к работе (светодиод HL1 не горит). При однократном нажатии и отпускании кнопки SB1, через транзистор VT1, на катушку реле К1 поступает рабочее напряжение. Контакты реле К1.1 замыкаются и на выводы 1, 2 разъёма Х1 поступает напряжение питания нагревательных элементов, установленных в корпусах зеркал заднего вида. Одновременно включается светодиод HL1. Для выключения обогревателя достаточно ещё раз нажать и отпустить кнопку SB1. По умолчанию время прогрева зеркал равно 2 мин. Если пользователь желает установить другое время работы таймера (в пределах 1-20 мин.), необходимо выполнить следующую процедуру. Нажать кнопку SB1 (светодиод HL1 не светится) на время около 10 с, после чего светодиод мигнёт три раза. Теперь кнопку можно отпустить. Последующие кратковременные нажатия на кнопку SB1 будут записывать в память EEPROM микроконтроллера необходимое количество минут. Пауза между нажатиями на кнопку не должна превышать 5 с. Если после входа в режим программирования кнопку не нажимать или количество нажатий будет более 20, в память МК будет занесено значение в 1мин. Через 5с после последнего нажатия светодиод HL1 мигнёт 3 раза, подтверждая окончание записи и выход из процедуры программирования.

Если в автомобиле используется дистанционный запуск автомобиля, то пользователь может задействовать функцию автоматического включения обогревателя через 10с после подачи питания на устройство. Для этого необходимо при отключенном устройстве (зажигание выключено) нажать на кнопку SB1, после чего включить зажигание. Светодиод HL1 начнёт мигать с частотой 1 Гц. Теперь можно вытащить ключ зажигания и поставить машину на охрану. После отработки процедуры автоматического включения обогревателя указанная функция сбрасывается.

Устройство выполнено на печатной плате из фольгированного гетинакса толщиной 1мм, размерами 30х45мм и крепится в салоне автомобиля, за одной из заглушек отверстия внутренней панели. Через просверленные отверстия в ней светодиод и кнопка выведены наружу. В устройстве применены винтовые клеммники DG126-5.0-02P-14. В качестве исполнительного реле К1 использовано реле BS-115c фирмы «Bestar». Возможна замена на отечественное автомобильное реле (например, 711.3747-02) с корректировкой размеров печатной платы и её рисунка. Кнопка SB1 закреплена с помощью проволочного хомута к плате и для надёжности вместе со светодиодом HL1 приклеена к ней эпоксидным клеем (см. фото 1).

Схема, фото, рисунки и программы в приложении.