Найти в Дзене
Habr.com

Решаем проблему шума ПК самодельным устройством, а заодно «с нуля» учимся делать красивые корпуса для DIY-проектов

Собрать абсолютно бесшумный ПК — можно. Можно и купить. Но что делать, если к нему нужна профессиональная или мощная игровая видеокарта с активным охлаждением? А может у Вас нет Windows/Linux медиаплеера, но есть лишний старый шумный ПК и помещение, куда его можно убрать? Или просто хочется минимализма на рабочем столе и вокруг него?
Итак, много статей и комментариев было посвящено выносу компьютера подальше от рабочего места — это ещё одна. В ней
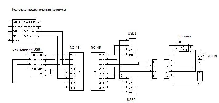
а) будет описан процесс создания устройства, помогающего перенести кнопку включения ПК, индикатор питания и два независимых USB на расстояние до 10 метров с использованием стандартного Ethernet-кабеля;
б) будут даны общие рекомендации по проектированию DIY корпусных деталей, изготавливаемых из металла методом лазерной резки и гибки, фрезерованием, точением.
Суровые профессионалы найдут здесь много огрехов и недоработок, но… ЕСКДшные чертежи и teardrops у контактных площадок оставим для более интеллектуально-ёмких продуктов. Формирование
Оглавление

 
Привет, Гиктаймс!
Привет, Гиктаймс!

Собрать абсолютно бесшумный ПК — можно. Можно и купить. Но что делать, если к нему нужна профессиональная или мощная игровая видеокарта с активным охлаждением? А может у Вас нет Windows/Linux медиаплеера, но есть лишний старый шумный ПК и помещение, куда его можно убрать? Или просто хочется минимализма на рабочем столе и вокруг него?

Итак, много статей и комментариев было посвящено выносу компьютера подальше от рабочего места — это ещё одна. В ней

а) будет описан процесс создания устройства, помогающего перенести кнопку включения ПК, индикатор питания и два независимых USB на расстояние до 10 метров с использованием стандартного Ethernet-кабеля;

б) будут даны общие рекомендации по проектированию DIY корпусных деталей, изготавливаемых из металла методом лазерной резки и гибки, фрезерованием, точением.

Суровые профессионалы найдут здесь много огрехов и недоработок, но… ЕСКДшные чертежи и teardrops у контактных площадок оставим для более интеллектуально-ёмких продуктов.

Формирование ТЗ

— Устройство должно быть независимым от ОС и софта. Чтобы при обновлении какого-нибудь ПО что-нибудь не поломалось. Оно должно решать проблему, а не создавать новую.
— Не должно давать задержек при передаче видеосигнала (лагов). Чтобы можно было играть в игры.

Эти два пункта намекают нам, что активных компонентов быть не должно.

— Должно иметь два раздельных USB для клавиатуры и мыши, индикатор работы ПК, кнопку включения.
— Должно устанавливаться настолько просто, насколько это возможно.

А эти два пункта просто толкают нас к использованию стандартного Ethernet-кабеля.

— Иметь нормальный внешний вид, чтобы не стыдно было положить на рабочий стол. То есть многочисленные пластиковые корпуса китай-поделок не подходят.

Идеология устройства

Видеосигнал проще передавать через изготовленный в заводских условиях специальный кабель. Лишние переходники между видеокартой и монитором я посчитал ненужными — поэтому используется стандартный 10-метровый HDMI.

Для клавиатуры и мыши высокоскоростной USB 3.0 (и даже 2.0) не нужен. То есть по питанию их можно объединить.

Кнопка включения ПК — это просто кнопка, любая нормально разомкнутая без фиксации.

Индикатор питания — это отдельный светодиод, подключенный к отдельным выводам материнской платы. В норме. Но я девиант мне достаточно смотреть наличие напряжения на USB-порту. А уже его отсутствие после нажатия кнопки будет сигналом встать с кресла и пройтись до компьютера — потому светодиод можно включить между VCC и GND питания USB, ограничив ток резистором на уровне 1 mA.

Таким образом, для реализации задуманного необходимо всего 8 проводов. Удивительно, но именно столько жил содержит стандартный Ethernet-кабель, который можно купить в любом магазине уже обжатым на нужную длину. Рисуем схему так, чтобы прямой или обратный обжим не влияли на работоспособность всего устройства. UPD: Внимание — возможно в схеме ошибка, на которую указывает igor_omsk и применение кросс-кабеля приведёт к выходу USB из строя. С прямым кабелем 100% работает. (прим. gshamshurin)

-2

А как будем подключаться к компьютеру? К внутренним USB 2.0, конечно. И контактам кнопки включения, естественно.

Разработка печатной платы — здесь всё просто: сначала я заехал в магазин за деталями, а потом не приходя в сознание задумываясь о длинах диф.пар, не закладывая полигонов, просто развёл плату.

-3

При заказе попросил разместить все три платы на одной заготовке — так экономнее, один комплект фотошаблонов дешевле, чем три. Если форм-фактор «компьютерной» стороны устройства был понятен и определён размерами задней корпусной планки, то вид «пользовательской» стороны я ещё не до конца представлял. Поэтому разъёмы получились на одной плате, а индикатор и кнопка — на другой.

-4

Тут они спаяны технологически.

Разработка корпусной части изделия

Практически любой «механический» САПР вроде SolidWorks, Autodesk Fusion, КОМПАС, умеет всё, что необходимо. Материалов по каждой из этих программ — много. У Solidworks даже есть встроенный самоучитель с интерактивными уроками — разобраться недолго, я лишь напишу базовые вещи, которых нет в хэлпах программ, для тех, кто в принципе никогда не сталкивался с механообработкой и не знает с чего начать.

Запрос «pci-e bracket draw»в Гугле сразу же даёт почти завершённый нужный результат для «компьютерной» стороны. Перечертить планку, прорезать отверстие. Технология изготовления — лазерная резка оцинкованного стального листа и формирование загибов на листогибе.

Ограничения технологии и общие рекомендации по проектированию

Лазерный станок позволяет вырезать любую фигуру из листового металла, прямо по файлу в формате dxf. Например, такую:

-5

Но есть одна рекомендация — минимизируйте количество врезов, %username%. Наиболее распространённым типам лазеров для того, чтобы сделать следующее отверстие нужно выключиться — поднять голову — переместиться — опустить голову — включиться. Лучше используй те длинные линии.

-6

Площадь вентиляционных отверстий слева и справа — одинакова. За левую деталь возьмут тысячи две рублей (если вообще возьмутся). Цена правой — доброе слово. Или сотка на пиво.

После того, как деталь вырезана, нужно гнуть. Чтобы получить, скажем, вот такую деталь

-7

Оставьте дедушкины тиски в покое — сейчас модно использовать листогиб с ЧПУ.

-8

Он работает примерно так:

-9

На шаге 1 выставляются упоры для создания нужной длины гиба. На шаге 2 оператор держит деталь руками, матрица касается материала. Шаг 3 — рабочий ход.

1. Помните про букву П. Не на всех предприятиях есть выносные балки и не все захотят ими работать.

-10

Старайтесь делать так, чтобы боковые палочки были короче верхней. Иначе могут не загнуть — ребро упрётся в матрицу.

2. Помните про упор.

-11

Левую деталь хорошо загнуть вряд ли выйдет — она касается упора в одной точке, поэтому оператору придётся ловить размер «на глаз». А вот правую, которая касается гранью — легко.

3. И ещё раз про упор — загнуть ребро меньше, чем «10мм + толщина металла» могут не только лишь все не на каждом предприятии.

-12

Что же делать, если нужно загнуть меньше? Правильно, технологический упор, который впоследствии можно отломать.

4. Скругляйте рёбра.

-13

Это ничего не стоит и не усложняет конструкцию — зато нет риска порезаться.

В каком формате описывать гибы? Этот формат называется «чертёж». Сделать хороший чертёж в полном соответствии с ГОСТами и ЕСКД без специального образования и и дозы психоактивных веществ опыта работы не получится. А вот достаточный для понимания и изготовления штучной детали — вполне можно.

0. Дайте детали осмысленное имя («Планка PCI-E» — ОК, «Деталь14» — не очень), укажите прямо на чертеже нужное количество.

1. Указывайте наружный размер. Внутренний сложно измерить.

-14

2. Указывайте материал и толщину.

3. Указывайте все значимые размеры.

-15

Здесь я специально нарисовал типичный новичковый чертёж (страшный сон нормо-контролёра).

И размеры тут не целые, чего стоит избегать. Но человеку, желающему получить деньги за халтуру он будет достаточен, а большего нам и не требуется.

б) Касаемо самого корпуса — я люблю алюминий. А ещё я люблю — когда вещь сделана из цельного куска алюминия. Фрезеруем в одной конторе. В другой фрезеруем дно и световод.

Немного о технологии и общие рекомендации по проектированию.

1. Помните про размер фрезы. Большой объём материала проще убирать большой фрезой, тонкие элементы — маленькой. Внутренний угол без скругления сделать не получится.

-16

2. Минимизируйте количество установок и смен инструмента. Выше — две установки (основная полость и стенка с разъёмами) и одна смена инстремента ( основной объём выбирается 8мм-фрезой, дальше — 2мм).

3. О финишной поверхности — она будет выглядеть вот так:

-17

в) Алюминиевому корпусу-алюминиевую кнопку. Кнопку проще выточить.

Итак, точение. Самая простая с точки зрения проектирования технология. Здесь главное помнить, что установка детали возможна с обоих концов и избегать сложных поднутрений, требующих специальных резцов.

-18

И не точить огромные шайбы. То что можно сделать из листа на лазере — надо делать из листа на лазере.

г) А теперь приводим вес этот бардак в порядок: красим планку порошком в чёрный цвет. Наждачной бумагой убираем крупные дефекты корпуса. Корпус и кнопку везём в пескоструйную обработку — точнее, гидроабразивную обработку стеклянными шариками. Должно получиться вот так

-19

Собираем изделие и… понимаем, что пролетели с размерами, кнопка в собранном виде остаётся нажатой. Подкладываем шайбы под плату, собираем и…

4. Испытываем. В корпус Zalman Z1 планка встала без проблем. При использовании самого дешёвого 10-метрового HDMI-кабеля с Али и самого дешёвого 10-метрового Cat6 кабеля из ближайшего магазина основная периферия (клавиатура, мышь, монитор) работает корректно, разницы с подключением напрямую короткими кабелями — нет. Флэш-накопители на такой длине кабеля с не предназначенным для USB шагом витков, естественно, не работают. Либо не определяются, либо определяются, но не работают :) Нажатие кнопки тактильно — не идеальное. Но значительно лучше, чем у всех большинства стандартных корпусов. И явно лучше, чем у любой аналогичной кнопки из Поднебесной.

-20

5. «Так, с проектированием разберймся, тут всё понятно — а теперь где искать людей, готовых это воплотить в металле?»

— В Гугле. Плюсы — Вам смогут выписать документы. Минусы — всё остальное. Ваш заказ — маленький, и заниматься им никому не хочется. То есть либо дорого, либо плохо, либо дорого и плохо.
— По знакомым. Если Вы напрямую знаете человека — это хорошо. Если через кого-то, то смотри предыдущий пункт.
— На местных профессиональных форумах. Минусы — Вам скорее всего не предоставят документы. Плюсы — сделают в большинстве случаев быстро и хорошо.
— Единственное, с чем не будет проблем, это покраска. Автомобильные диски красят в каждой подворотне и палитра цветов там впечатляющая.

Не думайте, что высокая цена хоть как-то гарантирует качество или сроки выполнения работ. За 16 фрезерованных корпусов я отдал 8 тысяч рублей — и что бы вы думали, вторую часть работ, то есть кнопки они мне до сих пор делают. С июня. Хотя деньги попали лично хозяину предприятия лично в руки. Для того чтобы получить хотя бы корпуса — мне пришлось ездить туда пять (пять!) раз.

В итоге кнопки мне недорого и в течение суток выточил найденный через форум токарь с какого-то завода. Чертёж на почту — на следующий день встреча с обменом денег на результат.

Гидроабразивную обработку первой кнопки мне сделали бесплатно, в присутствии и по указанию ранее мне не знакомого директора фирмы, а остальных кнопок — за весьма умеренные деньги и прямо в моём присутствии.

В общем, искать надо не фирму, а адекватного человека.

6. Заключительное слово: даже если Вам кажется, что устройство спроектировано работоспособным (и даже если оно действительно работоспособно), даже если Вам кажется, что устройство получилось красивым (и даже если оно действительно получилось красивым) — не повторяйте моих ошибок, запускайте в производство не более 2-3 штук. Описанных в данной статье кнопочек у меня осталось 10 комплектов. Но то, что осталось — ежедневно радует глаз и слегка тешит самолюбие.

Удачных Вам проектов!

К лучшим публикациям Хабра за сутки