Добавить в корзинуПозвонить
Найти в Дзене
qq

Запуск/остановка двигателя автомобиля с помощью кнопки

Сегодня многие современные автомобили оснащены модулем управления запуска/остановки двигателя с помощью кнопки. Заинтересовавшись этой темой, мной был разработан блок управления включением/выключением режимов работы электрооборудования автомобиля и запуском двигателя, с помощью дополнительно установленной кнопки и штатной педали тормоза. Устройство можно устанавливать в автомобили как в виде дополнительного модуля к имеющемуся замку зажигания (c учётом нейтрализации блокиратора рулевой колонки), так и взамен ему. В устройстве можно использовать продаваемые в интернет-магазинах кнопки, конструктивно предназначенные для функции запуска/остановки двигателя автомобиля, а также любую подходящую для этого кнопку, которую можно установить в любом удобном месте, в том числе, в целях безопасности и скрытно. При разработке алгоритма работы устройства, с целью создания максимального удобства управления запуском/остановкой двигателя с помощью кнопки, автор постарался учесть все возможные сит

Сегодня многие современные автомобили оснащены модулем управления запуска/остановки двигателя с помощью кнопки. Заинтересовавшись этой темой, мной был разработан блок управления включением/выключением режимов работы электрооборудования автомобиля и запуском двигателя, с помощью дополнительно установленной кнопки и штатной педали тормоза. Устройство можно устанавливать в автомобили как в виде дополнительного модуля к имеющемуся замку зажигания (c учётом нейтрализации блокиратора рулевой колонки), так и взамен ему. В устройстве можно использовать продаваемые в интернет-магазинах кнопки, конструктивно предназначенные для функции запуска/остановки двигателя автомобиля, а также любую подходящую для этого кнопку, которую можно установить в любом удобном месте, в том числе, в целях безопасности и скрытно.

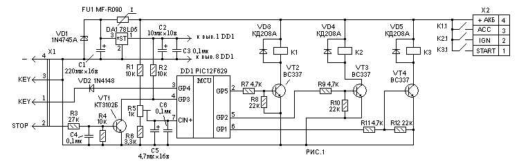
Основу устройства составляет недорогой микроконтроллер PIC12F629 производства фирмы « Microchip». Микроконтроллер настроен на работу с внутренним RC генератором частотой 4МГц. В своём составе указанный МК имеет встроенный модуль компаратора, который используется в нашем случае как пороговое устройство для определения запуска автомобиля по напряжению в бортовой сети. В этом случае, напряжение на входе компаратора (выв.7 DD1) становиться выше порогового значения в 3,6 вольта,  что в свою очередь определяется микроконтроллером и после двукратной программной проверки МК отключает транзистор VT4 и соответственно питание катушки реле стартера К3, независимо от того нажата кнопка или нет.
Основу устройства составляет недорогой микроконтроллер PIC12F629 производства фирмы « Microchip». Микроконтроллер настроен на работу с внутренним RC генератором частотой 4МГц. В своём составе указанный МК имеет встроенный модуль компаратора, который используется в нашем случае как пороговое устройство для определения запуска автомобиля по напряжению в бортовой сети. В этом случае, напряжение на входе компаратора (выв.7 DD1) становиться выше порогового значения в 3,6 вольта, что в свою очередь определяется микроконтроллером и после двукратной программной проверки МК отключает транзистор VT4 и соответственно питание катушки реле стартера К3, независимо от того нажата кнопка или нет.

При разработке алгоритма работы устройства, с целью создания максимального удобства управления запуском/остановкой двигателя с помощью кнопки, автор постарался учесть все возможные ситуации, которые могут возникнуть при эксплуатации автомобиля.

Определяющим фактором для выполнения той или иной процедуры являются соблюдение комбинации длинного (более 2 с) или короткого (менее 2с) нажатия кнопки в зависимости от положения педали тормоза (нажата или отпущена). Все возможные варианты сведены в таблицу.

-3

Налаживание заключается в установке на входе компаратора МК порогового напряжения, по которому определяется, запущен двигатель или нет.

Для этого необходимо:

1. Временно, соблюдая полярность, подключить любой светодиод с токоограничивающим резистором к катушке реле К1. С помощью отвертки перемеcтить ползунок построечного резистора R6 в нижнее по схеме (рис.1) положение.

2. К контакту 4 разъёма Х2 подключить провод от вывода АСС или IGN замка зажигания. К контактам 1-3 разъёма Х2 провода не подключать!!!. К разъёму Х1

подключить сигнальные провода от кнопки и минусовой провод питания от бортовой сети автомобиля. Сигнальный провод к контакту 2 разъёма Х1 (положительный сигнал от стоповых огней автомобиля) можно временно не подключать.

3.Нажать кнопку и только потом подать напряжение на устройство, повернув ключ зажигания в нужное положение.

4. Затем отпустить кнопку и запустить двигатель автомобиля с помощью штатного ключа зажигания.

5. Теперь перемещая отвёрткой ползунок R6 в верхнее положение, добиться включения (мигания) светодиода (реле К1 будет «щёлкать»).

6. Отключить устройство от бортовой сети автомобиля.

После окончания процедуры устройство подключить согласно схемы (рис.1).

Если автомобиль не оснащён какой-либо охранной системой, то для блокировки запуска двигателя можно использовать любой скрытно установленный микротумблер, контакты которого подключаются в разрыв провода идущего к контакту 2 разъёма Х1 (сигнал от стоповых огней автомобиля). Через разомкнутые контакты микротумблера сигнал поступать на устройство не будет, что соответственно будет блокировать запуск двигателя автомобиля.

Устройство выполнено на печатной плате из фольгированного стеклотекстолита толщиной 1мм, размерами 60х80мм и помещено в пластмассовый корпус G1018 , в котором она закреплена с помощью термоклея. На плате также предусмотрены отверстия, через которые плату шурупами можно закрепить в нужном месте.

-4

Детали и замена. Учитывая, что реле К1-К3 устройства должно гарантировано работать при снижении напряжения питания до 9в, в устройстве применены транзисторы VT2-VT4 с малым напряжением насыщения цепи коллектор-эмиттер BC337, которые можно заменить на отечественные КТ530А. Вместо стабилитрона VD1 - 1N4745A желательно использовать защитный диод - 1.5KE18A . Подстроечный резистор – PVC6A102. Разъёмы Х1- WF-4R, Х2 - 2-х контактные винтовые клеммники 305-021-12 с шагом 5мм. В качестве исполнительного реле К1-К3 использованы реле HK3FF-DC12V-SHG фирмы «HUI KE» с рабочим напряжением катушки 12 вольт и током потребления около 35мА. Группа контактов указанных реле способна коммутировать ток до 10А при рабочем напряжении 30в. Программа для микроконтроллера KEY.HEX находится в приложении.