Найти в Дзене
Хитрый электрик

Блок питания на lm317t, дешево и сердито!

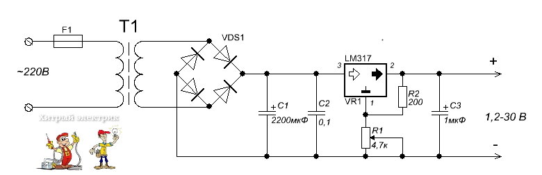
Для зарядки небольшого аккумулятора и питания мелких, не очень мощных потребителей понадобился мне небольшой зарядник-блок питания. Покопавшись в своих деталях, было решено сделать простой блок на lm317. С таком стабилизатором можно получить на выходе напряжение от 1.2 вольта до 30 вольт. Делать решил по такой схеме.
Схема простая
Трансформатор взял вот такой, он выдает на выходе 24 вольта

Для зарядки небольшого аккумулятора и питания мелких, не очень мощных потребителей понадобился мне небольшой зарядник-блок питания. Покопавшись в своих деталях, было решено сделать простой блок на lm317. С таком стабилизатором можно получить на выходе напряжение от 1.2 вольта до 30 вольт. Делать решил по такой схеме.

Схема простая
Схема простая

Трансформатор взял вот такой, он выдает на выходе 24 вольта переменки, ток порядка 2,5-3 ампер. Он из какой-то киповской аппаратуры, сделан качественно еще в советское время.

Хороший небольшой трансформатор 220-24-110 вольт.
Хороший небольшой трансформатор 220-24-110 вольт.

Диодный мост поставил вот такой KBU6M, на 6 ампер 1000В. Конечно, такой нагрузки не выдержит мой трансформатор и стабилизаторы, но мост стараюсь всегда брать с запасом, так как всё из Китая и характеристики часто приходится делить на два.

Диодный мост
Диодный мост

После диодного моста поставил в параллель 3 конденсатора от балласта люминесцентных ламп, каждый по 1000 мкФ на 50В. После диодного моста и конденсаторов выпрямленное напряжение получилось порядка 29-30 вольт.

Следует иметь ввиду, что при нагрузке, например около 2 ампер и напряжении на выходе 12 вольт порядка 30-36 ватт будет рассеиваться на стабилизаторе. Он может очень быстро раскалиться до высокой температуры, нужен приличный радиатор или активное охлаждение.

Смазал кулер
Смазал кулер

Я решил поставить кулер от блока питания атх, который валялся в шкафу. Он не очень хорошо крутился, с приличным шумом, поэтому пришлось его смазать силиконовой смазкой, на фото видно.

Питается такой кулер от 12 вольт, поэтому необходимо либо гасить лишние 18 вольт резистором, что еще добавит температуры внутри блока или можно поставить стабилизатор напряжения на 12 вольт L7812. Подключается он так:

Подключение 78.. микросхем
Подключение 78.. микросхем

Процесс сборки не занял много времени. Всё конечно не очень аккуратно получилось, спешил, прошу прощения.

В процессе
В процессе

Чтобы усилить нагрузочную способность с 1.5А до 3А примерно, можно поставить 2 стабилизатора параллельно, при этом сохранятся все защиты, которые уже встроены в lm317. Я делал с соединением выходов стабилизаторов через резисторы 0.1 Ом, чтобы сгладить возможные различия в стабилизаторах.

2 lm317 в параллель
2 lm317 в параллель

Также можно сделать немного по другим схемам, усилив стабилизатор pnp или npn транзистором.

Усилили npn транзистором
Усилили npn транзистором
Усилили pnp транзистором
Усилили pnp транзистором

Я делал ранее такие схемы, но мне не понравилось, что в случае короткого замыкания на высоком напряжении транзистор вылетает довольно быстро, а лепить туда еще и схему защиты от кз желания как-то не возникло, все-таки линейные стабилизаторы — это приличные печки и ждать сверх токов от них не нужно.

Максимум на выходе
Максимум на выходе
Минимум при котором горит индикатор, а так минимум 1,3 вольта.
Минимум при котором горит индикатор, а так минимум 1,3 вольта.

Почти готов
Почти готов

В результате своих манипуляций я остановился на простом варианте с одной лм317, L7812 для питания кулера, но с сохранением защит стабилизатора. Тут каждый смотрите сами, мне ток больше 1-1,5 ампер не нужен был, для больших токов есть несколько компьютерных блоков переделанных под регулируемые, хотелось чего-то простого и небольшого. Кстати, корпус согнул из корпуса старого двд, а торцы из какого-то прибора идеально подошли. Если есть вопросы – задавайте в комментариях, постараюсь быстро ответить каждому. Спасибо за внимание!