Добавить в корзинуПозвонить
Найти в Дзене

О регуляторах тембра. Регуляторы тембра на гираторных аналогах катушек индуктивности.

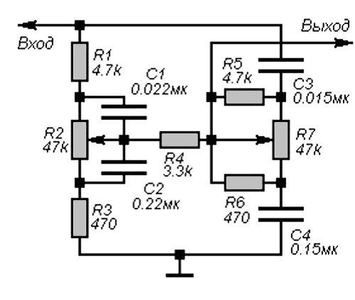
Предположим вы строите усилитель. Регулятор тембра - абсолютно необходимая деталь. Правда аудиофилы говорят, что в особокачественной аппаратуре регулятор тембра не нужен. Но мы хотим. В наиболее общем случае схема такая:исунок 1. Простой регулятор тембра. Такой регулятор может быть применён как в ламповых, так и в интегральных усилителях. Конечно же имеет недостатки. Основной: регулирует "от средних вверх" и "от средних вниз". Поэтому ничего не может сделать со средними частотами - а это вокал, большинство - музыкальных инструментов, а также не может убрать сверхнизкие и сверхвысокие частоты ("бубнение" динамиков, искажения на высоких частотах. Особенно это касается транзисторных и интегральных усилителей). Для себя, любимого можно применить более сложный вариант: К примеру, пятиполосный аквалайзер. Индуктивности (L1-C1, L2-C2 и т. д.) образуют последовательный колебательный контур. Тембр регулируется на частоте резонанса контура. В зависимости от положения движка регулятора усилени

Предположим вы строите усилитель. Регулятор тембра - абсолютно необходимая деталь. Правда аудиофилы говорят, что в особокачественной аппаратуре регулятор тембра не нужен. Но мы хотим.

В наиболее общем случае схема такая:исунок 1. Простой регулятор тембра.

Пассивный регулятор тембра низкие - высокие
Пассивный регулятор тембра низкие - высокие

Такой регулятор может быть применён как в ламповых, так и в интегральных усилителях. Конечно же имеет недостатки. Основной: регулирует "от средних вверх" и "от средних вниз". Поэтому ничего не может сделать со средними частотами - а это вокал, большинство - музыкальных инструментов, а также не может убрать сверхнизкие и сверхвысокие частоты ("бубнение" динамиков, искажения на высоких частотах. Особенно это касается транзисторных и интегральных усилителей).

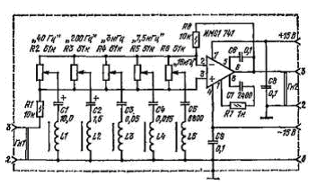
Для себя, любимого можно применить более сложный вариант:

Регулятор тембра с индуктивностями.
Регулятор тембра с индуктивностями.

К примеру, пятиполосный аквалайзер. Индуктивности (L1-C1, L2-C2 и т. д.) образуют последовательный колебательный контур. Тембр регулируется на частоте резонанса контура. В зависимости от положения движка регулятора усиление в полосе резонанса либо усиливается, либо ослабляется. Одно из достоинств данного регулятора - глубина регулировки может достигать 22 дб. Число полос неограниченно. Но есть один большой недостаток - катушки индуктивности. Технологически сложная и дорогая деталь.

И вот мы добрались до технического совершенства - вместо катушек индуктивности применим гираторные аналоги на операционных усилителях. Вот пример схемы регулятора тембра:

Регулятор тембра с гираторными аналогами катушек индуктивности.
Регулятор тембра с гираторными аналогами катушек индуктивности.

Здесь операционный усилитель (например D1.2) c "обвязкой" R6-R7-C8 образует гираторный аналог индуктивности, а с добавлением конденсатора C5 получается колебательный контур, резонансная частота которого и определяет среднюю полосу регулируемых частот. Число полос также неограниченно, глубина регулировки достигает 18 дб.

И напоследок. Господа китайцы позаботились о любителях высококачественного звука, не желающих разводить бадягу с травлением плат, собиранием деталей, пайкой в домашних условиях с ненадлежащей вентиляцией и т.д.

Встречайте:

Многополосный регулятор по цене недорогой бутылки вина.

http://ali.pub/4s91hc

Многополосный регулятор с Aliexpress/
Многополосный регулятор с Aliexpress/