Добавить в корзинуПозвонить
Найти в Дзене
Radio-любитель

Активная приемная антенна

Всем здравствуйте. Как известно для приема радиостанций с частотами передачи ниже 30 МГц жизненно важно иметь хорошую приемную антенну. Радиолюбители, которые имеют дело с радиоприемом, хорошо знают об этом, передающие станции, как правило, обычно расположены в местах, удаленных от места прослушивания, и сигналы подвергаются различным ослаблениям и отражениям до нашей приемной радиорубки. И еще

Всем здравствуйте. Как известно для приема радиостанций с частотами передачи ниже 30 МГц жизненно важно иметь хорошую приемную антенну. Радиолюбители, которые имеют дело с радиоприемом, хорошо знают об этом, передающие станции, как правило, обычно расположены в местах, удаленных от места прослушивания, и сигналы подвергаются различным ослаблениям и отражениям до нашей приемной радиорубки. И еще есть не маловажный фактор это установка антенны, не всем это доступно особенно в городской черте в наше время.

Как выше упомянул, что порядка 40 метров даже обычной веревки не всегда удается растянуть по разным причинам это доступ на крышу или озабоченные соседи во всем видящие заговор. Вот по причине этого решил предложить так называемую активную антенну. Конечно, она не заменит полноценную, но все же кое-какой выход из ситуации есть и возможность прослушивание радиостанций расположив антенну, к примеру на балконе. Принципиальная схема «Активной антенны» приведена на рисунке.

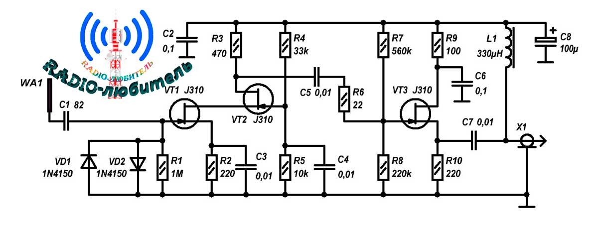
Принципиальная схема активной антенны
Принципиальная схема активной антенны

«Активная система» антенны состоит из двух каскадов, первый это усилитель выполненный по каскодной схеме и согласующий. В двух каскадах используются транзисторы J310, подходящие для применения в РЧ-усилителях благодаря низкому уровню шума. Усилитель питается напрямую от кабеля, который служит для передачи сигнала на вход приемника. Питается антенна напряжением 12 вольт. Да и не стоит забывать, что максимальным значением тока приблизительно 50 миллиампер.

Приемный штырь имеет длину около 1 метра и выполнен из жесткой медной проволоки диаметром 1,5-2 мм. Хотя длинна некритическая, вы также можете попробовать разные длины. Штырь подключен к входу первого каскада через керамический конденсатор С1 емкостью 82 пФ. Два встречно-параллельных диода по входу, защищают затвор полевого транзистора от высоких статических напряжений, которые могут вывести его из строя. Сопротивление R1 определяет входной сопротивление каскада.

Каскодный усилитель хорош тем, что имеет высокую стабильность, поскольку выходная цепь очень хорошо изолирована от входной и высокое усиление, которое в этом конкретном случае составляет около 20 дБ. В качестве кабеля можно использовать коаксиальный кабель 75 Ом, используемый для телевизионных антенн, или 50 Ом типа RG58. Пример выполнения на печатной плате.

Пример печатной платы
Пример печатной платы

Небольшое примечание: если вы намереваетесь использовать активную антенну с различными приемниками, необходимо будет подавать напряжение питания от любого стабилизированного источника, который может обеспечить напряжение 12 Вольт 0,1 Ампер. Небольшая схема развязки, состоящая из дросселя 330мкГн и двух керамических конденсаторов 0,1, как показано на рисунке.

Как организовать питание антенны
Как организовать питание антенны

К завершению статьи хотелось бы несколько слов сказать по поводу практического исполнения. Очень хорошо получается с сантехнической трубой ну скажем так до 40 миллиметров. Все это собранное хозяйство с припаянным штырем и платой усилителя помещаем в эту трубу и устанавливаем заглушки что хорошо защищает от попадания влаги.

Еще добавлю, что при использовании таковой антенны в помещении вы можете разочароваться так как, она будет собирать весь электро-мусор. Вот в таком случае и упоминалось что эту антенну все же нужно как можно дальше вынести от источников помех. Даже, к примеру в пару метрах от стены дома с балкона она показала себя достаточно хорошо, так что не рекомендую пытаться принять на нее расположив в помещении, соберете все помехи. Всем спасибо за внимание.

-4