Добавить в корзинуПозвонить
Найти в Дзене
Виталий Виноградов

Простой оптический датчик своими руками.

Приветствую всех! Хочу Вам рассказать как сделать простой оптический датчик своими руками, который можно применить для разный самоделок, например, оптический тахометр. Еще он идеально подойдет для готовых платформ на микроконтроллерах.
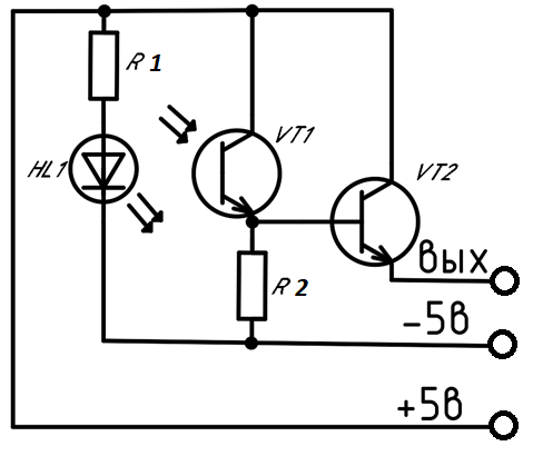
Данная схема оптического датчика не представляет из себя ничего сложного, повторить может каждый начинающий радиолюбитель:
Датчик питается от напряжение 5 вольт,

Приветствую всех! Хочу Вам рассказать как сделать простой оптический датчик своими руками, который можно применить для разный самоделок, например, оптический тахометр. Еще он идеально подойдет для готовых платформ на микроконтроллерах.

Данная схема оптического датчика не представляет из себя ничего сложного, повторить может каждый начинающий радиолюбитель:

Датчик питается от напряжение 5 вольт, максимальный потребляемый ток составит 30mA.

Основой данного датчика являются передатчик в лице 3мм светодиода HL1 и приемник - фототранзистор VT1 L-7113P3C. В принципе подойдет любой фототранзистор, даже можно использовать ИК-диапазона, но следовательно и светодиод придется заменить на инфракрасный.

                                                                                Фототранзистор (слева) и светодиод
Фототранзистор (слева) и светодиод

Номинал резистора R1 220 Ом, R2 10 кОм

Для усиления выходного сигнала с датчика добавлен маломощный транзистор VT2 - KT315.

                                                                Цоколевка транзистора КТ315
Цоколевка транзистора КТ315

Принцип работы датчика прост. Светодиод и фототранзистор устанавливаются друг на против друга. Пока между ними нет препятствия свет от светодиода попадает на фототранзистор, в следствии чего последний открывается и на выходе имеется логическая единица, то есть 5 вольт. Как только между ними появляется препятствие и свет от светодиода перестает попадать на фототранзистор, появляется логический 0, что является 0 вольт, то есть фототранзистор закрыт. Если подключить датчик к осциллографу поставить между приемником и передатчиком например крутящиеся вентилятор, то можно наблюдать такую картину:

-5

Это свидетельствует о том, что датчик работает правильно - на выходе присутствуют прямоугольные импульсы.

Надеюсь вам это статья оказалась полезной. На все вопрос постараюсь ответить в комментариях. Спасибо за внимание!

#электроника #своими руками #микроконтроллер #оптический датчик #для начинающих