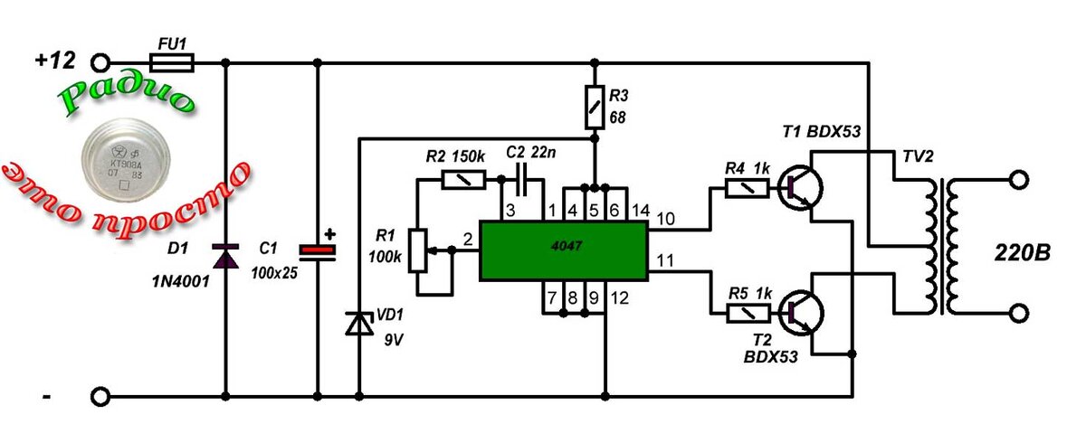
Всем добрый день, возможно, вечер. Решил опубликовать эту схему, но возможно она не столь актуальна в наше время. Так как многие знают бесперебойный источник питания можно приобрести как говорится на раз. Но схема достаточно проста в исполнение возможно будет полезной. Принципиальная схема приводится на рисунке. Инвертор достаточно компактен, конечно, есть большая зависимость от используемого трансформатора. Благодаря использованию интегральной микросхемы, которая выполняет функцию преобразования постоянного тока в переменный. Трансформатор 12/220 В, имеющий вторичную обмотку с отводом от середины и мощностью приблизительно на 30% выше, чем рассчитанной на потребителя. Микросхема 4047 представляет собой нестабильный мультивибратор, где RC-цепь, рассчитана на частоту в промежутке 40 и 60 Гц. Потенциометр R1 служит для точной установки, частоты 50 Гц. Микросхема стабилизируется по напряжению стабилитроном 9В, что гарантирует работу даже при довольно низком напряжении батареи 12В. Исп
