Добавить в корзинуПозвонить
Найти в Дзене
4x4 Клуб

Зажигание УАЗ 469

Эффективное зажигание позволяет быстро без проблем запускать двигатель автомобиля в любых условиях. С исправным зажиганием без перебоев функционируют все системы электрического обеспечения: стеклоочистители, освещение, потребители, датчики, указатели. Какие существуют типы систем, настройка, регулировка зажигания УАЗ 469 – в данной статье. Система зажигания УАЗ 469 Чтобы завести движок любого транспортного средства, необходимо, чтобы горючая смесь воспламенилась в нужный момент в камере сгорания. Эффективная работа поршневой системы достигается правильной настройкой всех параметров. Система зажигания УАЗ 469 позволяет эксплуатировать транспортное средство независимо от климата, температуры, влажности и других внешних факторов. Зажигание УАЗ 469 предусматривает, чтобы все элементы были исправными и безукоризненно выполняли возложенные на них функции. Для УАЗ 469 схема зажигания состоит из следующих комплектующих: Каждый отдельный компонент электрической цепи не должен допускать пробоя н
Оглавление

Эффективное зажигание позволяет быстро без проблем запускать двигатель автомобиля в любых условиях. С исправным зажиганием без перебоев функционируют все системы электрического обеспечения: стеклоочистители, освещение, потребители, датчики, указатели. Какие существуют типы систем, настройка, регулировка зажигания УАЗ 469 – в данной статье.

Фото 1: Система зажигания УАЗ 469 (Источник: Яндекс.Картинки)
Фото 1: Система зажигания УАЗ 469 (Источник: Яндекс.Картинки)

Система зажигания УАЗ 469

Чтобы завести движок любого транспортного средства, необходимо, чтобы горючая смесь воспламенилась в нужный момент в камере сгорания. Эффективная работа поршневой системы достигается правильной настройкой всех параметров. Система зажигания УАЗ 469 позволяет эксплуатировать транспортное средство независимо от климата, температуры, влажности и других внешних факторов.

Зажигание УАЗ 469 предусматривает, чтобы все элементы были исправными и безукоризненно выполняли возложенные на них функции. Для УАЗ 469 схема зажигания состоит из следующих комплектующих:

  • катушка зажигания УАЗ 469;
  • трамблер;
  • жгуты;
  • коммутатор;
  • свечи.

Каждый отдельный компонент электрической цепи не должен допускать пробоя на корпус автомобиля и утечек тока.

Фото 2: Схема системы зажигания УАЗ 469 (Источник: Яндекс.Картинки)
Фото 2: Схема системы зажигания УАЗ 469 (Источник: Яндекс.Картинки)

Зажигание автомобиля УАЗ 469 включает в себя следующие элементы:

  • АКБ;
  • кнопка массы;
  • реле-регулятор напряжения;
  • генератор;
  • амперметр;
  • замок зажигания УАЗ 469;
  • контакты прерывателя-распределителя;
  • трамблер;
  • конденсатор;
  • крышка прерывателя-распределителя зажигания;
  • бегунок;
  • свечи зажигания;
  • провод высокого напряжения;
  • дополнительное сопротивление;
  • дополнительное реле стартера;
  • катушка зажигания;
  • стартер.

Порядок зажигания УАЗ 469 строго регламентирован, искра возникает точно в заданной последовательности. Важным моментом является не только своевременность подачи искры, но и ее величина. При возникновении малейших перебоев заново настраивается вся цепочка.

Автомобильная АКБ не рассчитана на выработку достаточного объема тока и напряжения, которые требуются для воспламенения горючей смеси. Ток зарядки способен только непродолжительное время раскручивать маховик двигателя. Для устойчивой работы мотора должна полноценно начать функционировать вся система зажигания транспортного средства.

Данный важный узел машины предназначен для существенного повышения мощностных характеристик аккумуляторной батареи. Исправное зажигание совместно с аккумуляторной батареей отправляет свечам достаточный объем и силу тока, необходимого для уверенного розжига топливной смеси.

Принцип работы системы зажигания

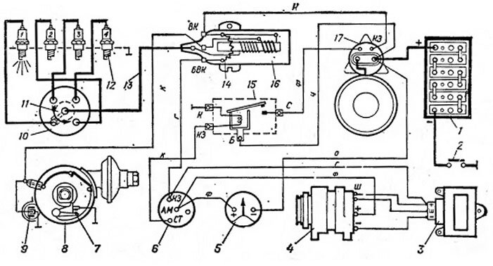
Обеспечение, поддержание своевременного воспламенения воздушно-топливной смеси для эффективного функционирования ДВС является главной задачей зажигания. Это происходит в строгом соответствии с установленным порядком работы цилиндров двигателя. В электрическую цепь последовательно подключена катушка зажигания 16 вместе с дополнительным сопротивлением 14. Оно автоматически замыкается в момент запуска мотора стартером.

Это существенно увеличивает разрывной ток первичной цепи. Катушка зажигания 16 создает в бортовой электрической системе автомобиля импульсы высокой частоты. Вспышки высокого напряжения создают пробой искрового промежутка в свечах зажигания 12, вкрученных в верхнюю точку каждого цилиндра, где осуществляется сжатие рабочей топливной смеси.

Катушка состоит из первичной и вторичной обмоток. Первичная обмотка намотана сверху на вторичную. Внутри катушки расположен сердечник и кольцевой магнитопровод. Оба эти элемента изготовлены из специальной электротехнической стали. Надежная герметизация катушки осуществляется карбонитовой крышкой в кожухе с резиновой прокладкой.

Трансформаторное масло для охлаждения заливается в кожух. Данный материал существенно повышает изоляцию обмоток и эффективно отводит тепло от корпуса катушки. Чтобы избежать повреждения катушки, ее перегрева, зажигание в авто при неработающем двигателе оставлять включенным не рекомендуется.

Трамблер 8 распределяет импульсы высокого напряжения по всем цилиндрам двигателя внутреннего сгорания строго в установленной последовательности. Трамблер или прерыватель-распределитель установлен в штатное место слева от блока цилиндров двигателя. Привод механизма осуществляется от валика масляного насоса. Вращение валика производится против часовой стрелки со стороны крышки.

Как правильно выставить зажигание

Для того, что бы выставить зажигание на УАЗ 469 необходимо придерживаться следующих рекомендаций:

  • Снять крышку трамблера с ротором. Проверить размер зазора между контактами. Его можно регулировать. Между контактами, максимально разведенными, должен быть зазор 0,35 – 0,45 мм. Регулировку лучше всего осуществлять набором щупов. Слишком малый зазор дает слабую искру. При большом зазоре искры может не быть совсем. Сделав нормальный зазор, ротор можно установить на штатное место.
  • Свечным ключом выкрутить свечу первого цилиндра. Закрыть пальцем отверстие под свечу. Пусковой рукояткой провернуть коленчатый вал до тех пор, пока палец не будет выталкивать сжатым воздухом. Этот момент называется началом хода сжатия первого цилиндра.
  • Продолжать проворачивать пусковую рукоятку до совпадения отверстия на шкиве и штифта на крышке распределительных шестерен. Ротор должен находиться напротив внутреннего контакта крышки, подключенного к высоковольтному проводу от свечи первого цилиндра.
  • Провернуть пластину октан-корректора вместе с трамблером, чтобы метка совпала со средней отметкой на шкале пластины.
  • Слегка провернуть корпус механизма распределения против часовой стрелки. Прокручивать следует до тех пор, пока контакты трамблера не сомкнутся.
  • Подключить контрольную лампочку с патроном. Один контакт соединить с выводом низкого напряжения трамблера, второй с массой машины. Подключить контрольную лампу можно к кузову авто.
  • Включить зажигание, аккуратно провернуть трамблер по часовой стрелке. Крутить, пока не загорится контрольная лампа, после этого прекратить вращение. Может быть такое, что лампа не загорается. Повторить все действия с самого начала.
  • Затянуть крепежный болт распределителя. Крышку с центральным проводом установить на место. Проверить регулировку, начиная с первого цилиндра. Проверка осуществляется против часовой стрелки.

Порядок зажигания УАЗ 469

Каждый автомобиль имеет свой порядок зажигания. Это значит, что цилиндры двигателя осуществляют свое движение в строго оговоренном порядке. Нарушать его нельзя ни в коем случае. Иначе двигатель полностью разрушится. Порядок зажигания автомобиля УАЗ 469 и работы его цилиндров следующий:

Первый-второй-четвертый-третий.
Проверка осуществляется с учетом подсчета против хода часовой стрелки.

Зачем выставлять зажигание

При правильно выставленном зажигании:

  • Двигатель эффективно, устойчиво и стабильно работает на всех режимах. Иначе мотор функционирует с перебоями, стуками, хлопками. Нестабильная работа двигателя доставляет много проблем, снижает динамику автомобиля и скоростные характеристики.
  • После правильной регулировки зажигания существенно улучшается запуск холодного силового агрегата.
  • При разрегулированном зажигании расход топлива увеличивается. После регулировки он значительно снижается.
  • Мощность двигателя также заметно возрастает на автомобиле после правильной регулировки зажигания.

Какие бывают системы зажигания на УАЗ 469

Контактное зажигание на УАЗ 469. Сейчас оно признано морально устаревшим. Однако отечественные производители продолжают его использовать. Система осуществляет запуск импульса определенной мощности. Этот импульс появляется от распределителя зажигания. Схема контактного зажигания УАЗ 469 простая и незамысловатая. В этом ее преимущество. Водитель своими руками может устранить любую неисправность и выполнить регулировку. Цены комплектующих невысокие.

Транзисторное или бесконтактное зажигание УАЗ 469. Бесконтактная система зажигания устанавливается на многих видах транспортных средств. Имеет целый ряд преимуществ перед контактной конструкцией. Искра, вырабатываемая подобным устройством, намного мощнее. Это происходит вследствие повышенного уровня электрического напряжения во вторичной обмотке катушки зажигания. Транзисторная система зажигания оснащена электромагнитным механизмом. Он обеспечивает стабильную постоянную работу всей системы, бесперебойно передавая энергию узлам, деталям, механизмам. Правильно настроенное зажигание при эффективном ДВС гарантирует высокую мощность и существенную экономию топлива. Длительную надежную работоспособность обеспечивает соблюдение периодичности обслуживания привода трамблера. Его необходимо смазывать и регулировать каждые 10 000 км пробега. Сложность ремонта является недостатком бесконтактной системы зажигания. Самостоятельному ремонту она не подлежит, поскольку для этого необходимо специальное диагностическое оборудование, имеющееся только в условиях сервисных центров и СТО.

Электронное зажигание на УАЗ 469. Данный тип зажигания самый технологичный, но в то же время недешевый. Подобными устройствами оснащаются современные модели авто. Имеет сложную технологию, обеспечивающую не только высокий момент, но и ряд других показателей двигателя. Преимущества: простая настройка угла опережения, отсутствие обязательной проверки контактов на предмет окисления. В двигателях, оснащенных электронной СЗ, топливная смесь сгорает на все 100%. Ремонт необходимо осуществлять только на СТО.

Подводное зажигание на УАЗ 469. Это герметичная система зажигания, при которой не страшно заливание водой, попадание в глубокие ямы, движение по открытой местности во время снега и дождя. Когда зажигание обычное – контактное либо бесконтактное, внутри трамблера, между крышкой и бегуном реально теряется 50% искровой мощности. Выясним, почему это происходит.

Между электрическими контактами, которыми является крышка трамблера и бегунок, имеется небольшой промежуток. Для прохождения электрической энергии в этом пространстве затрачивается большая часть дополнительного тока. При контактном зажигании для этих целей тратиться еще часть энергии на функционирование кулачка.

Подводное зажигание сконструировано таким образом, что в нем искра с катушки напрямую попадает на свечу зажигания. Осуществляя данный процесс, она не теряет своей основной мощности, кроме сопротивления высоковольтных проводов. Здесь утрата мощности совсем незначительная, поэтому можно ее не учитывать.

Стоит отметить, что на большинстве машин иностранного производства на каждый цилиндр раздельно ставится катушка, которая располагается сразу на свече, и утрата соответственно совсем незначительная.