Добавить в корзинуПозвонить
Найти в Дзене
Алан Кисловодск

Простое зарядное устройство своими руками

Если вас есть зада сделать простейшие зарядное устройство, для питання ваших изобретения или устроиств, не стоит думать что вам это будет сложно. 1. Трансформатор самое сложное что вам понадобится от старого зарядного устройства, я лично использовал з.у. шуруповерта 2. Диодный мост можно купить готовый стоимость около, 80 р Или купить на крайней случай 4 диода, соединяем как описано в схеме 3. Два конденсатора паралельно соединенных после диодного моста я поставил 250 в 335, при использование конденсатора есть минусы , можно сжечь диоды и выброс энергии после выключения з,у. 4. предохранитель Не является пошаговой инструкцией по по применению!! Соблюдайте технику безопасности!!! Данное устройство работает уже 1 год и два месяца, запитывает Аудио систему в гараже в гараже! Диванные Эдисоны да прибудет с вами свет Всего хорошего!

Прошу не обижаться Электронщиков и физиков и электриков, Особенно диванных экспертов,
Прошу не обижаться Электронщиков и физиков и электриков, Особенно диванных экспертов,

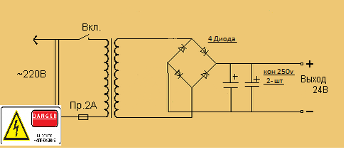
Если вас есть зада сделать простейшие зарядное устройство, для питання ваших изобретения или устроиств, не стоит думать что вам это будет сложно.

1. Трансформатор самое сложное что вам понадобится от старого зарядного устройства, я лично использовал з.у. шуруповерта

2. Диодный мост можно купить готовый стоимость около, 80 р Или купить на крайней случай 4 диода, соединяем как описано в схеме

3. Два конденсатора паралельно соединенных после диодного моста я поставил 250 в 335, при использование конденсатора есть минусы , можно сжечь диоды и выброс энергии после выключения з,у.

4. предохранитель

Не является пошаговой инструкцией по по применению!! Соблюдайте технику безопасности!!!

Данное устройство работает уже 1 год и два месяца, запитывает Аудио систему в гараже в гараже! Диванные Эдисоны да прибудет с вами свет

Всего хорошего!