Найти в Дзене
Альфа Инструментс

Решения компании Tektronix для разработки систем на основе SiC и GaN

Благодаря решениям Tektronix, разработчики систем на основе SiC и GaN получат все необходимые инструменты Появление полевых МОП-транзисторов на основе SiC и GaN породило настоящую революцию в сфере силовой электроники. Эти новые материалы позволяют создавать преобразователи с недостижимым ранее КПД. В реальном мире не бывает идеальных коммутационных характеристик, но некоторые классы полупроводниковых приборов с широкой запрещённой зоной, созданные на основе новых материалов, обладают чрезвычайно малыми коммутационными потерями. Сочетание очень малых коммутационных потерь с высокими скоростями нарастания превращает эти новые технологии в мечту и одновременно в кошмар разработчиков преобразователей постоянного тока. Представьте себе инженера, работающего над созданием силового преобразователя, такого как инвертор или привод электродвигателя, или инженера, рискнувшего создать корректор коэффициента мощности (PFC) с КПД, достигающим 99 %. С какими проблемами они столкнутся? Применение т
Оглавление

Благодаря решениям Tektronix, разработчики систем на основе SiC и GaN получат все необходимые инструменты

Появление полевых МОП-транзисторов на основе SiC и GaN породило настоящую революцию в сфере силовой электроники. Эти новые материалы позволяют создавать преобразователи с недостижимым ранее КПД.

В реальном мире не бывает идеальных коммутационных характеристик, но некоторые классы полупроводниковых приборов с широкой запрещённой зоной, созданные на основе новых материалов, обладают чрезвычайно малыми коммутационными потерями. Сочетание очень малых коммутационных потерь с высокими скоростями нарастания превращает эти новые технологии в мечту и одновременно в кошмар разработчиков преобразователей постоянного тока.

Представьте себе инженера, работающего над созданием силового преобразователя, такого как инвертор или привод электродвигателя, или инженера, рискнувшего создать корректор коэффициента мощности (PFC) с КПД, достигающим 99 %. С какими проблемами они столкнутся?

Применение транзистора с малыми потерями – это всего лишь начало крутой горы, на которую им предстоит взобраться. Драйвер полностью изолированного затвора должен корректно управлять силовым каскадом, который, в свою очередь, порождает целый ряд новых проблем – от изоляции до защиты схемы от так называемых “сквозных токов”.

В процессе проектирования высокочастотных преобразователей львиная доля времени уходит на моделирование и проверку конструкции, чтобы выявить и устранить все возможные причины отказов. Грамотный разработчик печатных плат может виртуозно развести схему, но паразитные эффекты никуда не исчезают и коварно подстерегают его за каждым углом. Уже одно только это может создать массу проблем для разработчиков, по мере того как они приобретают опыт работы с новыми корпусами и топологиями. Действительно, переход к новым устройствам на основе SiC и GaN создаёт массу препятствий.

Общие проблемы

Этот сценарий типичен для проектирования большинства систем питания. Эти проблемы характерны для разработки корректоров коэффициента мощности, импульсных источников питания, преобразователей для солнечных батарей, приводов для электромобилей и беспроводных зарядных устройств для смартфонов, порождая желание выжать всё, что можно, из технологий SiC и GaN.

Конечно, требования, предъявляемые этими столь отличными друг от друга системами, сильно разнятся. Требования разработчиков к напряжённости электрического поля, сопротивлению в открытом состоянии или к запирающему напряжению могут сильно ограничить возможности манёвра. Впрочем, существуют общие проблемы, с которыми сталкивается и разработчик зарядного устройства на 20 кВт с частотой преобразования 250 кГц для автомобильного аккумулятора, использующий транзисторы на основе SiC и разработчик резонатора беспроводного устройства на 6,78 МГц, применяющий транзисторы на основе GaN.

В обоих случаях разработчикам нужно с высокой точностью охарактеризовать статические и коммутационные потери. Всем им понадобится решить проблему охлаждения и точно рассчитать теплоотвод. Скорее всего, всем им понадобятся каталоги трансформаторов, дросселей и конденсаторов нового поколения, которыми они, вероятно, никогда до этого не пользовались. Кроме того, они будут озабочены тем, что провода припаиваемого пробника могут работать как мини-антенны, когда придёт время измерять параметры ЭМС.

И ещё важно понимать, что используемых ранее наборов инструментов уже недостаточно для решения текущих задач. Новые полупроводниковые приборы надо проверять на пробой напряжением в тысячи вольт, и в тоже время они могут обладать токами утечки порядка нескольких фемтоампер. Справятся ли с такой работой источники питания, мультиметры и осциллографы?

Учитывая необходимость одновременного измерения Vзи, Vси и тока полевого транзистора с точной оценкой скорости нарастания, смогут ли инженеры использовать свои четырёхканальные осциллографы с внешним сигналом запуска? Сколько времени уйдёт на последующую обработку сигналов и прочие автономные операции для принятия решения о поведении схемы? Хватит ли чувствительности старого осциллографа для измерения порогового напряжения затвора, и реальны ли пульсации, наблюдаемые на экране, или они порождены проводами пробника?

Так или иначе, разработчикам устройств на основе SiC и GaN неизбежно придётся столкнуться со следующими проблемами:

  • Высокие скорости нарастания токов и напряжений и высокие частоты коммутации создающие проблемы, связанные с ЭМП
  • Измерение малых напряжений в присутствии больших синфазных токов
  • Высоковольтные выбросы
  • Перекрёстные помехи и прочие негативные явления в процессе разводки печатной платы
  • Определение процента погрешности, порождаемой измерительной системой

Проблема измерения Vзи

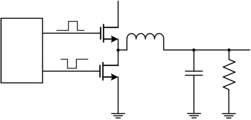
Ещё одной областью, в которой разработчиков поджидают серьёзные проблемы, является измерение напряжения Vзи в полумостовых схемах, один из примеров которых приведён на рисунке 1.


Рисунок 1. Типовая полумостовая схема
Рисунок 1. Типовая полумостовая схема

Когда в такой схеме один из транзисторов, выполненных на основе SiC, открывается, очень большая скорость нарастания напряжения порождает паразитное напряжение между затвором и истоком (Vзи) второго транзистора, как показано на рисунке 2. Это снижает запас отношения сигнала к шуму для напряжения Vзи, создавая вероятность несанкционированного открывания.


Рисунок 2. Проблема, связанная с измерением Vзи
Рисунок 2. Проблема, связанная с измерением Vзи
  • Vзи верхнего транзистора
  • Vзи нижнего транзистора
  • Точка коммутации
  • Открывание верхнего транзистора
  • Закрывание верхнего транзистора
  • Мёртвое время
  • Открывание нижнего транзистора
  • Закрывание нижнего транзистора

Конечно, вы не хотите снижать скорость нарастания напряжения, потому что именно она позволяет этим устройствам достигать столь малых коммутационных потерь. Следовательно, проблему надо решить иным способом, например, изменив схему драйвера затвора так, чтобы в процессе переключения он активно контролировал сопротивление затворов обоих плеч.

Кроме того, грамотные разработчики печатных плат должны следить за тем, чтобы шины и соединительные дорожки платы имели минимальную индуктивность и не вносили слишком большого вклада в выбросы и звоны, порождаемые паразитными индуктивностями. Все эти элементы нужно проверить в реальной схеме, выполняя одновременные измерения Vзи верхнего и нижнего плеча для оценки задержки широтно-импульсной модуляции (ШИМ) и минимизации мёртвого времени. Затем для полного описания потерь нужно измерить токи и два напряжения Vси.

Четырёхканального осциллографа для этого недостаточно, а типичный 8-разрядный АЦП не обеспечивает нужного разрешения по вертикали. Кроме того, обычные пробники, которые используются в большинстве лабораторий, не подходят для таких измерений. Причём не годятся даже качественные дифференциальные пробники, которые обычно рекомендуются для выполнения плавающих измерений в верхнем плече моста. В традиционных дифференциальных пробниках применяются дифференциальные усилители, соединённые с земляным проводом. Такое соединение с землёй ограничивает диапазон синфазного напряжения, сужает частотную характеристику синфазного напряжения, создаёт контур связи с землёй и ограничивает коэффициент подавления синфазного сигнала.

Но к счастью, одновременно с сокрушительной революцией, связанной с появлением полупроводниковых приборов с широкой запрещённой зоной, свершается другая сокрушительная революция, связанная с появлением решений для измерения эффективности систем питания.

Новые измерительные решения

Типичная измерительная система такого рода состоит из осциллографа и дифференциальных пробников, которые обеспечивают подключение исследуемого устройства (ИУ) к осциллографу. Очень важно, чтобы осциллограф обладал минимальным уровнем собственных шумов, достаточной полосой пропускания, вертикальным разрешением, числом каналов и гибким прикладным ПО. Выбор пробника тоже очень важен, поскольку его характеристики могут ограничивать параметры измерительной системы.

Если нужно выполнять дифференциальные измерения, то упомянутые выше обычные дифференциальные пробники, как правило, не могут адекватно представить измеряемый сигнал из-за ограниченного коэффициента подавления синфазного сигнала, спада частотной характеристики с ростом частоты и паразитных сигналов, наводящихся на входные провода пробника. Эти ограничения становятся ещё сильнее при измерении силовых приборов на основе SiC и GaN с очень высокой скоростью переключения и большим номинальным синфазным напряжением.

Поскольку проблема захвата этих сигналов порождается необходимостью заземления, то приемлемое решение заключается в применении пробника, не нуждающегося в заземлении и, следовательно, достаточно устойчивого к влиянию синфазного напряжения. Сегодня такая система существует в виде патентованной измерительной системы IsoVu компании Tektronix, которая использует оптоволокно.

Измерительная система IsoVu является прорывом для измерений Vзи и единственным решением с необходимой комбинацией полосы пропускания, высокого уровня синфазного напряжения и большого коэффициента подавления синфазного сигнала для выполнения дифференциальных измерений в новых приложениях, использующих полевые транзисторы с широкой запрещённой зоной. Система IsoVu обеспечивает полную гальваническую развязку ИУ и использует оптоэлектронный датчик для преобразования входного сигнала в оптический модулированный сигнал, что эффективно изолирует ИУ от осциллографа.

Подключенная к контрольной точке головка датчика полностью электрически изолирована и питается по одной из оптоволоконных линий. Наконечники пробника экранированы по всей длине, что минимизирует паразитные сигналы. Такой пробник не только обладает существенными преимуществами для измерения характеристик силовых преобразователей, но и отлично подходит для точных измерений ЭМП и электростатических разрядов.

В отличие от электрических пробников, кабели которых должны быть как можно короче, длина оптоволоконного кабеля практически не ограничена. Дистанционные измерения могут оказаться очень полезными, если ИУ и осциллограф должны находиться на некотором расстоянии друг от друга.

Система работает с большинством осциллографов Tektronix, но лучше всего сочетается с 12-разрядным вертикальным разрешением новых осциллографов MSO серии 5, которые предлагают до 8 аналоговых каналов и расширенное ПО для измерения цепей питания. Такая комбинация не только позволяет разработчикам в полной мере воспользоваться преимуществами материалов с широкой запрещённой зоной в процессе создания преобразователей постоянного тока, но и способствует развитию силовых 3-фазных устройств, импульсных источников питания, автомобильной электроники и многого другого.

Об авторе

Андреа Винчи (Andrea Vinci) работает менеджером по развитию бизнеса в компании Tektronix-Keithley (регион EMEA). Он обладает степенью магистра электроники итальянского университета Università di Padova.