Добавить в корзинуПозвонить
Найти в Дзене
Радио это просто

Мой первый радиоприемник

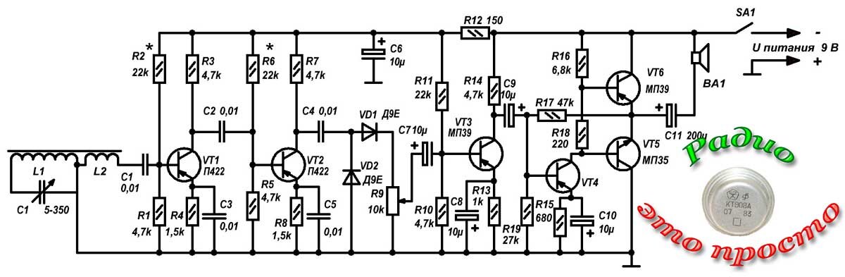
Добрый день. Хотелось бы начать, наверное, с этой публикации «Мой первый радиоприемник» можно сказать одни из самых значимых впечатлений были после сборки этого радиоприемника. Естественно, в то время радиостанций, вещающих было огромное количество и выбор пал именно на радиоприемник прямого преобразования, приведу его принципиальную схему для общего ознакомления.
Принципиальная схема

Добрый день. Хотелось бы начать, наверное, с этой публикации «Мой первый радиоприемник» можно сказать одни из самых значимых впечатлений были после сборки этого радиоприемника. Естественно, в то время радиостанций, вещающих было огромное количество и выбрал именно радиоприемник прямого преобразования, приведу его принципиальную схему для общего ознакомления.

Принципиальная схема радиоприемника прямого преобразования
Принципиальная схема радиоприемника прямого преобразования

Эта схема была опубликована в книжке автор Борисов точное название не помню. Принципиальная схема нашлась в моих старых записях и пришлось привести ее в нормальный читабельный вид. Описание принципиальной схемы приводить не буду так как считаю не очень целесообразно так как в наше время такие приемники уже давно не актуальны. Схема приведена как пример начала радиолюбительской деятельности и своих успехах что конструкцию закончил.

Думаю, не мало таких любителей наберется кто может и помнит такую схему или, к примеру начинал на подобных конструкциях. На самом деле, конечно, перед воплощением в реальное железо этого приемника много было проб и ошибок. Так как нужной литературы не было и приходилось искать что-то подходящее в библиотеке, на мое счастье такова имелась в моем населенном пункте. Ну вот начало положено, вероятно, не все так складно как хотелось, но все же. С уважением канал «Радио это просто».

-2