Найти в Дзене

Коды ошибки стиральных машин Kaiser

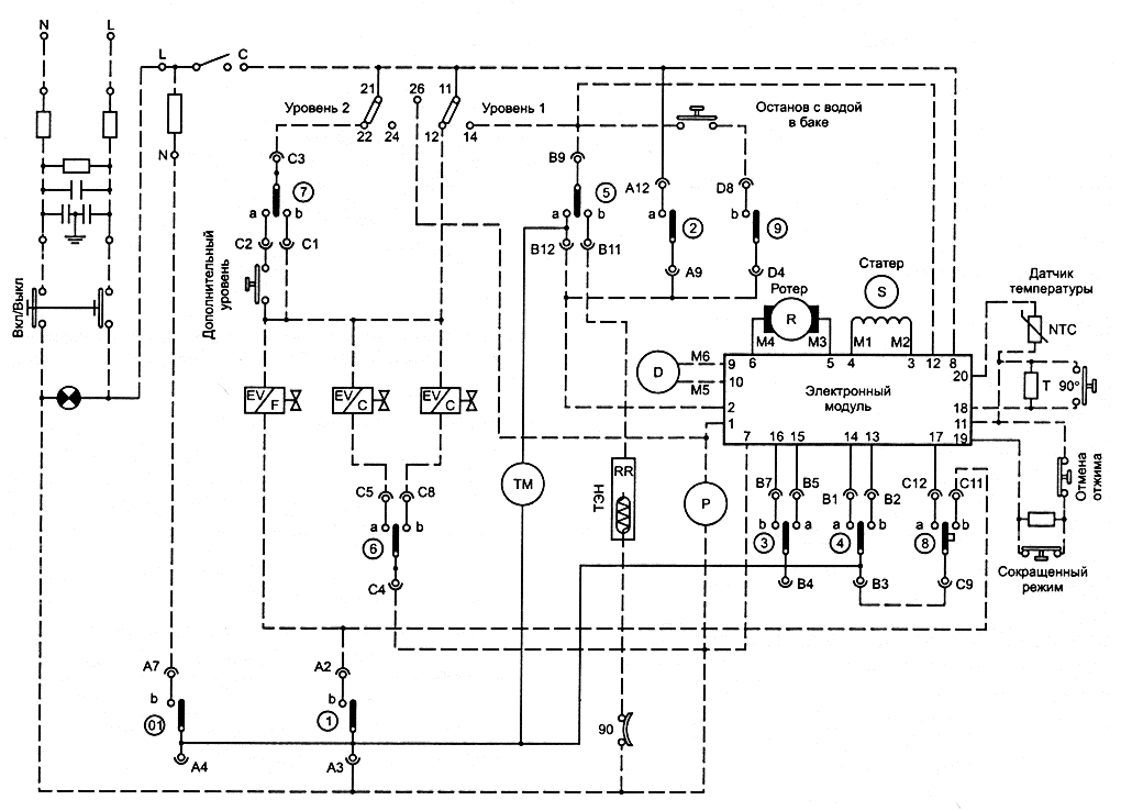
Вся информация можно посмотреть в сайте Все работает. Коды ошибки стиральных машин Kaiser. Современные стиральные машины сами себя умеют делать диагностику и отображают на дисплей (табло) код ошибки. Что бы мастер смог определится что именно сломался в стиральной машине. Устранение код ошибок стиральных машин Kaiser. Е01 - С концевого выключателя запорного механизма не поступает сигнал, что люк закрыт. Эта ошибка показывает что люк стиральной машины Kaiser открыт. Е02 - Медленно поступает вода в бункер стиральной машины. возможно что то случилось с клапаном. Е03 - долго сливает воду стиральная машина Kaiser. Неисправно работает Сливной насос. Е04 - Датчик уровня воды не успевает следить за водой. Поломка прессостата. Е05 - В водопроводе нет воды или напор недостаточно высокий для стирки или неисправно работает датчик уровня воды. Если на табло высветилось Е06 значит Сломан дренажный насос.  Е07 - Протечка внутри корпуса – на поддон. Аквастоп. Разгерметизация бака стиральной машины Kai

Вся информация можно посмотреть в сайте Все работает. Коды ошибки стиральных машин Kaiser. Современные стиральные машины сами себя умеют делать диагностику и отображают на дисплей (табло) код ошибки. Что бы мастер смог определится что именно сломался в стиральной машине. Устранение код ошибок стиральных машин Kaiser. Е01 - С концевого выключателя запорного механизма не поступает сигнал, что люк закрыт. Эта ошибка показывает что люк стиральной машины Kaiser открыт. Е02 - Медленно поступает вода в бункер стиральной машины. возможно что то случилось с клапаном. Е03 - долго сливает воду стиральная машина Kaiser. Неисправно работает Сливной насос. Е04 - Датчик уровня воды не успевает следить за водой. Поломка прессостата. Е05 - В водопроводе нет воды или напор недостаточно высокий для стирки или неисправно работает датчик уровня воды. Если на табло высветилось Е06 значит Сломан дренажный насос.  Е07 - Протечка внутри корпуса – на поддон. Аквастоп. Разгерметизация бака стиральной машины Kaiser. Е08 - В сети питания параметры превысили допустимые границы 190-235V. Обратитесь сервис для устранения этой ошибки. Е11 - Подав команду на блокировку, система выдает код ошибку останавливая цикл стирки. Нужно заменить электронный замок стиральной машины. Е21 - Не фиксируется сигнал от тахогенератора, сообщающего о вращении электромотора. Е22 - Мотор начинает вращаться без команды. Нужно продиагностировать модуль управления стиральной машины Kaiser. Е31 - E32 -Замкнул термодатчик. или вышел из строя температурный датчик. Е42 - После стирки стиральная машина Kaiser не открывает дверца (люк). Поломка в замек или дефект находится в плате управления.