Добавить в корзинуПозвонить
Найти в Дзене

Простой испытатель транзисторов

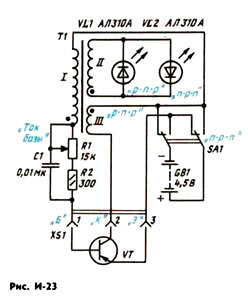
Прежде чем ставить транзистор в собираемое электронное устройство, его нужно проверить и убедиться в работоспособности, а иногда и измерить оговариваемый в описании коэффициент передачи. Да и во время налаживания конструкции или ее ремонта бывает нужно проверить тот или иной транзистор, не выпаивая его выводы. Для подобных целей пользуются различными испытателями, которые могут быть собраны по простым или сложным схемам — в зависимости от назначения испытателя и его возможностей. Рассмотреть все варианты испытателей не удастся, поэтому расскажем лишь о некоторых наиболее характерных вариантах. Простой испытатель транзисторов Предназначен для проверки биполярных транзисторов любой структуры и мощности. Особенно полезен испытатель при проверке транзисторов непосредственно в смонтированной конструкции. Правда, если выводы транзистора зашунтированы конденсатором большой емкости, придется отпаять от монтажа хотя бы вывод базы. Схема испытателя приведена на рис. И-23. Когда проверяемый тран
Оглавление

Прежде чем ставить транзистор в собираемое электронное устройство, его нужно проверить и убедиться в работоспособности, а иногда и измерить оговариваемый в описании коэффициент передачи. Да и во время налаживания конструкции или ее ремонта бывает нужно проверить тот или иной транзистор, не выпаивая его выводы. Для подобных целей пользуются различными испытателями, которые могут быть собраны по простым или сложным схемам — в зависимости от назначения испытателя и его возможностей. Рассмотреть все варианты испытателей не удастся, поэтому расскажем лишь о некоторых наиболее характерных вариантах.

Простой испытатель транзисторов

Предназначен для проверки биполярных транзисторов любой структуры и мощности. Особенно полезен испытатель при проверке транзисторов непосредственно в смонтированной конструкции. Правда, если выводы транзистора зашунтированы конденсатором большой емкости, придется отпаять от монтажа хотя бы вывод базы.

Схема испытателя приведена на рис. И-23. Когда проверяемый транзистор подключен к нему, образуется блокинг-генератор коротких импульсов, следующих через сравнительно большие промежутки времени. Такие колебания получаются из-за положительной обратной связи между коллекторной и базовой цепями — она осуществляется через трансформатор Т1 и цепочку C1R1R2. Оптимальную величину обратной связи, при которой возникает генерация, подбирают переменным резистором R1. Поэтому по положению его движка нетрудно судить об усилительной способности транзистора, а при определенном навыке — и о статическом коэффициенте передачи тока.

Простой испытатель транзисторов. Принципиальная схема
Простой испытатель транзисторов. Принципиальная схема

Когда работает блокинг-генератор, короткие импульсы будут и на обмотке II трансформатора. Полярность их зависит от структуры проверяемого транзистора, поэтому вспыхнет тот или иной светодиод (HL1 или HL2). К примеру, при проверке транзистора структуры p-n-p полярность импульсов будет такова, что засветится светодиод HL1 (конечно, в случае определенного подключения выводов обмотки II). С транзистором структуры p-n-p полярность импульсов изменится, и начнет светиться светодиод HL2.

Переключатель позволяет подавать на блокинг-генератор напряжение соответствующей полярности в зависимости от структуры проверяемого транзистора.

Трансформатор Т1 выполнен на магнитопроводе UJ6X8 от выходного трансформатора транзисторного радиоприемника «Альпинист». Коллекторная обмотка (III) содержит 100 витков провода ПЭВ-1 0,2, базовая (I) — 200 витков ПЭВ-1 0,2, сигнальная (II) — 30 витков ПЭВ-1 0,3. Собирают пластины магнитопровода встык, устанавливая между набором Ш-образных пластин и перемычками тонкую бумажную прокладку.

Вместо АЛ310А в приборе можно установить другие светодиоды с током потребления до 20 мА. Переменный резистор — СП-I или СП2- 2-0,5, постоянный — МЛТ-0,125, конденсатор — КЛС, переключатель — тумблер ТП1-2, источник питания — батарея 3336, разъем — СГ-5 или СГ-3.

Детали испытателя размещены в корпусе (рис. И-24), который может .быть как металлический, так и из изоляционного материала. На верхней стенке корпуса размещены светодиоды (они приклеены), переключатель, переменный резистор или разъем. Остальные детали смонтированы внутри корпуса. Для замены батареи нижнюю крышку или часть ее делают съемной.

Простой испытатель транзисторов. Корпус
Простой испытатель транзисторов. Корпус

Выводы проверяемого транзистора вставляют в соответствующие гнезда разъема. Когда же нужно проверять транзисторы в готовой конструкции, в разъем вставляют ответную часть с тремя многожильными проводниками в изоляции и со щупами (или зажимами «крокодил») на концах — к ним подключают выводы транзистора. На щупах (или зажимах) обязательно должны быть метки «э», «б», «к».

Прежде чем пользоваться прибором, его нужно, конечно, проверить и наладить. Понадобится исправный транзистор малой мощности и структуры р-n-р. Вставив выводы транзистора в гнезда разъема и установив переключатель в показанное на схеме положение (оно соответствует структуре р-n-р), перемещают движок переменного резистора в направлении от верхнего по схеме вывода к нижнему. При определенном положении движка возникнет генерация и вспыхнет один из светодиодов. Если это HL1 — все в порядке. При зажигании же светодиода HL2 придется поменять местами подключение выводов обмотки 11 трансформатора.

Может случиться, что генерация вообще не возникнет и ни один из светодиодов не загорится. Это укажет на то, что нужно поменять местами подключение выводов либо обмотки III, либо обмотки I.

Что касается коэффициента передачи проверяемого транзистора, то он тем больше, чем ближе к верхнему по схеме выводу переменного резистора находится движок в момент вспыхивания светодиода.

Испытатель транзисторов с усилителем шумов

По сравнению с предыдущей конструкцией этот прибор рассчитан на проверку работоспособности транзисторов малой мощности обеих структур, а также для оценки собственных шумов и усилительных свойств. Кроме того, прибор позволяет сравнительно быстро определить структуру и расположение выводов на корпусе транзистора, у которого отсутствует маркировка серии.

Испытатель транзисторов с усилителем шумов. Принципиальная схема
Испытатель транзисторов с усилителем шумов. Принципиальная схема

Испытатель состоит из генератора звуковой частоты (рис. И-25), который образуется при подключении к гнездам разъема XS1 проверяемого транзистора, и усилителя шумов на транзисторе VT1. Как и в предыдущем устройстве, генерация образуется из-за положительной обратной связи между коллекторной и базовой цепями. Частота генерируемых колебаний зависит от параметров трансформатора Т1 и емкости конденсатора С1. Глубину обратной связи регулируют переменным резистором R3. Момент возникновения генерации каскада с проверяемым транзистором зависит от положения движка переменного резистора и статического коэффициента передачи тока транзистора. Чем выше по схеме движок резистора., тем при большем коэффициенте передачи транзистора будет работать генератор. Верхнее положение движка соответствует коэффициенту передачи примерно 150, нижнее — 10.

Нагрузкой генераторного каскада является резистор R5. С него сигнал звуковой частоты поступает через конденсатор С2 на усилительный каскад, нагруженный на головной телефон BF2. Он служит звуковым сигнализатором возникновения генерации. Пока же генерации нет, например при верхнем положении движка переменного резистора, в телефоне будут слышны шумы каскада, образованного проверяемым транзистором. При перемещении движка из верхнего положения в нижнее уровень шумов может возрастать и достигнет максимума на грани возбуждения генератора. Чем громче звук в телефоне, тем больше собственные шумы проверяемого транзистора.

Если выводы проверяемого транзистора известны, их вставляют в соответствующие гнезда разъема XS1, переключатель SA1 ставят в положение, соответствующее структуре проверяемого транзистора, а выключателем БА3 подают питание.

Когда же цоколевка транзистора неизвестна, его выводы вставляют в гнезда разъема XS2 в произвольном порядке. Затем переключатель SA1 ставят сначала, например, в положение «р-n-р», а движок переменного резистора — в нижнее по схеме положение. Перемещая подвижные контакты переключателя SA2 из первого положения в шестое, прослушивают телефон. Если звука нет, устанавливают переключатель SA1 в положение «n-р-n» и вновь проходят подвижными контактами переключателя SA2 все положения. Как только в телефоне появится звук, можно определить структуру транзистора и его цоколевку.

Структуру, естественно, определяют по положению ручки переключателя SA1, а расположение выводов — по положению ручки переключателя SA2. К примеру, генерация возникла в первом положении ручки. Значит, в гнезда «1», «2», «3» разъема XS2 вставлены соответственно выводы коллектора, базы и эмиттера. Второе положение ручки переключателя соответствует выводам базы, коллектора и эмиттера, вставленным в указанные гнезда, третье — выводам коллектора, эмиттера, базы, четвертое — выводам базы, эмиттера, коллектора, пятое — эмиттера, коллектора, базы, шестое — эмиттера, базы, коллектора.

О деталях испытателя. Транзистор усилительного каскада может быть МП39—МП42 с любым буквенным индексом и коэффициентом передачи тока не менее 30. Постоянные резисторы — МЛТ-0,125, переменный — любого типа, но желательно с линейной характеристикой (функциональная зависимость А) — тогда легче будет градуировать шкалу резистора. Конденсаторы — МБМ. Головной телефон — малогабаритный ТМ-2А. Подойдет и капсюль ДЭМШ сопротивлением 65 Ом, а также головные телефоны с двумя капсюлями, соединенными так, чтобы общее сопротивление составляло 65...200 Ом. Можно применить и малогабаритную динамическую головку — тогда прибором будет удобнее пользоваться. Но включать ее в коллекторную цепь транзистора VT1 придется через выходной трансформатор от радиоприемников «Сокол», «Альпинист» или аналогичных.

Трансформатор Т1 — согласующий от малогабаритного транзисторного радиоприемника. Используется лишь половина вторичной обмотки.

Переключатели, выключатель и разъемы могут быть любой конструкции, источник питания — батарея 3336. Конструктивное оформление прибора — дело вкуса радиолюбителя. Взаимное расположение деталей не имеет ограничений и не влияет на работоспособность прибора. Важно лишь выполнить монтаж без ошибок.

Включив прибор и вставив в разъем XS1 исправный транзистор, проверяют правильность подключения выводов трансформатора. Если генерация не появляется даже при нижнем положении движка переменного резистора, следует поменять местами подключение выводов обмотки I или II трансформатора. Подбором резистора R7 добиваются наибольшей громкости звука в головных телефонах или в динамической головке.

Отградуировать шкалу переменного резистора несложно. Для этого нужно запастись несколькими транзисторами с измеренным на промышленном приборе коэффициентом передачи тока и, вставляя их выводы в разъем, отмечать на шкале риском момент возникновения генерации и значение коэффициента передачи.

Испытатель с образцовыми транзисторами

Пригоден для проверки маломощных биполярных транзисторов различной структуры даже без отпайки их выводов от монтажа. Но прежде чем перейти к рассказу об испытателе, познакомимся с принципом его работы (рис. И-26).

Испытатель с образцовыми транзисторами. Принцип работы
Испытатель с образцовыми транзисторами. Принцип работы

Проверяемый транзистор VT1, подключенный выводами к гнездам XS1—XS3, совместно с образцовым транзистором испытателя VT2 такой же структуры образует генератор, нагрузкой которого является катушка индуктивности L1. В случае исправности транзистора VT1 генератор будет работать и на нагрузке выделятся электрические колебания, частота и форма которых зависят от параметров катушки. Далее эти колебания подаются на усилитель, где детектируются и поступают на устройство индикации со светодиодом HL1 на выходе. Если транзистор исправен, светодиод горит.

А теперь рассмотрим принципиальную схему испытателя (рис. И-27). Выводы проверяемого транзистора подключают к гнездам XS1—XS3 с помощью вставляемых в них многожильных монтажных проводников с зажимами «крокодил» на конце. В соответствии со структурой (р-n-р или n-р-n) проверяемого транзистора и материала (германий или кремний), который в нем использован, в генератор испытателя включают переключателями SB1 и SB2 один из образцовых транзисторов VT1—VT4.

Испытатель с образцовыми транзисторами. Принципиальная схема
Испытатель с образцовыми транзисторами. Принципиальная схема

Если проверяемый транзистор работоспособен, выделяющиеся на катушке L1 электрические колебания поступают через конденсатор С2 на усилительный каскад, собранный на транзисторе VT5. С нагрузки каскада (резистор R3) сигнал подается на детектор, выполненный на диодах VD1 и VD2 по схеме удвоения напряжения. Нагрузкой детектора по постоянному току является резистор R5 и эмиттерный переход транзистора VT6, соединенные последовательно. Протекающий в этой цепи ток открывает транзистор, и светодиод HL1 в его коллекторной цепи начинает светиться.

Питается испытатель от источника GB1 напряжением 5...10 В и потребляет соответственно ток 8...15 мА.

На место VT1—VT4 можно установить, кроме указанных на схеме, другие кремниевые (VT1 и VT3) и германиевые (VT2 и VT4) маломощные высокочастотные транзисторы соответствующей структуры. Вместо транзистора КП103А можно использовать другой транзистор этой серии, вместо МП42Б — любой транзистор серий МП39—МП42, вместо светодиода АЛ102Б — другой, например серии АЛ102 или АЛ307. Яркость свечения светодиода устанавливают резистором R6. При необходимости светодиод может быть заменен стрелочным индикатором с током полного отклонения стрелки до 10 мА.

Резисторы — МЛТ-0,125; конденсаторы С1, С3, С5 — К50-6 или К50-12; С2, С4 —МБМ, КЛС или КМ. Переключатели SB1 и SB2 — П2К с независимой фиксацией, выключатель SA1 —любой конструкции. Катушка L1 может быть индуктивностью 4...6 мГн. Ее нетрудно выполнить, например, на кольце типоразмера K12X6X4,5 из феррита 600НН, намотав 120 витков провода ПЭВ-2 0,12.

В заключение следует заметить, что этим испытателем можно проверять некоторые транзисторы средней мощности, например ГТ402, КТ502, КТ503, КТ603, КТ608. Кроме того, испытатель не боится короткого замыкания между входными гнездами, а при соединении их с транзистором не имеет значения порядок подключения выводов транзистора.

Испытатель транзисторов на микросхемах

Для быстрой проверки работоспособности маломощных биполярных транзисторов можно воспользоваться испытателем, собранным по приведенной на рис. И-28 схеме. Основу испытателя составляют два генератора. Один из них (на элементах DD1.1—DD1.3) генерирует колебания сравнительно низкой частоты (единицы герц), на выходе другого (на элементах DD2.1—DD2.3) частота сигнала составляет 5 кГц. Элементы DD1.4 и DD2.4, включенные инверторами, позволяют согласовать выходные сопротивления генераторов с сопротивлениями цепей нагрузок, а также получить нужные полярности напряжения питания проверяемых транзисторов обеих структур.

Испытатель транзисторов на микросхемах. Принципиальная схема
Испытатель транзисторов на микросхемах. Принципиальная схема

Когда проверяемый транзистор вставлен своими выводами в гнезда XS1—XS3, к выводам его эмиттера и коллектора попеременно прикладывается то низкий, то высокий уровень напряжения, что эквивалентно изменению полярности напряжения питания. В зависимости от структуры транзистора будет вспыхивать либо светодиод HL1, либо HL2. Если, к примеру, проверяемый транзистор структуры р-n-р, то будет вспыхивать светодиод HL2 в те моменты, когда на входе элемента DD1.4 высокий уровень напряжения (уровень логической 1), а значит, на выходе этого элемента низкий уровень напряжения (уровень логического 0). Иначе говоря, в этот момент на эмиттере транзистора плюсовое напряжение по отношению к коллектору.

Одновременно с подачей напряжения на эмиттер и коллектор транзистора на его базу поступает сигнал со второго генератора. Если транзистор исправен, этот сигнал усиливается и подается через конденсатор С3 на диод VD1. Выпрямленное им напряжение открывает транзистор VT1, и светодиод HL3, включенный в коллекторную цепь транзистора, начинает светиться.

Кроме указанных на схеме, в испытателе можно применить другие микросхемы серии К155, содержащие элементы И-НЕ, например К155ЛА1, К155ЛА4. Первая из них состоит из двух элементов 4И-НЕ, поэтому понадобится четыре микросхемы, вторая же содержит три элемента 3И-НЕ, и в приборе придется установить три такие микросхемы. В любом варианте входные выводы каждого элемента соединяют вместе.

Вместо транзистора КТ315Б подойдет другой транзистор этой серии или любой маломощный транзистор структуры n-р-n со статическим коэффициентом передачи тока не менее 50. В выпрямителе может работать любой диод серии Д9. Светодиоды АЛ102Б с красным свечением заменимы на АЛ102В с зеленым свечением, правда, яркость их несколько меньше.

Конденсатор С1 — К50-6, С2 и С3 — малогабаритные (КМ-6, KЛC и аналогичные), резисторы — МЛТ- 0,125.

Большинство деталей монтируют на плате (рис. И-29) из изоляционного материала, которую затем размещают в подходящем корпусе. Питают испытатель от источника постоянного тока, например выпрямителя напряжением 5 В. Допустимо также использовать батарею 3336.

Испытатель транзисторов на микросхемах. Печатная плата
Испытатель транзисторов на микросхемах. Печатная плата

Испытатель транзисторов со стрелочным индикатором

Позволяет измерить один из важных параметров транзистора — коэффициент передачи, но пригоден и для контроля начального тока коллектора (хотя этот параметр оговаривается в описаниях весьма редко).

Как можно судить о коэффициенте передачи? Посмотрите на рис. И-30. Транзистор подключен к источнику питания GB1, и в цепи его базы протекает ток, сила которого зависит от сопротивления резистора R1. Этот ток транзистор усиливает.

Транзистор подключен к источнику питания
Транзистор подключен к источнику питания

Значение усиленного тока показывает стрелка миллиамперметра, включенного в цепи коллектора. Достаточно разделить значение тока коллектора на значение тока в цепи базы, чтобы узнать статический коэффициент передачи тока h21э (или просто коэффициент передачи).

Коэффициент передачи во многом зависит от тока коллектора. В некоторых измерительных приборах, схемы которых были опубликованы в популярной радиотехнической литературе прошлых лет, коэффициент передачи измерялся при токе коллектора 20 и даже 30 мА. Это ошибочно. При таком токе усиление транзистора падает, и прибор показывает заниженное значение коэффициента передачи тока. Вот почему иногда приходится слышать, что одни и те же транзисторы при проверке на разных приборах показывают коэффициенты передачи, отличающиеся вдвое и даже втрое. Показания любого испытателя будут правильными лишь в том случае, если максимальный ток коллектора при измерениях не превышает 5 мА.

Простейшая схема практического прибора для проверки транзисторов структуры р-n-р
Простейшая схема практического прибора для проверки транзисторов структуры р-n-р

На рис. И-31 приведена простейшая схема практического прибора для проверки транзисторов структуры р-n-р. Работает прибор так. К зажимам (или гнездам) «э», «б», «к» подключают выводы транзистора (соответственно эмиттер, базу, коллектор). При нажатой кнопке SB1 на выводы транзистора подается питающее напряжение от батареи GB1. В цепи базы транзистора при этом начинает протекать небольшой ток, значение которого определяется в основном сопротивлением резистора R1 (поскольку сопротивление эмиттерного перехода транзистора ничтожно мало по сравнению с сопротивлением резистора). Независимо от качества проверяемого транзистора значение тока базы постоянно и в данном случае выбрано равным 0,03 мА (30 мкА). Усиленный транзистором ток регистрирует миллиамперметр РА1 в цепи коллектора. Шкалу миллиамперметра можно отградуировать непосредственно в значениях h21э. Если у Вас есть миллиамперметр, рассчитанный на измерение тока силой до 3 мА, тогда отклонение стрелки на конечное деление шкалы будет соответствовать коэффициенту передачи 100. Для миллиамперметров с другими токами отклонения стрелки на конечное деление шкалы это значение будет иным. Так, для миллиамперметра со шкалой на 5 мА предельное значение коэффициента передачи при указанном выше токе базы будет около 166. Но поскольку использовать в конструкциях транзисторы с коэффициентом передачи тока свыше 100 (это относится в основном к германиевым транзисторам) не рекомендуется (из-за неустойчивой работы конструкций и необходимости более тщательного налаживания их), то для такого миллиамперметра желательно уменьшить сопротивление резистора R1 до 91 кОм, и тогда шкала прибора будет рассчитана на максимальный коэффициент передачи, равный 100.

Детали прибора совсем не обязательно располагать в подходящем футляре. Их можно быстро соединить друг с другом и проверить партию имеющихся у Вас транзисторов. Резистор R2 предназначен для ограничения тока через миллиамперметр, если случайно попадется транзистор с пробитым переходом эмиттер-коллектор.

А как быть, если надо проверить транзисторы другой структуры — n-p-n? Тогда придется поменять местами выводы батареи питания и миллиамперметра.

Схема более универсального прибора для проверки транзисторов
Схема более универсального прибора для проверки транзисторов

Схема более универсального прибора приведена на рис. И-32. В нем два предела измерения h21э = 50 и 100), что намного удобнее, поскольку радиолюбителю приходится иметь дело не только с транзисторами, обладающими коэффициентом передачи тока 60...100, но и с транзисторами, у которых h21э = 15...20. Для получения двух пределов достаточно установить два различных тока базы. Это делается с помощью переключателя SA1. В первом его положении секцией SA1.1 в цепь базы включается резистор R1 сопротивлением 45 кОм (его можно отобрать из группы резисторов сопротивлением 43 или 47 кОм или составить из двух резисторов), который задает ток базы около 0,1 мА. Максимальный коэффициент передачи, измеряемый в этом положении переключателя, равен 50.

При установке переключателя во второе положение в цепь базы включается резистор R2, и сила тока ограничивается до 0,05 мА, а максимальный измеряемый коэффициент передачи равен 100.

В цепи коллектора стоит стрелочный индикатор РА1 типа ПМ-70 с током полного отклонения стрелки 5 мА и сопротивлением рамки около 15 Ом.

Этот прибор позволяет проверять и мощные транзисторы (например, П201—П203, П213—П217, П601 и другие). Проверка их несколько отличается от проверки маломощных транзисторов. Ток базы здесь достигает уже единиц миллиампер, в связи с чем в цепи коллектора должен стоять стрелочный индикатор, рассчитанный на ток в десятки миллиампер. В нашем приборе сила тока базы выбрана равной 1 мА, максимальный измеряемый коэффициент передачи тока — 50, значит, стрелочный индикатор должен быть рассчитан на максимальный ток полного отклонения стрелки до 50 мА. Шунтирование стрелочного индикатора РА1 до такого тока производится секцией SA1.2, которая в третьем положении переключателя подключает параллельно индикатору резистор R6 сопротивлением 1,7 Ом. Резистор с таким сопротивлением придется изготовить самим из провода с высоким удельным сопротивлением (нихром, константан, манганин).

Остальные резисторы можно взять любого типа мощностью не менее 0,25 Вт. Переключатель SA1 — галетный, с двумя платами на три положения (например, ЗПЗН). Переключатель SA2 — тумблер с двумя секциями. Он используется для изменения полярности подключения стрелочного индикатора и батареи питания при проверке транзисторов различной структуры. Если у Вас окажутся два односекционных тумблера, их тоже можно использовать в приборе, установив между ручками тумблеров жесткую перемычку. Выключатель SA3 — любого типа.

Корпус прибора и расположение деталей на его верхней панели могут быть такими, как показано на рис. И-33.

Корпус прибора для проверки транзисторов
Корпус прибора для проверки транзисторов

Прежде чем приступить к измерению коэффициента передачи тока, найдите в справочнике цоколевку транзистора и только после этого подключайте его выводы к зажимам (или гнездам) прибора. Помните, что даже небольшая ошибка при подключении может стать роковой для «здоровья» транзистора.

Помимо коэффициента передачи желательно проверить и начальный ток коллектора. В этом случае выводы эмиттера и коллектора остаются подключенными к зажимам прибора, а вывод базы соединяют с выводом эмиттера. По значению начального тока коллектора можно судить о качестве транзистора. У любого транзистора, используемого, например, в транзисторном приемнике, начальный ток коллектора не должен превышать 30 мкА. Транзистор с большим начальным током может стать причиной нестабильной работы конструкции.

Бывает, что начальный ток нормальный, но на глазах изменяется — «плывет». Ставить такой транзистор в конструкцию нельзя.

Конечно, точно измерить значение начального тока по шкале наших приборов трудно — отклонение стрелки будет едва заметно. Но и этого во многих случаях бывает достаточно, чтобы выявить плохой транзистор.