Найти в Дзене
Электроfun

Как сделать стробоскоп из лампы-вспышки

(Как из старой советской вспышки сделать стробоскоп.) Стробоскоп это довольно занятная штука. Имеет широкое применение от серьезных научных исследований в лабораториях до развлечений на дискотеках. Стробоскопический эффект можно также используется в различных практических целях, например, в автосервисах, и для наложения снимков в творческой фотографии. Для изготовления стробоскопа подойдет любая старая советская вспышка, в которые ставили лампу ИФК-120. Эта лампа довольно мощная, выдерживает 12 ватт и 120 Дж в импульсе, откуда и ее обозначение Импульсная Фотолампа Ксеноновая (ИФК-120). Перед тем, как что-то делать, посмотрите внимательно на лампу, чтобы ваш труд не пропал зря. Внутри лампы идет проводящий слой, он не должен быть нарушен, а поджигающий электрод должен располагаться четко у проводящего слоя. Лампа с разрушенным проводящим слоем, и потемневшая - увы, отработала свой срок. Внимание, лампа полярная, - и + помечены, минус длиннее. Итак, вам досталась вспышка с нормальной л

(Как из старой советской вспышки сделать стробоскоп.)

Стробоскоп это довольно занятная штука. Имеет широкое применение от серьезных научных исследований в лабораториях до развлечений на дискотеках. Стробоскопический эффект можно также используется в различных практических целях, например, в автосервисах, и для наложения снимков в творческой фотографии.

Для изготовления стробоскопа подойдет любая старая советская вспышка, в которые ставили лампу ИФК-120. Эта лампа довольно мощная, выдерживает 12 ватт и 120 Дж в импульсе, откуда и ее обозначение Импульсная Фотолампа Ксеноновая (ИФК-120). Перед тем, как что-то делать, посмотрите внимательно на лампу, чтобы ваш труд не пропал зря. Внутри лампы идет проводящий слой, он не должен быть нарушен, а поджигающий электрод должен располагаться четко у проводящего слоя. Лампа с разрушенным проводящим слоем, и потемневшая - увы, отработала свой срок. Внимание, лампа полярная, - и + помечены, минус длиннее.

Итак, вам досталась вспышка с нормальной лампой. Из нее вам нужен повышающий трансформатор и высоковольтные провода. Все остальное можно выкинуть, особенно конденсатор МБМ и высохший электролит. Резисторы, впрочем, можно оставить, если подходят по номиналу.

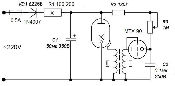
Вот сама схема стробоскопа, приведены два варианта - на динисторе(1) и тиратроне(2).

Лично мне попалось какое-то уродское изделие с мутным стеклом. Судя по потрохам, это приставка к вспышке Луч, но все необходимое внутри есть. Когда распотрошил и выкинул ненужное, оказалось, что там лампа НЕ ФИКСИРУЕТСЯ в отражателе. Конструктор явно был шизиком - наверху в дырочке лампа не держится, снизу какой-то скос, который поджимается прижимом с КОСО! идущим винтом, для которого сделан паз! Изначально этот прижим тоже был перекошен. (См.фото 2, лампа явно перекошена) Выкинул, сделал по-другому. Выкинул также текстолитовую плату без дырок, на которую ничего закрепить нельзя, спаял на монтажной плате. Еще мне непонятно, зачем высоковольтный трансформатор располагать далеко от лампы?? Расположил рядом, зафиксировал какой-то прозрачной китайской мастикой.

Спаиваем по указанной схеме, обращая внимание на полярность лампы, диода, электролитического конденсатора. Запускающим элементом может быть динистор КН102И (с напряжением пробоя 120В, (схема 1). Можно использовать тиратрон (схема 2), подобрав конденсатор C2 0.05-0.1мкф (пленочный, на напряжение от 250В). Я использовал тиратрон МТХ-90, их в СССР производили тоннами, а динисторов КН102 с буквой И я не нашел (буква указывает на напряжение пробоя).

Включаем! Все работает, частота вспышек на глаз от 1 в 2 сек, до 4-5 в сек. при минимальном сопротивлении регулятора. За минуту работы нагревается, но не сильно.

Некоторые замечания к схемам: емкость электролитического конденсатора С1 в пределах 50-100мкф, напряжение от 350В. С более емким конденсатором вспышки ярче, но нагрев схемы сильнее. С2 пленочный К73-17 0.05-0.1мкф, напряжение 250-400В. Мощность гасящего резистора суммарно 10Вт, остальных 0.5-1 Вт. Тиратрон МТХ-90 с холодным катодом, анод это штырек в центре, не перепутайте! Перед включением проверьте схему соединения и пайку элементов.

Внимание! В схеме отсутствует гальваническая развязка от сети и имеется высокое напряжение. Конденсатор С1 в данной схеме работает в очень жестком режиме "заряд-разряд", поэтому сильно греется. Для импульсной лампы также не предусмотрен режим непрерывной работы, поэтому схему рекомендуется включать не более чем на 3-5 минут и использовать обдув кулером.

Уважаемые читатели! Ставьте лайки (желательно), пишите свои комментарии