Добавить в корзинуПозвонить
Найти в Дзене
Теодорычевы байки

Профанация электроники. 5. От чего предохраняет предохранитель?

ервый рассказ цикла Профанация электроники здесь.

В быту обычно считается, что предохранитель (по-другому плавкая вставка) предохраняет электрическую схему от выхода из строя, мужественно сгорая и не давая прочим элементам схемы выйти из строя. Частенько это бывает правильно. С другой стороны, те, кто сам разрабатывает электронные схемы относится к предохранителям довольно скептически. Дело в том, что электронные элементы большинства схем имеют быстродействие (скорость реакции) значительно превышающую скорость сгорания предохранителя. Таким образом сначала выгорают активные элементы схемы, а уж затем сам предохранитель.

Как-то мой приятель, радиолюбитель пожаловался на то, что повышенное напряжение, ошибочно поданное на его схему, спалило дорогие элементы, а предохранитель, который тоже был на месте, остался целым. Исключительно в целях сочувствия моему приятелю, я предложил ему защитную цепь, исключающую эту несправедливость. Не Бог весть что, но моему приятелю понравилось.

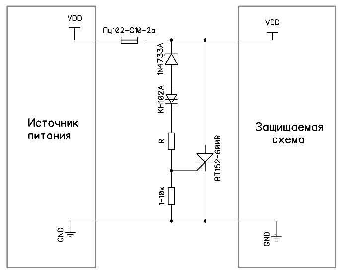
Как это работает?

Управляемые пробои стабилитрона и динистора в сумме составляют 10v. То есть при превышении напряжения, поступающего от источника питания уровня 10v, на управляющий электрод тиристора поступает открывающий ток. Тиристор (в нашем случае рассчитан на 20 а) закорачивает вход защищаемой схемы в течении 2 мксек и терпеливо ждет еще 0.1 сек пока окончательно сгорит предохранитель. При пробое динистора происходит скачек напряжения на входе управляющего электрода тиристора на 5 v, а открывается тиристор током 32 ма. Поэтому R= (5/32) =150 ом

Запомнилась мне эта схема по следующей причине:

В институте Кристаллографии, где я тогда работал, создавался четырехкружный рентгеновский дифрактометр. Я разрабатывал гониометрическую часть прибора (измерение углов). У нас было соглашение по системной шине. В то же время каждый специалист ни в чем не был ограничен при решении своей задачи, кроме этого, самого соглашения.

Защитную цепочку я нарисовал прямо на своей схеме преобразователя, а потом поленился стереть. Я свято верил своим товарищам и системной шине, поэтому не ожидал получить напряжение питания больше положенного.

Не стертая цепочка перекочевала в конструкторский отдел, воплотилась в печатную плату, отправилась на монтаж, и готовая вернулась ко мне. Тиристор как-то гадко выделялся на фоне стройных рядов корпусов серии К155, но я с ним смирился «Пусть будет». В то же время дифрактометр превратился из чертежей в научный прибор, этакую красивую научную игрушку. И вот, после испытаний и наладки, прибор готов к отправке.

Не помню кто и по какой причине решил его включить перед отправкой, но на вход питания прибора вместо фазного напряжения 220 v было подано 380 v. На системной шине появилось не штатное напряжение и все схемы TTL логики слегка поджарились. То есть они сгорели не все и не до конца. Все платы вернулись разработчикам, то есть нам. Не могу описать ауру работы в нашей лаборатории, поскольку она была насквозь нецензурная.

Фото для обложки. Из открытых источников.
Фото для обложки. Из открытых источников.

Я тоже получил свою плату, заменил предохранитель и стал ждать дальнейших указаний начальства. Бдительным начальством было замечено, что я не работаю, как остальные, а читаю журнал ПТЭ (приборы и техника эксперимента). Быстро было выяснено, что я не лодырь, а передовик первопроходец. Далее мудрое начальство повелело всем разработчикам вставить в свои платы такие же цепочки с предохранителем, как у меня. На робкие возражения, что надо просто защитить источник питания системной шины, было отвечено: «Конечно разработчики блока питания будут лишены квартальной премии». Вот такте волюнтаристские решения были в ходу во времена СССР.

Уважаемые читатели ЗДЕСЬ, Вы можете скачать все байки целиком, в том числе еще и не выложенные в оригинальном варианте и без Дзен цензуры.

Спасибо, что дочитали до конца. Подписывайтесь на мой канал, и если Вам понравились байки, то ставьте «лайки».

Читайте предыдущий рассказ "Профанация электроники. 4. Вольтодобавка" здесь.

Читайте следующий рассказ "Электрик. 1. Боевое крещение" здесь.

С уважением, Лолейт А.Т.

Об авторе баек читайте здесь.