Добавить в корзинуПозвонить
Найти в Дзене
Разумный мир

Емкостные датчики. Измерения и обработка сигнала

В предыдущей статье "Ёмкостные датчики. Принцип работы и особенности" я кратко рассмотрел, как работают емкостные датчики. Теперь посмотрим, как можно обрабатывать сигнал с таких датчиков, фактически, с измерительных конденсаторов. В статье не будет готовых схем, которые можно просто повторить. Но будут описаны некоторые применяемые методы, включая не самые распространенные. В частности, расскажу про измерение емкости методом переноса заряда, который применяется не столь часто. Как и предыдущая, статья рассчитана на новичков и любителей. При этом предполагается, что используется не готовый (промышленный), а самодельный датчик. Я не буду уделять особого внимания частным случаям, например, сенсорным емкостным клавиатурам. Однако, про несколько моментов все таки упомяну. Использование готового решения (датчика или специализированной микросхемы) Этот вопрос в статье рассматриваться не будет. Скажу только, что действительно есть специализированные микросхемы, например, MTCH101 (Single-Ch
Оглавление

В предыдущей статье "Ёмкостные датчики. Принцип работы и особенности" я кратко рассмотрел, как работают емкостные датчики. Теперь посмотрим, как можно обрабатывать сигнал с таких датчиков, фактически, с измерительных конденсаторов.

В статье не будет готовых схем, которые можно просто повторить. Но будут описаны некоторые применяемые методы, включая не самые распространенные. В частности, расскажу про измерение емкости методом переноса заряда, который применяется не столь часто. Как и предыдущая, статья рассчитана на новичков и любителей. При этом предполагается, что используется не готовый (промышленный), а самодельный датчик.

Я не буду уделять особого внимания частным случаям, например, сенсорным емкостным клавиатурам. Однако, про несколько моментов все таки упомяну.

Использование готового решения (датчика или специализированной микросхемы)

Этот вопрос в статье рассматриваться не будет.

Скажу только, что действительно есть специализированные микросхемы, например, MTCH101 (Single-Channel Proximity Detector) которые можно использовать для работы с сенсорными (емкостными) кнопками или датчиками типа "концевой выключатель". В некоторых микроконтроллерах есть модули для работы с емкостными датчиками.

Использование измерительного конденсатора в качестве частото-задающего элемента генератора

Как я говорил в предыдущей статье, емкость измерительного конденсатора датчика может быть очень малой, единицы-десятки пФ. Прямое измерение такой емкости может вызывать затруднения.

Одним из старых и популярных методов решения проблемы измерения малых емкостей является использование их как элемента определяющего частоту генератора. Например, в качестве конденсатора LC контура генератора. Как известно еще из курса физики средней школы, резонансная частота LC контура определяется формулой

Саму схему генератора можно выбрать практически любой. От самой простой, например такой, если особая точность не требуется

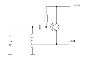
Схема простейшего LC генератора. Преимуществом схемы является то, что один из выводов измерительного конденсатора заземлен. Это позволяет изготовить экранированный конденсатор датчика использовав одну из его обкладок в качестве экрана.
Схема простейшего LC генератора. Преимуществом схемы является то, что один из выводов измерительного конденсатора заземлен. Это позволяет изготовить экранированный конденсатор датчика использовав одну из его обкладок в качестве экрана.

До сложной термокомпенсированной, которая обеспечит высокую точность измерения и чистую синусоидальную форму выходного сигнала.

Однако, нужно учитывать, что потери в измерительном конденсаторе датчика могут быть довольно большими, что приведет к срыву генерации. Примером таких датчиков являются датчики измерения влажности сыпучих продуктов (зерно, опилки, песок) или измерители уровня жидкости (особенно, воды в заземленном резервуаре). Поэтому нужно выбирать схему генератора, и ее параметры, так, что бы генерация обеспечивалась во всех возможных условиях применения конкретного датчика.

Если вам не нравятся катушки индуктивности, то можно использовать RC генератор. Например, вот такой, простейший, на триггере Шмитта в виде логической микросхемы

Простейший RC генератор на триггере Шмитта. Один из выводов измерительного конденсатора заземлен, как и в схеме LC генератора.
Простейший RC генератор на триггере Шмитта. Один из выводов измерительного конденсатора заземлен, как и в схеме LC генератора.

В данном случае частота генерации будет зависеть не только от параметров RC цепочки, но и от порогов триггера.

-4

Коэффициент К как раз и учитывает влияние пороговых уровней триггера. Для большей точности и повторяемости параметров можно использовать триггер на компараторе с точно устанавливаемыми, и не зависимыми от напряжения питания, порогами.

Выходным сигналом подобных схем измерения, то есть, генераторов, является частота (период) колебаний вне зависимости от амплитуды и формы колебаний. Они обеспечивают непрерывное измерение емкости и достаточно малое время реакции. И хорошо подходят для датчиков измеряющих перемещение, расстояние, уровень жидкости, влажность. То есть там, где важно именно измерение, а не факт произошедшего изменения (касание сенсорной кнопки, например).

Измерение реактивного сопротивления измерительного конденсатора

Для измерения емкости конденсатора можно использовать и прямо противоположный, выше рассмотренному, подход. То есть, включить конденсатор в цепь переменного тока известной (заданной) частоты.

Из того же курса школьной физики известно, что для цепи переменного синусоидального тока

-5

Что дает возможность ввести понятие реактивного емкостного сопротивления

-6

А это приводит нас к частото-зависимому делителю напряжения, который всем хорошо известен под названием RC фильтр низких частот

-7

Обычно приводится передаточная характеристика такого фильтра как функции от частоты генератора (входного сигнала) при фиксированных значениях R и C. Фазовая передаточная характеристика нас, в данном случае, не интересует. Однако, для нашего применения частота генератора будет фиксирована, а вот емкость конденсатора, а значит, и его реактивное сопротивление, будут изменяться. Расчетная формула точно такая же, как для обычного резистивного делителя

-8

здесь Uг это напряжение на выходе генератора. Чем выше емкость измерительного конденсатора, тем ниже амплитуда напряжения на выходе. Стоит отметить, что в данном случае переменное напряжение на выходе генератора не имеет постоянной составляющей.

Данный способ измерения емкости применим не только для синусоидального сигнала. Вполне можно использовать генератор прямоугольных импульсов. Более того,выходное напряжение генератора может иметь постоянную составляющую, например, в случае использования однополярного источника питания схемы, что является самым распространенным случаем на сегодняшний день. При этом схема несколько усложнится. Вот один из вариантов

Пример схемы измерения емкости с использованием генератора прямоугольных импульсов с постоянной составляющей выходного напряжения.
Пример схемы измерения емкости с использованием генератора прямоугольных импульсов с постоянной составляющей выходного напряжения.

На выходе этой схемы постоянное напряжение будет обратно пропорционально (не линейно) емкости измерительного конденсатора. Конденсатор Ср здесь используется для устранения постоянной составляющей выходного напряжения генератора. Емкость этого конденсатора должна быть много больше емкости измерительного конденсатора датчика. Более того, реактивное сопротивление конденсатора на частоте генератора должно быть много меньше сопротивления резистора R. При этом в качестве генератора может использоваться, например, тактовый сигнал микроконтроллера.

В качестве примера рассмотрим вот такую модель.

Модель схемы измерения с заданными параметрами компонентов.
Модель схемы измерения с заданными параметрами компонентов.

В данном случае на выходе генератора VG1 меандр с частотой 1 МГц и амплитудой 5 В (от 0 до 5В). Измерительный конденсатор обозначен C1, а VM1 измеряет напряжение выходное напряжение. Обратите внимание, что емкость разделительного конденсатора удовлетворяет ранее указанным условиям, она гораздо больше, чем емкость измерительного конденсатора, а ее сопротивление на частоте измерения составляет 159 Ом, что значительно меньше, чем сопротивление резистора R1. Вот результат моделирования

-11

Обратите внимание, что в начальный момент времени все конденсаторы разряжены, поэтому для достижения установившегося режима нужно время. В данном случае выходное напряжение устанавливается примерно за 2 мс. Это нужно учитывать, если измерение выполняется не непрерывно, а генератор между измерениями останавливается.

Для емкости измерительного конденсатора (С1) 10 пФ установившееся значение выходного напряжения составит 2.2В. Если емкость измерительного конденсатора увеличится до 20 пФ, то выходное напряжение снизится до 1.7В. Для 30 пФ напряжение снизится еще больше, до 1.3В.

Пожалуй, еще отмечу, что не стоит выбирать емкость разделительного конденсатора слишком большой. Этот конденсатор напрямую влияет на характер и продолжительность переходного процесса. В качестве примера покажу, как будет выглядеть переходный процесс если мы увеличим его емкость до 100 нФ

-12

Напомню, что речь идет о переходном процессе при полностью разряженных конденсаторах. Такой выброс наблюдается в случае, когда емкость разделительного конденсатора (С3) превышает емкость фильтрующего конденсатора (С2).

Выходное напряжение может использоваться непосредственно для формирования выходного сигнала датчика (как собственно выходной сигнал). Или, например, оно может преобразовываться в ток петли 4-20 мА. Если выходной сигнал датчика должен быть не аналоговым, а цифровым, то дополнительно потребуется АЦП, который может входить и в состав микроконтроллера.

Данный вариант схемы измерения хорошо подходит для тех же случаев, как и ранее рассмотренный. Однако, поскольку частота генератора здесь постоянна, гораздо легче обеспечить ее фильтрацию если выдвигаются повышенные требования по ЭМС.

Измерение времени заряда и/или разряда измерительного конденсатора

Этот метод сегодня весьма широко распространен. Процесс заряда через резистор от источника постоянного напряжения полностью разряженного конденсатора выглядит так

-13

здесь переключатель замыкается в момент времени t0. Напряжение на конденсаторе возрастает по экспоненте и в пределе достигает напряжения U источника. Это хорошо всем знакомо

-14

Если мы будем использовать фиксированное напряжение U и фиксированное сопротивление резистора R, то напряжение на конденсаторе в любой момент времени (в процессе заряда) будет зависеть только от его емкости и времени.

Таким образом, мы получаем два возможных пути измерения емкости

  • измерение времени, за которое конденсатор зарядится до заданного напряжения
  • измерение напряжения, до которого зарядится конденсатор за заданное время

При этом на практике, в большинстве случаев, используется именно измерение времени заряда емкости до заданного напряжения.

-15

В данном случае, триггер Шмитта (компаратор с гистерезисом) сравнивает напряжение на конденсаторе с пороговым Uп. Как и ранее, в момент времени t0 ключ замыкается и начинается заряд конденсатора. В момент времени t1 напряжение на нем достигает заданного порогового уровня Uп. Временной интервал tи=t1-t0 пропорционален емкости измерительного конденсатора. Чем емкость больше, тем больше этот временной интервал.

Точно так же можно использовать не заряд, а разряд конденсатора. В этом случае в начальный момент времени конденсатор заряжен до напряжения U, а в момент времени t0 он отключается от источника напряжения и начинает разряжаться на резистор сопротивлением R.

Для обеспечения линейности преобразования емкости в временной интервал можно выполнять заряд конденсатора не от источника напряжения через резистор, а от источника тока. При этом напряжение на конденсаторе будет изменяться линейно, а время заряда до порогового напряжения будет определяться величиной тока источника и емкостью конденсатора.

В некоторых случаях может использоваться и "двойное интегрирование", то есть измерение суммарного времени заряда конденсатора и его последующего разряда. При этом заряд и разряд могут осуществляться разными способами, например, заряд от источника напряжения через резистор, а разряд на генератор тока (или наоборот).

Пример использования метода "двойного интегрирования"
Пример использования метода "двойного интегрирования"

На этой иллюстрации я показал случай, когда конденсатор заряжается от источника тока, а разряжается с помощью резистора. В начальный момент времени оба ключа разомкнуты. В момент времени t0 замыкается ключ S1 и конденсатор начинает линейно заряжаться. В момент времени t1 напряжение на конденсаторе достигает порогового уровня Uп1 и ключ S1 размыкается, а ключ S2 замыкается и конденсатор начинает разряжаться. В момент времени t2 конденсатор разрядится до порогового уровня Uп2 и процесс измерения завершается. Суммарная длительность процессов заряда и разряда tи=t2-t0 и является результатом измерения, она пропорциональна емкости конденсатора.

Такой способ измерения емкости (не важно, как именно заряжается и разряжается конденсатор) применяется редко, большей частью в специфических случаях. Например, когда нужно выполнять автоматическую коррекцию результата измерения в зависимости от дополнительных факторов. Например, учет нелинейности свойств объекта измерения или влияния температуры.

Кстати, если вернуться к началу статьи и посмотреть на схему генератора на триггере Шмитта, то можно увидеть, что там на самом деле используется процесс заряда и разряда емкости конденсатора.

Нельзя не упомянуть имеющиеся во многих микроконтроллерах модули захвата/сравнения, которые позволяют использовать таймер для измерения времени и компаратор для отслеживания достижения порогового уровня. Причем и таймер и компаратор расположены внутри микроконтроллера. Я не буду подробнее рассказывать об этом способе поскольку это очень сильно зависит от используемого микроконтроллера (даже в пределах одной линейки).

А вот теперь, как и обещал, я рассмотрю один частный случай. Я покажу, как один и тот же принцип измерения емкости (в данном случае время заряда/разряда) может привести к кардинально разному результату работы схемы обработки в целом.

Частный случай, или дьявол кроется в деталях

Собственно говоря, необходимость рассмотрения этого частного случая возникла по результатам небольшой дискуссии в комментариях к первой части статьи. Один читатель упомянул старый способ (метод) работы с сенсорными кнопками (поэтому и частный случай) с использованием D-триггера. Возможно, вы никогда с этим методом не сталкивались

Обработка сенсорной емкостной кнопки с помощью D-триггера. В реальной схеме сигналы на входах D и С триггера, естественно, будут не прямоугольными. На этой иллюстрации показан упрощенный вид фронтов импульсов с учетом пороговых уровней логики.
Обработка сенсорной емкостной кнопки с помощью D-триггера. В реальной схеме сигналы на входах D и С триггера, естественно, будут не прямоугольными. На этой иллюстрации показан упрощенный вид фронтов импульсов с учетом пороговых уровней логики.

В данном случае у нас есть D-триггер, в котором запись информации со входа D происходит по нарастающему фронту импульса на входе С. Так же, есть генератор прямоугольных импульсов G. Сигнал с выхода генератора поступает на входы D и С через две RC цепи, которые уже были рассмотрены ранее.

В данном случае триггеры Шмитта. которые определяют пороговые уровни напряжения, отсутствуют. Пороговые уровни определяются логическими пороговыми уровнями собственно D-триггера. Это не очень хорошо, но для данного применение (сенсорная кнопка) допустимо.

Емкость конденсатора С должна немного превышать емкость сенсорной кнопки, когда ее не касаются пальцем. В этом случае, при отсутствии касания, конденсатор Сх зарядится быстрее, чем конденсатор С. А значит, к моменту, когда напряжение на С будет распознано как переход из 0 в 1 у нас на входе D уже будет уровень 1 и в триггер будет записана 1. Этот случай показан диаграммой Cx<C.

Когда кнопки коснутся пальцем эквивалентная емкость Сх возрастет и он не будет успевать зарядиться до уровня логической 1 к моменту положительно перепада на С. В результате, в триггер будет записан 0. Этот случай показан диаграммой Сх>С.

Тот же самый процесс заряда конденсатора, но мы не измеряем его продолжительность, а сравниваем два времени, заряда емкости кнопки и заряда эталонного конденсатора. В качестве "компаратора времени" выступает D-триггер. По своей сути этот можно рассматривать как второй путь, когда задается измеряется напряжение на конденсаторе при заданном времени его заряда.

Эта схема придумана давно, еще в прошлом веке. Она проста и достаточно надежно работает. Но выходной сигнал этой схемы имеет только два значения - логический 0 и логическая 1. Другими словами, емкостный датчик с такой схемой измерения и обработки может использоваться, кроме сенсорной кнопки, в качестве "концевого выключателя".

Например, если у нас есть емкость с жидкостью, в которой установлен измерительный конденсатор датчика уровня

-18

То мы может определить факт достижения максимального или минимального уровня, но не в состоянии определить точный уровень. Вот об этой особенности данной схемы я и сказал в ответе на комментарий.

Увы, мой оппонент с этим не согласился. При этом он не привел своей схемы, к сожалению. Так что предметной дискуссии не получилось. Но мне показалось важным более подробно показать, как именно работает данная схема.

А вот теперь попробуем немного изменить схему, что бы она из "конечного выключателя" превратилась действительно в измеритель. Для этого заменим D-триггер на исключающее ИЛИ.

-19

Вот теперь у нас на выходе схемы обработки появилось два импульса, длительность которых пропорциональна емкости измерительного конденсатора датчика. Измеряя эту длительность мы можем выяснить, какой же уровень жидкости в действительности в текущий момент.

Два импульса могут показаться неудобными, да и емкость конденсатора датчика может быть большой, что приведет к затягиванию фронтов и неустойчивой работе схемы. Еще немного усложним схему

-20

Вот теперь мы действительно получили схему измерения и обработки, которая формирует на выходе один импульс, длительность которого пропорциональна емкости измерительного конденсатора датчика. И мы можем измерять, в нашем примере, именно уровень, количество жидкости в емкости. Правда осталось еще одно ограничение - длительность импульса на выходе генератора должна быть больше, чем максимальная длительность импульса на выходе схемы обработки. Это ограничение, если оно критично, можно обойти дальнейшим усложнением схемы.

Итак, один и тот же процесс заряда (разряда) конденсатора, но обработанный разными методами, дает принципиально разный результат. Для обработки сенсорной кнопки, изготовления датчика максимального уровня, датчика счета деталей на конвейере, и т.д., отлично подойдет схема с D-триггером. Но она не применима, например, для уровнемера, датчика влажности, датчика измерения линейного перемещения, и т.д. Зато для этого отлично подойдет схема с исключающим ИЛИ.

Использование метода переноса заряда

Ну вот мы и добрались до самого интересного, на мой взгляд, метода измерения емкости. Он самый сложный из всех рассмотренных в статье. Этот метод можно реализовать на дискретной логике, но наиболее целесообразно использовать микроконтроллер.

Давайте вспомним, да, опять из школьного курса физики, что

-21

То есть, электрическая емкость определяется как отношение электрического заряда к разности потенциалов. Для конденсатора разность потенциалом является напряжением, до которого он заряжен.

А теперь рассмотрим вот такую задачу - возьмем конденсатор С1 заряженный до напряжения U1 и подключим его параллельно полностью разряженному конденсатору C2. Какое напряжение на конденсаторах получим?

Вполне очевидно, что в начальный момент времени мы имеем вот такую картину

-22

Соединив конденсаторы параллельно мы получим суммарный заряд

-23

Отсюда можно рассчитать искомое напряжение

-24

Так если С1=С2, то итоговое напряжение будет равно половине напряжения до которого был заряжен С1. Однако, это простейший и не очень интересный для нас вариант. Поэтому рассмотрим случай, когда конденсатор С2 тоже заряжен. При этом U2 будет меньше U1.

-25

Здесь тоже все просто и очевидно. Поскольку U1>U2, то можно утверждать, что после соединения С1 и С2 напряжение на С2 возрастет. Но возникает вопрос, каким будет этот прирост напряжения. Я опущу математические преобразования, они очень просты

-26

Теперь примем еще одно допущение. Будем считать, что напряжение на конденсаторе С2 будет много меньше напряжения, до которого заряжается С1 в начальный момент времени. Кроме того примем, что емкость конденсатора С1 много меньше емкости конденсатора С2. Это позволит упростить формулу приращения напряжения. Она станет менее точной, но более удобной для прикидочных расчетов.

-27

Другими словами, подключение С1 к С2 позволяет "подзарядить" последний, причем рост напряжения будет пропорционален отношению емкостей конденсаторов. То есть, можно сказать, что С1 переносит частичку заряда от источника U1 конденсатору С2. Это и есть суть метода переноса заряда.

Как же можно использовать этот метод для измерения емкости конденсатора? Давайте посмотрим на упрощенную схему, модель

-28

Здесь U это источник напряжения, например, напряжения питания схемы. Сх, как и всегда, измерительный конденсатор емкостного датчика. Сн это накопительный конденсатор, тот самый С2 из рассматриваемой ранее задачи. S1 позволяет переключать конденсатор датчика между источником U и накопительным конденсатором. S2 позволяет полностью разрядить накопительный конденсатор перед началом измерения.

Само измерение выполняется так:

  • S2 замкнут, что разряжает Cн. После чего S2 размыкается и не влияет на работу схемы
  • S1 управляется генератором тактовых импульсов и циклически переключается между левым положение, когда выполняется заряд Сх, и правым положением, когда накопленный Сх заряд переносится в Сн.
  • Процесс переключения S1 продолжается до тех пор, пока напряжение на Сн не достигнет заданного порогового значения.

Количество циклов коммутации и будет нашим выходным параметром. Чем меньше емкость Сх, тем больше циклов коммутации потребуется. А чем емкость Сх больше, тем меньше циклов потребуется.

-29

Верхний график показывает импульсы с тактового генератора, а нижний изменение напряжения на Сн. При этом считается, что при низком уровне сигнала с генератора выполняется заряд Сх (S1 находится в левом положении), а при высоком уровне выполняется передача заряда от Сх к Сн (S1 в правом положении).

Предположим, что у нас Сх=100пФ, а Сн=0.1мкФ=100 нФ=100000пФ. То есть емкость конденсатора датчика в 1000 раз больше емкости накопительного конденсатора. При этом за каждый цикл переноса заряда напряжение на Сн будет увеличиваться на 1/1000 напряжения источника U. Пусть U=5В, а пороговое напряжение 0.5В, что можно считать "много меньше" U. Тогда прирост напряжения составит 5/1000=0.005В, а для достижения порогового уровня потребуется порядка 100 циклов переноса. Почему "порядка", а не точно? Вспомните, что мы упростили формулу приняв ряд допущений. Если емкость конденсатора датчика уменьшится до 50пФ, то есть, снизится в два раза, то и циклов потребуется в два раза больше, то есть, 200 циклов.

Не всегда обязательно соблюдать условие Uп<<U. Например, для упрощения и удешевления схемы измерения, если не требуется высокая точность и линейность, для сравнения напряжения на Сн с Uп можно использовать не компаратор, а триггер Шмитта (цифровую микросхему) или даже вход микроконтроллера. При этом пороговое напряжение будет порядка половины напряжения питания, а рост напряжения на Сн станет нелинейным.

-30

В некоторых случаях это вполне допустимо, тем более, что и сам характер изменения емкости конденсатора датчика не всегда линейный. Иногда проще построить градуировочную кривую и поместить ее в табличном виде в программу микроконтроллера.

Не смотря на кажущуюся простоту метода его практическая реализация может вызывать затруднения. Прежде всего это касается переключателя S1. Однако, если слегка изменить схему, то все станет гораздо проще.

-31
Сразу хочу сказать, что этот вариант схемотехники придумал не я. Несколько лет назад я нашел его в интернете. Если память не изменяет, то там рассматривалось применение этого метода к обработке сенсорной клавиатуры. Схемотехнику я запомнил, но вот адрес сайта нет. Я не знаю кто автор схемы, к сожалению, поэтому не могу назвать его имени.

На первый взгляд, схема проще не стала. Но на самом деле, в таком виде она гораздо проще в реализации с помощью микроконтроллеров. Давайте посмотрим, как она работает.

  1. В начальный момент времени все ключи разомкнуты.
  2. Сначала нам нужно разрядить накопительный конденсатор Сн. Для этого замыкаем S1 и S2 на некоторое время.
  3. Цикл переноса заряда начинается с заряда Сх до напряжения источника U. Для этого нам необходимо, что бы S1 и S2 были разомкнуты, а S3 замкнут.
  4. Перенос заряда начинается с отключения Сх от источника U. Для этого размыкаем S3. Если теперь замкнуть S1, то Сх и Сн окажутся включенными параллельно.
  5. Не изменяя положения переключателей сравниваем напряжение на Сн с пороговым уровнем. Это выполняет триггер Шмитта.
  6. Если напряжение ниже порога, то увеличиваем счетчик циклов и возвращаемся к шагу 3 (заряд Сх). Если напряжение достигло порога, то измерение закончено, а значение счетчика циклов является результатом измерения.

Вот сведенные в таблицу положения переключателей и выполняемые при этом функции

-32

С работой схемы все понятно, но что с упрощением реализации? Что бы ответить на этот вопрос давайте вспомним как выглядит двухтактный выходной каскад цифровой логики.

-33

В качестве примера я привел функциональную схему одного вывода порта микроконтроллера. Да, это PIC Microchip. Но примерно так же все устроено и в других микроконтроллерах.

Если присмотреться внимательнее, то станет видно, что включение выходных транзисторов очень похоже на S2 и S3 из приведенной выше схемы. А это значит, что мы можем прекрасно реализовать ее с помощью микроконтроллера. И по сути не важно, какой именно микроконтроллер использовать.

Если вывод порта настроен как цифровой вход, то оба транзистора закрыты, что соответствует разомкнутому состоянию S2 и S3. При этом мы можем прочитать состояние вывода. Если напряжение не выводе будет больше порога логической 1, то мы получим 1, а если ниже порога логического 0, то получим 0. Конечно, желательно использовать вывод, который имеет внутренний триггер Шмитта при работе в режиме входа. Но во многих случаях будет достаточно и обычного вывода. Да, пороговый уровень будет не очень стабильным, зато схема получается очень простой, что зачастую важнее в любительских конструкциях.

Важно отметить, что считывать необходимо именно состояние вывода порта, а не регистра-защелки выхода. То есть, для STM8 необходимо считывать регистр IDR порта, а не ODR. А для PIC регистр данных порта, а не регистр LAT.

Если вывод настроен как цифровой выход, то установка на нем 1 будет соответствовать замкнутому состоянию S3, а 0 замкнутому состоянию S2.

Это же касается и S1, с той лишь разницей, что для не нужно будет устанавливать на выходе логическую 1, а значит, вполне подойдет и вывод с открытым коллектором (стоком).

В результате мы получим вот такую, очень простую схему

-34

Здесь уже нет ключей, их функции выполняют выводы порта микроконтроллера. Зато здесь появился резистор, который ограничивает ток порта при разряде накопительной емкости. Добавление этого резистора необходимо, хоть это и приводит в введению дополнительных задержек в программу, так как разряд накопительной емкости и перенос заряда теперь будут занимать не нулевое, хоть и конечное, время.

Я специально не указал марку микроконтроллера и названия выводов порта. GPIOa и GPIOb обозначают лишь два вывода ввода-вывода общего назначения, и не более того.

Саму процедуру измерения емкости я приведу на С-подобном псевдокоде, что бы излишне не углубляться в тонкости синтаксиса и особенности конкретных компиляторов. При этом процедура будет в виде картинки, по уже не раз приводимой мной причине - ZEN не позволяет выполнять хоть какое-нибудь форматирование текстов программ.

-35

Вот так просто выполняется измерение. Здесь counter это счетчик циклов переноса заряда. Остается рассказать, что делают, и как реализованы, использованные здесь процедуры.

SetupGPIO выполняет настройку порта. Настройка заключается в переводе выводов GPIOa и GPIOb в режим входа. Напомню, это соответствует разомкнутому состоянию всех переключателей показанных на схеме-модели. Вот как выглядит эта процедура

-36

Детальную реализацию функции SetAsInput приводить не буду, так как она зависит от микроконтроллера. Для PIC это будет запись в TRIS, а для STM8 в DDR. Важно лишь то, что эта процедура переводит указанный вывод в режим входа.

Discharge выполняет разряд накопительной емкости (а за компанию и измерительной, что для нас совершенно не важно). При этом выполняется и требуемая задержка, о которой я уже говорил ранее.

-37

Здесь тоже все просто. Сначала мы устанавливаем на выводах порта уровни логического 0. Это нужно сделать до переключения их в режим выхода, так при этом ранее установленные значения сразу передаются на выводы. Функция DelayLong просто выполняет необходимую задержку. Ее реализация может быть любой, для нас это совершенно не важно. Важно лишь то, что за время задержки накопительная емкость должна полностью разрядиться. Перевод выводов обратно в режим входа, по большому счету, не нужен, так как это необходимые настройки можно сделать в других процедурах. Но для наглядности я сделал это здесь. Это несколько излишне, но оптимизацию вы сможете сделать впоследствии самостоятельно.

CapChrg выполняет заряд измерительной емкости. Здесь тоже потребуется задержка, но уже небольшая, так как измерительная емкость гораздо меньше накопительной.

-38

Дополнительная установка GPIOb в режим входа нужна, так после CapMove этот вывод остается в режиме выхода, что необходимо для чтения уровня напряжения на накопительной емкости. Заряд осуществляется установкой на выводе GPIOa логической единицы и переводом его в режим выхода. При этом измерительный конденсатор фактически подключается к источнику питания. Накопительный конденсатор при этом отключен, так как GPIOb находится в режиме входа.

CapMove выполняет перенос заряда, то есть, параллельное подключение измерительной и накопительной емкости. Кроме того, процедура оставляет вывод GPIOb в режиме выхода, что обеспечивает возможность считывания логического уровня соответствующего напряжению на накопительной емкости.

-39

Вот собственно говоря и вся процедура измерения емкости. Для уменьшения влияния помех и прочих погрешностей рекомендуется проводить измерение несколько раз (4 или 8 раз будет подходящим) и вычислять среднее арифметическое.

Как я уже сказал, возможна и реализация метода переноса заряда на дискретной логике. Однако, это гораздо сложнее, чем ранее рассмотренные методы измерения емкости, и очень редко целесообразно. По этой причине я не буду приводить схему.

Я рассказал о самом простом, и наименее точном, варианте реализации метода переноса заряда на микроконтроллере. Если нужна более высокая точность, то для отслеживания порогового уровня можно использовать встроенный в микроконтроллер компаратор, а при его отсутствии отдельную микросхему компаратора. Можно использовать и АЦП микроконтроллера, но это не только медленнее, но и ограничено невысоким входным сопротивление АЦП в большинстве случаев.

Заключение

Я рассказал, упрощенно и во многом поверхностно, о некоторых методах построения схем измерения и обработки для работы с емкостными датчиками (измерительными конденсаторами). При этом старался избегать специфики конкретных применений.

Целью статьи было показать, в общем виде, как можно работать с емкостными датчиками в различных любительских конструкциях. И дать представление, как это работает, для тех, кто никогда с такими датчиками не сталкивался.

Насколько статья оказалась удачной, судить читателям. Как всегда, в комментариях можно задавать вопросы и надеяться на получения ответа.

До новых встреч!