Добавить в корзинуПозвонить
Найти в Дзене
Теодорычевы байки

Профанация электроники. 1. Прикидочные расчеты

Данная статья написана по просьбе комментаторов к статье "Студент 25. Профанация электроники".

Как, собственно, учат электронике в ВУЗах СССР и России? Я не претендую на исследовательское заключение, но общая канва, за редким исключением, осталась со времен СССР. Сначала студентам дают квантово-механическое представление о природе полупроводников, затем долго рассказывают о P-N переходе и оксидном затворе, потом, наконец, переходят к описанию отдельных элементов, из которых и состоит электроника.

P-N переход. Фото из открытых источников.
P-N переход. Фото из открытых источников.

Это всего лишь набор фишек, которыми и должен играть будущий инженер. Чтобы детки не мучались в потугах использовать эти фишки, ВУЗы насыпают полной горстью некоторое количество элементарных схем, которые реализуют из этих элементов полезные функции. Официально считается, что человек все это освоивший знает электронику.

Далее студент идет на производство и понимает, что он ничего не знает. Дело не в том, что его снабдили неверными сведениями, а в том, что скрупулёзно выполняя рекомендации своих преподавателей он проигрывает своим сослуживцам в скорости и качестве расчетов. Кроме того, он только начинает учиться практической схемотехнике и коллеги, видя, что он везде применяет стандартные схемы, убеждаются, что он новичок.

Начал я с того, что постарался подходить к расчету схем отбрасывая мелочевку и оценивая физический смысл того, что получилось.

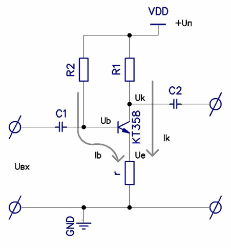
Первый инженер, который раскрыл мне глаза был инженер Мусаелян. Разговор у нас состоялся довольно давно, и я не помню деталей, но основной принцип могу показать. Допустим надо рассчитать такую схему:

-2

Первым делом заглянем в справочник и выпишем следующие параметры транзистора:

Β = 150 (коэффициент усиления по току)

r = 25 ом (внутреннее сопротивление эмиттера из графика Входные параметры)

Uбэ = 0,5 в (падение напряжения на открытом переходе база-эмиттер)

Затем запишем параметры, которые мы хотим получить:

Ku = 50 (коэффициент усиления схемы по напряжению)

Далее запишем параметры, которые мы выбираем по своему усмотрению или секретным соображениям:

Uп = 12 в

Uк = 6 в

По сути, нам надо посчитать всего два сопротивления. Начнем с главного:

Ku = 50 = (Ib*β)*R1)/(r*(1+β)*Ib) поскольку β намного больше 1 получим:

R1/ r =5 0

R1 = r*50 = 1,2 ком (Сопротивление нагрузки готово)

Ik = (Uп-Uк)/R1 = (12-6)/1,2 = 5 ма (Ток коллектор-эмиттер)

Ue = Ik*r = 5*25 = 125 мв (Падение напряжения на сопротивлении эмиттера)

Ub=Ue+Uбэ=0,1+0,5=0,6v (Потенциал Базы)

R2 = (Uп-Ub)/(Ik/β) = (12-0.6)/(5/β) = 342 ком (Для вычисления сопротивления смещения используем модель «Транзистор это краник с эффективностью β»)

Конденсаторы, отсекающие постоянную составляющую, рассчитываются из соображений допустимых искажений входного и выходного сигналов.

Внимательных читателей прошу не критиковать схемотехнику этого примера, которая состоит из кучи изъянов. Я привел не методику расчёта, а подход к составлению такой методики. Несмотря на то, что в современных разработках я все чаще использую микропроцессоры и алгоритмический подход к решению задач, но и сейчас остается широкое поле для схемотехнического творчества.

Если эта тематика интересует моих читателей, то может быть стоит выделить отдельный цикл баек по удивительным схемотехническим решениям и нестандартным проектным подходам. Меня всегда влекла людская выдумка и частенько я слышал от молодых инженеров потрясающие идеи, которые дяди, увешанные научными регалиями, даже не могли понять.

Фото для обложки. Из открытых источников.
Фото для обложки. Из открытых источников.

Глубоко во мне сидит такая мысль: «Может быть закончится в нашей стране эра некомпетентных руководителей, начнет восстанавливаться промышленность и все новые технические идеи будут востребованы не на конкурсах, а на производстве».

Уважаемые читатели ЗДЕСЬ, Вы можете скачать все байки целиком, в том числе еще и не выложенные в оригинальном варианте и без Дзен цензуры.

Спасибо, что дочитали до конца. Подписывайтесь на мой канал, и если Вам понравились байки, то ставьте «лайки».

Читайте следующий рассказ "Профанация электроники. 2. Нестандартные схемы" здесь.

С уважением, Лолейт А.Т.

Об авторе баек читайте здесь.